Dalet Опубліковано: 12 січня 2015 Поділитись Опубліковано: 12 січня 2015 --- Не больше, чем 3600/сумму напряжений на крайних борнах параллельных сборок АКБ. а зарядник в курсе о том что он должен это выдржать? 2 Посилання на коментар Поділитися на інших сайтах More sharing options...
Larsen_bmw Опубліковано: 12 січня 2015 Поділитись Опубліковано: 12 січня 2015 а зарядник в курсе о том что он должен это выдржать? Не в курсе и не выдержит. Превышать паспортные данные контроллера нельзя, в том числе и по мощности СП. В лучшем случае контроллер будет обрезать излишнюю мощность и вырубаться по перегреву а в худшем - негарантийно выйдет из строя. Четыре сборки 300Втных панелей к такому контроллеру подключить можно только при условии разнонаправленной установки панелей, одна на ЮВ, две на Ю и одна на ЮЗ, тогда пиковая мощность будет уменьшена а дневная выработка сохранится. Либо два контроллера. Добавлено через 7 минут С каким током заряда необходимы контроллеры для 400А/ч 48В? А какие АКБ у Вас установлены? 2 Посилання на коментар Поділитися на інших сайтах More sharing options...
tollyn Опубліковано: 12 січня 2015 Поділитись Опубліковано: 12 січня 2015 упс, а тогда какой ток на акб пойдет? Да я понял, ошибся. Я просто думал про ток от СБ, а не ток заряда АКБ. Посилання на коментар Поділитися на інших сайтах More sharing options...
Serd Опубліковано: 12 січня 2015 Поділитись Опубліковано: 12 січня 2015 Добавлено через 7 минут А какие АКБ у Вас установлены? Система только комплектуется,планируется AGM 8*200А/ч . Посилання на коментар Поділитися на інших сайтах More sharing options...
Larsen_bmw Опубліковано: 12 січня 2015 Поділитись Опубліковано: 12 січня 2015 Система только комплектуется,планируется AGM 8*200А/ч . Максимальный ток заряда 12-ти вольтового АГМ АКБ емкостью 200 А/ч равен - 60А (минимальный не лимитируется), соответственно Ваша сборка из 8-ми таких АКБ, собранная на 48 В сможет принять 120А. Два контроллера 60А (максимально нагруженных) спокойно переварит. Вернусь еще раз к Вашему вопросу о соединении панелей. Можно вополне на 60 амперный контроллер подключить имеющееся у Вас количество панелей, сборками по три последовательно. Одна сборка на юго-восток, две на юг, одна на юго-запад. Пик выработки "срежется" а общая выработка растянется на утро и вечер. Это проверено и могу привести цифры-но.. Все же лучше два контроллера, почему? А потому, что вполне вероятно, что Вам захочется нарастить систему со временем и поставив сейчас два контроллера с "недогрузом", потом гораздо проще увеличивать мощность, не нужно будет заморачиваться контроллерами снова. Да и правильнее так. 3 Посилання на коментар Поділитися на інших сайтах More sharing options...
Konstruktor Опубліковано: 19 січня 2015 Автор Поділитись Опубліковано: 19 січня 2015 (змінено) По чуть-чуть картинка начинает вырисовываться. Пока это предпроект, думаю когда дойдет до рабочего проетка или инсталяции данные могут коректироваться. Размер поля установки 11*6м, угол наклона крыши 45град. Прелварительно моджно бутет установить 2 ряда по 9 батарей (панель) 275Вт, 24В, поликристаллическая PLM-275P-72 (1966х992х50) Поле орииентировано на юг. В будущем планируеться еще добавить 9 панелей ориентированных на запад. Вопрос, как лучше соединить( 3 по 3) и какое оборудование применить. Так прикинул будет напряжени 100В и ток 24А(очень приблизительно) с одного ряда. Тоесть оба ряда подключаем на MPPT Epsolar ITracer IT6415ND 60A 150V а добавочные панели на такой же но послабее на 30А. Иневертор плинируеться US3. Аккумуляторов планируеться 8шт по 200А/Ч Может подумать и поставить инверто способен генерить в сеть электричество, летом избыток сливать. Змінено 19 січня 2015 користувачем Konstruktor Посилання на коментар Поділитися на інших сайтах More sharing options...
Larsen_bmw Опубліковано: 19 січня 2015 Поділитись Опубліковано: 19 січня 2015 Размер поля установки 11*6м, угол наклона крыши 45град. На стадии монтажа рекомендую продумать изменение угла наклона панелей (зима-лето). Очень нужная в первую очередь для зимы опция. Вопрос, как лучше соединить( 3 по 3) и какое оборудование применить. Три сборки по три панели последовательно. А производитель панелей кто? Так прикинул будет напряжени 100В и ток 24А(очень приблизительно) с одного ряда. Тоесть оба ряда подключаем на MPPT Epsolar ITracer IT6415ND 60A 150V а добавочные панели на такой же но послабее на 30А. Если все так как Вы написали-то существенно превышается мощность контроллера по количеству (и соответственно мощности СП). Так делать нельзя. ITracer IT6415ND (48В) - макс мощность панелей 3200Вт у Вас получается 9*275*2 ряда= 4950Вт Посилання на коментар Поділитися на інших сайтах More sharing options...
Konstruktor Опубліковано: 19 січня 2015 Автор Поділитись Опубліковано: 19 січня 2015 (змінено) Регулировка угла наклона будет будет заложена в крепеж панелей. Польем по 3 шт. увеличение сумарного угла до 70град. Панели предварительно такие PERLIGHT SOLAR PLM-275P-72solar-tech.com.ua/store/elektro-2/batarei-solnechnye-53/perlight275w_poli.html Ну 275Вт - это максимум, который у нас ну очень редко будет. Но все же понял, что зарядное нужно пересмотреть. Хотя 3*44,5=133,5В и 3*7,6=22,8А. По идее должны попасть в этот контроллер. Или я не правильно что то считаю? Как вариант сейсчас поставить 2шт Контроллер заряда MPPT Epsolar ETracer ET4415N 45A 150V, потом добавить третий. Такой вариант будет более ремонтопригодный. Как я понял паралелить их можно. Осталось с кабелями на аккумуляторы определиться.Солнце.pdf Змінено 19 січня 2015 користувачем Konstruktor Схему нарисовал Посилання на коментар Поділитися на інших сайтах More sharing options...
Dalet Опубліковано: 19 січня 2015 Поділитись Опубліковано: 19 січня 2015 Как я понял паралелить их можно. Выходы с контроллеров на одну группу батарей. А на входы подключаете на каждый свою ветку. Добавлено через 5 минут По идее должны попасть в этот контроллер. иногда будете перебирать, но в принципе в притык. 1 Посилання на коментар Поділитися на інших сайтах More sharing options...
trik Опубліковано: 19 січня 2015 Поділитись Опубліковано: 19 січня 2015 Осталось с кабелями на аккумуляторы определиться. КГ соотв. Сечения. Концы обжать нужными наконечниками. кабеля как можно короче и должны быть равной длины. не забудьте про предохранители возле аккумулятора а то не дай бог чего 1000А спалит любую проводку. Аккумуляторы 200А какие планируете? посмотрел схему. А где заземление и УЗИП? Поставьте предохранители на панели. Какпанели будете отключать от зарядки? Будете провода откручивать? 1 Посилання на коментар Поділитися на інших сайтах More sharing options...
Konstruktor Опубліковано: 20 січня 2015 Автор Поділитись Опубліковано: 20 січня 2015 (змінено) Это же пока функционалка. Вопрос такой, можно ли все это добро разместить в помещении, где будет установлен твердотопливный котел и турбированный котел. Или же выделять отдельное помещение под это дело? К конструкции и панелям пойдет заземляющий проводник сечением порядка 10мм.кв Рубильники и предохранители будут показаны в однолинейной схеме. Достаточно ли будет сечения 75мм.кв между АКБ и какой кабель от распред щита батарей к инвертору вести (16 или 25)? АКБ хотелось бы необслуживаемые, герметичные Змінено 20 січня 2015 користувачем Konstruktor Схему добавил Посилання на коментар Поділитися на інших сайтах More sharing options...
Dalet Опубліковано: 20 січня 2015 Поділитись Опубліковано: 20 січня 2015 Вопрос такой, можно ли все это добро разместить в помещении, где будет установлен твердотопливный котел и турбированный котел. Или же выделять отдельное помещение под это дело? акб какие? Посилання на коментар Поділитися на інших сайтах More sharing options...
trik Опубліковано: 20 січня 2015 Поділитись Опубліковано: 20 січня 2015 В котельной с ТТ обычно много грязи и пыли. Будет забивать электронику. Смотрите что бы не боло жарко для аккумов . В идеале температура около 20градусов и без резких колебаний. Перегревы больше 30 чреваты быстрой смертью аккумов. сечения посчитайте по токам. В инете куча калькуляторов и таблиц. Посилання на коментар Поділитися на інших сайтах More sharing options...
Konstruktor Опубліковано: 20 січня 2015 Автор Поділитись Опубліковано: 20 січня 2015 От контроллеров заряда ток будет 45А На инвертор при мощности 3Квт - порядка 60А Итого берем по максимальному току (где то вычитал что 3А на 1мм.кв). 60А - по таблицам достаточно 10мм.кв По вычитаному минимум 20, ближайшее 25. Думаю остановиться на 25мм.кв от блоков АБ к нивертору и контроллерам заряда. Но тогда и на крышу к распердкоробке вести 25мм.кв Посилання на коментар Поділитися на інших сайтах More sharing options...
trik Опубліковано: 20 січня 2015 Поділитись Опубліковано: 20 січня 2015 От контроллеров заряда ток будет 45А На инвертор при мощности 3Квт - порядка 60А Итого берем по максимальному току (где то вычитал что 3А на 1мм.кв). 60А - по таблицам достаточно 10мм.кв По вычитаному минимум 20, ближайшее 25. Думаю остановиться на 25мм.кв от блоков АБ к нивертору и контроллерам заряда. Но тогда и на крышу к распердкоробке вести 25мм.кв Я себе на чердак к распредкоробке буду вести алюминиевую толстую трассу. Медь дорогая. 1 Посилання на коментар Поділитися на інших сайтах More sharing options...
tollyn Опубліковано: 20 січня 2015 Поділитись Опубліковано: 20 січня 2015 Я себе на чердак к распредкоробке буду вести алюминиевую толстую трассу. Медь дорогая. Также только алюм. кабель. Минимум 16 квадратов для себя. Даже не обсуждалось другие варианты. А медь 2*4 тонковат как на меня. www.skrutka.ru/sk/tekst.php?id=38 калькулятор Посилання на коментар Поділитися на інших сайтах More sharing options...
Konstruktor Опубліковано: 20 січня 2015 Автор Поділитись Опубліковано: 20 січня 2015 Там опечатка. там 2*10 и будет наверное кабель ВВГ 3*10 Нужен ли 3*10? или достаточно 2*10 и внизу - соединить с ШУП Алюминий 16кв по таблице выдерживает 70А, но как то алюминий в дом, не нравиться мне, хоть и немного дороже. Посилання на коментар Поділитися на інших сайтах More sharing options...
tollyn Опубліковано: 20 січня 2015 Поділитись Опубліковано: 20 січня 2015 Алюминий 16кв по таблице выдерживает 70А, но как то алюминий в дом, не нравиться мне, хоть и немного дороже. Каждому свое, а мне наоборот нравится. Все согласно ПУЭ Посилання на коментар Поділитися на інших сайтах More sharing options...
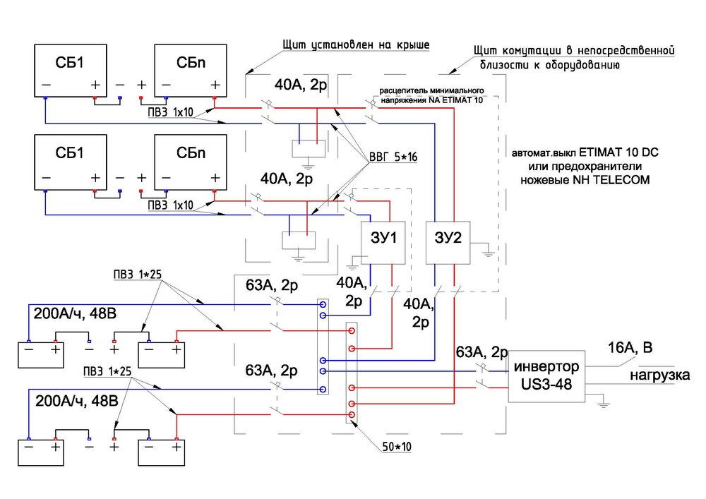
Konstruktor Опубліковано: 21 січня 2015 Автор Поділитись Опубліковано: 21 січня 2015 Вот посидел день подумал - нарисовал. Покритикуйте. Я так понимаю вышеуказанный разрядник для батарей нужно установить между СБ и ЗУ. Посилання на коментар Поділитися на інших сайтах More sharing options...
trik Опубліковано: 21 січня 2015 Поділитись Опубліковано: 21 січня 2015 Вот посидел день подумал - нарисовал. Покритикуйте. . А что за инвертор? С функцией ИБП? Зарядник от сети (генератора) в нем же? Не помешал бы механический байпас на инвертор на случай если он навернется. Хотя я это должно быть довольно редкое событие и можно будет обойтись перемычками. Если решитесь на байпас то не забудьте про блокировки что бы случайно не подать 220 из сети на выход инвертора. Я так понимаю вышеуказанный разрядник для батарей нужно установить между СБ и ЗУ. да. На плюс и минус вещается по варистору можно с разрядником. Другой конец варистора на землю. Спасает от ЭМИ и статики. Почитайте, я когда то пытался разобраться www.stroimdom.com.ua/forum/showthread.php?p=2697673 УЗИП также должно быть на вводе 220в в дом. Посилання на коментар Поділитися на інших сайтах More sharing options...
Konstruktor Опубліковано: 22 січня 2015 Автор Поділитись Опубліковано: 22 січня 2015 Подкоректировал схему. Инвертор планируеться US3-48, какой будет, в ходе реализации уточним. Да разрядник просто пропустил, но уже все добавил. За ссылку спасибо!!!!Общая схема-2.pdf Посилання на коментар Поділитися на інших сайтах More sharing options...
trik Опубліковано: 22 січня 2015 Поділитись Опубліковано: 22 січня 2015 Подкоректировал схему. Инвертор планируеться US3-48, какой будет, в ходе реализации уточним. Да разрядник просто пропустил, но уже все добавил. За ссылку спасибо!!!! автоматы которые отключают питание МРРТ контроллеров надо ставить спаренные автоматами подающими ток от СБ. В такой схеме как Вы нарисовали при срабатывании и отключении 48в от аккумулятора и идущей зарядке от СБ получим дохлые контроллеры. Надо сначала отключать СБ, а потом аккумуляторную батарею. Включать соотв. наоборот. Сначала подключаем батарею к контроллеру, а потом панели. Какие планируются автоматы? На постоянный ток? Добавьте еще предохранители на группы батарей в распредкоробке наверху. см. рис. 2 Посилання на коментар Поділитися на інших сайтах More sharing options...
Konstruktor Опубліковано: 22 січня 2015 Автор Поділитись Опубліковано: 22 січня 2015 Если использовать предохранители, то тогда практичнее использовать рубильники, а не автоматы. Тогда можно взять 4-хполюсный рубильник и разрывать выход с батарей и вход на инвертор. Если использовать автоматические выключатели (дешевле на переменку, но большего номинала) то можно использовать расцепитель минимального напряжения. При выключении входа инвертора, он будет выключать выход батарей. Спасибо за участие!!!! Посилання на коментар Поділитися на інших сайтах More sharing options...
Konstruktor Опубліковано: 23 січня 2015 Автор Поділитись Опубліковано: 23 січня 2015 Остался вопрос - ставить батарею преджохранителей, или же взять двухполюсные авт.выключатели. Кто то ETI занимаеться? Если да дайте цены на указанные автоматы и предохранители. Посилання на коментар Поділитися на інших сайтах More sharing options...
trik Опубліковано: 23 січня 2015 Поділитись Опубліковано: 23 січня 2015 Остался вопрос - ставить батарею предохранителей, или же взять двухполюсные авт.выключатели. Кто то ETI занимается? Если да дайте цены на указанные автоматы и предохранители. Я так понимаю что на группы батарей вы предохранители ставить не хотите? ИМХО зря. При аварии в одной цепочке остальные будут работать и давать зарядку. УЗИП вы не правильно поставили. Его надо ставить не наверху в распредкоробке, а внизу возле контроллеров. Это обережет контроллеры от наведенных импульсов. Я когда то интересовался ЕTI. Не помню точно цен, но УЗИП от 100уе.был. И под заказ с 2мес. ожиданием. Я наверное ИЕК-ковские поставлю. Посилання на коментар Поділитися на інших сайтах More sharing options...
Рекомендовані повідомлення
Створіть акаунт або увійдіть у нього для коментування
Ви маєте бути користувачем, щоб залишити коментар
Створити акаунт
Зареєструйтеся для отримання акаунта. Це просто!
Зареєструвати акаунтУвійти
Вже зареєстровані? Увійдіть тут.
Увійти зараз