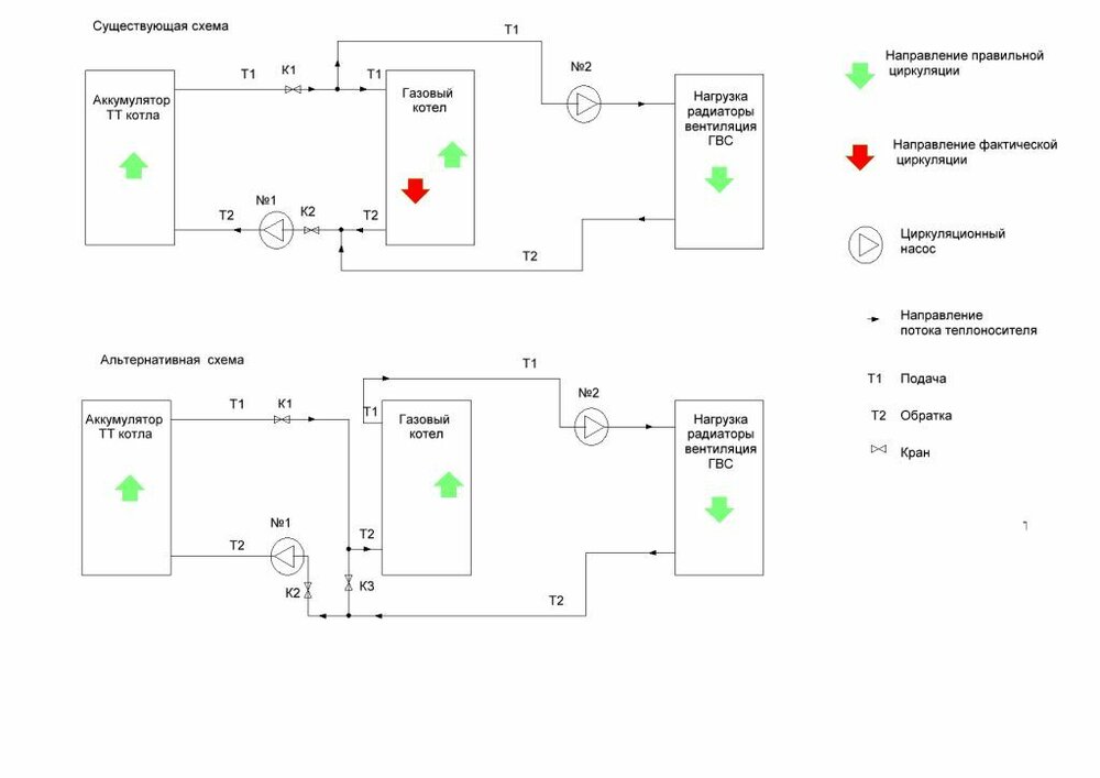
Vit3f Опубліковано: 13 січня 2015 Поділитись Опубліковано: 13 січня 2015 Есть система с газовыми котлами совсем не по феншую сделанная, но более менее работала, хоть газа жрала немерено (котлы будерус с мозгами (контролерами) но без ручек (трехходовых, приводов, часть насосов циркуляционных включена тупо в розетку) - но это к вопросу не относится) Некие дядьки решили что газ надо экономить (ну оно конечно правильно), купили ТТ модульную котельную и врезали ее в существующую систему. Как это все выглядит смотрим на картинке. Но не фига экономить не получилось так как возникла проблема с правильной циркуляцией и вскипанием газовых котлов, кое как снизив производительность циркуляционного насоса от ТТ котельной №1 до минимума, прикрыв батерфляй К2 и обрезав максимальную температуру будеруса на уровне +75 С, вся эта система более менее работает. Работа в паралель вынужденная так как дядьки забыли что нужно заготовить сухие дрова (топится все это на сегодня свежеспиленными) и газовые котлы добивают температуру до нужной так как ТТ выше +55 выдать не могут (там еще проблема и высотой выхлопных труб и соответственно тягой). Была предложена альтернатива (см.рисунок) которая позволяет работать котлам совместно, а летом перейти только на газ для приготовления горячей воды. Покритикуйте альтернативу, и предложите свое виденье решения проблемы. Может как-то гидрострелку во все это вписать, но тогда не будет работать погодозависмая автоматика будеросов (на сегодня это единственное что они могут со своими мозгами но без ручек, выдать на выходе теплоноситель согласно отопительному графику). Врезки выполнены тупо в существовавшие трубопроводы Т1 и Т2 газовых котлов. Посилання на коментар Поділитися на інших сайтах More sharing options...
murava Опубліковано: 14 січня 2015 Поділитись Опубліковано: 14 січня 2015 А в чем задача ? Переделать схему чтоб работало или максимально использовать имеющееся железо без радикальных переделок? Если первое - то скажите какое именно оборудование стоит - схема придумается. Если второе - то пусть автор проекта играется в "угадай баттерфляй" до посинения. Посилання на коментар Поділитися на інших сайтах More sharing options...
Dogrew Опубліковано: 14 січня 2015 Поділитись Опубліковано: 14 січня 2015 в газовом котле насоса нету? т.е. насос ТТ котла тянет воду из обратки газового против его насоса? обратные клапана не стоят? Посилання на коментар Поділитися на інших сайтах More sharing options...
Vit3f Опубліковано: 14 січня 2015 Автор Поділитись Опубліковано: 14 січня 2015 (змінено) А в чем задача ? Переделать схему чтоб работало или максимально использовать имеющееся железо без радикальных переделок? Если первое - то скажите какое именно оборудование стоит - схема придумается. Если второе - то пусть автор проекта играется в "угадай баттерфляй" до посинения. Первое, чтоб нормально работало, хотя там в нагрузке еще тот шанхай, но то к проблеме отношения не имеет. Проблема изначально возникла бо очень уж "экономные" дядьки, но не в том, где нужно . По оборудованию вроде как все расписал. Добавлено через 5 минут в газовом котле насоса нету? т.е. насос ТТ котла тянет воду из обратки газового против его насоса? обратные клапана не стоят? В том то и дело что нету у газовых котлов не насоса не клапана, но в данном случае не факт что особо погло б, тем более что желательно чтоб газовые только помогали догнать температуру подачи до нужной, а не работали параллельно с ТТ. Змінено 14 січня 2015 користувачем Vit3f Посилання на коментар Поділитися на інших сайтах More sharing options...
Interso Опубліковано: 14 січня 2015 Поділитись Опубліковано: 14 січня 2015 В том то и дело что нету у газовых котлов не насоса не клапана, но в данном случае не факт что особо погло б, тем более что желательно чтоб газовые только помогали догнать температуру подачи до нужной, а не работали параллельно с ТТ. Где то вот так может быть по простому. 2 Посилання на коментар Поділитися на інших сайтах More sharing options...
Vit3f Опубліковано: 14 січня 2015 Автор Поділитись Опубліковано: 14 січня 2015 Где то вот так может быть по простому. Вот и я к такой же схеме склоняюсь, там только за ТТ котлом еще аккумулуирующая емкость на 1000 л, поэтому сам котел уже не рисовал, ТТ обвязан правильно и свое дело делает. Насосы что у меня на схеме существующие. Посилання на коментар Поділитися на інших сайтах More sharing options...
Oleg9293 Опубліковано: 15 січня 2015 Поділитись Опубліковано: 15 січня 2015 Где то вот так может быть по простому. На схемке между подачей и обраткой нарисована перемычка с ц.насосом и датчиком t° на обратке у котла.Это как я понимаю для подмеса обратки в место трёхходового? Посилання на коментар Поділитися на інших сайтах More sharing options...
Interso Опубліковано: 15 січня 2015 Поділитись Опубліковано: 15 січня 2015 На схемке между подачей и обраткой нарисована перемычка с ц.насосом и датчиком t° на обратке у котла.Это как я понимаю для подмеса обратки в место трёхходового? Совершенно верно. 1 Посилання на коментар Поділитися на інших сайтах More sharing options...
Oleg9293 Опубліковано: 15 січня 2015 Поділитись Опубліковано: 15 січня 2015 Совершенно верно. Просто товаришу хотим собрать обвязку ТА и ТТ котла с такой приблудой вместо трёхходового.На фор.хаус давно общаюсь с пользователем такой замены трёхходовому и у него за 4-е года не возникло вопросов к применинию такой схемы.Работает ТТ котёл Виадрус в паре с ТА. Посилання на коментар Поділитися на інших сайтах More sharing options...
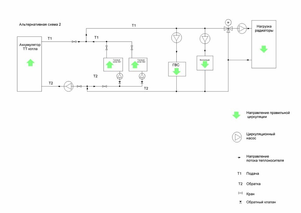
Vit3f Опубліковано: 19 січня 2015 Автор Поділитись Опубліковано: 19 січня 2015 После общения с Андреем, вырисовалась такая схемка (понятно что фильтра краники пропущены, но смысл такой (см.вложение) Очень понравилась такая штука, предложенная Андреем, но денег скорей всего не дадут:www.buderus.ua/files/201104261321280.R4000_%20FM444_1967bytes.pdf, кто строит систему отопления на базе газового будеруса стоит обратить внимание, даже не знал что у будеруса есть такое решение, но я в принципе то эксплуататор готовых систем, модуль снимает кучу вопросов в построении котельных на двух видах топлива. РС Да, еще раз убедился что будерус это классная штука, и он стоит своих денег. Посилання на коментар Поділитися на інших сайтах More sharing options...
Сергей 31 Опубліковано: 19 січня 2015 Поділитись Опубліковано: 19 січня 2015 Очень понравилась такая штука, предложенная Андреем, но денег скорей всего не дадут: У меня 444 сразу после Н.Года оплачен. Срок поставки месяц. Посилання на коментар Поділитися на інших сайтах More sharing options...
Vit3f Опубліковано: 19 січня 2015 Автор Поділитись Опубліковано: 19 січня 2015 У меня 444 сразу после Н.Года оплачен. Срок поставки месяц. Поздравляю, штука классная. Один блочок и куча решенных задач, не надо ничего колхозить и выдумывать. Посилання на коментар Поділитися на інших сайтах More sharing options...
Сергей 31 Опубліковано: 19 січня 2015 Поділитись Опубліковано: 19 січня 2015 Один блочок и куча решенных задач, не надо ничего колхозить и выдумывать. Вот мне потфартило. Но 442 у них таки был и я его взял. 1 Посилання на коментар Поділитися на інших сайтах More sharing options...
murava Опубліковано: 20 січня 2015 Поділитись Опубліковано: 20 січня 2015 После общения с Андреем, вырисовалась такая схемка (понятно что фильтра краники пропущены, но смысл такой (см.вложение) . Даже не думайте, согласовать эту схему равносильно выиграть в лоттерею. Я говорил при встрече - поставьте трехходовку и по сигналу нагрева буфера начинайте его разгружать. В момент разгрузки можно погасить газовые котлы. Из железа: два термометра, два датчика температуры и один регулятор типа ОВЕН - и можно реализовать разгрузку с итерациями макс по 15 минут. Если у закзчика и на это денег не найдется - выпишите ему справку. 2 Посилання на коментар Поділитися на інших сайтах More sharing options...
Vit3f Опубліковано: 20 січня 2015 Автор Поділитись Опубліковано: 20 січня 2015 Даже не думайте, согласовать эту схему равносильно выиграть в лоттерею. Я говорил при встрече - поставьте трехходовку и по сигналу нагрева буфера начинайте его разгружать. В момент разгрузки можно погасить газовые котлы. Из железа: два термометра, два датчика температуры и один регулятор типа ОВЕН - и можно реализовать разгрузку с итерациями макс по 15 минут. Если у закзчика и на это денег не найдется - выпишите ему справку. Спасибо, с трехходовкой было б идеально, но разнос между ТТ котельной и местом врезки к газовым метров 60 и плюс 4 этажа, и никаких проводов. Завтра буду там, буду думать как их между собой связать. Подумываю уже через радиоканал привязать, надо будет порыть в этом направлении. К примеру эту парочку задействоать: (ссылка устарела). Надо б как то температуру накопителя ТТ котлов, доправить в газовую котельную, тогда получится. Посилання на коментар Поділитися на інших сайтах More sharing options...
Interso Опубліковано: 20 січня 2015 Поділитись Опубліковано: 20 січня 2015 Спасибо, с трехходовкой было б идеально, но разнос между ТТ котельной и местом врезки к газовым метров 60 и плюс 4 этажа, и никаких проводов. Завтра буду там, буду думать как их между собой связать. Подумываю уже через радиоканал привязать, надо будет порыть в этом направлении. К примеру эту парочку задействоать: (ссылка устарела). Надо б как то температуру накопителя ТТ котлов, доправить в газовую котельную, тогда получится. Какой бред, а не лучше эту кантору сделать банкротом и реструктизировать:D Посилання на коментар Поділитися на інших сайтах More sharing options...
Vit3f Опубліковано: 20 січня 2015 Автор Поділитись Опубліковано: 20 січня 2015 Какой бред, а не лучше эту кантору сделать банкротом и реструктизировать:D Вы о какой конторе, та что торгует, так это первое что нагуглилось, понятно что возможно найти и другие варианты, в принципе любой комнатный термостат с радиоканалом можно приспособить, придется конечно ему немного калибровку подровнять, обсуждали уже это, когда я погодную регулировку к газовому котлу искал, так тогда все и заглохло, бегают крутят, включают, выключают - соответственно человеческий фактор вносит оживление в ряды жителей офиса:D Закинул все таки решение на базе buderus fm444, а вдруг раскошелятся. На фоне стоимости оборудования для такого решения, прокладка кабеля будет не такая и дорогая. Посилання на коментар Поділитися на інших сайтах More sharing options...
Interso Опубліковано: 20 січня 2015 Поділитись Опубліковано: 20 січня 2015 Вы о какой конторе, О той где эти котелки :D Посилання на коментар Поділитися на інших сайтах More sharing options...
Vit3f Опубліковано: 21 січня 2015 Автор Поділитись Опубліковано: 21 січня 2015 О той где эти котелки :D Э не я там работаю. Просто решения принимаются спонтанно, а мне потом разгребай. Но то таке. Могу похвастаться достижениями по двум объектам после коррекции в контролерах котлов (стояли на заводских настройках), снижение потребления газа за месячный период (пол декабря-пол января) по сравнению с трехгодичной статистикой (понятно что она относительная, погода разная по годам да и другие факторы имеют место) минус порядка 4000 м куб газа - мой ответ )(уйлу И останавливаться не собираюсь. Сегодня был на объекте с проблемной врезкой ТТ котельной, вырубили газовые совсем, краны на них перекрыли, жду утра с результатами. РС по ходу надо менять персонал, был прошлый раз все более менее настроил, сегодня опять газовые в ручном управлении, накрутили все что могли накрутить (благо в сервисное меню не знают как залезть), по этой причине буду давить на автоматизацию и амбарный замок на котельную. Сколько не просиш, что если не понимаеш - покорми собак (заложи дрова) и ничего не трогай, не доходит. Посилання на коментар Поділитися на інших сайтах More sharing options...
Vit3f Опубліковано: 22 січня 2015 Автор Поділитись Опубліковано: 22 січня 2015 Утро не порадовало ГВС +36С, в номерах прохладно, на ТТ котлах +45С (пока там не будет истопника этот бардак не прекратится), днем приехал инженер накочегарил до +55С, больше не получается хотя на двух других при тех же условиях держится +65С. Завтра попробуем разогнать увеличением поддува вентиляторами. Посилання на коментар Поділитися на інших сайтах More sharing options...
Рекомендовані повідомлення
Створіть акаунт або увійдіть у нього для коментування
Ви маєте бути користувачем, щоб залишити коментар
Створити акаунт
Зареєструйтеся для отримання акаунта. Це просто!
Зареєструвати акаунтУвійти
Вже зареєстровані? Увійдіть тут.
Увійти зараз