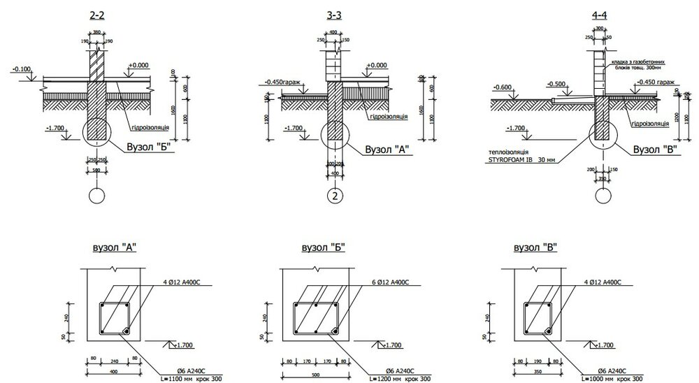
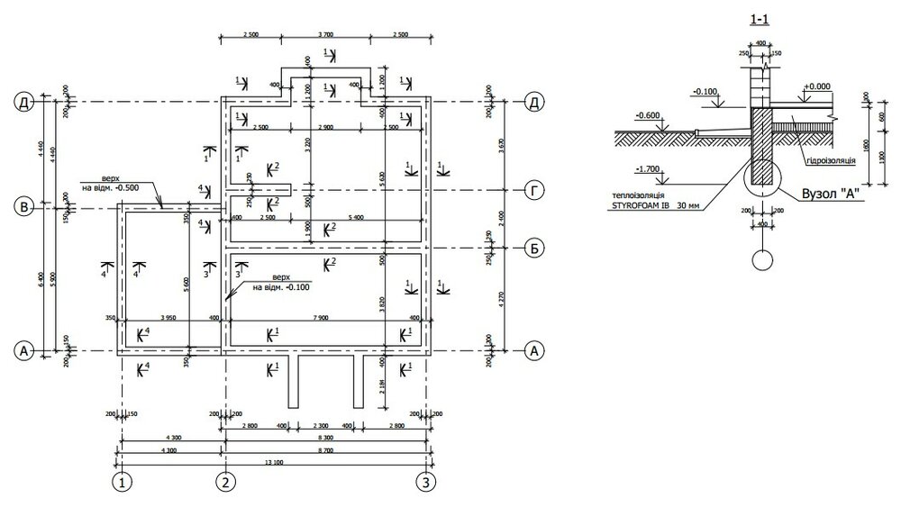
sdp Опубліковано: 25 лютого 2015 Поділитись Опубліковано: 25 лютого 2015 Добрый вечер! Начинаю строительство дома из газобетона, перекрытие из пустотелых плит, кровля - битумная черепица. Геологию участка не делал. 20-30 см плодородный грунт потом суглинок и на глубине ниже 1,5 метра глинистая почва. Гляньте, пожалуйста конструкцию фундамента и дайте свои советы. Заранее признателен! Посилання на коментар Поділитися на інших сайтах More sharing options...
Drosselbeere Опубліковано: 25 лютого 2015 Поділитись Опубліковано: 25 лютого 2015 автор проекта "ГАЛПРОЕКТ" но могу ошибаться, стандартное решение от этой компании. армирование не соответствует действующим нормам. для точной оценки, надо видеть весь проект или понимать нагрузки + геология 3 Посилання на коментар Поділитися на інших сайтах More sharing options...
ПГС-Проект Опубліковано: 25 лютого 2015 Поділитись Опубліковано: 25 лютого 2015 Осей не хватает:D 1 Посилання на коментар Поділитися на інших сайтах More sharing options...
sdp Опубліковано: 25 лютого 2015 Автор Поділитись Опубліковано: 25 лютого 2015 автор проекта "ГАЛПРОЕКТ" но могу ошибаться, стандартное решение от этой компании. армирование не соответствует действующим нормам. для точной оценки, надо видеть весь проект или понимать нагрузки + геология Угадали, они ... Вот и мне кажется, что с армированием что-то не так. Посилання на коментар Поділитися на інших сайтах More sharing options...
sashkaa Опубліковано: 26 лютого 2015 Поділитись Опубліковано: 26 лютого 2015 Добрый вечер! Начинаю строительство дома из газобетона, перекрытие из пустотелых плит, кровля - битумная черепица. Геологию участка не делал. 20-30 см плодородный грунт потом суглинок и на глубине ниже 1,5 метра глинистая почва. Гляньте, пожалуйста конструкцию фундамента и дайте свои советы. Заранее признателен! Глинистая почва - делайте геологию, могут быть просадочные грунты, эта информация нужна будет не только конструктору, но и инженерам для проектирования наружных сетей. Посилання на коментар Поділитися на інших сайтах More sharing options...
Перманент Опубліковано: 26 лютого 2015 Поділитись Опубліковано: 26 лютого 2015 Армирования по ДБН не верно зато. Фундамент для таких несущих стен и кровле вполне достаточно и не дорого. Даже запас 1.5 раза. Народ пишет, что армирование не верно. Только фундамент работает на сжатия и изгиб так вот этого армирования будет достаточно. Главное, что бы строители сделали все верно по технологии монтирования фундамента. Посилання на коментар Поділитися на інших сайтах More sharing options...
sashkaa Опубліковано: 26 лютого 2015 Поділитись Опубліковано: 26 лютого 2015 Армирования по ДБН не верно зато. Фундамент для таких несущих стен и кровле вполне достаточно и не дорого. Даже запас 1.5 раза. Народ пишет, что армирование не верно. Только фундамент работает на сжатия и изгиб так вот этого армирования будет достаточно. Главное, что бы строители сделали все верно по технологии монтирования фундамента. А можна уточнить какую нагрузку выдержит фундамент под кирпичной стеной шириной 380 мм. Какое будет давление под подошвой фундамента, какое расчетное сопротивление грунта и какая осадка здания. Все эти вопросы касаются всех сечений. Написав мне 3 цифры с расчетом я могу сказать да фундамент работоспособен. Да напишите как получили запас в 1,5 раза, цифрами. 1 Посилання на коментар Поділитися на інших сайтах More sharing options...
Рекомендовані повідомлення
Створіть акаунт або увійдіть у нього для коментування
Ви маєте бути користувачем, щоб залишити коментар
Створити акаунт
Зареєструйтеся для отримання акаунта. Це просто!
Зареєструвати акаунтУвійти
Вже зареєстровані? Увійдіть тут.
Увійти зараз