sasko Опубліковано: 27 травня 2015 Поділитись Опубліковано: 27 травня 2015 Собственно САБЖ. В наявності є AtmoVit Eksclusive 424, Drazice OKC NTRR/SOL 200l, ТА drazice 1000l яка модель ще не купив, ТТ Viadrus u22 7sek. Два поверхи ТП по 120 м2, один поверх комбіновано... Потрібне управління. Логіка роботи: ТТ котел гріє ТА по датчику димових газів чи іншому управлінні. Є бойлер непрямого нагріву який повинен грітися від ТА і газ котла. Також має працювати насос рецеркуляції, але можна обійтися і звичайним з таймером. Управління температури по поверхово бажано. Коротше ТА вистудився, повинен перейти на газ котел і навпаки... Управління Vaillant 7-8-9... Є ще модуль VR-39 7-8-9 too eBus чи буде працювати.... Завчасно дякую... Посилання на коментар Поділитися на інших сайтах More sharing options...
troll_9000 Опубліковано: 27 травня 2015 Поділитись Опубліковано: 27 травня 2015 С вашей задачей справится Ауроматик 620. Он представляет ТТК как коллекторное поле (гелиополе). Меряет темрерабуру в ТА, ТТ, косвеннике и на обратке СО. И по этим температурам управляет насосом ТТК, насосом нагрева бойлера, газ. котлом Есть нюанс - инфа бегает по шине е-бас (цифровая), шина 7-8-9 аналоговая. И чтоб газ котел понял команду, нужно еще в комплекте коробочку (название не вспомню) за 170 евро Вот как-то так с управлением Посилання на коментар Поділитися на інших сайтах More sharing options...
murava Опубліковано: 27 травня 2015 Поділитись Опубліковано: 27 травня 2015 А что, атмовит нельзя принудительно пускать по замкнутому контакту любого внешнего термостата? Посилання на коментар Поділитися на інших сайтах More sharing options...
troll_9000 Опубліковано: 27 травня 2015 Поділитись Опубліковано: 27 травня 2015 А что, атмовит нельзя принудительно пускать по замкнутому контакту любого внешнего термостата? Та можно всю логику на реле и термостатах замутить Посилання на коментар Поділитися на інших сайтах More sharing options...
sasko Опубліковано: 27 травня 2015 Автор Поділитись Опубліковано: 27 травня 2015 (змінено) С вашей задачей справится Ауроматик 620. Он представляет ТТК как коллекторное поле (гелиополе). Меряет темрерабуру в ТА, ТТ, косвеннике и на обратке СО. И по этим температурам управляет насосом ТТК, насосом нагрева бойлера, газ. котлом Есть нюанс - инфа бегает по шине е-бас (цифровая), шина 7-8-9 аналоговая. И чтоб газ котел понял команду, нужно еще в комплекте коробочку (название не вспомню) за 170 евро Вот как-то так с управлением І називається ця цаца VR39... 100Є каталог... Ауроматик 620 - 816 каталог... Шо для цієї пасочки ще треба? Too murava А два ступеня пальників черех 3-4 будуть управлятися??? Добавлено через 2 минуты Та можно всю логику на реле и термостатах замутить Ось що цікавить - ссилки, схеми и т.д. Ось шо нарив... plus.google.com/photos/114536497472363831656/albums/5827439271394786753 Змінено 27 травня 2015 користувачем sasko Посилання на коментар Поділитися на інших сайтах More sharing options...
troll_9000 Опубліковано: 27 травня 2015 Поділитись Опубліковано: 27 травня 2015 А два ступеня пальників черех 3-4 будуть управлятися??? Сбростьте телефон в личку, если не против - попробую Вам завтра телефон инженера Вайланта дать (если он не будет возражать) Посилання на коментар Поділитися на інших сайтах More sharing options...
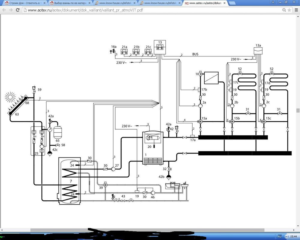
sasko Опубліковано: 5 червня 2015 Автор Поділитись Опубліковано: 5 червня 2015 Да я не против, но телефон инженера у меня есть. Хочу разобраться с помощью форума и своих сил... На сегодня уже ТТ котел в перспективе, но вывод на гидравлике оставим... Автоматика будет работать по схеме 8... Короче по ходу работ буду спрашивать... Посилання на коментар Поділитися на інших сайтах More sharing options...
Теплотехник Опубліковано: 9 червня 2015 Поділитись Опубліковано: 9 червня 2015 Собственно САБЖ. В наявності є AtmoVit Eksclusive 424.... Завчасно дякую... Ви впевнені, що хочете ставити цей котел? Чи вже пізно щось міняти? Посилання на коментар Поділитися на інших сайтах More sharing options...
sasko Опубліковано: 10 червня 2015 Автор Поділитись Опубліковано: 10 червня 2015 Ви впевнені, що хочете ставити цей котел? Чи вже пізно щось міняти? А що не так з цим котлом? Посилання на коментар Поділитися на інших сайтах More sharing options...
Теплотехник Опубліковано: 10 червня 2015 Поділитись Опубліковано: 10 червня 2015 А що не так з цим котлом? Як на мене, то м'яко кажучи, він не зовсім економний... Тим паче на потужності 42 кВт... Я б розглядав конденсацыйний котел... Посилання на коментар Поділитися на інших сайтах More sharing options...
sasko Опубліковано: 11 червня 2015 Автор Поділитись Опубліковано: 11 червня 2015 Я пропонував ecoVIT exklusiv але ціна.. ecoVIT plus навіть не хотів... www.google.com.ua/imgres?imgurl=http://www.vaillant.at/images/produkte/02-gb-stand/ecovit-xray-fsgc09-5682-01-235457-format-3-4%2540570%2540retina.jpg&imgrefurl=http://www.vaillant.at/privatanwender/produkte/ecovit-exclusiv-3264.de_at.html&h=1517&w=1140&tbnid=XdbhsEEjKw_XSM:&zoom=1&docid=ZQXKHKMuQA5NOM&ei=ojN5Va_7DsytsgHUxoLgDQ&tbm=isch&ved=0CDoQMygVMBVqFQoTCK_U-aCKh8YCFcyWLAodVKMA3A Посилання на коментар Поділитися на інших сайтах More sharing options...
sasko Опубліковано: 17 червня 2015 Автор Поділитись Опубліковано: 17 червня 2015 .........0...... Посилання на коментар Поділитися на інших сайтах More sharing options...
sasko Опубліковано: 24 травня 2016 Автор Поділитись Опубліковано: 24 травня 2016 Майже закінчили обєкт. Залишилось зовсім трохи. Фото по ссилці. www.stroimdom.com.ua/forum/showthread.php?t=125787&page=325 Посилання на коментар Поділитися на інших сайтах More sharing options...
Рекомендовані повідомлення
Створіть акаунт або увійдіть у нього для коментування
Ви маєте бути користувачем, щоб залишити коментар
Створити акаунт
Зареєструйтеся для отримання акаунта. Це просто!
Зареєструвати акаунтУвійти
Вже зареєстровані? Увійдіть тут.
Увійти зараз