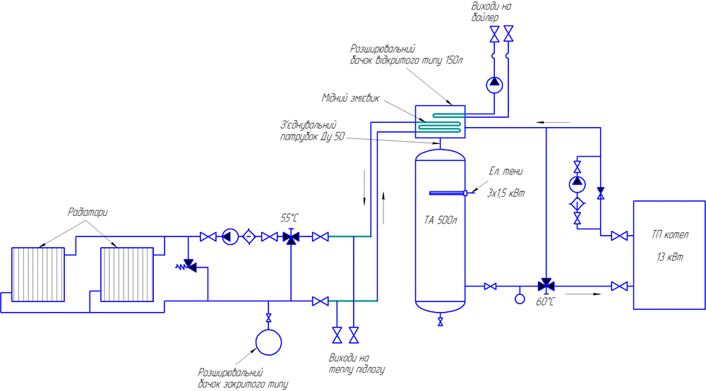
Pr_Woland Опубліковано: 3 січня 2018 Поділитись Опубліковано: 3 січня 2018 Доброго дня шановні форумчани ! Проектуючи систему опалення приватного будинку 90 кв.м на основі ТП котла 13 кВт та ТА 500л вирішив з метою безпеки розділити систему контур «Котел-ТА» та контур «ТА-Споживачі». Контур «Котел-ТА» буде відкритим з можливістю самоточної циркуляції на випадок відключення ел. енергії. Контур «ТА-Споживачі» буде закритий для простоти монтажу. Назріло питання передачі тепла з першого контура у другий. Основна проблема полягає в тому, що ТА мені дістався без вбудованого змієвика. Наявні лише шість різьбових патрубків Ду50 (зверху-знизу і по 2 з боків). Ніяких ревізійних люків немає, а розрізати ТА та щось вварювати немає бажання, оскільки це ємність з металу товщиною 6мм, розрахована на тиск 16 бар, з товстезним шаром цинку з обох боків (б/у повітрозбірник). Тому назріло два варіанти вирішення проблеми: - використати пластинчастий теплообмінник; - змонтувати змієвик у збільшеному до 150л розширювальному бачкові. Особисто я більше схиляюся до другого варіанту, оскільки він спрощує схему та трубну розв’язку. Однак мене хвилюють можливі «підводні камені»: 1) чи буде ТА в повній мірі виконувати свою функцію (чи не виникне критичних перешкод для циркуляції води у такому виконанні ТА) ? 2) чи буде акумулюватися тепло у всьому об’ємі 500л + 150л ? 3) чи доцільне використання ел. тена 3х1,5 кВт, зображеного на схемі для підтримання температури ТА (при затримці наступної протопки або для швидшого прогріву на старті). Можливо є якісь нюанси які слід врахувати, оскільки така компоновка ТА не зовсім стандартна. Заздалегідь вдячний за відповіді та конструктивну критику. Посилання на коментар Поділитися на інших сайтах More sharing options...
Сергей 31 Опубліковано: 3 січня 2018 Поділитись Опубліковано: 3 січня 2018 Если есть возможность открытый расширительный бак поставить выше системы отопления и делайте открытую систему без всяких теплообменников. Из бака предусмотрите перелив. Посилання на коментар Поділитися на інших сайтах More sharing options...
SON Опубліковано: 3 січня 2018 Поділитись Опубліковано: 3 січня 2018 ...вирішив з метою безпеки розділити систему... Не морочьтесь. ТА и есть неплохая подушка безопасности, тем более при 13 кВт котле. Тока схему обвязки чуть подправить. Посилання на коментар Поділитися на інших сайтах More sharing options...
4587derek Опубліковано: 3 січня 2018 Поділитись Опубліковано: 3 січня 2018 на теплообміннику втратите 5-10 градусів, а у вас радіатори, при температурі в подачі 35 градусів, з них толку мало. Друга схема взагалі ніпрощо, бо як забрати тепло з середени, та низу ТА? Посилання на коментар Поділитися на інших сайтах More sharing options...
Pr_Woland Опубліковано: 3 січня 2018 Автор Поділитись Опубліковано: 3 січня 2018 Сергей 31 В мене двохповерховий будинок. Повністю самоточну систему робити дуже складно. SON Котел в мене далекий від досконалості, живу я сам і моя уважність ще менш досконала ніж котел (можна покласти більше дров ніж потрібно, забути відкрити якийсь кран тощо) , а покладатися лише на групу безпеки теж не варіант. 4587derek Розміри радіаторів в мене майже із двохкратним запасом. В системі передбачений термостатичний клапан щоб подавати на радіатори не більше 55С. Я прихильник великих і теплих нагрівачів, а не маленьких і гарячих. В обох схемах відбір тепла відбувається у верхній найгарячішій точці ТА, вода охолоджується, опускається в низ та відбирається з нижчої точки ТА на котел. 1 Посилання на коментар Поділитися на інших сайтах More sharing options...
Oleg9293 Опубліковано: 3 січня 2018 Поділитись Опубліковано: 3 січня 2018 Сергей 31 В мене двохповерховий будинок. Повністю самоточну систему робити дуже складно. SON Котел в мене далекий від досконалості, живу я сам і моя уважність ще менш досконала ніж котел (можна покласти більше дров ніж потрібно, забути відкрити якийсь кран тощо) , а покладатися лише на групу безпеки теж не варіант. 4587derek Розміри радіаторів в мене майже із двохкратним запасом. В системі передбачений термостатичний клапан щоб подавати на радіатори не більше 55С. Я прихильник великих і теплих нагрівачів, а не маленьких і гарячих. В обох схемах відбір тепла відбувається у верхній найгарячішій точці ТА, вода охолоджується, опускається в низ та відбирається з нижчої точки ТА на котел. Делайте как Вам советуют!Нет возможности в низу поставить открытый РБ,попробудей металопластом вывести трубу на чердак и там установите РБ.Будет вся СО открытой.Если и такой возможности нет,то ставте закрытый РБ но по объёму не 10%,а 15%.13-ти киловатным котлом закипятить,а тем болие поднять давление выше 3b,это по пьянке не устроишь!Мне СО помого собрать Сергей31,за что всегда ему большое спасибо!Тоже мудрил в начале и искал экслюзива,в итоге сделал как он сказал.Четвёртый сезон и котёл 40кВт с ТА на куб,работа класс!Я своим котлом даже при отключении эл.энергии не испытывал страха.Всё успевало затухать!Да,забрасывало на 120°,но давление оставалось в норме.А забрасывало,потому что в узле подмеса ладдомат оч.плохая аварийная ЕЦ.Ставте нормальный байбас и проблем не будет.В этом году тоже в ТА установил эл.тен.Теперь при ночном тарифе кайф.ТТ котёл в этом году розжёг только один раз для побаловаться.Теплообменники,это головня хорошая.Чуток промажите в расчётах и начнуться ли бо постоянные перегревания тт котла,либо потребители не дополучат тепла.Я в топку вбухивал по 70-75 кг антрацита и спал спокойно при закрытой СО,а Вы с маломощным котлов волнение подняли). 1 Посилання на коментар Поділитися на інших сайтах More sharing options...
SON Опубліковано: 3 січня 2018 Поділитись Опубліковано: 3 січня 2018 В мене двохповерховий будинок. Повністю самоточну систему робити дуже складно. Самотечная система в двухэтажном доме реализуется гораздо проще одноэтажника в плане функционала, но дороже в плане чатлов. Но это так, отступление (лирика). Делайте с насосами и все будет норм. Котел в мене далекий від досконалості, живу я сам і моя уважність ще менш досконала ніж котел (можна покласти більше дров ніж потрібно, забути відкрити якийсь кран тощо) , а покладатися лише на групу безпеки теж не варіант. Группа безопасности по умолчанию, все остальное сделает бочка (ТА), но при условии правильной обвязки. Недосконалий котел при этом уходит на второй план. Скачайте "Шпаргалка монтажника 2013" по отопительным системам, там многое прояснится. По остальному спрашивайте, бум помогать, тем более ориентируетесь в теме. 1 Посилання на коментар Поділитися на інших сайтах More sharing options...
Pr_Woland Опубліковано: 3 січня 2018 Автор Поділитись Опубліковано: 3 січня 2018 Дякую всім за відповіді та увагу до теми ! Будівництво будинку я розпочав вже давно, а от опаленням зайнявся лише нещодавно. Спочатку за основу бралося опалення газом, а ТП котел лише для аварійного резервування для чого було обрано дуже простий котел маловідомого виробника. Проте з часом всі умови кардинально змінилися і ТП котел тепер буде основним з підтримкою електрикою, а газ відкладається на невизначене майбутнє. Перед початком монтажу системи я зробив гідравлічне випробування котла. При досягненні тиску більше 2-х бар з котла починають лунати різкі звуки характерні для сильнодеформованої конструкції (рипіння та тріск). Цей прикрий результат випробування і спонукав мене поглянути у бік системи із самоточною циркуляцією, бо якщо почути цей звук тріскаючого металу серед нічної тиші при завантаженому та розігрітому котлі, то можна миттєво схуднути на кілька кілограмів :(... Однак зробити повністю самоточну систему в моєму випадку надто складно - споживачі надто розгалуженні та в різних рівнях, що потребує дуже грамотного проектування, а товсті та похилі труби доб'ють скромний дизайн інтер'єру, який і без того не претендує на шедевр. Ось тому і доводиться розглядати нестандартні схеми. Розумію, що кожен варіант має свої переваги та недоліки в яких хотілося б грунтовно розібратися перед остаточним прийняттям рішення. Ще один камінь спотикання при обранні повністю закритої системи - це розширювальний бак. Загальний об'єм води буде порядка 700л, що при вимозі 10% дає досить великий бак, який дуже складно помістити в наявний обмежений простір. Посилання на коментар Поділитися на інших сайтах More sharing options...
SON Опубліковано: 3 січня 2018 Поділитись Опубліковано: 3 січня 2018 Дом в два этажа, ставьте РБ на чердаке, будет открытая система, ну и котлу будет полегче. Единственный недостаток - утеплить РБ и доливка раз в год. Не получается на чердаке, делайте РБ по типу сифона, примастырите его где-нить в котельной. ...обрано дуже простий котел маловідомого виробника. Проте з часом всі умови кардинально змінилися і ТП котел тепер буде Примерно догадываюсь по котлу. Конструкция вроде позволяет доточить турбину и автоматику. Посилання на коментар Поділитися на інших сайтах More sharing options...
Pr_Woland Опубліковано: 3 січня 2018 Автор Поділитись Опубліковано: 3 січня 2018 Для відкритої системи установка РБ якраз не проблема, оскільки його можна зробити довільної форми та тільки 5% від об'єму. Глобальна проблема це те що для закритої обв'язки вже куплено всі труби і підключено радіатори 1-го поверху. Тому я хотів би почути думку стосовно схем наданих в 1-му пості, особливо щодо схеми зі змієвиком. По суті нічого особливо складного я там не бачу мене лише хвилює одне "тонке місце", а саме - перешийок між ТА та РБ. Саму фізику процесу я бачу наступним чином: коли котел горить, то гаряча вода надходить в РБ, де через змієвик з неї відбирається тепло на споживачі. Потім охолоджена змієвиком вода опускається через перешийок з РБ в ТА (частково за рахунок конвекції, частково підхоплюється насосом котла та виштовхується новоприбулою водою з котла). Далі з ТА вода надходить в котел і цикл повторюється - тут ніби все зрозуміло, хоча можливо я упустив якісь нюанси - хотілося б коментар фахівця. А от далі починається найцікавіше - горіння в котлі скінчилося, циркуляційний насос зупинився, ТА "заряджений" і продовжується відбір тепла через змієвик в РБ. Вода охолоджується і опускається конвекцією в ТА через перешийок, а з ТА з верхніх найбільш гарячих шарів легша вода через той самий перешийок має піднятися в РБ. Ось тут і виникає основна інтрига - чи працездатна така схема (чи зможуть проходити через перешийок 50мм всі ті зустрічні конвективні потоки ?), чи потрібно городити окремі патрубки для опускання охолодженої води і підіймання ще гарячої в РБ ? А якщо ще й ел. тени в ТА ввімкнути, то там взагалі кат-зна що получається. Чи можливо доцільно підключити окремий насос для перемішування води ? Посилання на коментар Поділитися на інших сайтах More sharing options...
Сергей 31 Опубліковано: 3 січня 2018 Поділитись Опубліковано: 3 січня 2018 Глобальна проблема це те що для закритої обв'язки вже куплено всі труби і підключено радіатори 1-го поверху. Берете Вашу закрытую систему со всеми пасочками и ставите в нее открытый расширительный бак. 1 Посилання на коментар Поділитися на інших сайтах More sharing options...
Pr_Woland Опубліковано: 4 січня 2018 Автор Поділитись Опубліковано: 4 січня 2018 Берете Вашу закрытую систему со всеми пасочками и ставите в нее открытый расширительный бак. Тобто в мене буде безнапорна відкрита система, але з примусовою циркуляцією теплоносія через радіатори ? Як при цьому будуть себе поводити радіатори на другому поверсі ? РБ доведеться ставити вище за найвищий споживач ? Поясніть будь-ласка детальніше. Посилання на коментар Поділитися на інших сайтах More sharing options...
Oleg9293 Опубліковано: 4 січня 2018 Поділитись Опубліковано: 4 січня 2018 Тобто в мене буде безнапорна відкрита система, але з примусовою циркуляцією теплоносія через радіатори ? Як при цьому будуть себе поводити радіатори на другому поверсі ? РБ доведеться ставити вище за найвищий споживач ? Поясніть будь-ласка детальніше. Ну на конец то).Вам уже третий раз говорят,РБ на чердак и вся СО открытая,но с насосами.Им все равно,что закрытая,что открытая СО.Работать будет так же. 1 Посилання на коментар Поділитися на інших сайтах More sharing options...
Pr_Woland Опубліковано: 4 січня 2018 Автор Поділитись Опубліковано: 4 січня 2018 Якщо все так просто : вся СО открытая,но с насосами.Им все равно,что закрытая,что открытая СО.Работать будет так же. , то це був би ідеальний варіант. Мене лише бентежить навіщо народ тоді взагалі морочиться із закритими системами, ставлять групи безпеки, пильнують за котлами щоб не перегріти і монтують дорогі РБ закритого типу, якщо грубо кажучи можна поставити відкрите корито ? Який з цього всього зиск і коли закрита система дійсно необхідна ? Посилання на коментар Поділитися на інших сайтах More sharing options...
SON Опубліковано: 4 січня 2018 Поділитись Опубліковано: 4 січня 2018 коли закрита система дійсно необхідна ? Многие ставят настенные газ котлы, которые "без давления" не работают. 2 Посилання на коментар Поділитися на інших сайтах More sharing options...
Oleg9293 Опубліковано: 4 січня 2018 Поділитись Опубліковано: 4 січня 2018 Якщо все так просто : , то це був би ідеальний варіант. Мене лише бентежить навіщо народ тоді взагалі морочиться із закритими системами, ставлять групи безпеки, пильнують за котлами щоб не перегріти і монтують дорогі РБ закритого типу, якщо грубо кажучи можна поставити відкрите корито ? Який з цього всього зиск і коли закрита система дійсно необхідна ? Потому,что многие доустанавливают ТТ котлы,а уже все работы по дому давно сделаны.В других вариантах,СО монтируруют мастера которые устанавливали только газовые и эл.котлы и тт котлы ставят по тем же принципам.У кого то уже всё было смонтировано на газовом котле,а потом тт доустанавливали.У меня точно такая же была ситуация и долбить три потолка или три пола с кафелем и трубами неизвесно где в стяжке,уже опасно.А тем болие стены тоже нужно было бы долбить,что б вывести трубу на чердак.Вот этой возможности уже не было,по этому и пришлось оставлять так как есть,т.к. СО изначально была сделана закрытая и под эл.котёл.Вобшем вариантов куча,почему получаются закрытые СО,но Вариант как Вам предложили выше,самый безопастный.Так что делайте всю СО и спите спокойно.Ток Вам на той схемке,что в первом посте,нужно перенести насос и обратный клапан с байпасом на трёхходовой,т.к при той схеме трехходовой не даст полноценной ЕЦ между котлом и ТА.Насос на узел подмеса ставте самый маломощный.Открытый РБ на чердаке укутайте фальгированным базальтом и сделайте в нём в верху отвод слив в каналию на случай перелива.От котла сразу с подачи выведите металопластиковую трубу и на чердак в РБ.Всё будет работать волшебно!)Да,электро тены в ТА Вы правильно указали место расположения,если не хотите греть ими весь объём ТА по ночному тарифу.Если в низ ТА,то они должны быть мощней.Котёл самодельный что-ль,раз так трещит при давлении 2b? 2 Посилання на коментар Поділитися на інших сайтах More sharing options...
Pr_Woland Опубліковано: 4 січня 2018 Автор Поділитись Опубліковано: 4 січня 2018 Oleg9293 Дуже дякую за розрогу та змістовну відповідь. Тепер все стало на свої місця. Не зовсім зрозумів Вашу пропозицію щодо установки насоса на трьохходовий клапан. Те що клапан не дозволить самоточну циркуляцію я розумію, тому планував поставити його на відгалуження подібне до байпаса. Виглядає це все досить кострубато, тож на схемі не показав. Може десь можна побачити простіший (грамотніший) варіант установки ? Стосовно котла, то цей непотреб називається САН Эко 13- У- М . Знайте і бійтеся взагалі мати з ними справу. Підкупило мене в ньому в першу чергу компактність та верхній вихід димохода, оскільки ТП котел в мене спочатку не планувався, то я дуже обмежений в просторі. Спочатку мені прислали взагалі "шедевр" :bad::bad::bad:: - із середини теплообмінника сталь 4мм, із зовні 2мм; - патрубок під механічний терморегулятор вварений зовсім косо і з такими напливами, що вкрутити його туди вгагалі неможливо; - зварні шви настільки жахливої якості, що в мене виходили кращі коли я вперше взяв зварювальний апарат у руки; - протікало те технічне непорузуміння взагалі без тиску :o Після моєї скарги мені швиденько поміняли це збочення на щось біль-менш працездатне, але теж далеке від досконалості. Якби котел був дійсно саморобний, то напевно був би кращий. А в них ще в лінійці представленні промислові моделі. Як вони їх роблять боюся навіть уявляти. Ну це так, наболіла лірика, щоб не плодити окремих тем. Минайте це Г.... десятою дорогою. 1 Посилання на коментар Поділитися на інших сайтах More sharing options...
Oleg9293 Опубліковано: 4 січня 2018 Поділитись Опубліковано: 4 січня 2018 Oleg9293 Дуже дякую за розрогу та змістовну відповідь. Тепер все стало на свої місця. Не зовсім зрозумів Вашу пропозицію щодо установки насоса на трьохходовий клапан. Те що клапан не дозволить самоточну циркуляцію я розумію, тому планував поставити його на відгалуження подібне до байпаса. Виглядає це все досить кострубато, тож на схемі не показав. Може десь можна побачити простіший (грамотніший) варіант установки ? Стосовно котла, то цей непотреб називається САН Эко 13- У- М . Знайте і бійтеся взагалі мати з ними справу. Підкупило мене в ньому в першу чергу компактність та верхній вихід димохода, оскільки ТП котел в мене спочатку не планувався, то я дуже обмежений в просторі. Спочатку мені прислали взагалі "шедевр" :bad::bad::bad:: - із середини теплообмінника сталь 4мм, із зовні 2мм; - патрубок під механічний терморегулятор вварений зовсім косо і з такими напливами, що вкрутити його туди вгагалі неможливо; - зварні шви настільки жахливої якості, що в мене виходили кращі коли я вперше взяв зварювальний апарат у руки; - протікало те технічне непорузуміння взагалі без тиску :o Після моєї скарги мені швиденько поміняли це збочення на щось біль-менш працездатне, але теж далеке від досконалості. Якби котел був дійсно саморобний, то напевно був би кращий. А в них ще в лінійці представленні промислові моделі. Як вони їх роблять боюся навіть уявляти. Ну це так, наболіла лірика, щоб не плодити окремих тем. Минайте це Г.... десятою дорогою. У меня таких фото нет,но думаю у мастеров фото собранных узлов в единое и целое(насос,байпас,трёхходовой,лепистковый обр.клапан,филтр и краны) имеются.Если что,то намолюем,но лучше фото) 1 Посилання на коментар Поділитися на інших сайтах More sharing options...
Oleg9293 Опубліковано: 4 січня 2018 Поділитись Опубліковано: 4 січня 2018 Если котёл такой,то смело начинайте варить на него доп.теплообменник на выход дымохода.Иначе всё тепло в трубу! 1 Посилання на коментар Поділитися на інших сайтах More sharing options...
Pr_Woland Опубліковано: 4 січня 2018 Автор Поділитись Опубліковано: 4 січня 2018 У меня таких фото нет,но думаю у мастеров фото собранных узлов в единое и целое(насос,байпас,трёхходовой,лепистковый обр.клапан,филтр и краны) имеются.Если что,то намолюем,но лучше фото) Як на мене то краще схема, мені так зрозуміліша суть питання. Стосовно зворотнього клапана, то я розраховував ставити кульковий, чув що саме вони підходять для самоточних систем, чи наявні підходящі і пелюсткові ? Добавлено через 22 минуты Если котёл такой,то смело начинайте варить на него доп.теплообменник на выход дымохода.Иначе всё тепло в трубу! Так, котел саме такого типу. Хоча я подібну компоновку зустрічав у більшості побутових сталевих котлів. Виліт тепла в трубу мене теж бентежить тому я частину димоходу (майже 3м) планую із неізольованої н/ж труби яку хочу помістити в короб та направляти нагріте повітря в одну з кімнат, можливо навіть зробити обдув труби вентилятором. Ставити на димохід водяний теплообмінник в мене було в плані, хоча б для ГВП, але тут потрібно вже мудрити з автоматикою і є ризик переохолодити трубу і залити димохід конденсатом та дьогтем. Основне, що я остерігаюся при повітряному відборі тепла так це спалене/перегріте повітря/пил. Хоча в паспорті котла вказується температура вихідних газів не вище 120С, але вірити цим даним після всього... Посилання на коментар Поділитися на інших сайтах More sharing options...
Oleg9293 Опубліковано: 4 січня 2018 Поділитись Опубліковано: 4 січня 2018 Як на мене то краще схема, мені так зрозуміліша суть питання. Стосовно зворотнього клапана, то я розраховував ставити кульковий, чув що саме вони підходять для самоточних систем, чи наявні підходящі і пелюсткові ? Добавлено через 22 минуты Так, котел саме такого типу. Хоча я подібну компоновку зустрічав у більшості побутових сталевих котлів. Виліт тепла в трубу мене теж бентежить тому я частину димоходу (майже 3м) планую із неізольованої н/ж труби яку хочу помістити в короб та направляти нагріте повітря в одну з кімнат, можливо навіть зробити обдув труби вентилятором. Ставити на димохід водяний теплообмінник в мене було в плані, хоча б для ГВП, але тут потрібно вже мудрити з автоматикою і є ризик переохолодити трубу і залити димохід конденсатом та дьогтем. Основне, що я остерігаюся при повітряному відборі тепла так це спалене/перегріте повітря/пил. Хоча в паспорті котла вказується температура вихідних газів не вище 120С, але вірити цим даним після всього... Кульковый клапан я не могу перевести,но для ЕЦ это лепистковый или как его ещё называют "хлопушка".Пружинные клапана для постоянной циркуляции и для ЕЦ не подходят.По поводу выхода дымогазов,я Вас разочарую.При разгоне котла и ТА(30мин)они будут шкалить за 500°-550°,а дальге всю дорогу будут болтаться минимум от 300° и до 450°.Можете даже не сомневаться,проверено на своем котле и теплообменник у меня гораздо лучше Вашего.Я себе планирую варить дополнительный газоход,у Вас это проще реализовать!Есть темы и видео,но мне такие не нравятся,не удобно обслуживать.Потом скину как планирую.Для ГВС я тоже буду на выхах начинать собирать теплообменник,но он пластинчатый и будет работать от теплоносителя после ТА.Укутывать дымоход гофрой с холодной водой,это не правильно,на самом деле начнуться не приятности.Мой пластинчатый теплообменник будет догревать эл.боллер или просто его нагревать.Но я не знаю,Вам проще греть эл.боллером,т.к котёл и так слабоват.Вобще Ваш котел хоть и пиханули как для дров и с длинной топкой,но объём топки остался как у гольного котла и сама конструкция,это чисто угольный котёл,как и все универсалы и мой в том числе.По этому эфект от дров далеко не самый лучший.Вот и хочу заморочиться с доп.теплообменником,т.к вертел я топиться углём по таким ценам. Посилання на коментар Поділитися на інших сайтах More sharing options...
Pr_Woland Опубліковано: 4 січня 2018 Автор Поділитись Опубліковано: 4 січня 2018 Кульковый клапан я не могу перевести,но для ЕЦ это лепистковый или как его ещё называют "хлопушка". В кульковому клапані робочий орган - кулька (шарик). По суті виявляється теж саме, що і лепесток, тільки іншої форми і теж без пружини. Стосовно доп. теплообмінника, то я зрозумів, що Ви плануєте додатково відбирати тепло із зони горіння, а не з самого димоходу або ж продовжити водяну рубашку теплообмінника навколо вихідного димохідного патрубка ? Посилання на коментар Поділитися на інших сайтах More sharing options...
Oleg9293 Опубліковано: 4 січня 2018 Поділитись Опубліковано: 4 січня 2018 В кульковому клапані робочий орган - кулька (шарик). По суті виявляється теж саме, що і лепесток, тільки іншої форми і теж без пружини. Стосовно доп. теплообмінника, то я зрозумів, що Ви плануєте додатково відбирати тепло із зони горіння, а не з самого димоходу або ж продовжити водяну рубашку теплообмінника навколо вихідного димохідного патрубка ? Примерно вот такая схема этого теплообменника,Вы можете расположить под свой дымоход и полача с котла сразу заходит в него и потом уже с его верха на потребителей.В КЧМ так ставили эти экономайзеры,но трубчатые и мне не нравится,что их не удобно обслуживать и чистить.Лучше сделать один доп газоход и все дела.А шариковый клапан не самое лучшее решение.Ставте лепистковый. 1 Посилання на коментар Поділитися на інших сайтах More sharing options...
Oleg9293 Опубліковано: 5 січня 2018 Поділитись Опубліковано: 5 січня 2018 Вот общая схема узла подмеса.Перед насосом домаюйте фильтр и не забудьте про шраровые краны и американки,что б можно было демонтировать не только насос,но и сам узел. 1 Посилання на коментар Поділитися на інших сайтах More sharing options...
Pr_Woland Опубліковано: 5 січня 2018 Автор Поділитись Опубліковано: 5 січня 2018 Oleg9293 Дуже вдячний за всі поради та пояснення. Нарешті в мене з'явилося світло в кінці тунелю, залишилося лише до нього дійти ... 1 Посилання на коментар Поділитися на інших сайтах More sharing options...
Рекомендовані повідомлення
Створіть акаунт або увійдіть у нього для коментування
Ви маєте бути користувачем, щоб залишити коментар
Створити акаунт
Зареєструйтеся для отримання акаунта. Це просто!
Зареєструвати акаунтУвійти
Вже зареєстровані? Увійдіть тут.
Увійти зараз