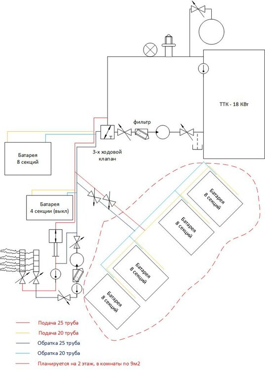
Ne$ter Опубліковано: 27 листопада 2018 Поділитись Опубліковано: 27 листопада 2018 Или у меня с головой... Нарисовал схему отопления (+фото) которую мне собрали в прошлом году. Единственное, сам добавил батарею на 8 секций в комнату, а на 4 секции (которая была как байпас) отключил. Не сильно понимаю все это, потому прошу сильно не критиковать... Проблема в нестабильной температуре коллектора теплых полов (проверяю на ощупь). Температура на термометре порядка 60 градусов и обратный клапан горячий. но трогая коллектор на подаче он то еле теплый, то холодный. только выставление температуры порядка 60-65 градусов на термоголовке дает иногда положительный результат на стабильный теплый коллектор. При такой работе обратка за день нагревалась до 30 градусов. Последнее время бывает такое, что не доходит температура даже до двухходового крана. Скорость насосов ставлю на ТП-1, малый контур котла-3 (иногда на 2 работает). Подскажите что не так или куда обратить внимание. Посилання на коментар Поділитися на інших сайтах More sharing options...
naupv Опубліковано: 27 листопада 2018 Поділитись Опубліковано: 27 листопада 2018 М-да................ Делали "профи". Мне вас очень жаль, или не жаль, если повелись на "все умеют или очень дешево". Зачем трогать коллектор? Он живет своей жизнью, то прохладный, то теплый. Этому способствует головка, подающая по надобности порции горячей воды. ТП это низкотемпературная система, и коллектор априори не может быть горячим. У вас стоит байпас между подачей и обраткой, холодная вода из ТП смешивается с подающейся в пол, вот отсюда и теплый (а не горячий) коллектор. Еще по вашей схеме идет соревнование насосов, кто кого перециркулирует По правильному там нужно позвать толкового САНТЕХНИКА, а не "дяьку все вміємо, все зробимо" и перепаять все по человечески. Апогеем всего труба ППР на ТТ котел. Посилання на коментар Поділитися на інших сайтах More sharing options...
Ne$ter Опубліковано: 27 листопада 2018 Автор Поділитись Опубліковано: 27 листопада 2018 Делали вроде как знающие люди, не дядя Вася и не по дешовке... Им вопрос задаю, отвечают не понимают почему так, возможно обратный клапан барахлит - снимать и менять. ну если выставляется температура на термоголовке 45 градусов, то температура коллектора не может быть холодной... У меня такое ощущение, что обратка теплых полов при смешивании дает больше смешивания чем подача горячей воды... Читал что ставят балансировочный кран или перепускной клапан, но не знаю правильно ли это... Еще по вашей схеме идет соревнование насосов, кто кого перециркулирует Вот по поводу кто кого перециркулирует? Что нужно сделать? скорости ставить разные? подскажите... Апогеем всего труба ППР на ТТ котел. непонял ))) Посилання на коментар Поділитися на інших сайтах More sharing options...
naupv Опубліковано: 27 листопада 2018 Поділитись Опубліковано: 27 листопада 2018 Делали вроде как знающие люди, . Делали, как это сказать, не совсем понимающие люди. Насос ТП должен гонять воду по ТП, а не давить в систему из него. Балансир или перепускной вас не спасет. Посилання на коментар Поділитися на інших сайтах More sharing options...
naupv Опубліковано: 27 листопада 2018 Поділитись Опубліковано: 27 листопада 2018 непонял ))) https://www.stroimdom.com.ua/forum/album.php?albumid=3895&pictureid=85360 Вот ППР на ТТ котле Посилання на коментар Поділитися на інших сайтах More sharing options...
Ne$ter Опубліковано: 27 листопада 2018 Автор Поділитись Опубліковано: 27 листопада 2018 все материалы закупали они сами, сказали достаточно у котла метал труб... То что я увидел после запуска - не там спаяли термометр на подачу теплых полов, нужно было после подмеса. Что можно сделать в данной ситуации без больших потерь? Я ведь правильно понимаю: двухходовой кран подает порционно тепло лишь когда превышает установленную температуру, а если температура постоянно будет 45 допустим (если выставлено 50), то чего ему закрываться? Посилання на коментар Поділитися на інших сайтах More sharing options...
naupv Опубліковано: 27 листопада 2018 Поділитись Опубліковано: 27 листопада 2018 Сейчас говорим ни о чем. почитайте на просторах как работает голова с выносным капилляром и тогда что-то поймете. Посилання на коментар Поділитися на інших сайтах More sharing options...
Yegor_81 Опубліковано: 27 листопада 2018 Поділитись Опубліковано: 27 листопада 2018 Перевернуть насос ТП с фильтром. Посилання на коментар Поділитися на інших сайтах More sharing options...
Ne$ter Опубліковано: 28 листопада 2018 Автор Поділитись Опубліковано: 28 листопада 2018 Сейчас говорим ни о чем. почитайте на просторах как работает голова с выносным капилляром и тогда что-то поймете. Почитал, как так написано как я понимал и написал: двухходовой кран подает теплый носитель до тех пор, пока температура, там где прикреплен выносной капилляр, не превысит температуру заданную на термоголовке. Когда температура снижается, кран сново постепенно открывается. Посилання на коментар Поділитися на інших сайтах More sharing options...
vladvok Опубліковано: 28 листопада 2018 Поділитись Опубліковано: 28 листопада 2018 Или у меня с головой... Это не у Вас с головой, а у тех кто делал и не только с головой но и с руками. Жалко смотреть на подобное. Посилання на коментар Поділитися на інших сайтах More sharing options...
Yegor_81 Опубліковано: 28 листопада 2018 Поділитись Опубліковано: 28 листопада 2018 Подскажите что не так или куда обратить внимание. На заполнение СО теплоносителем. Посилання на коментар Поділитися на інших сайтах More sharing options...
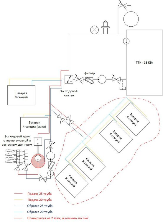
Ne$ter Опубліковано: 28 листопада 2018 Автор Поділитись Опубліковано: 28 листопада 2018 То что я увидел после запуска - не там спаяли термометр на подачу теплых полов, нужно было после подмеса. Выставил изначально поправленную схему СО. На данный момент выглядит так: Посилання на коментар Поділитися на інших сайтах More sharing options...
Ne$ter Опубліковано: 28 листопада 2018 Автор Поділитись Опубліковано: 28 листопада 2018 На заполнение СО теплоносителем. Теплоноситель - антифриз. Воздух в возможных местах стравлен. Добавлено через 39 минут Еще по вашей схеме идет соревнование насосов, кто кого перециркулирует Вот по поводу кто кого перециркулирует? Подскажите что не так? что нужно сделать? скорости ставить разные? Посилання на коментар Поділитися на інших сайтах More sharing options...
Yegor_81 Опубліковано: 28 листопада 2018 Поділитись Опубліковано: 28 листопада 2018 Теплоноситель - антифриз. Воздух в возможных местах стравлен. Вот по поводу кто кого перециркулирует? Подскажите что не так? что нужно сделать? скорости ставить разные? Теплоноситель может испаряться. Антифриз какой? кто кого перециркулирует это обычно когда навстречу друг другу качают, при этом циркуляция теплоносителя отсутствует. Посилання на коментар Поділитися на інших сайтах More sharing options...
Ne$ter Опубліковано: 28 листопада 2018 Автор Поділитись Опубліковано: 28 листопада 2018 Теплоноситель может испаряться. Антифриз какой? кто кого перециркулирует это обычно когда навстречу друг другу качают, при этом циркуляция теплоносителя отсутствует. Антифриз синего цвета "Европа" -40, ну естественно добавляли воду... Ну так они же не друг навстречу друга качают. Они оба на обратке стоят. Посилання на коментар Поділитися на інших сайтах More sharing options...
Yegor_81 Опубліковано: 28 листопада 2018 Поділитись Опубліковано: 28 листопада 2018 Антифриз синего цвета "Европа" -40, ну естественно добавляли воду... А манометр не добавляли в систему? Посилання на коментар Поділитися на інших сайтах More sharing options...
Ne$ter Опубліковано: 28 листопада 2018 Автор Поділитись Опубліковано: 28 листопада 2018 А манометр не добавляли в систему?почему же не добавляли, в схеме указал.в малом кругу сверху стоит. На холодную порядка 1 бар, на 60-70 градусов подымется до 1,5 бар. 1 Посилання на коментар Поділитися на інших сайтах More sharing options...
Yegor_81 Опубліковано: 28 листопада 2018 Поділитись Опубліковано: 28 листопада 2018 почему же не добавляли, в схеме указал.в малом кругу сверху стоит. На холодную порядка 1 бар, на 60-70 градусов подымется до 1,5 бар. Не обратил внимание, думал группа безопасности там, а оно воно как. С Двухходового крана голову не снимали, чтобы ручками понажимать, не прикепел ли? Посилання на коментар Поділитися на інших сайтах More sharing options...
Ne$ter Опубліковано: 28 листопада 2018 Автор Поділитись Опубліковано: 28 листопада 2018 Не обратил внимание, думал группа безопасности там, а оно воно как. Группа безопасности правее, манометр слева. С Двухходового крана голову не снимали, чтобы ручками понажимать, не прикепел ли? снимал, нажимал, все ок вроде. есть мысли что заедает обратный клапан (что стоит после двухходового) или не хватает мощности в системе, протолкнуть теплоноситель. потому и спрашиваю у всех на что смотреть Посилання на коментар Поділитися на інших сайтах More sharing options...
DaniMax Опубліковано: 28 листопада 2018 Поділитись Опубліковано: 28 листопада 2018 потому и спрашиваю у всех на что смотреть Заставить переделать ваших горе мастеров шансов нет я так понимаю. Для начала хотя бы соберите смесительный узел с коллектором тп по той фотке что дал naupv. Байпас можно не ставить и воздухоотводчик один можно сэкономить. Как называется ваш ТТ котёл? Наверное я от жизни отстал,что сейчас новое поколение ТТ котлов дюймовой трубой подключаются? Посилання на коментар Поділитися на інших сайтах More sharing options...
Ne$ter Опубліковано: 28 листопада 2018 Автор Поділитись Опубліковано: 28 листопада 2018 Заставить переделать ваших горе мастеров шансов нет я так понимаю. Они говорят что там все ок Для начала хотя бы соберите смесительный узел с коллектором тп по той фотке что дал naupv. Байпас можно не ставить и воздухоотводчик один можно сэкономить. А я вот честно не вижу разницы ставить насос на подаче или обратке. разве есть? В первом случае он толкае теплоноситель в пол и он идет потом в котел, во втором он вытягивает его из пола и подает в котел.... Как называется ваш ТТ котёл? Наверное я от жизни отстал,что сейчас новое поколение ТТ котлов дюймовой трубой подключаются? Самодельный котел верхнего горения типа Стропува - "Бубафоня", делает Иван из Харькова. Посилання на коментар Поділитися на інших сайтах More sharing options...
Yegor_81 Опубліковано: 28 листопада 2018 Поділитись Опубліковано: 28 листопада 2018 А я вот честно не вижу разницы ставить насос на подаче или обратке. разве есть? В первом случае он толкае теплоноситель в пол и он идет потом в котел, во втором он вытягивает его из пола и подает в котел.... Давление после насоса всегда выше чем до него. А это значит что давление около обратного клапана сейчас выше, чем если бы насос стоял на подаче. Обратный клапан там только лишний. Посилання на коментар Поділитися на інших сайтах More sharing options...
DaniMax Опубліковано: 28 листопада 2018 Поділитись Опубліковано: 28 листопада 2018 Они говорят что там все ок 1.В системе залит антифриз под секционные радиаторы. Чем они думали? Если это у вас дача и было принято решение заливать в систему незамерзайку, то нужно было ставить стальные панельные радиаторы. Ваши же потекут (прожрёт прокладки между секциями). 2. ТТ котёл с полипропиленом в том случае если будете топить сырыми дровами (сарказм со слезами на глазах). Про сухой дуб или уголь можно забыть. Только сталь или сразу после котла ТА, тогда уже можете приглашать полипропиленовых товарищей. Короче мне вас по человечески жаль, попали на горе проходимцев которые бубнят себе под нос " ми так завжди робили". 2 Посилання на коментар Поділитися на інших сайтах More sharing options...
Ne$ter Опубліковано: 28 листопада 2018 Автор Поділитись Опубліковано: 28 листопада 2018 1.В системе залит антифриз под секционные радиаторы. Чем они думали? Если это у вас дача и было принято решение заливать в систему незамерзайку, то нужно было ставить стальные панельные радиаторы. Ваши же потекут (прожрёт прокладки между секциями). 2. ТТ котёл с полипропиленом в том случае если будете топить сырыми дровами (сарказм со слезами на глазах). Про сухой дуб или уголь можно забыть. Только сталь или сразу после котла ТА, тогда уже можете приглашать полипропиленовых товарищей. Короче мне вас по человечески жаль, попали на горе проходимцев которые бубнят себе под нос " ми так завжди робили". Да это дача. топлю пока сухими, старыми, сосновыми досками... Посилання на коментар Поділитися на інших сайтах More sharing options...
yurets12 Опубліковано: 29 листопада 2018 Поділитись Опубліковано: 29 листопада 2018 Что то мне этот форум начинает напоминать площадку своих услуг. Ну видишь ты что у человека что то не так, подскажи. А то косвенно намекатб что бы бабла срубить, или показать что ты гуру крутой. Посилання на коментар Поділитися на інших сайтах More sharing options...
Рекомендовані повідомлення
Створіть акаунт або увійдіть у нього для коментування
Ви маєте бути користувачем, щоб залишити коментар
Створити акаунт
Зареєструйтеся для отримання акаунта. Це просто!
Зареєструвати акаунтУвійти
Вже зареєстровані? Увійдіть тут.
Увійти зараз