gaset Опубліковано: 26 вересня 2022 Поділитись Опубліковано: 26 вересня 2022 Добрый день, Я собрал схему их астро реле, датчика движения и таймера. Она должна работать следующим образом. Днем работает датчик движения. Также можно свет включить кнопкой (свет выключится по таймеру). На ночь (через астро реле) датчик движения выключается. Кнопка продолжает работать. Схема в прикреплении. По какой-то причине выбивает автомат, когда включается свет датчиком и я нажимаю еще кнопку. Подключал схему не я, а электрик. Он говорит, что есть где-то встречное напряжение. У меня подозрение, что схема запитана с двух разных фаз (например, таймер от одной фазы, а астро реле и датчик - от другой). Кто-то может прокомментировать? Посилання на коментар Поділитися на інших сайтах More sharing options...
volomoto Опубліковано: 26 вересня 2022 Поділитись Опубліковано: 26 вересня 2022 3 години тому, gaset сказав: Кто-то может прокомментировать? От пройдіться по дротах і намалюйте реальну схему того, що у вас є, тоді все буде видно. Але дійсно схема, бо оця картинка зверху — це порнографія, а не схема Посилання на коментар Поділитися на інших сайтах More sharing options...
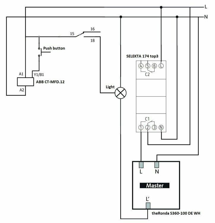
gaset Опубліковано: 26 вересня 2022 Автор Поділитись Опубліковано: 26 вересня 2022 2 часа назад, volomoto сказал: От пройдіться по дротах і намалюйте реальну схему того, що у вас є, тоді все буде видно. Але дійсно схема, бо оця картинка зверху — це порнографія, а не схема Я не електрик. Тому не зможу зробити схему кращу, за цю. Я взяв схеми підключення кожного з вузлів (із документації) і об'єднав. Тому не дуже розумію, чому це не схема. І якщо б я міг взяти пройтися по тому, як все зараз підключено, то міг би перевірити чи все підключено до однієї фази чи ні. І я б не задавав питання тут. Посилання на коментар Поділитися на інших сайтах More sharing options...
volomoto Опубліковано: 26 вересня 2022 Поділитись Опубліковано: 26 вересня 2022 53 хвилини тому, gaset сказав: І якщо б я міг взяти пройтися по тому, як все зараз підключено, то міг би перевірити чи все підключено до однієї фази чи ні. І я б не задавав питання тут. В тому то й проблема, що ніхто не знає що у вас там реально є, тому важко щось порадити. Якщо ваш електрик підєднав щось на різні фази, то це дійсно проблема, але це можна взнати тільки будучи на місці і перемірявши і обдзвонивши основні точки схеми. Посилання на коментар Поділитися на інших сайтах More sharing options...
igorjk Опубліковано: 26 вересня 2022 Поділитись Опубліковано: 26 вересня 2022 7 часов назад, gaset сказал: Подключал схему не я, а электрик. А чому б не запросити електрика який підключав схему? Посилання на коментар Поділитися на інших сайтах More sharing options...
gaset Опубліковано: 29 вересня 2022 Автор Поділитись Опубліковано: 29 вересня 2022 Дякую всім. Домовився з електриком, щоб від все перевірив. Посилання на коментар Поділитися на інших сайтах More sharing options...
Рекомендовані повідомлення
Створіть акаунт або увійдіть у нього для коментування
Ви маєте бути користувачем, щоб залишити коментар
Створити акаунт
Зареєструйтеся для отримання акаунта. Це просто!
Зареєструвати акаунтУвійти
Вже зареєстровані? Увійдіть тут.
Увійти зараз