Menedger_Kominwent Опубліковано: 20 січня 2010 Поділитись Опубліковано: 20 січня 2010 То (ссылка устарела): На фото дак буд-то все из меди выполнено или так уже покрылось налетом? А чего Вы заклепки ставите по бокам на концах если говорите, что на точке середина? Боитесь, что отвалятся пластины или как? Кстати, Ваши конкуренты Версия Люкс выполняют дымоходы из 304 стали, София из 321, а Вы насколько знаю из 316. То какая из них лучше в плане кислотостойкости? Насколько я знаю 316 выполнена на базе 304, только с добавлением молибдена. Насколько это важно потребителям, ведь со всего города только пару фирм делает из кислотостойкой? Изменение цвета нержавеющей стали под воздействием выской температуры - естественный результат. Заклёпки по краям ребер применяются для повышения надёжности соединения. Лучше уж "перестраховаться", чем "недостраховаться" Да, мы работаем на высоколегированной специальной 316L стали, в состав которой входят хром, никель и молибден. Именно присадка молибдена делает сталь кислотоустойчивой. Цитата: "Марка 316 AISI - улучшенная версия 304, с дополнением молибдена и немного более высоким никелевым содержанием. Данная композиция 316 AISI значительно повышает коррозионное сопротивление в большинстве агрессивных средах. Молибден делает сталь более защищенной от питтинговой и щелевой коррозии в хлористой среде, морской воде и в парах уксусной кислоты. Более низкий показатель общей коррозии в слегка коррозионных средах дает хорошее коррозионное сопротивление в загрязненной и морской атмосфере. 316-я обладает более высокой прочностью и имеет лучшее сопротивление ползучести в более высоких температурах, чем 304 AISI . 316 AISI также обладает отличными механическими и коррозионными свойствами в под-нулевых температурах. Когда есть опасность коррозии в околошовных сварных зонах, должна быть использована низко-углеродная марка - 316L AISI. См. ссылку (ссылка устарела) (ссылка устарела) Посилання на коментар Поділитися на інших сайтах More sharing options...
менеджерСофия Опубліковано: 20 січня 2010 Поділитись Опубліковано: 20 січня 2010 Сталь 316L (03Х17Н14М3) – действительно кислотостойкая, но она не термостойкая. Данная сталь подвержена межзерновой коррозии при температурах свыше 400 0С. !!! Сталь 316L нельзя использовать для изготовления дымоходов, которые устанавливаются на твердотопливное отопительное оборудование (камины). Посилання на коментар Поділитися на інших сайтах More sharing options...
Maestro Kiev Опубліковано: 20 січня 2010 Поділитись Опубліковано: 20 січня 2010 (змінено) Сталь 316L (03Х17Н14М3) – действительно кислотостойкая, но она не термостойкая. Данная сталь подвержена межзерновой коррозии при температурах свыше 400 0С. !!! Сталь 316L нельзя использовать для изготовления дымоходов, которые устанавливаются на твердотопливное отопительное оборудование (камины). Дак что тогда, Коминвент выполняет дымоходы из не той что необходимо стали, т.е. с нарушением пр-ва? Рассмотрим данные по ссылке Коминвента www.elecmet.ru/spravochnik/stal/nerj/marks/marks_11.html где для 316 написано: Сопротивление коррозии Температура, С_________________________20______________80 Концентрация, % к массе_________________10 20 40 60 80 100 10 20 40 60 80 100 Серная кислота_________________________0_ 1_ 2_ 2_ 1__ 0_ 2_ 2_ 2_ 2_ 2__ 2 Код: 0 = высокая степень защиты - Скорость коррозии менее чем 100 mm/год; 1 = частичная защита - Скорость коррозии от 100mm до 1000 mm/год; 2 = non resistant - Скорость коррозии более чем 1000 mm/год. Если серную кислоту считать показателем воздействия, то выходит, где код 2, то сталь 316 не годится или как тогда? Максимум, рекомендованных температур обслуживания (условия окисления) Непрерывное воздействие 925°C прерывистые воздействия 870°C Свойства при высоких температурах Все эти значения относятся только к 316 и 316 Ti. Для 316L значения не приводятся, потому что её прочность заметно уменьшается выше 425°C.Выходит менеджерСофия права - 316L нельзя применять для дымоходов. Менеджеры то не уточняют назначение дымохода (тип теплогенератора) - просто продают, а пользователи не в курсе по маркам в надежде на качество и долголетие. Вот Вам господа и наш нецивилизованный рынок - даже профильные компании гонят годами, мягко говоря халтуру... Надеюсь я ошибаюсь, поправьте тогда меня. А есть где-то стандарты там или нормы по маркам стали для дымоходов - где тогда правду искать? Змінено 20 січня 2010 користувачем Maestro Kiev Посилання на коментар Поділитися на інших сайтах More sharing options...
Южный Ветер Опубліковано: 21 січня 2010 Поділитись Опубліковано: 21 січня 2010 :crazy: таки я не понял.......что покупать......хочется услышать "Menedger_Kominwent" пусть скажет..... Посилання на коментар Поділитися на інших сайтах More sharing options...
Menedger_Kominwent Опубліковано: 21 січня 2010 Поділитись Опубліковано: 21 січня 2010 Во-первых, обращаю Ваше внимание на тот факт, что продукты сгорания твердого ли или газообразного топлива образуют агрессивную среду в дымоходе. Насколько агрессивны эти соединения зависит уже от вида топлива. Учитывая эту важную особенность наличия разрушающих химических соединений внутри трубы дымохода компания Коминвент ориентируясь на качество и долговечность своих изделий производит элементы дымоходной системы из самой подходящей для работы в агрессивных средах и условиях высоких температур стали – AiSi 316L. Именно эта марка нержавеющей стали имеет в своем составе молибден (Mo), - химический элемент, который делает её пригодной для длительной эксплуатации в агрессивной среде при высоких температурах! К слову, из этого типа стали комплектующие систем дымоходов производят в Европе (далеко ходить не нужно, соседняя Польша). Во-вторых: компания Коминвент – это первый в Украине сертифицированный производитель дымоходов из нержавеющей стали. В настоящем сертификате соответствия УкрСэпро (ссылка устарела) от 28.01.2009г записано следующее, цитирую: системы дымоудаления из нержавеющей кислотостойкой стали для каминов, саун и систем отопления домов и сооружений с использованием жидкого, газообразного и твердого топлива (древесина и торфяные брикеты) соответствует части «Дымовые трубы» раздела 7 «газовоздушный тракт, дымовые трубы, очистка дымовых газов» СНИП II-35-76 «Котельные установки» и стойкости к межкристаллической коррозии согласно ГОСТ 5582-75 (п.5.12). И к этому сертификату есть протокол испытаний и заключение экспертизы, которые подтверждают соответствие дымоходов ТМ Коминвент с требованиями пожарной безопасности. В третьих (из практики): Коминвент – крупнейший производитель дымоходов в Украине, с наибольшим ассортиментом комплектующих и постоянно растущими производственными мощностями. Дымоходы производства компании Коминвент пользуются спросом не только в Украине, но и за ее пределами: в России и Белоруссии. Торговые сети «Эпицентр» и «Новая Линия» так же представляют продукцию ТМ Коминвент. Нашу продукцию покупают и госучреждения Украины. Я это всё к тому, что при крупнейших на отечественном рынке объёмах производства у компании не было и нет рекламаций по поводу качества продукции в связи с низкокачественной или неподходящей для дымоходов сталью! Бывают рекламации связанные с нарушения условий эксплуатации, но они единичные и, потом, у кого же их нет? В четвертых (тема про радиатор): действующий камин установленный в офисе компании работает в отопительный период с утра и до вечера каждый день 4,5 года и Вы можете сами убедиться в том, что с радиатором и дымоходом нет никаких проблем. 2менеджерСофия: Уважаемый, что касается жаропрочной стали, то это отнюдь не заявляемая Вами марка,- это сталь AiSi 310S (1.4845)! Вопрос все же в том, зачем тогда применять кислотостойкую нержавейку, если достаточно было бы просто установить трубу из жаростойкой черной стали?! Ответ прост: жаропрочная сталь не сгорит, она просто не выдержит агрессивной среды и, учитывая этот факт, правильно делаем, что применяем кислотостойкую нержавеющую сталь для дымоходов. Мы так же имеем возможность изготовить необходимые элементы дымохода из жаропрочной стали марки 310S, но цена вопроса вырастает ровно в 2 раза. И напоследок: Как показывает 8 летний опыт компании Коминвент сталь 316L обладает отличными эксплуатационными характеристиками, как для газовых котлов, так и для твердотопливных каминов и банных печей. Компания Коминвент выгодно отличается от конкурентов тем, что производит дымоходы из той стали, которую заявляет, а не из дешевой ферритной и поэтому не имеет проблем с качеством! Если придерживаться правил эксплуатации и своевременно чистить дымоход, то расчетный срок службы дымохода ТМ Коминвент составляет 30 лет. Так что, красивые теории, как и красивые женщины, часто бывают неверными8-). Посилання на коментар Поділитися на інших сайтах More sharing options...
Maestro Kiev Опубліковано: 21 січня 2010 Поділитись Опубліковано: 21 січня 2010 Коминвет, а чего Вы промолчали про сталь используемую Софией, про 321? Наталкивает на мысль, что она тогда лучше раз Вы ее не прокомментировали. Ведь кто-то тогда не прав со сталью или как? Какая все таки сталь лучше для дымоходов - 321, 304 или 316L? Неужели нету норм по сортаменту для дымоходов, ну пусть не наших, а РФ или ЕС? Если такая зависимость с типом топлива и стоимостью материала, то логично было бы разделить сортамент дымоходов для газовых и твердотопливных систем. Почему тогда так не делают? Посилання на коментар Поділитися на інших сайтах More sharing options...
менеджерСофия Опубліковано: 25 січня 2010 Поділитись Опубліковано: 25 січня 2010 Какая все таки сталь лучше для дымоходов - 321, 304 или 316L? Неужели нету норм по сортаменту для дымоходов, ну пусть не наших, а РФ или ЕС? Если такая зависимость с типом топлива и стоимостью материала, то логично было бы разделить сортамент дымоходов для газовых и твердотопливных систем. Почему тогда так не делают? Добрый день, Maestro Kiev! Про нержавеющие стали я уже писал: www.stroimdom.com.ua/forum/showthread.php?t=16751&highlight=%F3%EB%FC%FF%ED%E8%ED&page=3 Нержавеющие стали бывают разные. Повторюсь: !!! Нержавеющие стали: 202, 304, 316L – применяются только для дымоходов газовых котлов. Запрещено эксплуатировать при температуре выше 400 градусов!!! 409 нержавеющая сталь только для дымоходов для каминов, печей. 321 нержавеющая сталь универсальная, она может работать и на ТТ и на газовом отопительном оборудовании. P.S. наша фирма уже 17 лет делает дымоходы из разных нержавеющих сталей. менеджер фирмы «София» Посилання на коментар Поділитися на інших сайтах More sharing options...
Maestro Kiev Опубліковано: 1 лютого 2010 Поділитись Опубліковано: 1 лютого 2010 Покопавшись по сталям, я согласен с мнением Софии - 316L не предназначена для дымовых газов с температурой выше 425С. Посилання на коментар Поділитися на інших сайтах More sharing options...
ДЫМАРИ Опубліковано: 1 лютого 2010 Поділитись Опубліковано: 1 лютого 2010 ...а вот Мы знаем какой радиатор лучше, потому как занимаемся монтажом дымоходов и каминов. И чем толще будет стенка дымохода на участке 1-2 м от каминной топки, тем лучше... Посилання на коментар Поділитися на інших сайтах More sharing options...
Южный Ветер Опубліковано: 1 лютого 2010 Поділитись Опубліковано: 1 лютого 2010 ...а вот Мы знаем какой радиатор лучше, потому как занимаемся монтажом дымоходов и каминов. И чем толще будет стенка дымохода на участке 1-2 м от каминной топки, тем лучше... а какая у Вас "толщина стенки"? сталь какая? Посилання на коментар Поділитися на інших сайтах More sharing options...
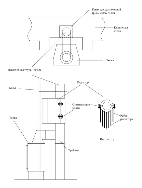
KSer Опубліковано: 12 грудня 2011 Поділитись Опубліковано: 12 грудня 2011 Влезу с позволения ТС со своим вопросом. Мне тоже, как и ТС, хотелось бы взять какое-то тепло от горячей трубы дымохода. Коминвентовский (Эпицентровский) радиатор или его аналоги мне не подходят по двум причинам - во первых он мне не подходит конструктивно (не влазит) - во вторых он малоэффективный Моя ситуация показана на картинке. Дымоход идет в дымоходном канале. Патрубок дымохода топки заканчивается на высоте где-то 1,5м. На высоте около 2м заканчивается ниша камина и идет поперечная балка - выше нее не хотелось бы долбиться. Поэтому Коминвентовский радиатор не помещается. Коминвентовский радиатор горячим, конечно, будет, но я оцениваю количество дополнительно отобранного тепла через эти тонкие короткие стальные пластины как весьма незначительное. Поэтому рассматриваю вариант алюминиевого самодельного радиатора: - берется толстостенная алюминиевая труба ~1м, 10-20мм стенки, сплав, допустим, АМг6 - разрезается вдоль - к одной части привариваются алюминиевые пластины толщиной 3-5мм, шириной 150-200мм, высотой ~1м - к обоим частям трубы привариваются "ухи" для стяжки болтами - вся эта конструкция охватывает первое колено после тройника (самое горячее) и стягивается болтами, возможно на термопасту В обрамлении топки будут вентиляционные отверстия, решетки, так что все это будет естественно или принудительно обдуваться. Температура плавления алюминия 660 градусов - выше температуры трубы (около 300 грд). По цене думаю выйдет не намного дороже Коминвентовского радиатора. Кто что думает по поводу такого радиатора? Алюминий значительно сильнее расширяется, чем сталь. Будет ли эта конструкция держаться на трубе, не смотря на болтовые стяжки? Посилання на коментар Поділитися на інших сайтах More sharing options...
Слободарий Опубліковано: 13 грудня 2011 Поділитись Опубліковано: 13 грудня 2011 Думается что с отложением сажи в дымоходе эффективность теплосъема снизится. Алюминий, вероятно, даже при выгорании сажи не пострадает. Т.к. прежде отдаст тепло чем успеет нагреться выше плавления. Может, если делаютя уже такие нанотехнологии, то поставить внутрь тонкую керамическую трубу, чтобы при ее разогреве во время работы камина сажа каждый раз пиролитически разлагалась. ИМХО. Может у продвинутых зарубежных каминостроителей поискать аналог. Посилання на коментар Поділитися на інших сайтах More sharing options...
matrot Опубліковано: 13 грудня 2011 Поділитись Опубліковано: 13 грудня 2011 Если эффективно отбирать тепло дымохода, то я полностью согласен с salix - будут проблемы. Если эффективно не отбирать, то зачем эта возня. Имеет право на жизнь такая конструкция в виде первой секции чугунной топки. Но ее лучше делать с 2 мм жаропрочной стали с приваренными ребрами, большей площади, чем в аналога. Хотя , с другой стороны, необходимость такого устройства в грамотно спроектированной топки , весьма сомнительна. Посилання на коментар Поділитися на інших сайтах More sharing options...
KSer Опубліковано: 14 грудня 2011 Поділитись Опубліковано: 14 грудня 2011 Думается что с отложением сажи в дымоходе эффективность теплосъема снизится. Алюминий, вероятно, даже при выгорании сажи не пострадает. Т.к. прежде отдаст тепло чем успеет нагреться выше плавления. Может, если делаютя уже такие нанотехнологии, то поставить внутрь тонкую керамическую трубу, чтобы при ее разогреве во время работы камина сажа каждый раз пиролитически разлагалась. ИМХО. Может у продвинутых зарубежных каминостроителей поискать аналог. Вся конструкция, за исключением радиатора, уже собрана. Для гильзования дымоходного канала и тройника использовалась термостойкая нержавейка с толщиной стенки 1мм марки 409, частично 321. Так что проблем с выгоранием сажи не должно быть. Каминная топка греет довольно неплохо. Сама она по характеристикам производителя 10-12кВт. Первое колено после тройника греется сильно, даже потемнело от нагрева (сейчас все без обрамления, поэтому могу увидеть-пощупать). Изначально планировал использовать только в декоративных целях. Теперь, глядя как шустро крутится только что установленный газовый счетчик, думаю, что лучше попробовать использовать улетающее тепло с пользой. Возможно более простой путь - обдув вентилятором, но обычно вентиляторы хоть немного, но шумят, а я очень не люблю лишние звуки. Поэтому думаю про радиатор. Посилання на коментар Поділитися на інших сайтах More sharing options...
Слободарий Опубліковано: 14 грудня 2011 Поділитись Опубліковано: 14 грудня 2011 Вся конструкция, за исключением радиатора, уже собрана. Ну, тогда успехов! Ждем фотографий. Посилання на коментар Поділитися на інших сайтах More sharing options...
Рекомендовані повідомлення
Створіть акаунт або увійдіть у нього для коментування
Ви маєте бути користувачем, щоб залишити коментар
Створити акаунт
Зареєструйтеся для отримання акаунта. Це просто!
Зареєструвати акаунтУвійти
Вже зареєстровані? Увійдіть тут.
Увійти зараз