naupv Опубліковано: 28 грудня 2017 Поділитись Опубліковано: 28 грудня 2017 Как считаете,рабочая схема? Конечно нет. ТП низкотемпературная СО, радиаторы высокотемпературная. Так делают, видел, в глухих селах, где нормального сантехника днем с огнем не сыскать. 1 Посилання на коментар Поділитися на інших сайтах More sharing options...
Numismat Опубліковано: 29 грудня 2017 Поділитись Опубліковано: 29 грудня 2017 naupv, спасибо за то, что ответили. Однако логика ответа слегка хромает. Получается в глухих селах, где нет сантехников, делают более надежную схему, потому что последних нет или их не дождаться, а в городах, чтобы не оставить профессионалов без работы, они же сами и предлагают варианты с насосами. Добавлено через 3 минуты А потом, теплые полы запитать от обратки радиаторов логично. Пройдя через них, теплоноситель остывает на 10-15-20 гр и в теплые полы попадает нужная температура. Допустим в котле 60, в ТП уже 40-45 - то, что надо Посилання на коментар Поділитися на інших сайтах More sharing options...
naupv Опубліковано: 29 грудня 2017 Поділитись Опубліковано: 29 грудня 2017 Ага, и когда на улице большой минус и в радиаторы нужно 70/50, после этого очень теплый пол получается. Ну прям петух на горячей сковороде.:D Да и гидравлика насоса в котле может не справится с возросшими сопротивлениями радиаторы+50 кв ТП. Впрочем, делайте, оно ваше личное. Посилання на коментар Поділитися на інших сайтах More sharing options...
Numismat Опубліковано: 29 грудня 2017 Поділитись Опубліковано: 29 грудня 2017 А если использовать ограничители обратного потока или РТЛ клапаны? Их можно установить на самом коллекторе ТП, то есть на отдельной ветке отопления не зависимой от радиаторов. Посилання на коментар Поділитися на інших сайтах More sharing options...
naupv Опубліковано: 29 грудня 2017 Поділитись Опубліковано: 29 грудня 2017 А если использовать ограничители обратного потока или РТЛ клапаны? Их можно установить на самом коллекторе ТП, то есть на отдельной ветке отопления не зависимой от радиаторов. Начинаете вникать Коллектор вообще не нужен будет. Посилання на коментар Поділитися на інших сайтах More sharing options...
Numismat Опубліковано: 30 грудня 2017 Поділитись Опубліковано: 30 грудня 2017 Все так, спасибо за ответ. Но вы привели в пример унибоксы, отдельно стоящие и на одном ответвлении от ветки. Я же говорил о формировке пяти клапанов на одном коллекторе. При этом можно же не сильно топить, держать например в котле 50 гр, и тогда в пол пойдет нужная температура. Посилання на коментар Поділитися на інших сайтах More sharing options...
naupv Опубліковано: 30 грудня 2017 Поділитись Опубліковано: 30 грудня 2017 При этом можно же не сильно топить, держать например в котле 50 гр, и тогда в пол пойдет нужная температура. Конечно........................если нет радиаторов. Посилання на коментар Поділитися на інших сайтах More sharing options...
4587derek Опубліковано: 30 грудня 2017 Поділитись Опубліковано: 30 грудня 2017 При этом можно же не сильно топить, держать например в котле 50 гр, и тогда в пол пойдет нужная температура. или радиатор на всю стену 1 Посилання на коментар Поділитися на інших сайтах More sharing options...
Numismat Опубліковано: 31 грудня 2017 Поділитись Опубліковано: 31 грудня 2017 Умыли, урыли , забанили, молодцы! Резонерство - самая востребованная функция на форуме. Главное ковырнуть виз а ви так, чтоб ему было плохо, а тебе хорошо, здорово, и настроение повысилось. Никакого участия, благожелательности друг к другу, потом еще удивляемся: а чего такие недобрые люди вокруг? Посилання на коментар Поділитися на інших сайтах More sharing options...
DaniMax Опубліковано: 31 грудня 2017 Поділитись Опубліковано: 31 грудня 2017 Не обижайтесь но вы неправильно поставили свой вопрос. А что скажете про теплые полы от радиатора на 50 кв. м? Что вы хотели услышать в ответ? Вопрос должен был задаватся так: "А будет ли от радиаторной системы отопления работать система тёплого пола?" Да,будет. Коллектор можете врезать в систему отопления в любом месте где вам удобно (диаметр подключения не должен быть меньше 25мм.) Тоесть радиаторная система (трубы подачи и обратки) должны иметь диаметр не менее одного дюйма. Врезка идёт паралельно. И абсолютно наплевать какая температура будет у вас в радиаторной системе,смесительный узел коллектора пропустит только ту,что будет выставлена у вас на термоголовке. Посилання на коментар Поділитися на інших сайтах More sharing options...
Numismat Опубліковано: 1 січня 2018 Поділитись Опубліковано: 1 січня 2018 Спасибо, что ответили DaniMax. Но, сожалению, ваш ответ для меня мало что прояснил, лишь породил к вам вопросы: 1. Вы кто, пользователь или профессионал? Практик, теоретик? 2. Ваше описание понятно только, вам, а чайникам надо объяснять более подробно. 3. Вы пишете о смесительном узле, но в моем первоначальном вопросе как раз и заключалась мысль: а можно ли обойтись без насосно смесительного узла (НСУ)?. Поэтому я и спрашивал о подключении к обратке радиаторной ветки. 4. О какой термоголовке идет речь? На что она установлена? 5. Не понял про параллельное подключение. К чему к подающей трубе от котла? Я спрашивал можно ли подключить ТП к обратке радиаторов. 6. "Плевать какая температура" - тоже не понял. Для ТП температура имеет значение Посилання на коментар Поділитися на інших сайтах More sharing options...
DaniMax Опубліковано: 1 січня 2018 Поділитись Опубліковано: 1 січня 2018 Давайте сделаем проще. Вот Вам два видео (не от меня). Там всё подробно рассказано и показано. Нет смысла экономить на смесительном узле , если собираетесь делать т.п. RTL по обратному потоку имеет право на жизнь если вы раскошелетесь на дорогостоящую трубу ,не боящуюся высокой температуры. А на входе она будет. Но можно купить перт украинского производства и выше 40 не подавать. Прослужит столько же. Посилання на коментар Поділитися на інших сайтах More sharing options...
Numismat Опубліковано: 2 січня 2018 Поділитись Опубліковано: 2 січня 2018 Я смотрел эти два ролика. Во втором это просто три варианта подключения, их все знают. В первом Сергей Волков предлагает ущербную схему, он и сам это признает, заканчивая свой рассказ и обращается к аудитории:"Кто делал так? Расскажите" Ответа нет. Кто-то может и делал, но молчит, в Сеть не ходит. Да я, собственно, и сам уже понимаю, что не стоит так косячить. Проблемы никому не нужны. Посилання на коментар Поділитися на інших сайтах More sharing options...
naupv Опубліковано: 3 січня 2018 Поділитись Опубліковано: 3 січня 2018 Я Да я, собственно, и сам уже понимаю, что не стоит так косячить. Проблемы никому не нужны. А кто вас обижал? Обиженный вы наш. То что вверху написано это есть правда и без смешков. Вы с первых постов никак не хотели прислушиваться, а гнули свою линию. Обычно таких людей здесь оставляют в одиночестве со своими вопросами. Вы спросили вам ответили. Вы делаете первый раз для себя, я 100500 для людей. Но это вас все равно не убеждало. Хоть в конце начали признавать бессмысленность своих "хотелок" Посилання на коментар Поділитися на інших сайтах More sharing options...
Numismat Опубліковано: 4 січня 2018 Поділитись Опубліковано: 4 січня 2018 Я привык не обижаться и всегда прощать. Вам же хуже, весь тот негатив, что вы выплеснули на меня (возможно, выплескиваете на других), к вам же вскоре и вернется (может быть, уже вернулся). Когда я говорил про косячество, я имел ввиду другое, имел ввиду нестандартную не расхожую схему не подтвержденную расчетами. И теперь я такие расчеты получил. Оказывается, интуиция меня не подвела, так делать можно, но именно при небольшой площади, как в моем случае. Вы не могли знать и понимать этого в силу своей ограниченности (вы же не владеете необходимыми знаниями, а работаете лишь руками), привыкли делать все по накатной схеме однажды проверенной, а все другое сходу отметаете. Вы не одиноки в своем рвении подавить все и вся вокруг. Я пролистал множество форумов, такие как вы, есть на каждом, и они каждой бочке затычка. Я стал их называть ПРсСО (или просто ПРСО). Откиньте и вы свое прежнее имя, написанное латинскими буквами, теперь и вы отныне ПРСО (Профессиональный резонер с сантехническим опытом). Посилання на коментар Поділитися на інших сайтах More sharing options...
naupv Опубліковано: 4 січня 2018 Поділитись Опубліковано: 4 січня 2018 Я привык не обижаться и всегда прощать. Вам же хуже, весь тот негатив, что вы выплеснули на меня (возможно, выплескиваете на других), к вам же вскоре и вернется (может быть, уже вернулся). Когда я говорил про косячество, я имел ввиду другое, имел ввиду нестандартную не расхожую схему не подтвержденную расчетами. И теперь я такие расчеты получил. Оказывается, интуиция меня не подвела, так делать можно, но именно при небольшой площади, как в моем случае. Вы не могли знать и понимать этого в силу своей ограниченности (вы же не владеете необходимыми знаниями, а работаете лишь руками), привыкли делать все по накатной схеме однажды проверенной, а все другое сходу отметаете. Вы не одиноки в своем рвении подавить все и вся вокруг. Я пролистал множество форумов, такие как вы, есть на каждом, и они каждой бочке затычка. Я стал их называть ПРсСО (или просто ПРСО). Откиньте и вы свое прежнее имя, написанное латинскими буквами, теперь и вы отныне ПРСО (Профессиональный резонер с сантехническим опытом). Знаете, я вам скажу ОЙ! По еврейски. У меня не только сантехпрактика, но увы, и учеба с дипломом верхнего,по специализации. Действуйте по своей интуиции! А мы, (гои), придем к вам переделывать и возьмем в три раза больше. Удачи. Посилання на коментар Поділитися на інших сайтах More sharing options...
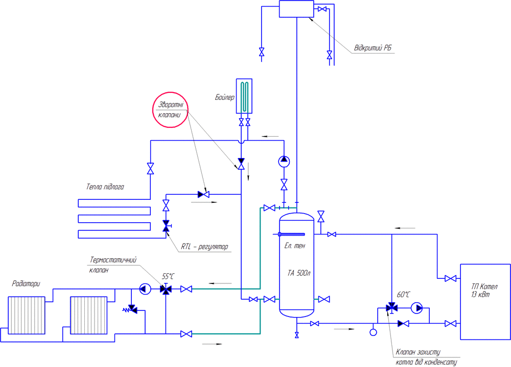
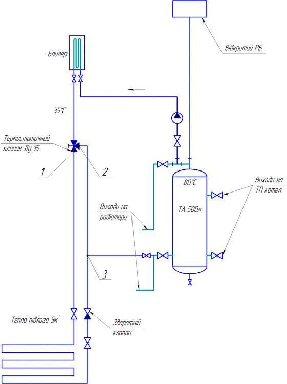
Pr_Woland Опубліковано: 9 січня 2018 Поділитись Опубліковано: 9 січня 2018 Доброго дня шановні форумчани ! Теж назріло питання нестандартного підключення однієї маленької (5 кв. м) вітки теплої підлоги. Електричний варіант не розглядаю оскільки і так наявні два ел. ТП по 2 кв.м і з третій на 5 кв.м вже буде перебор. Наявна відкрита система опалення із насосною циркуляцією. До системи планується під’єднати бойлер з косвенним нагрівом, вихід з якого направити на ТП через трьохходовий термостатичний змішуючий клапан (клапан захисту споживачів від опіків водою) із налаштуванням 35-40С. Варіант із RTL –регулятором остерігаюся розглядати, оскільки він ставиться на обратці, а отже на початку труб ТП може подаватися вода до 70-80С. Прошу прокоментувати дієздатність схеми наведеної в прикріпленому файлі. Розумію, що схема не зовсім коректна, оскільки в ідеалі насос повинен стояти вже після клапана в самому колі ТП (після точки 1). Однак в даному випадку першочергове значення має бойлер, а на ТП надсилаються лише залишки. Усвідомлюю, що ні про яку автоматизацію та супер комфорт не може йтися, але хочеться мати додаткове джерело обігріву у прихожій і не ходити по розжареній підлозі як індійський йог… Посилання на коментар Поділитися на інших сайтах More sharing options...
naupv Опубліковано: 9 січня 2018 Поділитись Опубліковано: 9 січня 2018 Розумію, що схема не зовсім коректна, оскільки в ідеалі насос повинен стояти вже після клапана в самому колі ТП (після точки 1). Однак в даному випадку першочергове значення має бойлер, а на ТП надсилаються лише залишки. На жаль, воно не працюватиме. Радіатори при СО природньої циркуляціїї не будуть нагріватись, оскільки насос на бойлер все буде перетягувати на себе, і циркуляція буде відбуватись по малому кругу ТА-БКС-ТА. Якщо застосовувати помпу, то ставте її на все, а RTL нічого боятись, за вас все перевірили і запатентували провідні не дурні інженери. 2 Посилання на коментар Поділитися на інших сайтах More sharing options...
Pr_Woland Опубліковано: 9 січня 2018 Поділитись Опубліковано: 9 січня 2018 naupv Дякую за роз'яснення щодо RTL. Стосовно насосів, то здається я ввів Вас в оману, оскільки зобразив лише частину схеми СО. На радіатори є окремий насос. Система відкрита, але з насосами. У прикріпленому файлі зображенна повна схема СО, із підключенням ТП через RTL. Прокоментуйте будь-ласка, можливо є ще якісь помилки. Також питання - чи доцільно використання зворотніх клапанів (виноска обведена червоним колом) Посилання на коментар Поділитися на інших сайтах More sharing options...
naupv Опубліковано: 9 січня 2018 Поділитись Опубліковано: 9 січня 2018 Навіщо все так ускладнювати. Приберіть ті всі девайси після помпи на радіатори. ТП підключайте по малюнку, що я привів у попередніх постах вище №30. Після насосів поставте клапани. Завантажувальний насос бойлера поставте на термостат того ж бойлера. По бажанню на радіатори можна поставити термоголовки. Щоб уникнути навантаження на насос СО, бажано після ньго поставити перепускний клапан (якщо закриються термоголовки та РТЛка), або насос на кімнатний термостат. Не забувайте про розширюванний бак на бойлер. Ну і порада, якщо це все городити, питається- навіщо робити відкриту систему? Посилання на коментар Поділитися на інших сайтах More sharing options...
Pr_Woland Опубліковано: 10 січня 2018 Поділитись Опубліковано: 10 січня 2018 naupv Приберіть ті всі девайси після помпи на радіаториТак на схемі там і немає ніяких девайсів, окрім рекомендованого Вами перепускного клапана. На радіатори термоголовки поставив. ТП підключайте по малюнку, що я привів у попередніх постах вище №30.Я якраз і намагався зобразити підлючення як на тому малюнку, лише використав гілку від бойлера, а не від радіаторів, оскільки там і так 10 радіаторів на насосі (не хочеться перевантажувати насос, коли є інший недовантажений) та й з трубами розкрутитися морока. Після насосів поставте клапани.Зворотні клапани ? Після яких насосів ? Не забувайте про розширюванний бак на бойлер.В системі холодного водопостачання передбачено накопичувальний мембранний бак на 80л. По суті системи холодного та гарячого водопостачання сполучені в самому бойлері. Потрібен ще один бак в гілку гарячого водопостачання після виходу з бойлера ? Ну і порада, якщо це все городити, питається- навіщо робити відкриту систему? Я просто не бачу сенсу її закривати. Електричних та газових котлів я ставити у видимій перспективі не планую. А з ТП котлом в мене виникають проблеми вже при тиску 2 бара. Робити систему повністю самоточною - теж морока (товсті похилі труби, розгалуженні споживачі і т.д.). Посилання на коментар Поділитися на інших сайтах More sharing options...
naupv Опубліковано: 11 січня 2018 Поділитись Опубліковано: 11 січня 2018 Так на схемі там і немає ніяких девайсів, окрім рекомендованого Вами перепускного клапана. На малюнку стоїть трьхходовий клапан, та запобіжний кутовий. там і так 10 радіаторів на насосі (не хочеться перевантажувати насос, коли є інший недовантажений) та й з трубами розкрутитися морока. Та хоть тридцять. Після яких насосів ? Після обох. Потрібен ще один бак в гілку гарячого водопостачання після виходу з бойлера ? Так. Бак ГВП з тиском 3,5-3,0 Атм. Я просто не бачу сенсу її закривати. Чому? Все одно при отключенні електрики у вас нічого не працюватиме. Через закритий бак не буде випаровуватись теплоносій. А добавляти в систему постійно новий (не кип.ячений) доволі сумнівне діло для всієї СО. 1 Посилання на коментар Поділитися на інших сайтах More sharing options...
DaniMax Опубліковано: 11 січня 2018 Поділитись Опубліковано: 11 січня 2018 з ТП котлом в мене виникають проблеми вже при тиску 2 бара. Какие, если не секрет? 1 Посилання на коментар Поділитися на інших сайтах More sharing options...
Pr_Woland Опубліковано: 12 січня 2018 Поділитись Опубліковано: 12 січня 2018 DaniMax Стосовно котла, то цей непотреб називається САН Эко 13- У- М . Знайте і бійтеся взагалі мати з ними справу. Підкупило мене в ньому в першу чергу компактність та верхній вихід димохода, оскільки ТП котел в мене спочатку не планувався, то я дуже обмежений в просторі. Спочатку мені прислали взагалі "шедевр" : - із середини теплообмінника сталь 4мм, із зовні 2мм; - патрубок під механічний терморегулятор вварений зовсім косо і з такими напливами, що вкрутити його туди вгагалі неможливо; - зварні шви настільки жахливої якості, що в мене виходили кращі коли я вперше взяв зварювальний апарат у руки; - протікало те технічне непорузуміння взагалі без тиску Після моєї скарги мені швиденько поміняли це збочення на щось біль-менш працездатне, але теж далеке від досконалості. Перед початком монтажу системи я зробив гідравлічне випробування котла. При досягненні тиску більше 2-х бар з котла починають лунати різкі звуки характерні для сильнодеформованої конструкції (рипіння та тріск) Якби котел був саморобний, то напевно був би кращий. А в них ще в лінійці представленні промислові моделі. Як вони їх роблять боюся навіть уявляти. Минайте це Г.... десятою дорогою. 3 Посилання на коментар Поділитися на інших сайтах More sharing options...
naupv Опубліковано: 12 січня 2018 Поділитись Опубліковано: 12 січня 2018 Перед початком монтажу системи я зробив гідравлічне випробування котла. При досягненні тиску більше 2-х бар з котла починають лунати різкі звуки характерні для сильнодеформованої конструкції (рипіння та тріск) Так,є деякі марки котлів розраховані на роботу до 2 бар. Я не уявляю собі як він буде працювати на "гарячу", якщо його плющить на "холодну" Посилання на коментар Поділитися на інших сайтах More sharing options...
Рекомендовані повідомлення
Створіть акаунт або увійдіть у нього для коментування
Ви маєте бути користувачем, щоб залишити коментар
Створити акаунт
Зареєструйтеся для отримання акаунта. Це просто!
Зареєструвати акаунтУвійти
Вже зареєстровані? Увійдіть тут.
Увійти зараз