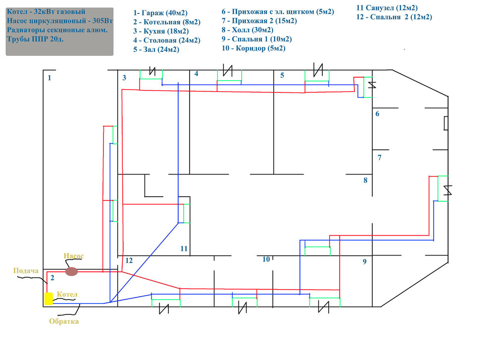
wonderwall Опубліковано: 3 травня 2010 Поділитись Опубліковано: 3 травня 2010 На рисунке все отображено, это превый этаж, на втором все идентично кроме гаража,прихожей и спален! Точнее вверху у нас отображение помещений 3,4,5,7,8,11. На третем этаже одна комната 35м2! Собственно, я делаю все это впервые, поэтому терминами просьба не забрасывать, а начать с нуля(если можно )! То что надо курить газовый котел, трубы, циркуляционный насос и радиаторы, это ясно! Насос есть на 15метров 305вт, трубы 2 штуки 20 ППР, паяльник купил тоже. Собственно требования к системе круглогодичная эксплуатация, теплые полы (нарисовать не смог, но они будут в ванных, на кухне и... все), автоматический клапан долива воды... итд. Делать так понимаю, что буду сам... Поэтому, прошу начать от самого нуля и до третего этажа. Спасибо всем заранее, (такие мелочи как утепление труб тоже очень важны). Посилання на коментар Поділитися на інших сайтах More sharing options...
Hover Опубліковано: 3 травня 2010 Поділитись Опубліковано: 3 травня 2010 (змінено) Извени но это все неправильно. Подскажу лишь в одном насос на подачу не ставят только на обратку. При грамотном подходе к отоплению насос даже не ставят только в, тех случаях когда надо повысить больше теплоотдачу через радиаторы но котел будет работать на износ а значит ресурс котла уменьшается. В гараже не живут начинать подачу нада сначала в дом а заканчивать гаражом. Одним диаметром труб отопления не делают. С водяным полом отопления и с радиаторным отоплением лучше не совмещать. (но можно, если грамотно все просчитать) Несколько советов как проектировать отопления; Чем больше скорость воды, проходит через (трубу или радиатор) теплоотдача будет лучше. Извени но за спасибо хлеба не купишь :sad: ps... сколка надо секций на комнату; одна секция радиатора способна обогреть полтора метра квадратных, это так грубый падщет, Змінено 4 травня 2010 користувачем Hover Посилання на коментар Поділитися на інших сайтах More sharing options...
wonderwall Опубліковано: 4 травня 2010 Автор Поділитись Опубліковано: 4 травня 2010 Извени но это все неправильно. Подскажу лишь в одном насос на подачу не ставят только на обратку. При грамотном подходе к отоплению насос даже не ставят только в, тех случаях когда надо повысить больше теплоотдачу через радиаторы но котел будет работать на износ а значит ресурс котла уменьшается. В гараже не живут начинать подачу нада сначала в дом а заканчивать гаражом. Одним диаметром труб отопления не делают. С водяным полом отопления и с радиаторным отоплением лучше не совмещать. (но можно, если грамотно все просчитать) Несколько советов как проектировать отопления; Чем больше скорость воды, проходит через (трубу или радиатор) теплоотдача будет лучше. Извени но за спасибо хлеба не купишь :sad: ps... сколка надо секций на комнату; одна секция радиатора способна обогреть полтора метра квадратных, это так грубый падщет, Спасибо за советы. Под тем, что 2 отопления лучше не смешивать вы имеете в виду, что надо 2 котла? Или коллектор и от него пустить несколько контуров? 1- первая группа радиаторов, 2 - вторая группа радиаторов, 3 - теплый по №1, 4 - радиаторы в гараже... Спасибо еще раз, Посилання на коментар Поділитися на інших сайтах More sharing options...
Сергей_84 Опубліковано: 4 травня 2010 Поділитись Опубліковано: 4 травня 2010 1. Насос поставите туда , куда вам будет удобно, только смотрите чтобы расширительный бак стоял до всасывающего патрубка насоса , а не после него. 2. Насос ставить обязательно 3. Я бы посоветовал вам где-то возле котла поставить коллектор и от него провести отельные ветки ( на 1 этаж у вас получается 3 ветки), причем 2 самые длинные ветки ведите 25 трубой до предпоследнего радиатора(верхнюю ветку вобще до 1-2 радиатора лучше сделать 32 для уверенности)(это так сказать с запасом чтобы не пересчитывать), а вот ветку в гараж ведите 20 трубой. И на коллекторе не забудьте поставить регулирововчные вентили на ветках для последующей гидравлической балансировки системы(ветку гаража прийдется здорово прикрывать) 4. По теплым полам: более дорогой и правильный вариант-это поставить смесительный узел возле котла и от него провести 3 ветки (2 в кухню и 1 в санузел), а более дешевый вариант Это провести от коллектора отдельную ветку и на нее посадить вот такие мультибоксы(ссылка на изображение устарела) для кухни и санузла, с помощью них сможете управлять температурой в отдельных помещениях 5. 1 алюминимевая секция глубиной 100мм способна отдать 127 Вт, а 80 мм-115 Вт. Ни о каких 1,5 квм речи не идет если ваш дом теряет 100Вт/квм. Если теплопотери ниже(например 80 Вт), то 1 секции хватит на 1,5 квадрата Вот собственно и всё пока.... 2 Посилання на коментар Поділитися на інших сайтах More sharing options...
Телесистемы Опубліковано: 4 травня 2010 Поділитись Опубліковано: 4 травня 2010 Извени но это все неправильно. Подскажу лишь в одном насос на подачу не ставят только на обратку. тема старая, пару лет назад обсасывалась.. короче, мне монтировали систему тт+электро (закрытая), довольно известная в киеве компания по отоплению, насос установлен сразу на выходе котла, специально инженера переспросил - правильно ли ? - ответил, что да. Расш. бак на обратке. два сезона - полет нормалный, давление в системе четко по манометру 1,4 - 1,8 (это при Т носителя от 20С до 80С) В системе около 180 литров Посилання на коментар Поділитися на інших сайтах More sharing options...
Сергей_84 Опубліковано: 4 травня 2010 Поділитись Опубліковано: 4 травня 2010 Ховер...жаль сообщение удалили....гляньте на обвязки котельных...там вобще всегда насос стоит на подачах.....что на это скажете????? по большому счту не имеет значения куда ставить насос, просто на обратке он подвергается более лояльным условиям функционирования И опять же нужнотправильно ставить расширитель по отношения к насосу, а то возникнет кавитация... Посилання на коментар Поділитися на інших сайтах More sharing options...
Hover Опубліковано: 4 травня 2010 Поділитись Опубліковано: 4 травня 2010 Ребята что такое настенный котел, можно ли его назвать котлом, скажу по секрету это не котел углубитесь в интернет и найдете ответ. Что собой представляет циркуляционный насос, он способен гонять по замкнутому контуру определенный объем воды в час, и способен поднять воду на 1,5-2,5 метра, то есть способен преодолеть давления столба воды не путать с возможностью создавать давление его напор воды вы можете удержать хоть пальцем. (есть и на 4 метра) как вы думаете какой стоит в вашем так называемом котле. (1,5). Так называемые котлы рассчитаны толка на одноэтажные коттеджи мы же умудряемся ими отапливать и 2-3. Я бы из дороговизны нормальных, котлов взял бы тоже настенный, но без циркуляционного насоса купил бы потом и с нужной мне мощностью. так как давление водного столба давит на котел и на обрате значит целесообразно поставить на обратку - пару цитат от людей; (И еще...Когда стоял на подаче низ и верх радиаторов значительно отличался по температуре. Поставил на обратку и радиаторы практически одинаковой температуры. Раньше комнаты прогревались до 21-22 где-то к обеду, а сейчас пару часов и температура 22 . Так что кому как, а мне на обратке сподручней. Добавлено через 2 минуты А производитель рекомендует ставить только горизонтально. Забыл добавить.... Если поставить насос на подачу, но высоко от котелка(чем дальше, тем лучше), то впринципе пользоваться можно, а вот если близко то как оказалось не очень А на обратке как ни топи все равно выше 60-70 градусов в насос закачиваться не будет. Поверьте мне на слово. Я запарился бегать к котелку, открывать верхнюю двурцу, закрывать поддув и т.д. чтобы котелок не закипел, а сейчас на 1 режиме можно топить экономно, ну а если морозы и как в топку паровоза, то 2 режим справляется и температура 75-85 градусов.) Заметил также на фото форумчан что расширительный бак стоит рядом с котлом в 2х этажном доме, скажите для чего он обще предназначен какова его роль, и где он должен стоять по законам физики и проектировании отопительной системы и ее работы. 2 Посилання на коментар Поділитися на інших сайтах More sharing options...
murava Опубліковано: 4 травня 2010 Поділитись Опубліковано: 4 травня 2010 ..... можно ли его назвать котлом, скажу по секрету это - не котел ..... КЭП, зачем Вы выдали такую страшную тайну ... Посилання на коментар Поділитися на інших сайтах More sharing options...
Hover Опубліковано: 4 травня 2010 Поділитись Опубліковано: 4 травня 2010 КЭП, зачем Вы выдали такую страшную тайну ... :D:rolleyes: Посилання на коментар Поділитися на інших сайтах More sharing options...
Сергей_84 Опубліковано: 4 травня 2010 Поділитись Опубліковано: 4 травня 2010 Заметил также на фото форумчан что расширительный бак стоит рядом с котлом в 2х этажном доме, скажите для чего он обще предназначен какова его роль, и где он должен стоять по законам физики и проектировании отопительной системы и ее работы. человек задающий такой вопрос, вобще не имеет права спорить о каких либо вариантах строения системы отопления со специалистами....Без обид, но это так и есть... Кто Вы? Представтесь для ясности..... Ответ на ваш вопрос: расширительный бак предназначен для того, чтобы компенсировать объемное расширение воды вследствии повышения температуры. Его назначение-стабилизация давления в системе отопления. Поставить его можно куда-угодно, только нужно не забыть правильно установить давление воздуха в баке( оно должно быть немного меньше чем статическое давление в системе над расширителем (10%) и еще если рабочая температура мембраны до 70 градусов, он должен стоять на обратке И нельзя его ставить после подающего патрубка насоса, может возникнуть кавитация, только перед всасывающим патрубком....вроде все ах да вот цитата из"Руководство по системам отопления котеджей от Grundfos" 4 Насос размещайте как можно ближе к расширительному бачку. 5 В “закрытых системах”, если возможно, насос размещают на обратном трубопроводе из-за более низкой температуры на данном участке. Еще вопросы есть? Посилання на коментар Поділитися на інших сайтах More sharing options...
Сергей_84 Опубліковано: 4 травня 2010 Поділитись Опубліковано: 4 травня 2010 Добавлено через 2 минуты А производитель рекомендует ставить только горизонтально. . вы что-то явно читали, но так нифига и не поняли... Горизонтально должна находиться ось насоса с мокрым ротором для лучшего его охлаждения А насос может стоять хоть вертикально хоть горизонтально Вот цитата из того же руководства от Grundfos: 1 Насосы с мокрым ротором всегда устанавливают так, чтобы вал находился в горизонтальном положении. Посилання на коментар Поділитися на інших сайтах More sharing options...
Сергей_84 Опубліковано: 4 травня 2010 Поділитись Опубліковано: 4 травня 2010 Забыл добавить.... Если поставить насос на подачу, но высоко от котелка(чем дальше, тем лучше), то впринципе пользоваться можно, а вот если близко то как оказалось не очень А на обратке как ни топи все равно выше 60-70 градусов в насос закачиваться не будет. Поверьте мне на слово. Я запарился бегать к котелку, открывать верхнюю двурцу, закрывать поддув и т.д. чтобы котелок не закипел, а сейчас на 1 режиме можно топить экономно, ну а если морозы и как в топку паровоза, то 2 режим справляется и температура 75-85 градусов.) . пожалуй с установкой насоса для ТТ котла на обратке я соглашусь, а то он на подаче может подвергнуться ну ужь совсем не демократичным условиям работы....Но это только для ТТ котла Посилання на коментар Поділитися на інших сайтах More sharing options...
Сергей_84 Опубліковано: 4 травня 2010 Поділитись Опубліковано: 4 травня 2010 Что собой представляет циркуляционный насос, он способен гонять по замкнутому контуру определенный объем воды в час, и способен поднять воду на 1,5-2,5 метра, то есть способен преодолеть давления столба воды не путать с возможностью создавать давление его напор воды вы можете удержать хоть пальцем. (есть и на 4 метра) как вы думаете какой стоит в вашем так называемом котле. (1,5). Так называемые котлы рассчитаны толка на одноэтажные коттеджи мы же умудряемся ими отапливать и 2-3. . Ну и чисто чтобы "для поспорить" В настенниках ставят насосы способные при 1 кубе в час давать 2,2-2,5м напора, а этого зачастую вполне хватает для коттеджа до 270 квм ,если там нет каких-то дополнительных прибамбасов и если монтажник конечно не заузит диаметры труб , чем увеличит потери напора в трубопроводах.. Так что не надо зря разглагольствовать Посилання на коментар Поділитися на інших сайтах More sharing options...
Hover Опубліковано: 4 травня 2010 Поділитись Опубліковано: 4 травня 2010 Ребята я не делаю из себя умника, тут хватает и без меня, но человек хочет построить все сам, он якобы ничего сложного не видит но на самом деле читая ответы где то в глубоко душе он понимает что переделка потянет денег если сделает неправильно. Мы же привели достаточна аргументов над чем надо призадуматься при самостоятельном проектировании и строительстве отопления. А ему и решать ка во из нас он выберет. ps... снимаю шляпу перед специалистами отопительных систем, они здесь есть. Посилання на коментар Поділитися на інших сайтах More sharing options...
Сергей 31 Опубліковано: 4 травня 2010 Поділитись Опубліковано: 4 травня 2010 Спасибо родные, я прозрел. Это ж, сколько я ошибок понаделал, ставя насосы на подаче? Вот и сейчас, опять на подаче. Посилання на коментар Поділитися на інших сайтах More sharing options...
Сергей_84 Опубліковано: 4 травня 2010 Поділитись Опубліковано: 4 травня 2010 Спасибо родные, я прозрел. Это ж, сколько я ошибок понаделал, ставя насосы на подаче? Вот и сейчас, опять на подаче. чтож вы так? ай-яй-яй:D...такая красивенная обвязка, а насосы на подаче Посилання на коментар Поділитися на інших сайтах More sharing options...
Сергей 31 Опубліковано: 4 травня 2010 Поділитись Опубліковано: 4 травня 2010 чтож вы так? ай-яй-яй:D...такая красивенная обвязка, а насосы на подаче Ну, и я о том. 20 лет коту под хвост. Посилання на коментар Поділитися на інших сайтах More sharing options...
wonderwall Опубліковано: 5 травня 2010 Автор Поділитись Опубліковано: 5 травня 2010 вы что-то явно читали, но так нифига и не поняли... Горизонтально должна находиться ось насоса с мокрым ротором для лучшего его охлаждения А насос может стоять хоть вертикально хоть горизонтально Вот цитата из того же руководства от Grundfos: 1 Насосы с мокрым ротором всегда устанавливают так, чтобы вал находился в горизонтальном положении. Возникает вполне ризонный вопрос, я так считаю) А как оприделить положение этой оси? Ну, я на обвязке в данном топике вижу как там расположены насосы, просто интересно, как определить ось) Да и спасибо всем огромное за советы!!!!!! Есть еще вопросик по обьему бака расширительного??? плюс какие трубы на выходе из котла и из насоса!!!??? Посилання на коментар Поділитися на інших сайтах More sharing options...
wonderwall Опубліковано: 5 травня 2010 Автор Поділитись Опубліковано: 5 травня 2010 И еще, если можно, дайте совет по трубам для теплого пола! Не по производителям, а именно по диаметру, и материалу.!) Спасибо Посилання на коментар Поділитися на інших сайтах More sharing options...
wonderwall Опубліковано: 6 травня 2010 Автор Поділитись Опубліковано: 6 травня 2010 Собрал вчера тестовый вариант отопления комнаты (правда без расшир. бачка, забыл муфту) и сразу возникли вопросы!!! 1) А как набирать жидкость в системе?? В моем "тестовом" случае как на картинке, нужно выбрать самую верхнюю точку и туда залить жидкость? Там же все равно будет воздух, это не страшно? 2) Как набирать жидкость, когда уже система установлена??? Ну, мне сказали, что жидкость надо раз в год подливать! Что для этого надо предусмотреть? Посилання на коментар Поділитися на інших сайтах More sharing options...
y-dom Опубліковано: 6 травня 2010 Поділитись Опубліковано: 6 травня 2010 Собрал вчера тестовый вариант отопления комнаты (правда без расшир. бачка, забыл муфту) и сразу возникли вопросы!!! 1) А как набирать жидкость в системе?? В моем "тестовом" случае как на картинке, нужно выбрать самую верхнюю точку и туда залить жидкость? Там же все равно будет воздух, это не страшно? 2) Как набирать жидкость, когда уже система установлена??? Ну, мне сказали, что жидкость надо раз в год подливать! Что для этого надо предусмотреть? Мистер Вондервол вы однако не ищете легких путей Высылайте поэтажные планы нарисуем схемку 1 Посилання на коментар Поділитися на інших сайтах More sharing options...
murava Опубліковано: 6 травня 2010 Поділитись Опубліковано: 6 травня 2010 И еще, если можно, дайте совет по трубам для теплого пола! Не по производителям, а именно по диаметру, и материалу.!) Спасибо В теории для теплых полов подходят практически любые трубы, представленные на рынке : РЕХ, металопластики в разной вариации оболочек, полибутилен и даже пресловутый полипропиллен, если найдете С точки зрения рецессионных характеристик долговечности, что актуально использовать первые две, хотя расчетная характеристика долговечности при температурном режиме 40/35 и так будет составлять несколько десятков лет даже для самой захудалой трубы. По диаметру: реально и практически применимо использовать трубу 16/17/18/20 диаметров, ибо уже труба большего диаметра предоставит Вам уйму сюрпризов при укладке. Решающим фактором станет гидравлика контуров, поэтому часто критерием подбора диаметров есть таки гидравлические и мощностные данные системы. Ну вот, коротко как-то так... А вот по производителям... щас вам тут расскажут про высокие немецкие технологии... 1 Посилання на коментар Поділитися на інших сайтах More sharing options...
K_Serega Опубліковано: 6 травня 2010 Поділитись Опубліковано: 6 травня 2010 Добавлено через 2 минуты А производитель рекомендует ставить только горизонтально. А нука, покажите рекомендацию такую, вообще-то лучше всего ставить насос вертикально, чтобы насос не завоздушивался Заметил также на фото форумчан что расширительный бак стоит рядом с котлом в 2х этажном доме, скажите для чего он обще предназначен какова его роль, и где он должен стоять по законам физики и проектировании отопительной системы и ее работы Ставить можно в любом месте системы, желательно до насоса Посилання на коментар Поділитися на інших сайтах More sharing options...
Рекомендовані повідомлення
Створіть акаунт або увійдіть у нього для коментування
Ви маєте бути користувачем, щоб залишити коментар
Створити акаунт
Зареєструйтеся для отримання акаунта. Це просто!
Зареєструвати акаунтУвійти
Вже зареєстровані? Увійдіть тут.
Увійти зараз