Crash m.d. Опубліковано: 4 січня 2011 Поділитись Опубліковано: 4 січня 2011 О всезнающие господа электрики и просто опытные пользователи генераторных установок ! Подскажите, пожалуйста, где купить однофазный переключатель с ввода в дом электричества от столба на ввод электричества от генератора (генератор мощностью 5.5 квт). Купил на рынке такой переключатель , написано 40А, но реально, раскрутив его, обнаружил очень хлипкие и стремные контакты, через которые и лампочку включить страшно . Где можно взять качественную и надежную вещь, в добавок и легко монтируемую в стену? Спасибо . Посилання на коментар Поділитися на інших сайтах More sharing options...
engeneer Опубліковано: 4 січня 2011 Поділитись Опубліковано: 4 січня 2011 О всезнающие господа электрики и просто опытные пользователи генераторных установок ! Подскажите, пожалуйста, где купить однофазный переключатель с ввода в дом электричества от столба на ввод электричества от генератора (генератор мощностью 5.5 квт). Купил на рынке такой переключатель , написано 40А, но реально, раскрутив его, обнаружил очень хлипкие и стремные контакты, через которые и лампочку включить страшно . Где можно взять качественную и надежную вещь, в добавок и легко монтируемую в стену? Спасибо . Эти переключатели сфотографировал в офисе "Электромира". Впечатление производят добротное, в отличие от 40-амперного ИЭКа. Один из них - переключатель сеть-0-генератор, второй - выбор фазы + генератор. Похожие галетные переключатели старого советского образца видел в магазине "Струмок" на Краснова. 1 Посилання на коментар Поділитися на інших сайтах More sharing options...
Crash m.d. Опубліковано: 4 січня 2011 Автор Поділитись Опубліковано: 4 січня 2011 А где это , "Электромир"? И в чем устанавливать подобный переключатель, чтобы удобно было кабелями ВВГ подсоединить? Посилання на коментар Поділитися на інших сайтах More sharing options...
Boyko Опубліковано: 4 січня 2011 Поділитись Опубліковано: 4 січня 2011 Перекидной переключатель ввода резерва (однофазный) Hager SF263 250В/63A, 1+N, 4мод Посилання на коментар Поділитися на інших сайтах More sharing options...
Dalet Опубліковано: 5 січня 2011 Поділитись Опубліковано: 5 січня 2011 В соседних ветках уже вопрос неоднократно подымался. Вот вариант:Ставлю своим клиентам ETI, нормальная цена и нормальное качество, все довольны, возвратов небыло. Схема включения, номиналы и варианты здесь. Но Электромировские конечно класные, уважаю, правда большие очень. Посилання на коментар Поділитися на інших сайтах More sharing options...
igorrius Опубліковано: 5 січня 2011 Поділитись Опубліковано: 5 січня 2011 Перекидной переключатель ввода резерва (однофазный) Hager SF263 250В/63A, 1+N, 4мод этот на ДИН рейку в щиток монтируется. выглядит так: electrica-shop.com.ua/pi/cPath/25/products_id/2860 Посилання на коментар Поділитися на інших сайтах More sharing options...
Crash m.d. Опубліковано: 5 січня 2011 Автор Поділитись Опубліковано: 5 січня 2011 Спасибо откликнувшимся. Буду знать, где искать. По поводу схемы подключения вопрос :Ставлю своим клиентам ETI, нормальная цена и нормальное качество, все довольны, возвратов небыло. Схема включения, номиналы и варианты здесь. На схеме переключается только одна фаза, а ноль генератора соединен постоянно с нулем сети. Это допустимо? Не опасно для генератора. Простите за ламерский вопрос. З.Ы. По поводу трехфазного переключателя -это слишком круто. Я соберу критические потребители на одну фазу и именно ее буду запитывать в случае пропадания электричества в проводах. Посилання на коментар Поділитися на інших сайтах More sharing options...
igorrius Опубліковано: 5 січня 2011 Поділитись Опубліковано: 5 січня 2011 ой. извините, Вам же нужен однофазный рубильник. Тогда рассмотрите такой вариант electrica-shop.com.ua/pi/products_id/2861 1 Посилання на коментар Поділитися на інших сайтах More sharing options...
engeneer Опубліковано: 5 січня 2011 Поділитись Опубліковано: 5 січня 2011 А где это , "Электромир"? И в чем устанавливать подобный переключатель, чтобы удобно было кабелями ВВГ подсоединить? Офис "Электромира" возле метро "Тараса Шевченко", Еленовская, 34. Монтировать можно в навесной или врезной щиток - в дверцу. Себе буду делать отдельную панель - у меня стены возле щитков обшиты OSB, глубина позволяет. Подключенный постоянно "ноль" - это правильно, однофазные генераторы нефазированы, для разделения ноль-фаза один из выходов должен сидеть на входном нуле, иначе могут быть проблемы с котлом и компьютерными блоками питания. 1 Посилання на коментар Поділитися на інших сайтах More sharing options...
ink_stroi Опубліковано: 5 січня 2011 Поділитись Опубліковано: 5 січня 2011 Подключенный постоянно "ноль" - это правильно, однофазные генераторы нефазированы, для разделения ноль-фаза один из выходов должен сидеть на входном нуле, иначе могут быть проблемы с котлом и компьютерными блоками питания.А в случае обрыва N на ВЛ? Посилання на коментар Поділитися на інших сайтах More sharing options...
Dalet Опубліковано: 5 січня 2011 Поділитись Опубліковано: 5 січня 2011 А в случае обрыва N на ВЛ? А еще иногда электрики фазу с нулем путают на вводе, сталкивался. И ниче не згорело, токо станция током билась. Посилання на коментар Поділитися на інших сайтах More sharing options...
ink_stroi Опубліковано: 5 січня 2011 Поділитись Опубліковано: 5 січня 2011 А еще иногда электрики фазу с нулем путают на вводе, сталкивался. И ниче не згорело, токо станция током билась.А станция в этот момент работала? Система TT? Повторные заземления на ВЛ имеются? Посилання на коментар Поділитися на інших сайтах More sharing options...
Dalet Опубліковано: 5 січня 2011 Поділитись Опубліковано: 5 січня 2011 А станция в этот момент работала? Система TT? Повторные заземления на ВЛ имеются? Да както давным давно (года три назад), мои товарищи (из большой генераторной конторы) поехали на ТО дизелька, давай масло менять а он током бьется. А сами они электрики были не очень, больше механики, вот и придумали клиенту историю о том, что якобы некто тут подводные течения током разганяет вот она и бьется. Сказать больше видно нечего было. Ну еще недельку туда покатались и разобрались что там просто на столбе чегото делали и фазу с нулем спутали. А еще вот 30.12.10 ездил на востановление автоматики после умелого монтажа электриками заказчика, так они фазу с нулем на входе в АВР перепутали, ну и соответственно говорят генератор током бьется. Я им говорю че сделать надо, а они - все у нас правильно мы мол все по схеме делали. Пришлось поехать, и не зря оказалось еще коечего напутали - контроллер всетаки сожгли:D. А генератор цел, и я так по ихнему расказу понимаю что даже при этой фазе и заводился. Посилання на коментар Поділитися на інших сайтах More sharing options...
engeneer Опубліковано: 5 січня 2011 Поділитись Опубліковано: 5 січня 2011 А в случае обрыва N на ВЛ? В доме не будет света. Если генератор на автомате - запустится, но будет нефазированным, котел может не запускаться. Больше ничего плохого не произойдет. А еще иногда электрики фазу с нулем путают на вводе, сталкивался. И ниче не згорело, токо станция током билась. Немного не в тему: у меня как-то один умелец подключал электронный регулятор ТП Devireg-550 и умудрился перепутать значок "интерфейс" с заземлением, но подключил туда почему-то фазу %) Что интересно, регулятор после того еще пытался что-то регулировать Посилання на коментар Поділитися на інших сайтах More sharing options...
ink_stroi Опубліковано: 5 січня 2011 Поділитись Опубліковано: 5 січня 2011 Больше ничего плохого не произойдет. А УЗО? Ведь по N будет ток, а по фазам нет. www.stroimdom.com.ua/forum/attachment.php?attachmentid=74240&d=1287907989 Посилання на коментар Поділитися на інших сайтах More sharing options...
engeneer Опубліковано: 5 січня 2011 Поділитись Опубліковано: 5 січня 2011 А УЗО? Ведь по N будет ток, а по фазам нет. www.stroimdom.com.ua/forum/attachment.php?attachmentid=74240&d=1287907989 Скорее всего, работать будет и без фазировки - на выходе однофазных генераторов ставят дифзащиту, все ок. Реагирует, как и положено, на утечку. Посилання на коментар Поділитися на інших сайтах More sharing options...
ink_stroi Опубліковано: 5 січня 2011 Поділитись Опубліковано: 5 січня 2011 Скорее всего, работать будет и без фазировки - на выходе однофазных генераторов ставят дифзащиту, все ок. Реагирует, как и положено, на утечку.Я имел ввиду, что при соединении гены с N - УЗО сработает и разорвет N. Посилання на коментар Поділитися на інших сайтах More sharing options...
Dalet Опубліковано: 5 січня 2011 Поділитись Опубліковано: 5 січня 2011 Скорее всего, работать будет и без фазировки - на выходе однофазных генераторов ставят дифзащиту, все ок. Реагирует, как и положено, на утечку. Есть одна проблемка с УЗО на генераторе. Я по УЗО сталкивался на европовере, абсолютно все снимаю, выбивает. А обьяснять хозяину что у него там просто гдето утечка - неблагодарное дело. Посилання на коментар Поділитися на інших сайтах More sharing options...
engeneer Опубліковано: 5 січня 2011 Поділитись Опубліковано: 5 січня 2011 Я имел ввиду, что при соединении гены с N - УЗО сработает и разорвет N.В каком случае - при отгорании входного нуля? Почему? УЗО меряет разницу между током входящим и выходящим, если утечки не будет, не должно рвать. Посилання на коментар Поділитися на інших сайтах More sharing options...
Dalet Опубліковано: 5 січня 2011 Поділитись Опубліковано: 5 січня 2011 Я имел ввиду, что при соединении гены с N - УЗО сработает и разорвет N. Если я правиль понял, генератор подключаем после УЗО? Да выбивать будет, проходили много раз. Подключать только до УЗО. Посилання на коментар Поділитися на інших сайтах More sharing options...
ink_stroi Опубліковано: 5 січня 2011 Поділитись Опубліковано: 5 січня 2011 В каком случае - при отгорании входного нуля? Почему? УЗО меряет разницу между током входящим и выходящим, если утечки не будет, не должно рвать. 1. УЗО будет срабатывать, так как фаза с гены мимо УЗО, а N через УЗО. 2. При отгорании ноля на ВЛ (ближе к ТП) и запущенном гене (в автомате), что ничего не произойдет? Мне не понятно зачем гену с N соединять и какие нормативы это разрешают? Вот N на ВЛ оборвана, прям возле нашей опоры ближе к ТП, гена запущен, электрики сеть обесточили, а что гена на линии они не знают. Посилання на коментар Поділитися на інших сайтах More sharing options...
engeneer Опубліковано: 5 січня 2011 Поділитись Опубліковано: 5 січня 2011 1. УЗО будет срабатывать, так как фаза с гены мимо УЗО, а N через УЗО. 2. При отгорании ноля на ВЛ (ближе к ТП) и запущенном гене (в автомате), что ничего не произойдет? 1. Понял наконец-то, мы о разных УЗО говорим. Я все смотрел на нижнее, после гены, 30 мА. Да, похоже ноль гены надо посадить после УЗО 100мА, тогда все будет ок. 2. Будет работать как и работал - ему входной ноль для работы не нужен. В чистом поле-то нет нуля, а гены работают, и УЗО на них тоже работают. Просто не будет фазировки и может глючить розжиг котла и некоторые виды ИБП на компьютере. Если такое произойдет, можно сформировать "виртуальный ноль" - заземлить нулевой провод через низкоомный резистор (4-6 Ом) большой мощности (10-20 Вт). Посилання на коментар Поділитися на інших сайтах More sharing options...
ink_stroi Опубліковано: 5 січня 2011 Поділитись Опубліковано: 5 січня 2011 1.Да, похоже ноль гены надо посадить после УЗО 100мА, тогда все будет ок. 2. Будет работать как и работал - ему входной ноль для работы не нужен. В чистом поле-то нет нуля, а гены работают, и УЗО на них тоже работают. Просто не будет фазировки и может глючить розжиг котла и некоторые виды ИБП на компьютере. Если такое произойдет, можно сформировать "виртуальный ноль" - заземлить нулевой провод через низкоомный резистор (4-6 Ом) большой мощности (10-20 Вт). 1. Так и в этом случае УЗО сработает и N не будет. Если уж и подключать, то переключатель ставить до УЗО. 2. Я не про работу гены, и даже не про потребителей. Я про безопасность. В предыдущем посте добавлено было. Посилання на коментар Поділитися на інших сайтах More sharing options...
Dalet Опубліковано: 5 січня 2011 Поділитись Опубліковано: 5 січня 2011 Ну это уже надо брать корондаш и рисовать схемку. Посилання на коментар Поділитися на інших сайтах More sharing options...
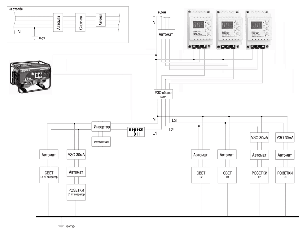
engeneer Опубліковано: 5 січня 2011 Поділитись Опубліковано: 5 січня 2011 Ну это уже надо брать корондаш и рисовать схемку. Схема здесь Мне не понятно зачем гену с N соединять и какие нормативы это разрешают? Вот N на ВЛ оборвана, прям возле нашей опоры ближе к ТП, гена запущен, электрики сеть обесточили, а что гена на линии они не знают. Фаза не пойдет в сеть - это главное. Если ноль оборван, он тоже не пойдет, а если и пойдет - электриков не стукнет, т.к. не будет напряжения без второй клеммы. Садить ли гену на ноль, слышал мнение - типа надо отрубать и фазу и ноль, но котел работать при этом, скорее всего, не будет. Если есть сомнения - виртуальный ноль в помощь! Если уж и подключать, то переключатель ставить до УЗО. Переключатель до УЗО - плохо, при любой сработке - котел без питания. Лучше котел и иже с ним вообще в отдельной ветке, мимо основного УЗО. Посилання на коментар Поділитися на інших сайтах More sharing options...
Рекомендовані повідомлення
Створіть акаунт або увійдіть у нього для коментування
Ви маєте бути користувачем, щоб залишити коментар
Створити акаунт
Зареєструйтеся для отримання акаунта. Це просто!
Зареєструвати акаунтУвійти
Вже зареєстровані? Увійдіть тут.
Увійти зараз