SIV Опубліковано: 13 січня 2011 Поділитись Опубліковано: 13 січня 2011 В данном случае тип мгновенного расцепления никакого значения не имеет. " С "- это характеристика электромагнитного расцепителя который срабатывает при токах от 2.55 In. Тепловой расцепитель у В, С, Д - одинаков. А что при токах до 2.55 In Посилання на коментар Поділитися на інших сайтах More sharing options...
sanykrimea Опубліковано: 13 січня 2011 Поділитись Опубліковано: 13 січня 2011 А что при токах до 2.55 In Тип В,С,Д 1,13 In - t ≥ 1 ч Без расцепления 1,45 In - t < 1 ч Расцепление 2,55 In - 1 с < t < 60 c Расцепление t - время. Посилання на коментар Поділитися на інших сайтах More sharing options...
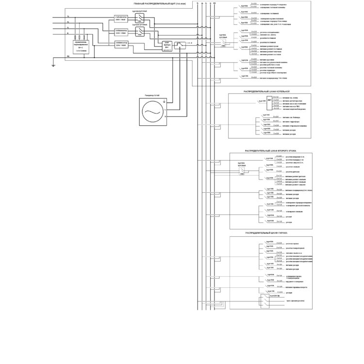
san2301 Опубліковано: 13 січня 2011 Автор Поділитись Опубліковано: 13 січня 2011 А в чем собсно рисуете план? Стыдно признаться, рисую в Paint. Мне так привычней. 1 Посилання на коментар Поділитися на інших сайтах More sharing options...
igorrius Опубліковано: 13 січня 2011 Поділитись Опубліковано: 13 січня 2011 Стыдно признаться, рисую в Paint. Мне так привычней. тут (ссылка устарела) есть прога которая позволяет просто и быстро разработать электрическую схему щитка для жилищного строительства. прогой не пользовался, сам только что "Нарыл", на нашем украинском сайте этого бренда этой проги почему то нет. Если прога туфта- прошу написать об этом Посилання на коментар Поділитися на інших сайтах More sharing options...
engeneer Опубліковано: 13 січня 2011 Поділитись Опубліковано: 13 січня 2011 Вот закончил переделывать схему. На вводе в дом на каждую фазу поставил реле защитного отключения. Впринципе если с электриччеством будет всё плохо, то вместо ЗУБРов можно поставить стабилизаторы по 10 кВт. В остальном жду критику и советы. Хорошая схема, вроде, все учтено. Разве что наружное освещение можно хотя бы частично посадить на резервную фазу - десяток энергосберегаек по 7-9 Вт гену не перегрузят, а удобство длинными зимними вечерами ощутимое. Ну и розетки гаража-генераторной тоже стоит посадить на резерв - мало ли что нужно будет включить - переноску, зарядку для аккумулятора или инструмент какой. Посилання на коментар Поділитися на інших сайтах More sharing options...
san2301 Опубліковано: 14 січня 2011 Автор Поділитись Опубліковано: 14 січня 2011 Хорошая схема, вроде, все учтено. Разве что наружное освещение можно хотя бы частично посадить на резервную фазу - десяток энергосберегаек по 7-9 Вт гену не перегрузят, а удобство длинными зимними вечерами ощутимое. Ну и розетки гаража-генераторной тоже стоит посадить на резерв - мало ли что нужно будет включить - переноску, зарядку для аккумулятора или инструмент какой. Спасибо, замечания учту. Посилання на коментар Поділитися на інших сайтах More sharing options...
Nikalya Опубліковано: 14 січня 2011 Поділитись Опубліковано: 14 січня 2011 - группа "розетка холодильника - питание газовой плиты" достаточно кабеля 3х1,5 мм кв - на кондер забыли указать сечение кабеля - зачем на вводе по фазе А и В УЗО на 30мА, если такое же УЗО стоит чуть дальше на розеточных группах? возможно на вводе имелось ввиду УЗО на 300мА от пожара? - учтите, что в паспорте к ЗУБРам написано: "Необходимо, чтобы ЗУБР коммутировал ток не более 2/3 максимального тока, указанного в паспорте. Если ток превышает это значение, то необходимо нагрузку подключить через контактор, который расчитан на даный ток" Посилання на коментар Поділитися на інших сайтах More sharing options...
ink_stroi Опубліковано: 14 січня 2011 Поділитись Опубліковано: 14 січня 2011 (змінено) По софту поищите такие kaztorka.org/torrent/info?torrentID=ef952609b12168da5d435bcfbf4157ec88da66aa kaztorka.org/torrent/info?torrentID=c069c309d15eddffc2eaa6c80122c67c57ed7404 С этих адресов скорее всего не скачаете, IP фильтрация. Может на своих(государство) торрент трекерах. Но само просто конечно в Excel, использовать ячейки. есть прога которая позволяет просто и быстро разработать электрическую схему щитка для жилищного строительства. electromirbel.ru/d/44693/d/opisanie_programmy_1-2-3-shema.pdf Вот закончил переделывать схему. N со всех УЗО не должен пересекаться. 1 УЗО после переключателя поставьте, вместо 2х на этой линии. Змінено 14 січня 2011 користувачем ink_stroi Посилання на коментар Поділитися на інших сайтах More sharing options...
san2301 Опубліковано: 14 січня 2011 Автор Поділитись Опубліковано: 14 січня 2011 - группа "розетка холодильника - питание газовой плиты" достаточно кабеля 3х1,5 мм кв Я закладываю кабель 2.5, для унификации. Как говориться запас карман не тянет. - на кондер забыли указать сечение кабеля Сечение будет 2.5, у меня в планах установить 2 мультисистемы, т.е. на один наружный блок - два внутренних. - зачем на вводе по фазе А и В УЗО на 30мА, если такое же УЗО стоит чуть дальше на розеточных группах? возможно на вводе имелось ввиду УЗО на 300мА от пожара? УЗО на 300мА будет стоять общее на весь дом в уличном щитке (защита от пажара), по фазам 1L и 2L УЗО стоят в начале, на фазе 3L УЗО стоят на розеточных группах. Сделано это для того, что бы не ставить УЗО на котельную группу, т.к. там будет стоять ИБП (надеюсь с встроенными защитами). УЗО на котельной группе, при случайном срабатывании выключит всё отопление и др важные системы запитанные от ИБП. - учтите, что в паспорте к ЗУБРам написано: "Необходимо, чтобы ЗУБР коммутировал ток не более 2/3 максимального тока, указанного в паспорте. Если ток превышает это значение, то необходимо нагрузку подключить через контактор, который расчитан на даный ток" Вопрос с ЗУБРОМ не окончательный, думаю всё таки поставить стабилизаторы на фазы мощностью 10 кВт каждый. Может поставить 3-х фазный, тогда он должен быть какой мощности? Посилання на коментар Поділитися на інших сайтах More sharing options...
Nikalya Опубліковано: 14 січня 2011 Поділитись Опубліковано: 14 січня 2011 УЗО на 300мА будет стоять общее на весь дом в уличном щитке (защита от пажара), по фазам 1L и 2L УЗО стоят в начале, на фазе 3L УЗО стоят на розеточных группах. Сделано это для того, что бы не ставить УЗО на котельную группу, т.к. там будет стоять ИБП (надеюсь с встроенными защитами). УЗО на котельной группе, при случайном срабатывании выключит всё отопление и др важные системы запитанные от ИБП. это я недосмотрел, сорри. понял я Вашу идею, нормалек Посилання на коментар Поділитися на інших сайтах More sharing options...
Nikalya Опубліковано: 14 січня 2011 Поділитись Опубліковано: 14 січня 2011 мощность 45 (3x15) кВА. например (ссылка устарела) Посилання на коментар Поділитися на інших сайтах More sharing options...
san2301 Опубліковано: 14 січня 2011 Автор Поділитись Опубліковано: 14 січня 2011 Сейчас думаю о защите домашней эл. сети от импульсных перенапряжений (разряд молнии). Насколько это необходимо для часного дома и как правильно реализовать: 1. С помощью разрядников или варисторов? 2. Стоит ли городить несколько ступеней защиты? 3. Насколько это дорогое удовольствие? Посилання на коментар Поділитися на інших сайтах More sharing options...
engeneer Опубліковано: 14 січня 2011 Поділитись Опубліковано: 14 січня 2011 Вопрос с ЗУБРОМ не окончательный, думаю всё таки поставить стабилизаторы на фазы мощностью 10 кВт каждый. Может поставить 3-х фазный, тогда он должен быть какой мощности? Все "трехфазные стабилизаторы" - просто три однофазных, размещенных в одной этажерке. Это относится ко всем производителям, и это правильно: перекос фаз в наших сетях может быть существенным, и каждый прибор независимо вытягивает свою фазу. В некоторых "трехфазных" ставят т.н. "синхронизатор", проще говоря, реле фазы, которое отключает все три фазы при пропадании одной. Это нужно для электродвигателей, но для дома эта опция вредна - зачем вырубать все при пропадании одной из фаз?! Если будут трехфазные двигатели (скажем. на кондиционерах), лучше только их защитить локальными реле фазы. С точки зрения ремонта, три отдельных корпуса намного удобнее. Посилання на коментар Поділитися на інших сайтах More sharing options...
ink_stroi Опубліковано: 15 січня 2011 Поділитись Опубліковано: 15 січня 2011 Во всех распределительных шкафах не хватает вводных АВ 3Р. Для гаража 1 розетку для 3х фазного потребителя лучше иметь, чем не иметь. Посилання на коментар Поділитися на інших сайтах More sharing options...
Kostja Опубліковано: 15 січня 2011 Поділитись Опубліковано: 15 січня 2011 Схема хорошая, но у Вас входные УЗО шунтированы по нулю (про то, что они шунтированы между собой уже писали). Для чего так сделано? Посилання на коментар Поділитися на інших сайтах More sharing options...
sanykrimea Опубліковано: 15 січня 2011 Поділитись Опубліковано: 15 січня 2011 Во всех распределительных шкафах не хватает вводных АВ 3Р. Зачем вводные? Каждая группа на своём АВ. Посилання на коментар Поділитися на інших сайтах More sharing options...
ink_stroi Опубліковано: 15 січня 2011 Поділитись Опубліковано: 15 січня 2011 Зачем вводные? Каждая группа на своём АВ.Не понял, где эти АВ? Например шкаф 2го этажа. В него идет 3 фазы, и они сразу идут на группы АВ. То есть в случае необходимости нужно обесточить весь дом (вводной АВ дома или рубильник) или в этом шкафу поставить вводной/групповой АВ 3Р. Еще, где то идет в щит 2 фазы(особенно в гараже, где легко может понадобиться 3х фазное подключение потребителя), где то 3, все таки лучше везде 3. Посилання на коментар Поділитися на інших сайтах More sharing options...
sanykrimea Опубліковано: 15 січня 2011 Поділитись Опубліковано: 15 січня 2011 Не понял, где эти АВ? Например шкаф 2го этажа. В него идет 3 фазы, и они сразу идут на группы АВ. То есть в случае необходимости нужно обесточить весь дом В случае необходимости можно отключить 11 АВ в групповом щитке 2-го этажа. Зачем их ещё дублировать? Посилання на коментар Поділитися на інших сайтах More sharing options...
ink_stroi Опубліковано: 15 січня 2011 Поділитись Опубліковано: 15 січня 2011 В случае необходимости можно отключить 11 АВ в групповом щитке 2-го этажа. Зачем их ещё дублировать?11 АВ это если работать на линии, а если в щитке? Посилання на коментар Поділитися на інших сайтах More sharing options...
san2301 Опубліковано: 15 січня 2011 Автор Поділитись Опубліковано: 15 січня 2011 Продолжаю "тюнинг" своей схемы. Заменил ЗУБРы на стабилизаторы, так мне кажется правильней. Предусмотрел 3-х фазную розетку в гараже, так же предусмотрел реле выбора фаз с приоритетом фазы 3L - это на случай проподания этой фазы, от которой запитаны важные потребители. Предпологаю поставить защиту от перенапряжений (молниезащита), она на схеме присутствует. Пока всё, но ещё есть идеи и работаю над схемой дальше. Посилання на коментар Поділитися на інших сайтах More sharing options...
engeneer Опубліковано: 15 січня 2011 Поділитись Опубліковано: 15 січня 2011 Пока всё, но ещё есть идеи и работаю над схемой дальше. У себя сделал примерно так же, но с небольшим дополнением. От аккумулятора ИБП развел по дому 12 В для ночных подсветок и аварийных LED-светильничков. Решение оказалось удобным и практичным, потому всем его рекомендую с завидной настойчивостью, как уже отмечали коллеги-форумчане Даже если генератор на автомате, возможны случаи сбоев, а фонарик не всегда окажется под рукой. Посилання на коментар Поділитися на інших сайтах More sharing options...
ink_stroi Опубліковано: 15 січня 2011 Поділитись Опубліковано: 15 січня 2011 Продолжаю "тюнинг" своей схемы. ...так же предусмотрел реле выбора фаз с приоритетом фазы 3L - это на случай проподания этой фазы, от которой запитаны важные потребители. ...Касательно тюнинга (исправления N от вводных УЗО) N с разных УЗО пересекаться не должны. Теперь вы ввели переключатель фаз, а N кто переключать будет, опять же УЗО сработает, либо подключать до верхних УЗО (установленных на L1, L2). Так как выделенную мощность не знаю, но УЗО на 40А идут, то от этого и отталкивался. В основном переключатели идут до 20А. Вот Шнайдеровский переключатель, но выбрать можно только между 2мя фазами, а не 3мя. Либо использовать реле выбора фаз и контакторы.Переключатель.doc Посилання на коментар Поділитися на інших сайтах More sharing options...
Dalet Опубліковано: 16 січня 2011 Поділитись Опубліковано: 16 січня 2011 Продолжаю "тюнинг" своей схемы. Заменил ЗУБРы на стабилизаторы, так мне кажется правильней. Предусмотрел 3-х фазную розетку в гараже, так же предусмотрел реле выбора фаз с приоритетом фазы 3L - это на случай проподания этой фазы, от которой запитаны важные потребители. Предпологаю поставить защиту от перенапряжений (молниезащита), она на схеме присутствует. Пока всё, но ещё есть идеи и работаю над схемой дальше. По переключателю фаз решение правильное, но его нужно включать между стабилизатором и дифом, иначе диф будет выбивать как заметил ink stroi. Сам переключатель фаз с встроенными реле расчитан на ток до 16А, если найдете более мощное то это хорошо, но всеже там стоят реле, а это по надежности не очень гуд. Для исключения возможности подгорания контактов реле я использую ПЭФ-301 и дополнительные контакторы, тогда пропускная мощность зависит уже от мощности контакторов. Посилання на коментар Поділитися на інших сайтах More sharing options...
san2301 Опубліковано: 16 січня 2011 Автор Поділитись Опубліковано: 16 січня 2011 Касательно тюнинга (исправления N от вводных УЗО) N с разных УЗО пересекаться не должны. Теперь вы ввели переключатель фаз, а N кто переключать будет, опять же УЗО сработает, либо подключать до верхних УЗО (установленных на L1, L2). Так как выделенную мощность не знаю, но УЗО на 40А идут, то от этого и отталкивался. В основном переключатели идут до 20А. Вот Шнайдеровский переключатель, но выбрать можно только между 2мя фазами, а не 3мя. Либо использовать реле выбора фаз и контакторы. Я не совсем понимаю смысл разводки нуля к каждой фазе. Ведь заходит три фазы и общий ноль, этот ноль один для трёх фаз. Если я ставлю УЗО на каждую фазу, то почему надо дальше разводить нули под каждую фазу отдельно. Насколько это критично. У меня по схеме реле фаз комутирует только фазы, т.е. при пропадании фазы 3L, реле автоматически кпереключается на фазу 2L если она отсутствует, то на фазу 1L. Таким образом нагрузка висящая на 3L параллелится с "живой" фазой 2L или 1L. При этом ноль у них общий. Не совсем понимаю в чём ошибка. Пожалуйста объясните, почему такая схема не работоспособна. Посилання на коментар Поділитися на інших сайтах More sharing options...
sanykrimea Опубліковано: 16 січня 2011 Поділитись Опубліковано: 16 січня 2011 Если я ставлю УЗО на каждую фазу, то почему надо дальше разводить нули под каждую фазу отдельно. УЗО сравнивает токи по фазе и нейтрали, при несовпадении - отключает цепь. Если по фазе одного УЗО идёт 10А, по фазе другого - 6А, то ток по нейтрали каждого (при объединении) будет по 8 А. Сработает одно из них или оба. Посилання на коментар Поділитися на інших сайтах More sharing options...
Рекомендовані повідомлення
Створіть акаунт або увійдіть у нього для коментування
Ви маєте бути користувачем, щоб залишити коментар
Створити акаунт
Зареєструйтеся для отримання акаунта. Це просто!
Зареєструвати акаунтУвійти
Вже зареєстровані? Увійдіть тут.
Увійти зараз