murava Опубліковано: 26 червня 2013 Поділитись Опубліковано: 26 червня 2013 Котел Buderus GB 112, косвенник - Buderus SU 200 Схемы есть описаны (ссылка устарела). По сути всё верно, но как по мне, такую машину надо вязать с автоматикой 4121, а не по-простому : вся суть этого котла теряется. 1 Посилання на коментар Поділитися на інших сайтах More sharing options...
FOX.kissfm Опубліковано: 26 червня 2013 Поділитись Опубліковано: 26 червня 2013 (змінено) Схемы есть описаны (ссылка устарела). По сути всё верно, но как по мне, такую машину надо вязать с автоматикой 4121, а не по-простому : вся суть этого котла теряется. я думал подешевле - RC35.... с погодозависимой.... или его не хватит? Змінено 26 червня 2013 користувачем FOX.kissfm Посилання на коментар Поділитися на інших сайтах More sharing options...
Анатолий62 Опубліковано: 26 червня 2013 Поділитись Опубліковано: 26 червня 2013 4. ??? www.termet.com.pl/ru/produkty/gazowe_kondensacyjne_kotly_co/dwufunkcyjne/Ecocondens_25_DF/ теплообменник такой-же как у Вайлант, автоматика Хонивел. Посилання на коментар Поділитися на інших сайтах More sharing options...
murava Опубліковано: 26 червня 2013 Поділитись Опубліковано: 26 червня 2013 я думал подешевле - RC35.... с погодозависимой.... или его не хватит? Я думаю, 35я автоматика очень урезана для возможностей этого аппарата. Управление смесительным контуром для теплых полов - весьма нужная штука. 1 Посилання на коментар Поділитися на інших сайтах More sharing options...
IrokeZZ Опубліковано: 26 червня 2013 Поділитись Опубліковано: 26 червня 2013 www.termet.com.pl/ru/produkty/gazowe_kondensacyjne_kotly_co/dwufunkcyjne/Ecocondens_25_DF/ теплообменник такой-же как у Вайлант, автоматика Хонивел. Может быть. НО. Абсолютно не нашел предложений по Киеву, это раз. Не нашел сервиса - это два. Я не говорю, что у Termet Windsor 25 не найдется поставщика/сервисника, но для Вайланта намного проще и быстрее их найти.. Я не прав? 1 Посилання на коментар Поділитися на інших сайтах More sharing options...
Анатолий62 Опубліковано: 26 червня 2013 Поділитись Опубліковано: 26 червня 2013 (змінено) Абсолютно не нашел предложений по Киеву, это раз. Бульвар Лепсе, Евротерм -Львов (Киевское представительство). Не нашел сервиса - это два. Они-же обеспечивают сервис и гарантию. Монтажники-сервисмены есть и у меня. Так-что милости просим в личку (если что) но для Вайланта намного проще и быстрее их найти.. Что тут сказать....Рассмотрите ещё и ПантеруКонденс от Протерма- начинка с вайлант одинаковая..... ( Кстати Евротерм и их продает) И про Бош не забудьте))) Змінено 26 червня 2013 користувачем Анатолий62 1 Посилання на коментар Поділитися на інших сайтах More sharing options...
FOX.kissfm Опубліковано: 26 червня 2013 Поділитись Опубліковано: 26 червня 2013 По сути всё верно, а что на счет гидрострелки? она не нужна когда больше одного контура? Просто в первом случае, на схеме Будеруса - все просто: Ветка подачи делиться трехходовым клапаном на отопление и ГВС и по автоматике все работает. А когда я хочу сделать ответвления на еще три контура.... как тут правильно поступить? кстати в моей схеме схеме клапан воздухосброса на кране выхода горячей воды, и клапан аварийного сброса на подаче холодной - нормально выполнят функцию "группы безопасности бойлера"? Посилання на коментар Поділитися на інших сайтах More sharing options...
FOX.kissfm Опубліковано: 27 червня 2013 Поділитись Опубліковано: 27 червня 2013 вот еще нарыл схему обвязки... никак не могу понять назначение гидрострелки при использовании одного котла (в этой схеме котлов 2, но ГС рисуется производителями и для однокотловых схем) В простом случае, когда есть ветка радиаторов и бойлер, все легко - ставится трехходовой клапан и разруливает между отоплением и ГВС. И я так понимаю летом - этот трехходовик вообще находится в одном положении ГВС. И тут, как появляются еще контура, ситуация усложняется.... Помогите разобраться по схеме... 1.Нужна ли гидрострелка перед гребенкой, почему ее тулят даже для однокотловых схем? 2.Если я правильно понимаю, то летом ГРЕТЬ ОДНОВРЕМЕННО отопление и бойлер, который висит на ОБЩЕЙ гребенке - не дает ЗАКРЫТИЕ контуров отопления? Это получается надо делать вручную? 3.Узлы быстрого монтажа, я использовать не буду - шибко дорого получается ))) соответсвенно можно ли выбросить какие то насосы? А то их очень много получается... 4.Адаптировал стандартную схему под свои условия... все ли правильно, можно ли узлы быстрого монтажа.... или их самосборный вариант размещать на удалении от гребенки (в виду малого пространства) Посилання на коментар Поділитися на інших сайтах More sharing options...
murava Опубліковано: 27 червня 2013 Поділитись Опубліковано: 27 червня 2013 вот еще нарыл схему обвязки... Меньше ройте, будет меньше болеть голова 1.Нужна ли гидрострелка перед гребенкой, почему ее тулят даже для однокотловых схем? Нужна. Это связано с особенностями работы и управления ККотлами. Позволяет экономить. Почему - долго рассказывать, это описано в спецлитературе. Примите это как аксиому, точнее как ёё часть. В полном виде она звучит как утверждение, что для максимально эффективной работы КК обвязка должна иметь гидрострелку, штатную автоматику управления, обратную связь с помещением (программатор или регулятор) и погодозависимую автоматику. 2.Если я правильно понимаю, то летом ГРЕТЬ ОДНОВРЕМЕННО отопление и бойлер, который висит на ОБЩЕЙ гребенке - не дает ЗАКРЫТИЕ контуров отопления? Это получается надо делать вручную? Каждая модель КК у каждого производителя имеет свою штатную схему обвязки (или несколько схем). Алгоритм работы по этим схемам поддерживает штатная автоматика. Поэтому собирайте как нарисовано в документах и не мешайте механизму работать, пытаясь что-то допилить вручную... Адаптировал стандартную схему под свои условия... Зачем? Лучше посоветуйтесь непосредственно с исполнителем. Покамест Вы в ситуации придумывания велосипеда. Причем Вы купили очень дорогие и качественные колёса , но всячески пытаетесь им придать квадратную форму для езды по шоссе. 1 Посилання на коментар Поділитися на інших сайтах More sharing options...
FOX.kissfm Опубліковано: 27 червня 2013 Поділитись Опубліковано: 27 червня 2013 Меньше ройте, будет меньше болеть голова Нужна. Это связано с особенностями работы и управления ККотлами. Позволяет экономить. Почему - долго рассказывать, это описано в спецлитературе. Примите это как аксиому, точнее как ёё часть. В полном виде она звучит как утверждение, что для максимально эффективной работы КК обвязка должна иметь гидрострелку, штатную автоматику управления, обратную связь с помещением (программатор или регулятор) и погодозависимую автоматику. Понял, значит буду ставить. есть ли смысл ставить супер "умную" )) стрелку Meibes MHK 32? Или вполне достаточно заказать из нержавки? Каждая модель КК у каждого производителя имеет свою штатную схему обвязки (или несколько схем). Алгоритм работы по этим схемам поддерживает штатная автоматика. Просто в штатной схеме - там где краны с сервоприводами - там понятно, их автоматика закроет, а на радиаторы и бойлер идет прямой узел, без смесителя и я подумал что надо ручками шаровый кран закрывать... или там насосом перекроется? Зачем? Лучше посоветуйтесь непосредственно с исполнителем. Дело в том, что бюджет ограничен, и основная часть пойдет на котел с бойлером, а большую часть обвязки хочу сделать самостоятельно. Что касается "адаптировал", то я имел в виду вынос насосных групп гаража и флигеля в другое здание (в гараж и флигель соответсвенно), можно ли так делать? Или они должны все быть возле котла, а дальше только трубы? Посилання на коментар Поділитися на інших сайтах More sharing options...
murava Опубліковано: 27 червня 2013 Поділитись Опубліковано: 27 червня 2013 есть ли смысл ставить супер "умную" )) стрелку Meibes MHK 32? Или вполне достаточно заказать из нержавки? По моему мнению - не имеет. Просто в штатной схеме - там где краны с сервоприводами - там понятно, их автоматика закроет, а на радиаторы и бойлер идет прямой узел, без смесителя и я подумал что надо ручками шаровый кран закрывать... или там насосом перекроется? В штатной схеме автоматика остановит насос отопления. Хотя есть возможность и параллельного нагрева... Дело в том, что бюджет ограничен, и основная часть пойдет на котел с бойлером, а большую часть обвязки хочу сделать самостоятельно. Что касается "адаптировал", то я имел в виду вынос насосных групп гаража и флигеля в другое здание (в гараж и флигель соответсвенно), можно ли так делать? Или они должны все быть возле котла, а дальше только трубы? В приницпе, место установки насосов значения не имеет, но зачем их разносить в пространстве? 1 Посилання на коментар Поділитися на інших сайтах More sharing options...
FOX.kissfm Опубліковано: 27 червня 2013 Поділитись Опубліковано: 27 червня 2013 По моему мнению - не имеет. В штатной схеме автоматика остановит насос отопления. Хотя есть возможность и параллельного нагрева... Ура, тут разобрался. )) В приницпе, место установки насосов значения не имеет, но зачем их разносить в пространстве? Причина банальная - мало места (((, дом не современный - котельной отдельно нет. Котел будет в кухне висеть и часть разводки под ним (закрою все это шкафом) А бойлер будет в подвале. Еще хотел уточнить на счет насосов.. В первом "пакете" на бойлер и контур радиаторов - хватает по схеме будеруса котлового насоса. А во втором они уже тулят доп насос на бойлер и доп насос на радиаторы.... Можно ли от них отказаться? Посилання на коментар Поділитися на інших сайтах More sharing options...
murava Опубліковано: 27 червня 2013 Поділитись Опубліковано: 27 червня 2013 ... Еще хотел уточнить на счет насосов.. .... А во втором они уже тулят доп насос на бойлер и доп насос на радиаторы.... Можно ли от них отказаться? Нет, нельзя. Посилання на коментар Поділитися на інших сайтах More sharing options...
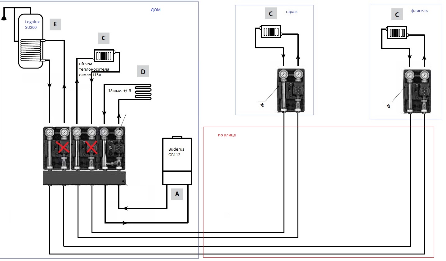
FOX.kissfm Опубліковано: 27 червня 2013 Поділитись Опубліковано: 27 червня 2013 (змінено) Нет, нельзя. проясните хоть немного почему? ((( то что на отдельные ветки свой насос, понимаю (гараж, флигель, ТП). остается бойлер и радиаторы...и котловой насос. Если поставить дополнительный только на радиаторы, а котловой будет качать в бойлер... или наоборот? большое спасибо за разьяснение, понемного складывается цельная картина. Вот что получается...отопление_v.2.pdf Змінено 27 червня 2013 користувачем FOX.kissfm Посилання на коментар Поділитися на інших сайтах More sharing options...
Korni Опубліковано: 27 червня 2013 Поділитись Опубліковано: 27 червня 2013 проясните хоть немного почему? ((( Популярное объяснение тут ....они уже тулят Схемы Будерус - одни из самых грамотных и продуманных. 1 Посилання на коментар Поділитися на інших сайтах More sharing options...
zuev Опубліковано: 27 червня 2013 Поділитись Опубліковано: 27 червня 2013 Схемы Будерус - одни из самых грамотных и продуманных. Исключительно по этой причине я люблю находить в них ошибки и потом тыкать туда немцев носом, чтобы не считали себя лидерами теплотехники. Посилання на коментар Поділитися на інших сайтах More sharing options...
Korni Опубліковано: 27 червня 2013 Поділитись Опубліковано: 27 червня 2013 Исключительно по этой причине я люблю находить в них ошибки и потом тыкать туда немцев носом, чтобы не считали себя лидерами теплотехники. И правильно. Им до лидера далеко. Посилання на коментар Поділитися на інших сайтах More sharing options...
гюго Опубліковано: 27 червня 2013 Поділитись Опубліковано: 27 червня 2013 Korni, Korni, обращаюсь к Вам как к специалисту по тёплым полам. Читал методичку по расчёту тёплого пола Uponor.Скачал на Вашей страничке. Меня вот что смущает. Спецы по штукатуркам стяжкам рекомендуют сушку стяжек производить из расчёта 1мм в сутки. То есть если я буду делать 70 мм это 70 дней, я вообще где-то вычитал что для тёплого пола до его включения надо сушить 3 месяца. В этой же методичке рнаписано, что можно сразу включать на 25 градусов, а через 17 дней можно выходить на расчётную температуру. Если 3 месяца, то времени на организацию этого дела у меня немного, но ещё меньше осталось денег, так как в этом сезоне сделал очень много работ. А вот с сентября у меня опять будут финансы и возможность продолжить работы. Отсюда и желание сэкономить на времени сушки стяжки. Буду благодарен за скорый ответ. Посилання на коментар Поділитися на інших сайтах More sharing options...
murava Опубліковано: 27 червня 2013 Поділитись Опубліковано: 27 червня 2013 .... Вот что получается... У Вас при работе с 4121 автоматикой должно получиться только три насоса: насос бойлера, насос смесительного контура (теплые полы) и насос прямого контура (на него можно повесить все остальное: дом,флигель, гараж и даже соседа - нет смысла городить насос на каждую ветку). Только насосы выбрать подходящие по напору и расходу. Но єто совсем иная история... 1 Посилання на коментар Поділитися на інших сайтах More sharing options...
FOX.kissfm Опубліковано: 27 червня 2013 Поділитись Опубліковано: 27 червня 2013 Популярное объяснение тут но по этой схеме, если я правильно понимаю, в коллекторе как в гидрострелке должна быть объеденена обратка и подача... что бы получилось "первичное кольцо"...или что они понимают под первичным кругом? Посилання на коментар Поділитися на інших сайтах More sharing options...
FOX.kissfm Опубліковано: 27 червня 2013 Поділитись Опубліковано: 27 червня 2013 У Вас при работе с 4121 автоматикой должно получиться только три насоса: насос бойлера, насос смесительного контура (теплые полы) и насос прямого контура (на него можно повесить все остальное: дом,флигель, гараж и даже соседа - нет смысла городить насос на каждую ветку). Только насосы выбрать подходящие по напору и расходу. Но єто совсем иная история... я так понимаю, оба варианта рабочие?! -если городить на каждый контур свой насос - дороже, но модульнее и легче посчитать -если обьеденить все радиаторные контуры (дом, гараж, флигель) в один - дешевле, но сложнее с гидравликой?! или в ПЕРВОМ случае автоматика не охватит все контуры? скажите, а зачем нужен перепускной клапан между подачей и обраткой радиаторного контура? (я так понимаю на вашем фото средняя ветка) Добавлено через 5 минут еще сориентируйте в ценовом диапазоне.... как лучше поступить...взять пакетно предложение Будерус (GB 112-29, SU200W, 4121....) или взять отдельно GB 112-29, SU200W и автоматику Кромшредер? тут вот www.hydrotherm.ru/proba/phorum/read.php?1,455 "Мы специализируемся и на "родной" автоматике BUDERUS и на Кромшредер и на Хоневел. Автоматика BUDERUS хороша. И если клиента устраивает цена предложения, то дальше можно и не рассуждать. Но на автоматике КромШредер (Германия) при равной функциональности можно дать предложение почти вдвое лучшее, чем может получиться на автоматике Будерус. Ценовая и функциональная картинка становится еще лучше, когда мы применяем готовую сборку гидравлика-автоматика" провели аналогию между автоматикой... а я честно говоря не то что тонкостей, в общем не совсем понимаю отличия.... Посилання на коментар Поділитися на інших сайтах More sharing options...
Korni Опубліковано: 27 червня 2013 Поділитись Опубліковано: 27 червня 2013 .или что они понимают под первичным кругом? См. приложение. 1 Посилання на коментар Поділитися на інших сайтах More sharing options...
Korni Опубліковано: 27 червня 2013 Поділитись Опубліковано: 27 червня 2013 Отсюда и желание сэкономить на времени сушки стяжки. Буду благодарен за скорый ответ. Основной термин для понимания процесса - гидратация цемента Гидратация – это химическая реакция между цементом и водой, в результате которой получается цементная кристаллическая структура, которая связывает заполнитель и образует твердую массу. Это продолжающийся процесс, который начинается в тот момент, когда портландцемент вступает в контакт с водой. Он продолжается до тех пор, пока цемент и вода находятся в близком контакте. Два других фактора, которые влияют на развитие прочности – это температура, при которой бетон выдерживается и тип цемента, который используется. Во время процесса гидратации образуется гель тоберморит – это мельчайшая кристаллическая структура, которая составляет основную цементирующую среду портландцементного бетона. Благодаря его постепенному образованию происходит набор прочности портландцемента. Период 100% набора прочности бетоном - 28 дней. Через 3 месяца прочность будет составлять 115% расчетные периоды структурообразования: I – период образования первоначальной структуры; II – период упрочнения структуры; III – период стабилизации структуры С помощью температуры или добавок изменяют, в основном, только период образования первоначальной структуры. Но 100% гидратация все равно происходит к 28 дню. 1 Посилання на коментар Поділитися на інших сайтах More sharing options...
murava Опубліковано: 28 червня 2013 Поділитись Опубліковано: 28 червня 2013 я так понимаю, оба варианта рабочие?! Если подходить к вопросу формально - рабочие. Тоесть задачу "греть" они решат. скажите, а зачем нужен перепускной клапан между подачей и обраткой радиаторного контура? (я так понимаю на вашем фото средняя ветка) Чтобы сто-то перепускать Дабы в случае перекрывания всех батарей головками насос не качал в стену, а замкнулся сам на себя. еще сориентируйте в ценовом диапазоне.... как лучше поступить...взять пакетно предложение Будерус (GB 112-29, SU200W, 4121....) или взять отдельно GB 112-29, SU200W и автоматику Кромшредер? В ценовом решении думаю, что второй вариант будет дешевле. НО ... Но на автоматике КромШредер (Германия) при равной функциональности можно дать предложение почти вдвое лучшее, чем может получиться на автоматике Будерус. Люблю продаванов. Абы шото продать. Это хорошо - мне потом больше переделывать... Оно-то конечно так, но будерус не поддерживает шину КШ, потому управление котлом будет по "релейной" схеме, что весьма урезает возможности и функционал, а соответсвенно и экономичность... Проиллюстрирую на примере прогулки по лесу: При неродной атоматике Вам поступает только пара команд: бежим или стоим. При родной атоматике - пошли, быстрее, чуть быстрее, легонько побежали, побежали быстро, ускорились, приостановились, пропустили бегущего, побежали, перешли на шаг, отдохнули, побежали дальше, посмотрели по сторонам .. и т.д. Родная атоматика гибче, имеет свой алгоритм общения с котлом и проч. Уже говорил, не мешайте механизьму работать ... а я честно говоря не то что тонкостей, в общем не совсем понимаю отличия.... Любая профессия - заговор против непосвященного. 1 Посилання на коментар Поділитися на інших сайтах More sharing options...
FOX.kissfm Опубліковано: 28 червня 2013 Поділитись Опубліковано: 28 червня 2013 (змінено) В ценовом решении думаю, что второй вариант будет дешевле. НО ... Люблю продаванов. Абы шото продать. Это хорошо - мне потом больше переделывать... Оно-то конечно так, но будерус не поддерживает шину КШ, потому управление котлом будет по "релейной" схеме, что весьма урезает возможности и функционал, а соответсвенно и экономичность... Проиллюстрирую на примере прогулки по лесу: При неродной атоматике Вам поступает только пара команд: бежим или стоим. При родной атоматике - пошли, быстрее, чуть быстрее, легонько побежали, побежали быстро, ускорились, приостановились, пропустили бегущего, побежали, перешли на шаг, отдохнули, побежали дальше, посмотрели по сторонам .. и т.д. Родная атоматика гибче, имеет свой алгоритм общения с котлом и проч. Уже говорил, не мешайте механизьму работать Понял. нафиг это. )) Все родное должно быть. Чтобы сто-то перепускать Дабы в случае перекрывания всех батарей головками насос не качал в стену, а замкнулся сам на себя. Любая профессия - заговор против непосвященного. )) это точно, у нас ITшников то же самое )) Если подходить к вопросу формально - рабочие. Тоесть задачу "греть" они решат. чувствую в слове формальные есть подвох? )) В базовом наборе 4121 нет возможностью рулить сразу несколькими радиаторными контурами....подвох в этом? То есть их несколько насосов можно на одну клемму повесить, но они будут все равно одним сигналом управляться?! А что бы управлять паралельно надо доставлять еще модуль управления контуром? Почему меня беспокоит этот вопрос.... одно дело когда это два этажа одного дома...а тут как бы отдельное строение со своими теплопотереми.... сможет ли автоматика на двух последовательных контурах с одним насом создать комфортные условия? Но что меня очень радует, благодаря Вам и форуму в целом все вроде свелось к 4м схемам. Осталось определить наилучшую ))) что интересно, сам Будерус (см. схемы) не может определиться )))....ну или дает эту возможность потребителю.... Змінено 28 червня 2013 користувачем FOX.kissfm Посилання на коментар Поділитися на інших сайтах More sharing options...
Рекомендовані повідомлення
Створіть акаунт або увійдіть у нього для коментування
Ви маєте бути користувачем, щоб залишити коментар
Створити акаунт
Зареєструйтеся для отримання акаунта. Це просто!
Зареєструвати акаунтУвійти
Вже зареєстровані? Увійдіть тут.
Увійти зараз