vasyaru Опубліковано: 3 листопада 2015 Поділитись Опубліковано: 3 листопада 2015 (змінено) Котел Житомир 9,комбинированый-газ плюс дрова.thermolux.com.ua/products/zhitomir-9-kombinirovannyj-kotel-1612kvt-i-2015kvt-gaztverdoe-toplivo Мощность:газ-16 квт,ТТ-12 квт... Там два дымохода выходят с котла.Старый Кст 16 был,там ниже дымоход и квадратный,сейчас хочу сделать что бы меньше переделывать чуть выше в ту же трубу вывести один дымоход.с газового отдела и рядом вывести с тт отдела,и потом через 50см ввести в одну трубу 250 мм.Это как вариант.Но всеравно вывод с одного с отделении буду делать с труб разного диаметра.Поэтому и спрашиваю,можно ли так сделать,и не будет ли это мешать нормальному выходу дыма с котла? Змінено 3 листопада 2015 користувачем vasyaru Посилання на коментар Поділитися на інших сайтах More sharing options...
SON Опубліковано: 4 листопада 2015 Поділитись Опубліковано: 4 листопада 2015 Под газ. часть котла диаметр дымохода не менее 120 мм, под твердотопливную не менее160 мм. Высота не менее 5 метров. Асбоцементная труба под твердое топливо не катит. Проясняйте что есть по факту. Два теплогенератора посадить на один дымоход можно, но придется очень сильно бодаться с газовщиками. Если уверенности в своих силах нет, садить газ котел на существующий дымоход, под дровяной делать отдельный дымоход. 1 Посилання на коментар Поділитися на інших сайтах More sharing options...
vasyaru Опубліковано: 4 листопада 2015 Поділитись Опубліковано: 4 листопада 2015 Почему асбестоцементная на ТТ не катит? А можно выход с ТТ отдела сделать 128мм(это с котла) котле,потом тройник 125(через переходник),потом дымоход труба 5 метров диаметр 120 см ? Неужели не будет работать ТТ отдел на таком диаметре(120 мм)? В принципе в инструкции к котлу разрешено выход в два дымохода а потом один но на расстоянии 50 см... Или не разрешат газовщики? Посилання на коментар Поділитися на інших сайтах More sharing options...
AndyAntonov Опубліковано: 4 листопада 2015 Поділитись Опубліковано: 4 листопада 2015 Почему асбестоцементная на ТТ не катит?При +300°С начинается разрушение асбоцемента. А ТТ слишком легко превышает эти самые градусы. А уж если сажа загорится… 2 Посилання на коментар Поділитися на інших сайтах More sharing options...
vasyaru Опубліковано: 4 листопада 2015 Поділитись Опубліковано: 4 листопада 2015 А дюраливые(с поливочной системы )труба можно?У нас стоят у многих и асбестоцементные и дюраливые и на газ и на ТТ. А тройник с оцинкованного железа можно на ТТ отдел? Посилання на коментар Поділитися на інших сайтах More sharing options...
SON Опубліковано: 4 листопада 2015 Поділитись Опубліковано: 4 листопада 2015 Почему асбестоцементная на ТТ не катит? Стоят у многих, но это до поры до времени. Вся ответственность за сгоревший дом будет на Вас. А можно выход с ТТ отдела сделать 128мм(это с котла) котле,потом тройник 125(через переходник),потом дымоход труба 5 метров диаметр 120 см ? Учитывая, что мощность ТТ всего 12 квТ можно пробовать. Но при старте или дозакладке дров возможно поддымливание в хату. В принципе в инструкции к котлу разрешено выход в два дымохода а потом один но на расстоянии 50 см... Или не разрешат газовщики? В кирпичный, керамический или железный можно. Подключение в один дымоход с разносом в 0,5 м по вертикали, или применение рассечки. По АЦ трубе Абиснил. Газовщики не любят два выхлопа в одну трубу. Чтоб бодаться с Аленями нужно четко изучить нормативную базу. Посилання на коментар Поділитися на інших сайтах More sharing options...
AndyAntonov Опубліковано: 4 листопада 2015 Поділитись Опубліковано: 4 листопада 2015 Чтоб бодаться с Аленями нужно четко изучить нормативную базу.ДБН на устройство теплогенераторов.. 1 Посилання на коментар Поділитися на інших сайтах More sharing options...
SON Опубліковано: 4 листопада 2015 Поділитись Опубліковано: 4 листопада 2015 Приложение Ж ГАЗОСНАБЖЕНИЕ ДБН В.2.5-20-2001 2 Посилання на коментар Поділитися на інших сайтах More sharing options...
vasyaru Опубліковано: 4 листопада 2015 Поділитись Опубліковано: 4 листопада 2015 Я хочу вывести газ в старую асбестовую,просто сделав в ней дырку чуть выше старого шиберта,что бы не валять трубу,вставить туда с котла трубу,потом рядом вывести с тт отдела поднять выше на сантиметров 50-70 от входа газового отдела,и сбоку коленом с оцинковки вставить в ту же самую трубу.Понятно что газовщики найдут причину.Но мне важенея,что бы котел работал нормально без перебоев. Что это означает:По АЦ трубе Абиснил Посилання на коментар Поділитися на інших сайтах More sharing options...
SON Опубліковано: 4 листопада 2015 Поділитись Опубліковано: 4 листопада 2015 Что это означает:По АЦ трубе Абиснил Стоят у многих, но это до поры до времени. Вся ответственность за сгоревший дом будет на Вас. ................... Посилання на коментар Поділитися на інших сайтах More sharing options...
vasyaru Опубліковано: 4 листопада 2015 Поділитись Опубліковано: 4 листопада 2015 Ну незнаю.Неужели выход с тт котла будет настолько горяч?Там до 200 никогда не дойдет.Кстати нам когда делали водяное отопление,и котел кст 16 ставили под уголь,пока газа не было,в начале 90 х,именно эту трубу заставили ставить. Посилання на коментар Поділитися на інших сайтах More sharing options...
SON Опубліковано: 4 листопада 2015 Поділитись Опубліковано: 4 листопада 2015 Ну незнаю.Неужели выход с тт котла будет настолько горяч?Там до 200 никогда не дойдет. Выхлоп ТТ котлов прим. 240 гр. Возгорание сажи - прим. 1000 гр. Если регулярно чистить сажу и не топить всякой хренью, АЦ труба может служить. Но при возгорании сажи ей придет пушной зверек. И ежли на чердаке она не обложена кирпичем, то вероятность пожара очень высокая. 1 Посилання на коментар Поділитися на інших сайтах More sharing options...
vasyaru Опубліковано: 4 листопада 2015 Поділитись Опубліковано: 4 листопада 2015 Тогда понятно...А вообще в остальном,как вы считаете можно так как я написал сделать? Посилання на коментар Поділитися на інших сайтах More sharing options...
SON Опубліковано: 4 листопада 2015 Поділитись Опубліковано: 4 листопада 2015 .А вообще в остальном,как вы считаете можно так как я написал сделать? Нарисуйте/опишите что имеется таксать "мордально". Где и из чего проходит дымоход, высота и т.п. Собирать дописки из ваших постов, чтоб сложить картинку пока затрудняюсь. 1 Посилання на коментар Поділитися на інших сайтах More sharing options...
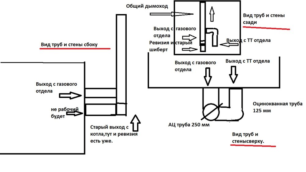
vasyaru Опубліковано: 4 листопада 2015 Поділитись Опубліковано: 4 листопада 2015 Вот такое хочу сделать(левая картинка) или так(правая картинка).. Посилання на коментар Поділитися на інших сайтах More sharing options...
SON Опубліковано: 5 листопада 2015 Поділитись Опубліковано: 5 листопада 2015 АЦ труба на вашей совести. 1 Посилання на коментар Поділитися на інших сайтах More sharing options...
vasyaru Опубліковано: 5 листопада 2015 Поділитись Опубліковано: 5 листопада 2015 Вот так приблизительно будет...Как вы думаете,можно ? Про АЦ трубу я понял... Посилання на коментар Поділитися на інших сайтах More sharing options...
SON Опубліковано: 5 листопада 2015 Поділитись Опубліковано: 5 листопада 2015 ТТ не любят лишние повороты дымохода, особенно сразу от котла. Если конструктивно получается, то ТТ подключить максимально возможно по прямой, газовый с поворотами/коленами. Т.е. поменять подключения к трубе местами. 1 Посилання на коментар Поділитися на інших сайтах More sharing options...
vasyaru Опубліковано: 6 листопада 2015 Поділитись Опубліковано: 6 листопада 2015 А можно разве дымоходы типа перекрестно сделать? И еще:на каком расстоянии можно размещать дымоход от газовой трубы,что идет к котлу? Посилання на коментар Поділитися на інших сайтах More sharing options...
SON Опубліковано: 6 листопада 2015 Поділитись Опубліковано: 6 листопада 2015 А можно разве дымоходы типа перекрестно сделать? Перекрещиваться они будут тока в проекции, да и то не совсем. Будут друг над другом. И еще:на каком расстоянии можно размещать дымоход от газовой трубы,что идет к котлу? Не нормируется. Единственное требование - доступ к газ. трубе. 1 Посилання на коментар Поділитися на інших сайтах More sharing options...
vegan Опубліковано: 13 грудня 2015 Поділитись Опубліковано: 13 грудня 2015 А если ситуация: дымовой канал из полнотелого кирпича был запроектирован под камин и размер у него 27*27 см - можно ли к нему подключать чугунную печь или каминофен с патрубком в диаметре 150? Высота трубы достаточно большая 9м. Будет ли нормально растапливаться девайс? Посилання на коментар Поділитися на інших сайтах More sharing options...
yanka Опубліковано: 17 грудня 2015 Поділитись Опубліковано: 17 грудня 2015 А если ситуация: дымовой канал из полнотелого кирпича был запроектирован под камин и размер у него 27*27 см - можно ли к нему подключать чугунную печь или каминофен с патрубком в диаметре 150? Высота трубы достаточно большая 9м. Будет ли нормально растапливаться девайс?растапливаться то будет но при тлеющем режиме будет конденсат и им пропитается весь кирпич.Канал лучше гильзовать нержавейкой, в идеале--сендвич 150/250 1 Посилання на коментар Поділитися на інших сайтах More sharing options...
Рекомендовані повідомлення
Створіть акаунт або увійдіть у нього для коментування
Ви маєте бути користувачем, щоб залишити коментар
Створити акаунт
Зареєструйтеся для отримання акаунта. Це просто!
Зареєструвати акаунтУвійти
Вже зареєстровані? Увійдіть тут.
Увійти зараз