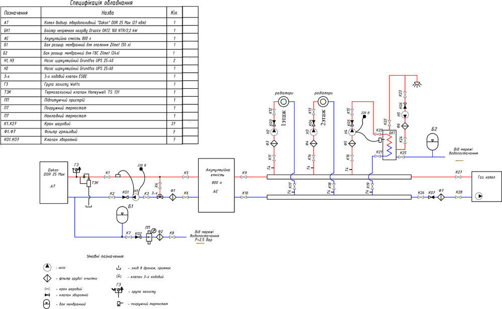
wasatech Опубліковано: 30 червня 2011 Поділитись Опубліковано: 30 червня 2011 всем привет! Задача, есть домик небольшой 160м2 прошу покритиковать схему отопления на ТТ + ГВС. котел Стальной твердотопливный DAKON DOR 25 MAX / DOR 25 WCL, мощность8-27 кВт спасибо. Посилання на коментар Поділитися на інших сайтах More sharing options...
Сергей 31 Опубліковано: 30 червня 2011 Поділитись Опубліковано: 30 червня 2011 Так все правильно НО: Т.А. нагревается до 90 градусов. Перед насосами радиаторных контуров поставить смесительные узлы. С подбором под температурный режим системы. С радиаторами двух этажей может справиться и один насос. Расширитель бойлера: дорисовать подрывник 6 Бар и обрат. клапан. 1 Посилання на коментар Поділитися на інших сайтах More sharing options...
naupv Опубліковано: 1 липня 2011 Поділитись Опубліковано: 1 липня 2011 Фильтров грязевых до-хрена, и при такой установке ничего не ловят, а грязюка остаеся в коллекторах. Достаточно одного после буфера на коллектора. Вопрос по 90град в ТА под вопросом, т.к. происходит перемес подачи с котла (допустим 90гр) и обратки с системы+нарисован ТЗК хоневел. 1 Посилання на коментар Поділитися на інших сайтах More sharing options...
ts3 Опубліковано: 1 липня 2011 Поділитись Опубліковано: 1 липня 2011 Фильтров грязевых до-хрена, и при такой установке ничего не ловят, а грязюка остаеся в коллекторах. Достаточно одного после буфера на коллектора. Вопрос по 90град в ТА под вопросом, т.к. происходит перемес подачи с котла (допустим 90гр) и обратки с системы+нарисован ТЗК хоневел. Я бы сделал диаметры труб от ТТ котла до теплоаккумулятора увеличенными, что бы в случае отключения электричества - оставалась естественная циркуляция. В этом случае нужно циркуляционный насос поставить на подачу и параллельно с насосом предусмотреть байпас с обратым клапаном. Места установки фильтров полностью соответствуют требованиям ДБН: ПЕРЕД теплообменниками перед насосами 1 Посилання на коментар Поділитися на інших сайтах More sharing options...
murava Опубліковано: 1 липня 2011 Поділитись Опубліковано: 1 липня 2011 ... что бы в случае отключения электричества - оставалась естественная циркуляция. ... А чем и как зашунтировать трехходовку, чтоб не завалила ЕЦ? 1 Посилання на коментар Поділитися на інших сайтах More sharing options...
ts3 Опубліковано: 1 липня 2011 Поділитись Опубліковано: 1 липня 2011 А чем и как зашунтировать трехходовку, чтоб не завалила ЕЦ? Согласен, вопрос хороший Нужно использовать вместо цирк.насоса+трехходового (ссылка устарела), которое собой их заменяет, а без электричества не создает гидр.сопротивлений.. Разница по деньгам не такая уж и большая, а уровень безопасности возрастает в разы П.С. Да и без ТКЗ можно обойтись в этом случае просто группой безопасности 1 Посилання на коментар Поділитися на інших сайтах More sharing options...
murava Опубліковано: 1 липня 2011 Поділитись Опубліковано: 1 липня 2011 Устройство -то позитивное, но разница та в разы 1 Посилання на коментар Поділитися на інших сайтах More sharing options...
naupv Опубліковано: 1 липня 2011 Поділитись Опубліковано: 1 липня 2011 Места установки фильтров полностью соответствуют требованиям ДБН: ПЕРЕД теплообменниками перед насосами Да и ДБНах сказано, что они устанавливаются вверх тормашками? 1 Посилання на коментар Поділитися на інших сайтах More sharing options...
ts3 Опубліковано: 1 липня 2011 Поділитись Опубліковано: 1 липня 2011 Устройство -то позитивное, но разница та в разы Ну не совсем в разы: Насос - 900грн Трехходовой - 1170 ТЗК - 795 грн Итого - 2865 А штуковина - 3300грн 1 Посилання на коментар Поділитися на інших сайтах More sharing options...
ts3 Опубліковано: 1 липня 2011 Поділитись Опубліковано: 1 липня 2011 Места установки фильтров полностью соответствуют требованиям ДБН: ПЕРЕД теплообменниками перед насосами Да и ДБНах сказано, что они устанавливаются вверх тормашками? Ну это же всего-навсего ПРИНЦИПиальная схема.. 1 Посилання на коментар Поділитися на інших сайтах More sharing options...
naupv Опубліковано: 1 липня 2011 Поділитись Опубліковано: 1 липня 2011 Да и ДБНах сказано, что они устанавливаются вверх тормашками? Ну это же всего-навсего ПРИНЦИПиальная схема.. [/i] Так что я не правильно написал? Делать масло масленное, или поставить один большой фильтр? 1 Посилання на коментар Поділитися на інших сайтах More sharing options...
ts3 Опубліковано: 1 липня 2011 Поділитись Опубліковано: 1 липня 2011 Так что я не правильно написал? Делать масло масленное, или поставить один большой фильтр? Ну перед теплообменниками котлов - однозначно нужно ставить. Перед насосами очень желательно - это же механизм тонкой организации и от попадания туда мелких частиц срок службы не прибавится 1 Посилання на коментар Поділитися на інших сайтах More sharing options...
murava Опубліковано: 1 липня 2011 Поділитись Опубліковано: 1 липня 2011 Ну не совсем в разы: Насос - 900грн Трехходовой - 1170 ТЗК - 795 грн Итого - 2865 А штуковина - 3300грн Бросьте, цены передуты. Насос 600-700 грн, а больше 6ки там и не надо, смесительный клапан с преднастройками 55/61 градус - это 500 грн. Сумма в 1200 - это со свистелками, перделками и доставкой. 1 Посилання на коментар Поділитися на інших сайтах More sharing options...
ts3 Опубліковано: 1 липня 2011 Поділитись Опубліковано: 1 липня 2011 Бросьте, цены передуты. Насос 600-700 грн, а больше 6ки там и не надо, смесительный клапан с преднастройками 55/61 градус - это 500 грн. Сумма в 1200 - это со свистелками, перделками и доставкой. а если пропадет электричество? П.С. какой трехходовой Вы считали? Посилання на коментар Поділитися на інших сайтах More sharing options...
murava Опубліковано: 1 липня 2011 Поділитись Опубліковано: 1 липня 2011 а если пропадет электричество? П.С. какой трехходовой Вы считали? А вот тут да, загвоздка..... Этот вот от Герца и считал.... Посилання на коментар Поділитися на інших сайтах More sharing options...
ttkotel Опубліковано: 1 липня 2011 Поділитись Опубліковано: 1 липня 2011 всем привет! Задача, есть домик небольшой 160м2 прошу покритиковать схему отопления на ТТ + ГВС. котел Стальной твердотопливный DAKON DOR 25 MAX / DOR 25 WCL, мощность8-27 кВт спасибо. АТ побольше бы! Да и котел можно получше взять! Посилання на коментар Поділитися на інших сайтах More sharing options...
Котельщик Опубліковано: 1 липня 2011 Поділитись Опубліковано: 1 липня 2011 Гыыыы. А ведб точно, на линии циркуляции ГВС там бред нарисован. Фильтров много не бывает, особенно для мокрого ротора. В чертеже трубопроводов может быть ошибка, а в принципиальной схеме НЕТ!! На маленьких объектах толковому монтажнику принципиальной схемы со спецификацией основного оборудования хватит с головой и за глаза. Посилання на коментар Поділитися на інших сайтах More sharing options...
Кочегар Опубліковано: 4 липня 2011 Поділитись Опубліковано: 4 липня 2011 От себя добавлю. Если не хотите ставить смесительные узлы на радиаторные контуры то упраление насосами радиаторов можно включить через комнатные термостаты и таким способом управлять температурой по этажам. В аккумуляционную емкость добавить термостат, желательно с двумя парами контактов и разными температурами срабатывания. Когда остынет термоаккумулятор автоматически включится газовый котел и наоборот - после растопки ТТ котла и разогрева емкости газовый отключится сам. Две температуры срабатывания для того чтобы включать газовый котел на отопление и ГВС при разных значениях температуры. Например для отопления может быть достаточно и 60 градусов, то ГВС прийдется ждать долго. Ну и дополнительно я бы поставил лепестковый обратный клапан на выходе из емкости чтобы при нагреве газовым котлом (особенно летом на ГВС) не греть емкость. Вопрос такой автоматики решается несколькими реле. Посилання на коментар Поділитися на інших сайтах More sharing options...
ts3 Опубліковано: 6 липня 2011 Поділитись Опубліковано: 6 липня 2011 И подпитку, если теплообменник чугунный - нужно в подачу заводить. Посилання на коментар Поділитися на інших сайтах More sharing options...
ttkotel Опубліковано: 8 липня 2011 Поділитись Опубліковано: 8 липня 2011 И подпитку, если теплообменник чугунный - нужно в подачу заводить. Это очень хороший совет!! Так как холодная подпитка чугунного котла может привести к растрескиванию теплообменника. Посилання на коментар Поділитися на інших сайтах More sharing options...
Рекомендовані повідомлення
Створіть акаунт або увійдіть у нього для коментування
Ви маєте бути користувачем, щоб залишити коментар
Створити акаунт
Зареєструйтеся для отримання акаунта. Це просто!
Зареєструвати акаунтУвійти
Вже зареєстровані? Увійдіть тут.
Увійти зараз