RAA Опубліковано: 2 жовтня 2012 Поділитись Опубліковано: 2 жовтня 2012 Добрый день, по проэкту перекрытие 2 этажа деревяные балки, но есть желание перекрыть плитами ПК. Как это отбразится на СТРОПИЛАХ? Можна ли будет после этого устроить 4 скатную крышу? Как это отобразится на узлах соединения "стула" или как там его... Или всеже лучше не заморачиваться и крыть деревяными балками? (дом небольшой 8,2*9,2 стены ГБ 400 ширина, армопояса на первом и втором, кровля скорее всего металочерепица или битумка). 1 Посилання на коментар Поділитися на інших сайтах More sharing options...
Grip Опубліковано: 2 жовтня 2012 Поділитись Опубліковано: 2 жовтня 2012 не вижу связи между формой кровли и материалом перекрытия. при применении пустоток нагрузка на стены и фундаменты увеличится, утеплять все равно прийдеться. по периметру ляжет мауэлат, в его врежутся стропила. стойки станут на лежни о плитам перекрытия. Посилання на коментар Поділитися на інших сайтах More sharing options...
*Alexey* Опубліковано: 2 жовтня 2012 Поділитись Опубліковано: 2 жовтня 2012 Добрый день, по проэкту перекрытие 2 этажа деревяные балки, но есть желание перекрыть плитами ПК. Как это отбразится на СТРОПИЛАХ? Можна ли будет после этого устроить 4 скатную крышу? Как это отобразится на узлах соединения "стула" или как там его... Или всеже лучше не заморачиваться и крыть деревяными балками? (дом небольшой 8,2*9,2 стены ГБ 400 ширина, армопояса на первом и втором, кровля скорее всего металочерепица или битумка). Приветствую 1, Если чердак не эксплуатируется, то чисто теоретически абсолютно фиолетово, что будет в качестве перекрытия: балки, плиты, монолит. 2, На стропилке это ровным счетом никак отобразиться не сможет (иными словами конструктив сохраняется) Другое дело, что плиты лучше воспринимают нагрузки. Но только ради этого крыть плитами второй этаж - увольте Посилання на коментар Поділитися на інших сайтах More sharing options...
RAA Опубліковано: 2 жовтня 2012 Автор Поділитись Опубліковано: 2 жовтня 2012 Есть желание сделать чердак эксплуатируемым, (можна увеличить уклон крыши и добавить "кукушку") ну и нехочется возьни с этим деревяным перекрытием. Да и цена не сильно отличается если пощитать сколько нужно леса + пропитка + работа, то эти нещасные 10 плит не намного дороже выходят. Насчет нагрузок - фундамент бетон м250, глубиной 1 метр (в земле) 0,5 м в ширину, арматура в 4 пары Д12. Стены толстые, два армопояса. Материал кровли не тяжелый. Недумаю что нагрузки на пределе... Плиты не большие Пк1,2*4,4 и Пк1,2*4,3... Посилання на коментар Поділитися на інших сайтах More sharing options...
*Alexey* Опубліковано: 2 жовтня 2012 Поділитись Опубліковано: 2 жовтня 2012 Есть желание сделать чердак эксплуатируемым, (можна увеличить уклон крыши и добавить "кукушку") ну и нехочется возьни с этим деревяным перекрытием. Да и цена не сильно отличается если пощитать сколько нужно леса + пропитка + работа, то эти нещасные 10 плит не намного дороже выходят. Насчет нагрузок - фундамент бетон м250, глубиной 1 метр (в земле) 0,5 м в ширину, арматура в 4 пары Д12. Стены толстые, два армопояса. Материал кровли не тяжелый. Недумаю что нагрузки на пределе... Плиты не большие Пк1,2*4,4 и Пк1,2*4,3... Дык если все накрывается стандартными плитами - в чем вопрос?? Средства позволяют - вперед. На крышу это никак повлиять не должно Посилання на коментар Поділитися на інших сайтах More sharing options...
Drosselbeere Опубліковано: 3 жовтня 2012 Поділитись Опубліковано: 3 жовтня 2012 перекрытия из жб плит повлияют только на фундамент, учтите это! Посилання на коментар Поділитися на інших сайтах More sharing options...
Nеvermind Опубліковано: 3 жовтня 2012 Поділитись Опубліковано: 3 жовтня 2012 Можна ли 2 этж перекрыв плитами ПК если крыша 4 ската? В принципе можно, но зачем? Какова мотивация данного мероприятия? Чем не устраивает изначальный вариант? Посилання на коментар Поділитися на інших сайтах More sharing options...
Торопов александр Опубліковано: 3 жовтня 2012 Поділитись Опубліковано: 3 жовтня 2012 Деревянная конструкция потолочного перекрытия дешевле - не требуется спецтехника для транспортировки и монтажа. Возни с сборным перекрытием не меньше, а то и больше, чем с деревянным. При использовании более-менее сухого леса (25-35%) пропитки нафиг не нужны. Ну, разве что вызвать сертифицированных подрядчиков от пожнадзора для птички в документах о противопожарной обработке. Дорого и бесполезно в практическом смысле. А вообще - сборное, а тем более монолитное ж/б перекрытие - очень хорошо. Если фундамент позволяет дополнительную нагрузку. Только теплоизолировать его снаружи все равно придется. Посилання на коментар Поділитися на інших сайтах More sharing options...
RAA Опубліковано: 3 жовтня 2012 Автор Поділитись Опубліковано: 3 жовтня 2012 Меня больше интересует как будет крепится "стул" или подпоры стропил или как там их к плитам пк. Чем имено, если можна фото тех кто так делал, названия этих хомутов и т.д... Посилання на коментар Поділитися на інших сайтах More sharing options...
*Alexey* Опубліковано: 3 жовтня 2012 Поділитись Опубліковано: 3 жовтня 2012 Меня больше интересует как будет крепится "стул" или подпоры стропил или как там их к плитам пк. Чем имено, если можна фото тех кто так делал, названия этих хомутов и т.д... Все опоры монтируются точно так же как и по деревянным балкам перекрытия - через лежень (горизонтальный брус, распеделяющий нагрузки) Иными словами лежень - это тот же мауэрлат, только воспринимающий нагрузки от стоек. К стати, вот полезная статейка, наглядно дает представление об типичных ошибках "бармалеев", которые можно распознать не имея особых знаний в области кровли 1 Посилання на коментар Поділитися на інших сайтах More sharing options...
M.V.A. Опубліковано: 10 жовтня 2012 Поділитись Опубліковано: 10 жовтня 2012 Я прошу прощения, что пишу в Вашей теме, но ситуация у меня аналогичная. Уважаемые специалисты, интересует Ваше мнение. По проекту перекрытие между первым и мансардой - монолит. Планировал делать по деревянным балкам 170*200 с шагом 60см, а в местах опирания бочек, на которые ложится крыша 250*200, сверху как черновой пол - доска 50-ка. Получается, что из четырех точек опоры в средине дома есть только одна возле камина (стена идет с первого этажа из кирпича), остальные думали создать на балках, пролет 4м. Дом из 400 Газобетона Д500, В2.5. Вчера общался с кровельной компанией, наотрез отвергли балки, или ставь два сваренных п образных швеллера или плиты перекрытия. Вес крыши 10тон, ЦПЧ. Неужели вся нагрузка от крыши ляжет на эти 4-ре точки? Если уложить плиты, то какой прочности (800 или 1250кгс/м2) ? Не могу загрузить план, получается только так www.stroimdom.com.ua/forum/album.php?albumid=4167&pictureid=46154 Посилання на коментар Поділитися на інших сайтах More sharing options...
*Alexey* Опубліковано: 10 жовтня 2012 Поділитись Опубліковано: 10 жовтня 2012 Я прошу прощения, что пишу в Вашей теме, но ситуация у меня аналогичная. Уважаемые специалисты, интересует Ваше мнение. По проекту перекрытие между первым и мансардой - монолит. Планировал делать по деревянным балкам 170*200 с шагом 60см, а в местах опирания бочек, на которые ложится крыша 250*200, сверху как черновой пол - доска 50-ка. Получается, что из четырех точек опоры в средине дома есть только одна возле камина (стена идет с первого этажа из кирпича), остальные думали создать на балках, пролет 4м. Дом из 400 Газобетона Д500, В2.5. Вчера общался с кровельной компанией, наотрез отвергли балки, или ставь два сваренных п образных швеллера или плиты перекрытия. Вес крыши 10тон, ЦПЧ. Неужели вся нагрузка от крыши ляжет на эти 4-ре точки? Если уложить плиты, то какой прочности (800 или 1250кгс/м2) ? Не могу загрузить план, получается только так www.stroimdom.com.ua/forum/album.php?albumid=4167&pictureid=46154 Без сечений сложно что либо советовать, дайте больше вводных: разрезы, план стропильной части. Это как минимум. На данный момент мне не понятны размещения стоек: с Ваших слов они будут где то р-не середин верхних помещений. Но ведь это нонсенс.. Все Архоновские шатровые крыши развязываются по средствам стола со средним прогоном. Дайте больше данных Посилання на коментар Поділитися на інших сайтах More sharing options...
M.V.A. Опубліковано: 10 жовтня 2012 Поділитись Опубліковано: 10 жовтня 2012 Завтра сделаю скан. Спасибо. Посилання на коментар Поділитися на інших сайтах More sharing options...
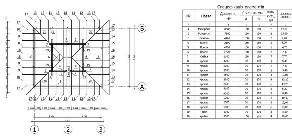
M.V.A. Опубліковано: 11 жовтня 2012 Поділитись Опубліковано: 11 жовтня 2012 Вот данные по проекту. На плане конструкции крыши и схеме мансарды, видно обвязанные стропила квадратной балкой, которая в свою очередь ложится на четыре точки упора.схема мансарды.pdf1 эт..pdfмансарда.pdfразрез А-А.pdfразрез Б-Б.pdfплан конструкции крыши.pdf Посилання на коментар Поділитися на інших сайтах More sharing options...
OlegArh Опубліковано: 11 жовтня 2012 Поділитись Опубліковано: 11 жовтня 2012 Matka Boża:shock: Просто убивают эти полянские "проекты"... Представляю эпитеты кровельщиков при разметке :D Psiakrew... 1 Посилання на коментар Поділитися на інших сайтах More sharing options...
M.V.A. Опубліковано: 11 жовтня 2012 Поділитись Опубліковано: 11 жовтня 2012 Да нее, там есть лист с четким перечнем материалов. Хотя когда первый раз увидел сам такое, то был в шоке. Посилання на коментар Поділитися на інших сайтах More sharing options...
*Alexey* Опубліковано: 11 жовтня 2012 Поділитись Опубліковано: 11 жовтня 2012 Вот данные по проекту. На плане конструкции крыши и схеме мансарды, видно обвязанные стропила квадратной балкой, которая в свою очередь ложится на четыре точки упора. Архоновцам руки/ноги поотрывать надо за подобные подпоры (стол). В прошлом месяце закончили крышу аналогичного характера. Поставили маяки под консольные пролеты. Пока полет нормальный, однако беспокойство не покидает. Диагональные коньковые балки рекомендовал бы выполнять составными (из 3х штук). Стойки тоже чуть переиграл бы. Особенное внимание уделил бы висячему узлу конек/ендовые нижнего по плану слухового окна. Также следует быть предельно внимательным выполняя средний стол: что на что должно опираться. Придираться могу еще долго, но это мое ИМХО, и не более. ЗЫ: по большому счету ничего критичного нет, все выполнимо и имеет право на жизнь. Посилання на коментар Поділитися на інших сайтах More sharing options...
M.V.A. Опубліковано: 11 жовтня 2012 Поділитись Опубліковано: 11 жовтня 2012 Алексей, спасибо. Скажите, так как быть с перекрытием, можно этот стол опереть на деревянные балки или лучше уложить плиты? Возможен ли другой вариант, без стола ? Кстати, стол хотят делать из металлического каркаса. Посилання на коментар Поділитися на інших сайтах More sharing options...
*Alexey* Опубліковано: 11 жовтня 2012 Поділитись Опубліковано: 11 жовтня 2012 Алексей, спасибо. Скажите, так как быть с перекрытием, можно этот стол опереть на деревянные балки или лучше уложить плиты? Возможен ли другой вариант, без стола ? Кстати, стол хотят делать из металлического каркаса. 1, на плиты можно. для пущей правильности конструктива стойки приваривать на закладухи не менее 8 мм толщиной. Чем больше будут габариты закладного элемента, тем лучше будет перераспределяться точечная нагрузка от стойки в распределенную нагрузку на панель 2, металлокаркас при такой схеме будет на порядок мощнее. 3, без стола можно, но не нужно;) 1 Посилання на коментар Поділитися на інших сайтах More sharing options...
M.V.A. Опубліковано: 11 жовтня 2012 Поділитись Опубліковано: 11 жовтня 2012 Понял, будем делать каркас из металла. А плиты с расчетной нагрузкой 800 кг/м2 при пролете 4м подойдут или в местах, где будут опоры стола лучше 1250 кг/м2 ? Добавлено через 30 минут 1, стойки приваривать на закладухи не менее 8 мм толщиной. QUOTE] Прошу прощения за глупый вопрос. Это как подкладка под стойку (лист металла), тоесть ложим металл на плиту, а на него ставим стойку? Посилання на коментар Поділитися на інших сайтах More sharing options...
*Alexey* Опубліковано: 11 жовтня 2012 Поділитись Опубліковано: 11 жовтня 2012 Понял, будем делать каркас из металла. А плиты с расчетной нагрузкой 800 кг/м2 при пролете 4м подойдут или в местах, где будут опоры стола лучше 1250 кг/м2 ? первого варианта вполне будет достаточно Добавлено через 30 минут 1, стойки приваривать на закладухи не менее 8 мм толщиной. Прошу прощения за глупый вопрос. Это как подкладка под стойку (лист металла), тоесть ложим металл на плиту, а на него ставим стойку? Да, только сам лист стелите не просто на плиту, а через цементный раствор, и обязательно лист за анкерить, чтоб лежал "мЭртво" без сподвижек 1 Посилання на коментар Поділитися на інших сайтах More sharing options...
M.V.A. Опубліковано: 11 жовтня 2012 Поділитись Опубліковано: 11 жовтня 2012 Поскольку перестенки планируются из газобетона, то стойку можно выложить из кирпича в один кирпич заложив между блоком. Посилання на коментар Поділитися на інших сайтах More sharing options...
RAA Опубліковано: 15 жовтня 2012 Автор Поділитись Опубліковано: 15 жовтня 2012 "и обязательно лист за анкерить, чтоб лежал "мЭртво" без сподвижек" а можна рисунок или фото или на пальцах, как имено это сделать? в плите сверлить для арматурины отверстие, вставить ее туда, далее залить рствором и приварить к этой стойке? 1 Посилання на коментар Поділитися на інших сайтах More sharing options...
Рекомендовані повідомлення
Створіть акаунт або увійдіть у нього для коментування
Ви маєте бути користувачем, щоб залишити коментар
Створити акаунт
Зареєструйтеся для отримання акаунта. Це просто!
Зареєструвати акаунтУвійти
Вже зареєстровані? Увійдіть тут.
Увійти зараз