Interso Опубліковано: 29 березня 2013 Поділитись Опубліковано: 29 березня 2013 Хотя, по сервоприводам не все так однозначно. Если считать что большинство терморегуляторов имеют NC и NO выходы (или в крайнем случае, дополнительное реле решает этот вопрос). Я тоже так считал,но когда в живую розобрал и посмотрел, это в основном касается терморегулятора для ТП с датчиком, то там только NO с выходом 220в. Выход,либо ставить дополнительное реле,либо то что стоит выпаивать и ставить другое. 1 Посилання на коментар Поділитися на інших сайтах More sharing options...
south Опубліковано: 29 березня 2013 Поділитись Опубліковано: 29 березня 2013 В этом случае поступит команда на включение котла. мы говорим о какой то уже известной схеме управления,или чисто теоретически? Посилання на коментар Поділитися на інших сайтах More sharing options...
Interso Опубліковано: 29 березня 2013 Поділитись Опубліковано: 29 березня 2013 мы говорим о какой то уже известной схеме управления,или чисто теоретически? Я такие схемы управления делаю сам и могу говорить как о действующей так и делать выводы о теоретической схеме. Посилання на коментар Поділитися на інших сайтах More sharing options...
south Опубліковано: 29 березня 2013 Поділитись Опубліковано: 29 березня 2013 Interso, вопрос включения - не включения котла можно ж по разному решить. разве так уж обязательно давать команду на включение котла термостатами управления теплым полом? а схемы...я тоже всякое рисую... хотя согласен,чем потом както решать и себя ограничивать в схемных решениях - проще сразу подходящие привода поставить. 2 Посилання на коментар Поділитися на інших сайтах More sharing options...
Interso Опубліковано: 29 березня 2013 Поділитись Опубліковано: 29 березня 2013 Interso, вопрос включения - не включения котла можно ж по разному решить. На пример как? Посилання на коментар Поділитися на інших сайтах More sharing options...
viktor-gon Опубліковано: 29 березня 2013 Поділитись Опубліковано: 29 березня 2013 А я что-то и не понял про схему вкл-выкл котла... Допустим термостаты идут в каждую жилую комнату. Когда помещения нагрелись, термостаты отключились, приводы закрылись. А по сему на обратку пошла горячая вода (так как ей остывать негде) и котел сам выключается. Или не так все? Как тогда, еще отдельный программатор на котел??? Какая тогда логика работы? Посилання на коментар Поділитися на інших сайтах More sharing options...
naupv Опубліковано: 29 березня 2013 Поділитись Опубліковано: 29 березня 2013 Какая тогда логика работы? Никакой, конфликт устройств. Программатор снимает температуру помещений и руководит котлом, термостаты руководят сервоприводами. Может быть такая ситуация, в помещении где висит программатор тепло, а в комнате №N есть потребность в тепле. Сервоприводы открыты, а котел стоит. Как-то так. 1 Посилання на коментар Поділитися на інших сайтах More sharing options...
viktor-gon Опубліковано: 29 березня 2013 Поділитись Опубліковано: 29 березня 2013 Никакой, конфликт устройств. Программатор снимает температуру помещений и руководит котлом, термостаты руководят сервоприводами. Может быть такая ситуация, в помещении где висит программатор тепло, а в комнате №N есть потребность в тепле. Сервоприводы открыты, а котел стоит. Как-то так. А если программатор котла, как и рекомендуют в самую холодную комнату? Update: С помощью кучки проводов и релюшек можно сделать устройство, которое будет принимать сигнал на выключение котла от программатора котла, и выключать котел только в том случае - если все термостаты в комнатах выключены. Посилання на коментар Поділитися на інших сайтах More sharing options...
Interso Опубліковано: 29 березня 2013 Поділитись Опубліковано: 29 березня 2013 Никакой, конфликт устройств. Программатор снимает температуру помещений и руководит котлом, термостаты руководят сервоприводами. Может быть такая ситуация, в помещении где висит программатор тепло, а в комнате №N есть потребность в тепле. Сервоприводы открыты, а котел стоит. Как-то так. Да всё решается очень просто,нужно только понять и никаких конфликтов небудет. Посилання на коментар Поділитися на інших сайтах More sharing options...
viktor-gon Опубліковано: 29 березня 2013 Поділитись Опубліковано: 29 березня 2013 Да всё решается очень просто,нужно только понять и никаких конфликтов небудет. Взять все выходы с термостатов и параллельно все скрутить и подключить к реле котла - пока все термостаты не вырубятся котел будет работать. Если все термостаты отключаться - котел тогда тоже. Если хоть один термостат включится - котел заработает! Посилання на коментар Поділитися на інших сайтах More sharing options...
Interso Опубліковано: 29 березня 2013 Поділитись Опубліковано: 29 березня 2013 Взять все выходы с термостатов и параллельно все скрутить и подключить к реле котла - пока все термостаты не вырубятся котел будет работать. Если все термостаты отключаться - котел тогда тоже. Если хоть один термостат включится - котел заработает! От части так, но не так. Посилання на коментар Поділитися на інших сайтах More sharing options...
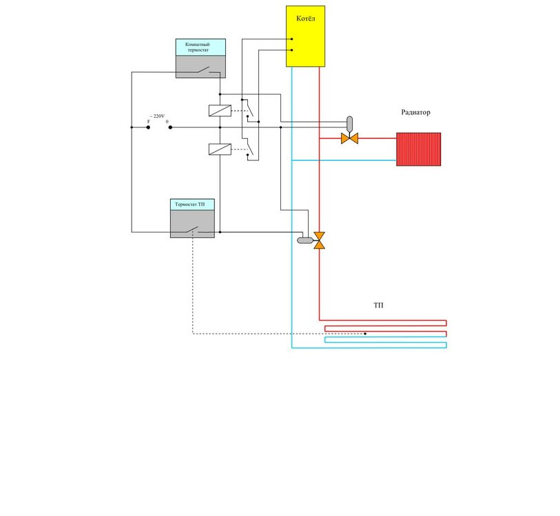
viktor-gon Опубліковано: 29 березня 2013 Поділитись Опубліковано: 29 березня 2013 Может я не так выразился... Идея такая - подключить все термостаты таким образом, чтобы котел работал, пока хоть один термостат включен (т.е какое-то помещение нуждается в тепле), и выключался когда все термостаты выключены (все помещения нагреты). Это достигается путем параллельного соединения всех термостатов. Если не так, то подскажите плиз? Посилання на коментар Поділитися на інших сайтах More sharing options...
Interso Опубліковано: 29 березня 2013 Поділитись Опубліковано: 29 березня 2013 Может я не так выразился... Идея такая - подключить все термостаты таким образом, чтобы котел работал, пока хоть один термостат включен (т.е какое-то помещение нуждается в тепле), и выключался когда все термостаты выключены (все помещения нагреты). Это достигается путем параллельного соединения всех термостатов. Если не так, то подскажите плиз? Это будет выглядеть вот так, я нарисовал только два контура, по такому принципу можно подключить неограниченное количество контуров и все они будут работать независимо друг от друга но управлять будут одним котлом. 1 Посилання на коментар Поділитися на інших сайтах More sharing options...
термик Опубліковано: 29 березня 2013 Поділитись Опубліковано: 29 березня 2013 Это будет выглядеть вот так, я нарисовал только два контура, по такому принципу можно подключить неограниченное количество контуров и все они будут работать независимо друг от друга но управлять будут одним котлом. Интересная тема -подпишусь. Посилання на коментар Поділитися на інших сайтах More sharing options...
viktor-gon Опубліковано: 29 березня 2013 Поділитись Опубліковано: 29 березня 2013 Это будет выглядеть вот так, я нарисовал только два контура, по такому принципу можно подключить неограниченное количество контуров и все они будут работать независимо друг от друга но управлять будут одним котлом. Спасибо. Схема понятная! Ошибка была в том, что термостаты выдают 220В, когда нужен нагрев, и я хотел эти 220В на перемычку котла... Посилання на коментар Поділитися на інших сайтах More sharing options...
viktor-gon Опубліковано: 30 березня 2013 Поділитись Опубліковано: 30 березня 2013 (змінено) Сегодня получил свои программаторы (ссылка устарела) Плюсы: 1. Цена - 380 - 400 грн, по сравнению с аналогом terneo pro(569грн). 2. Качество сборки очень неплохое. Даже сказал бы отличное! Внутри обнаружил solid конденсаторы (которые живут очень долго, в отличии от электролитических, которые видел на фото terneo pro). Пластик, кнопки, дисплей - не вызывают никаких нареканий. Пайка аккуратная. 3. Если верить форумчанам - это полностью южнокорейский продукт. Terneo собираются вроде в Украине исключительно из китайских комплектующих. Минусы: 1. Не обнаружилось выходов NC и NO. Только прямой выход к подключению нагрузки с током не более 16А. Т.е сервоприводы ему нужны нормально закрытые, либо дополнительное реле. 2. Датчик выносной оказался бесполезен из-за ограничений прошивки. ALL - оба датчика (регулировка по температуре воздуха с ограничением температуры пола). Нагрев производится до достижения температуры воздуха при условии что температура пола не превысила значения, заданного в пункте меню ToP. В том самом меню Top можно выставить только от 40С - до 80С. Что для водяного пола вообще в никакие ворота не лезет UPDATE: Внутри нашел таки обычные электролитические конденсаторы тоже, они возле реле Змінено 30 березня 2013 користувачем viktor-gon Посилання на коментар Поділитися на інших сайтах More sharing options...
Interso Опубліковано: 30 березня 2013 Поділитись Опубліковано: 30 березня 2013 Сегодня получил свои программаторы (ссылка устарела) Плюсы: 1. Цена - 380 - 400 грн, по сравнению с аналогом terneo pro(569грн). 2. Качество сборки очень неплохое. Даже сказал бы отличное! Внутри обнаружил solid конденсаторы (которые живут очень долго, в отличии от электролитических, которые видел на фото terneo pro). Пластик, кнопки, дисплей - не вызывают никаких нареканий. Пайка аккуратная. 3. Если верить форумчанам - это полностью южнокорейский продукт. Terneo собираются вроде в Украине исключительно из китайских комплектующих. Минусы: 1. Не обнаружилось выходов NC и NO. Только прямой выход к подключению нагрузки с током не более 16А. Т.е сервоприводы ему нужны нормально закрытые, либо дополнительное реле. 2. Датчик выносной оказался бесполезен из-за ограничений прошивки. ALL - оба датчика (регулировка по температуре воздуха с ограничением температуры пола). Нагрев производится до достижения температуры воздуха при условии что температура пола не превысила значения, заданного в пункте меню ToP. В том самом меню Top можно выставить только от 40С - до 80С. Что для водяного пола вообще в никакие ворота не лезет UPDATE: Внутри нашел таки обычные электролитические конденсаторы тоже, они возле реле Когда мне надо было чтобы на контактах реле небыло 220в. я просто перерезал дорожку, в Тернео Про там легко сделать а вот в Тернео Про+ там чуть сложнее, плюсы в том что сейчас у Тернео делают блок питания трансформаторный а раньше был через конденсатор 0,47мкФ и у меня один вышел из строя,пришлось заменить этот конденсатор. Посилання на коментар Поділитися на інших сайтах More sharing options...
viktor-gon Опубліковано: 30 березня 2013 Поділитись Опубліковано: 30 березня 2013 У моих тоже блок питания трансформаторный. Но датчик пола, блин, огорчил... Посилання на коментар Поділитися на інших сайтах More sharing options...
Interso Опубліковано: 30 березня 2013 Поділитись Опубліковано: 30 березня 2013 У моих тоже блок питания трансформаторный. Но датчик пола, блин, огорчил... Это может ограничение по максимуму только в режиме "ALL", в режиме пола там должна нормально выставлятся температура. В инструкции на Тернео есть по минимуму и по максимуму. (ссылка устарела) Посилання на коментар Поділитися на інших сайтах More sharing options...
viktor-gon Опубліковано: 30 березня 2013 Поділитись Опубліковано: 30 березня 2013 Это может ограничение по максимуму только в режиме "ALL", в режиме пола там должна нормально выставлятся температура. В инструкции на Тернео есть по минимуму и по максимуму. (ссылка устарела) Да, речь про режим ALL. В режиме OUT(внешний) придел от +5С до +95С... У тернео, порог по минимуму - это по моему, на работу в режиме охлаждения. Посилання на коментар Поділитися на інших сайтах More sharing options...
Interso Опубліковано: 30 березня 2013 Поділитись Опубліковано: 30 березня 2013 Да, речь про режим ALL. В режиме OUT(внешний) придел от +5С до +95С... У тернео, порог по минимуму - это по моему, на работу в режиме охлаждения. Я не пробовал ставить в режим ALL, ставлю в основном в режим ТП. Посилання на коментар Поділитися на інших сайтах More sharing options...
viktor-gon Опубліковано: 30 березня 2013 Поділитись Опубліковано: 30 березня 2013 Я не пробовал ставить в режим ALL, ставлю в основном в режим ТП. Не перестаю удивляться. А почему именно режим ТП? Или это для помещений, где ТП работает только для комфорта, а основное отопление радиаторы? А если ТП как основной источник отопления и он "зимой и летом одним цветом" - т.е одинаковой температуры??? Тогда в помещениях при различных погодных условиях будет совсем разная температура. Посилання на коментар Поділитися на інших сайтах More sharing options...
Interso Опубліковано: 31 березня 2013 Поділитись Опубліковано: 31 березня 2013 Не перестаю удивляться. А почему именно режим ТП? Или это для помещений, где ТП работает только для комфорта, а основное отопление радиаторы? А если ТП как основной источник отопления и он "зимой и летом одним цветом" - т.е одинаковой температуры??? Тогда в помещениях при различных погодных условиях будет совсем разная температура. Я системы делал только совместно с радиаторным отоплением, где пол регулируется датчиком пола а температура в помещении радиаторными головками и что мешает потом переключить комнатный термостат на датчик по комнате.Собственно говоря в процессе эксплуатации можна будет выбрать один из трёх режимов более подходящий. Выход из этой ситуации есть,это ставить на ТП свой термостат а на радиаторный контур свой,есть надежда что производители выпустят комнатный термостат с двумя реле управления, для независимого управления воздухом в помещении и температурой ТП. Хотя такой програматор есть у которого восем выходов управления и 32 датчика, у меня такой дома стоит ну и форумчанин sah79 себе тоже установил. 2 Посилання на коментар Поділитися на інших сайтах More sharing options...
viktor-gon Опубліковано: 31 березня 2013 Поділитись Опубліковано: 31 березня 2013 Тогда понятно. У меня ТП планируется как основной источник тепла. Поэтому, придется регулировать, скорее всего по датчику воздуха. Просто, мне кажется, что регулировка чисто по полу, в моем случае, не даст желаемого эффекта. Так как при смене температуры окружающей среды будет то холодно, то нормально то жарко. Контроль по температуре воздуха - это контроль уже желаемого результата (все отопительные приборы, в той или иной степени работают для того, чтобы нагреть воздух в помещении). А переключение программатора из режима IN и OUT делается через меню расширенных настроек, что как бы не очень удобно. Кстати, решил все-таки использовать именно нормально открытые приводы. Мне их использование видится более удобным. Добавлено через 6 минут У меня какая задача - поддерживать заданную температуру воздуха, и при этом не дать сильно остыть теплому полу! Возможно, с одним контролем по датчику воздуха будет все прекрасно работать. А если нет - то возьму это BM8036 и завяжу их отдельно на все полы! Спасибо за наводку на хорошее и недорогое устройство! Главное, не забыть заложить трубки, при бетонировании теплого пола, чтобы в них можно было беспрепятственно вставить температурные датчики. Посилання на коментар Поділитися на інших сайтах More sharing options...
Interso Опубліковано: 31 березня 2013 Поділитись Опубліковано: 31 березня 2013 Кстати, решил все-таки использовать именно нормально открытые приводы. Мне их использование видится более удобным. Нарисуйте схему как вы будете подключать нормально-открытые головки и тогда поймёте что не так. Кстати есть термоэлектрические головки со встроенным внутри микровыключателем,вот один из них как для примера, этот пришлось розобрать и перепаять контакты микровыключателя. Посилання на коментар Поділитися на інших сайтах More sharing options...
Рекомендовані повідомлення
Створіть акаунт або увійдіть у нього для коментування
Ви маєте бути користувачем, щоб залишити коментар
Створити акаунт
Зареєструйтеся для отримання акаунта. Це просто!
Зареєструвати акаунтУвійти
Вже зареєстровані? Увійдіть тут.
Увійти зараз