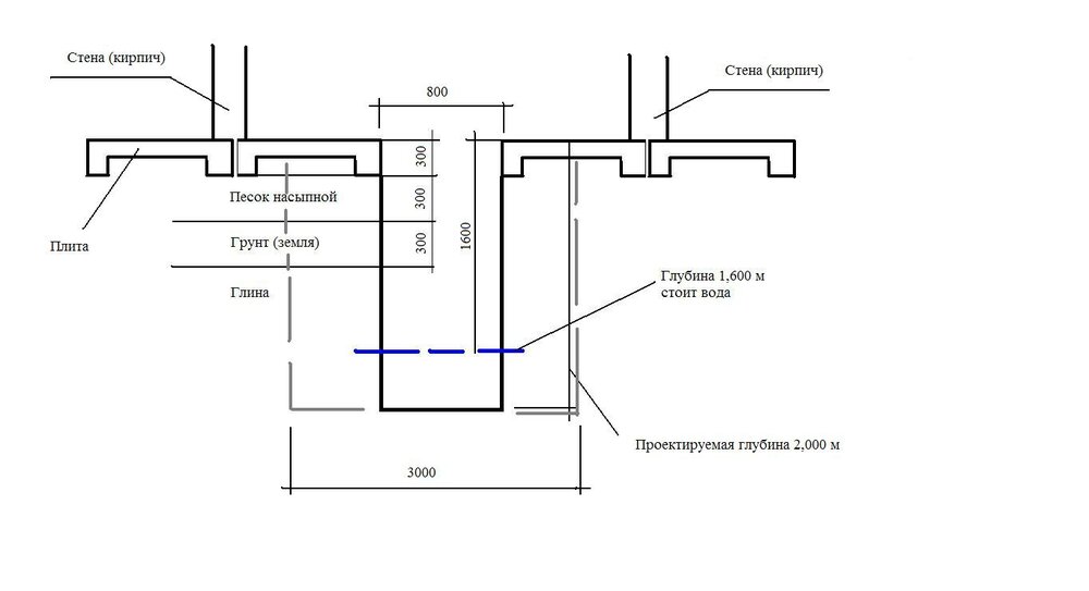
adre25 Опубліковано: 8 жовтня 2013 Поділитись Опубліковано: 8 жовтня 2013 (змінено) Высылаю план гаража сверху и разрез гаража по вертикали. Две недели назад начал копать после дождей. Прокопали между плит на глубине 1,6 м появилась вода (верховка) уже начала спадать. Планировали прокопать до 2 м в низ и под плитами с каждой стороны углубиться около 1 м. Вот теперь не знаю возможно ли так сделать качественно. Глубина первого пласта воды около 3,5-4м. В 100 м есть вырытый колодец загнано 3 кольца в землю и половина кольца торчит над землей. Змінено 8 жовтня 2013 користувачем adre25 Дозагрузка файлов Посилання на коментар Поділитися на інших сайтах More sharing options...
Propeller Опубліковано: 8 жовтня 2013 Поділитись Опубліковано: 8 жовтня 2013 Высылаю план гаража сверху и разрез гаража по вертикали. Две недели назад начал копать после дождей. Прокопали между плит на глубине 1,6 м появилась вода (верховка) уже начала спадать. Планировали прокопать до 2 м в низ и под плитами с каждой стороны углубиться около 1 м. Вот теперь не знаю возможно ли так сделать качественно. Глубина первого пласта воды около 3,5-4м. В 100 м есть вырытый колодец загнано 3 кольца в землю и половина кольца торчит над землей. Вы уверены, что Ваши "раскопки" не приведут к разрушению строения. Если уверены, то ориентируйтесь не заливку стен и пола бетоном (железобетоном). Желательно начала залить пол, потом стены. Сделать это в Вашем случае можно. Посилання на коментар Поділитися на інших сайтах More sharing options...
adre25 Опубліковано: 8 жовтня 2013 Поділитись Опубліковано: 8 жовтня 2013 Спасибо за помощь. Плиты находятся на ленточном фундаменте с двух сторон. Думаю если отступить от него на 1 - 1,5 м то конструкция будет прочной. У меня вопросы еще: 1. В бетон при заливке добавлять что-то или нет?. 2. Аква пентрат он токсичен или нет? Т.е. можно ли в подвал опускать допустим банки, овощи на время? Посилання на коментар Поділитися на інших сайтах More sharing options...
Propeller Опубліковано: 8 жовтня 2013 Поділитись Опубліковано: 8 жовтня 2013 Спасибо за помощь. Плиты находятся на ленточном фундаменте с двух сторон. Думаю если отступить от него на 1 - 1,5 м то конструкция будет прочной. У меня вопросы еще: 1. В бетон при заливке добавлять что-то или нет?. 2. Аква пентрат он токсичен или нет? Т.е. можно ли в подвал опускать допустим банки, овощи на время? 1. Пластипруф (0,5 кг на 100 кг цемента) 2. У Аквамат Пенетрат есть украинский (и не только) имеет разрешение на контакт с питьевой водой. Посилання на коментар Поділитися на інших сайтах More sharing options...
adre25 Опубліковано: 8 жовтня 2013 Поділитись Опубліковано: 8 жовтня 2013 1. Можете сообщить стоимость материалов и бентонитового шнура? 2. Нужно ли вверху заделывать чем-то место соединения стенок подвала с плитами (пол гаража)? Посилання на коментар Поділитися на інших сайтах More sharing options...
Propeller Опубліковано: 8 жовтня 2013 Поділитись Опубліковано: 8 жовтня 2013 1. Можете сообщить стоимость материалов и бентонитового шнура? (ссылка устарела) ekco.uaprom.net/p6366183-vaterstop-bentonitovyj-rasshiryayuschijsya.html 2. Нужно ли вверху заделывать чем-то место соединения стенок подвала с плитами (пол гаража)? Ну разве что дождевая вода упрется в глину и поднявшись в песке поднимеся под низ пола гаража. Посилання на коментар Поділитися на інших сайтах More sharing options...
adre25 Опубліковано: 9 жовтня 2013 Поділитись Опубліковано: 9 жовтня 2013 1. Т.е. можно замазать стык раствором и пройтись по нему аквамат пенетратом? 2. Бетон какой толщины заливать см 15-20? 3. Нужно делать подстилку из щебня под полом подвала? Посилання на коментар Поділитися на інших сайтах More sharing options...
Propeller Опубліковано: 14 жовтня 2013 Поділитись Опубліковано: 14 жовтня 2013 1. Т.е. можно замазать стык раствором и пройтись по нему аквамат пенетратом? Если Вы про герметизацию шва между низом плиты и стеной, то проще на низ плиты по оси стены перед установкой опалубки нанести (приклеиться он сам) колбаску П-201 ekco.uaprom.net/p11029539-adeka-201-adeka.html 2. Бетон какой толщины заливать см 15-20? Ага 3. Нужно делать подстилку из щебня под полом подвала? Нужно Посилання на коментар Поділитися на інших сайтах More sharing options...
adre25 Опубліковано: 15 жовтня 2013 Поділитись Опубліковано: 15 жовтня 2013 Я имел ввиду стык между верхом стены и низом плиты гаража. Так сказать верхний стык, а нижний стык, как Вы написали Выше нужно положить бентонитовый шнур. Посилання на коментар Поділитися на інших сайтах More sharing options...
Propeller Опубліковано: 15 жовтня 2013 Поділитись Опубліковано: 15 жовтня 2013 Смотрите рисунок Посилання на коментар Поділитися на інших сайтах More sharing options...
dreamhouse Опубліковано: 17 жовтня 2013 Поділитись Опубліковано: 17 жовтня 2013 в эту зиму наверное проблема посетила почти всех, летом уже откачивали остатки вод в подвале насосом, это случилось первый раз, ждем может в эту зиму все будет ок, правда страховку оформили Дом и все что в нем, а еще купили резиновые сапоги высокие 1 Посилання на коментар Поділитися на інших сайтах More sharing options...
asya115 Опубліковано: 15 липня 2014 Поділитись Опубліковано: 15 липня 2014 Добрий день Propeller, минулого літа Ви нам допомогли розібратися з гідроізоляцією зовнішньої частини фундаменту, тепер прийшов час робити в середині підвал. Після ваших рекомендацій і тих матеріалів що ви нам запропонували (якими ми і скористались) цієї весни в підвалі води майже не було, ну сантиметрів може 5-10...зараз води нема але стоїть болото, вода просочується знизу бо підлга залита 30 років назад уже вся потріскалась і було залито дуже тонкий шар бетону. Підкажіть як нам правильно залити стяжку?Чи можна використати той самий Аквамат-Адмікс чи може щось інше?З чого починати, просто засипати все глиною і втрамбувати чи щебінь треба...ну не знаю з чого почати і з якої сторони підходити до цього діла!Багато людей і всі рекомендують різні варіанти...що порекомендуєти Ви як професіонал?Дякую! Посилання на коментар Поділитися на інших сайтах More sharing options...
Propeller Опубліковано: 15 липня 2014 Поділитись Опубліковано: 15 липня 2014 Добрий день Propeller! Здравствуйте! 1. Из какого материала стены? К какому материалы будет примыкать новая стяжка? 2. Стяжка будет иметь определенную толщину, которая "съест" высоту помещения подвала. Какая сейчас высота потолка подвала? Посилання на коментар Поділитися на інших сайтах More sharing options...
asya115 Опубліковано: 16 липня 2014 Поділитись Опубліковано: 16 липня 2014 Стіни з цегли. Висота підвалу приблизно1,90м. Ми хотіли б трохи зменшити висоту підвалу десь до 1,80м, щоб не йшла волога з підлоги.. Я думала щоб не робити лижню роботу і не збивати стару потріскану стяжку, наверх на те болото насипати глини, втрамбувати її, зверху на глину застелити клейонку в раза 2, тоді прикріпити бетонітовий шнур який у нас вже є, просверлити невеличкі дирки і кріпити туди арматуру, тоді заливати цемент з аквамат Адмікс...зробити чорнову стяжку, як висохне пройтися рідкою гумою і її зверху залити вже рівненькою стяжкою... Посилання на коментар Поділитися на інших сайтах More sharing options...
Propeller Опубліковано: 16 липня 2014 Поділитись Опубліковано: 16 липня 2014 Стіни з цегли. Висота підвалу приблизно1,90м. Ми хотіли б трохи зменшити висоту підвалу десь до 1,80м, щоб не йшла волога з підлоги.. Я думала щоб не робити лижню роботу і не збивати стару потріскану стяжку, наверх на те болото насипати глини, втрамбувати її, зверху на глину застелити клейонку в раза 2, тоді прикріпити бетонітовий шнур який у нас вже є, просверлити невеличкі дирки і кріпити туди арматуру, тоді заливати цемент з аквамат Адмікс...зробити чорнову стяжку, як висохне пройтися рідкою гумою і її зверху залити вже рівненькою стяжкою... Не. Это сложно. Бетон будете заказывать или месить на месте? Посилання на коментар Поділитися на інших сайтах More sharing options...
asya115 Опубліковано: 16 липня 2014 Поділитись Опубліковано: 16 липня 2014 Хотілося б замовити готовий бетон, але нажаль вузький заїзд, бо це дачний масив, бетонозмішувач не проїжджає там...Будемо крутити своїм бетонозмішувачем... Посилання на коментар Поділитися на інших сайтах More sharing options...
Propeller Опубліковано: 16 липня 2014 Поділитись Опубліковано: 16 липня 2014 Хотілося б замовити готовий бетон, але нажаль вузький заїзд, бо це дачний масив, бетонозмішувач не проїжджає там...Будемо крутити своїм бетонозмішувачем... До конца недели нарисую как сделать. Посилання на коментар Поділитися на інших сайтах More sharing options...
Propeller Опубліковано: 17 липня 2014 Поділитись Опубліковано: 17 липня 2014 Собственно, вот так. Думаю, последовательность операций понятно. Новый бетонный пол обязательно армировать металлической арматурной сеткой. Толщина нового пола не менее 100 мм. Бентонитовый шнур прибивать к стене гвоздями по бетону (продаются) с шагом 30 см. 1 Посилання на коментар Поділитися на інших сайтах More sharing options...
asya115 Опубліковано: 22 липня 2014 Поділитись Опубліковано: 22 липня 2014 Собственно, вот так. Думаю, последовательность операций понятно. Новый бетонный пол обязательно армировать металлической арматурной сеткой. Толщина нового пола не менее 100 мм. Бентонитовый шнур прибивать к стене гвоздями по бетону (продаются) с шагом 30 см. А що робити із старою стяжкою, вона вся потріскана та ще й в болоті, коли весною піднімалась вода то разом з землею, зараз там просто болото...(((Його вигрібати чи як?(Болота десь на висоту підошви см2) Посилання на коментар Поділитися на інших сайтах More sharing options...
Propeller Опубліковано: 22 липня 2014 Поділитись Опубліковано: 22 липня 2014 А що робити із старою стяжкою, вона вся потріскана та ще й в болоті, коли весною піднімалась вода то разом з землею, зараз там просто болото...(((Його вигрібати чи як?(Болота десь на висоту підошви см2) Если Вы хотите сохранить высоту потолков, то старую стяжку долой и на её место слой щебня такой толщины, чтобы под ним скрылась вода. Если с этим нет проблем, то просто на стяжку насыпьте слой щебня толщиной больше 2 см. 1 Посилання на коментар Поділитися на інших сайтах More sharing options...
asya115 Опубліковано: 5 вересня 2015 Поділитись Опубліковано: 5 вересня 2015 Если Вы хотите сохранить высоту потолков, то старую стяжку долой и на её место слой щебня такой толщины, чтобы под ним скрылась вода. Если с этим нет проблем, то просто на стяжку насыпьте слой щебня толщиной больше 2 см. Добрий день!Залили підлогу в підвалі, все зробили як ви писалиі малювали, добавили Пластипруф. Супер! Тепер хочемо поштукатурити в підвалі, підкажіть чи можна цей Пластіпруф додати в розчин для штукатурки і в яких пропорціях?Стіни в підвалі з цегли. Дякую! Посилання на коментар Поділитися на інших сайтах More sharing options...
Propeller Опубліковано: 5 вересня 2015 Поділитись Опубліковано: 5 вересня 2015 Добрий день!Залили підлогу в підвалі, все зробили як ви писалиі малювали, добавили Пластипруф. Супер! Тепер хочемо поштукатурити в підвалі, підкажіть чи можна цей Пластіпруф додати в розчин для штукатурки і в яких пропорціях?Стіни в підвалі з цегли. Дякую! Здравствуйте! Вам нужен Домолит. Расход 0,75 кг на 1 м куб раствора. Если средняя толщина стяжки 2 см, то это на 50 м кв. Домолит : www.ekco.com.ua/uploads/site_structure/pdf/0755/70.PDF Текущие цены (цену упаковки умножить на 27 т отнять 10%) : ekco.uaprom.net/g6073841-plastifikatory-zamenitel-izvesti Посилання на коментар Поділитися на інших сайтах More sharing options...
Privet Опубліковано: 5 вересня 2015 Поділитись Опубліковано: 5 вересня 2015 А если забуриться в подвале - до первого водоносного слоя и туда сбрасывать ?! Или это запрещено ? У меня в гараже - в подвал ливнёвка шурует. Не много, но есть. Подвал 8 х 6 метров. Если выполнять весь комплекс работ - тяжело и много надо потрудиться. У нас проходит первый водоносный слой на глубине 5-ти метров. Может, забуриться ? Мне не трудно. Единственное, что смущает - вода вверх , в подвал не попрёт ?! Сосед бурил как-то под воду - говорит там, в первом водоносе - дебета нет совсем. Бурил дальше - через гранитную плиту - попал на другой водонос - но уже на 16-ти метрах - тоже нет напора. Плюнул он на это дело. *** Посилання на коментар Поділитися на інших сайтах More sharing options...
asya115 Опубліковано: 6 вересня 2015 Поділитись Опубліковано: 6 вересня 2015 Здравствуйте! Вам нужен Домолит. Расход 0,75 кг на 1 м куб раствора. Если средняя толщина стяжки 2 см, то это на 50 м кв. Домолит : www.ekco.com.ua/uploads/site_structure/pdf/0755/70.PDF Текущие цены (цену упаковки умножить на 27 т отнять 10%) : ekco.uaprom.net/g6073841-plastifikatory-zamenitel-izvesti Ми заливали стяжку, точніше робили по вашому малюнку бетонну підлогу з шнуром ватерстоп, армували і добавляли пластипруф (в мене залишилось багато Пластипруфу), думали використати його для штукатурки...((( То Пластипруф не підходить для штукатурки так? Посилання на коментар Поділитися на інших сайтах More sharing options...
Propeller Опубліковано: 6 вересня 2015 Поділитись Опубліковано: 6 вересня 2015 Ми заливали стяжку, точніше робили по вашому малюнку бетонну підлогу з шнуром ватерстоп, армували і добавляли пластипруф (в мене залишилось багато Пластипруфу), думали використати його для штукатурки...((( То Пластипруф не підходить для штукатурки так? Можете попробовать. Просто эффект от Домолита был бы выше. 1 Посилання на коментар Поділитися на інших сайтах More sharing options...
Рекомендовані повідомлення
Створіть акаунт або увійдіть у нього для коментування
Ви маєте бути користувачем, щоб залишити коментар
Створити акаунт
Зареєструйтеся для отримання акаунта. Це просто!
Зареєструвати акаунтУвійти
Вже зареєстровані? Увійдіть тут.
Увійти зараз