Papetti Опубліковано: 9 січня 2015 Поділитись Опубліковано: 9 січня 2015 Потрібна порада. Квартира в новобудові, розводка зроблена - три контури розетки (ванна, кухня, прихожа+2кімнати) і один освітлення (вся квартира). ШВВП, розетки 3*2,5, світло 3*1,5. Знаю шо то не правильно, але переробляти вже було пізно. Ним же і доробив пару розеток, плюс кину окремий кабель на котел, плиту, балкони. Дійшла черга до щитка. Зараз стоять на розетках ПЗВ ІЕК С16, на освітлення - автомат ІЕК С10 Лічильник розташований на сходовій клітці, до і після нього - двополюсні автомати С25 питання - вхідний автомат в квартирі. Ну щоб в разі чого вибивав в квартирі, а не на сходовій (плюс можливість обезструмити всю квартиру одним автоматом) повинен бути менший (тобто 20А) чи можна поставити на 25А тільки чутливіший (категорія B). 25А - і так ж не густо... - реле напруги я так розумію треба ставити (яке, номінал) - існуючі пвз/автомат залишати чи міняти? - нові контури (котел, плита, 2 балкони) чим захищати? пвз чи автомат? Сильно не штурхайте якщо щось не так описав :D Щиток буду збирати з електриком, але хочу бути підготовленим. Посилання на коментар Поділитися на інших сайтах More sharing options...
Новодел Опубліковано: 9 січня 2015 Поділитись Опубліковано: 9 січня 2015 Ну про провода уже сами покаялись. - вхідний автомат в квартирі. Ну щоб в разі чого вибивав в квартирі, а не на сходовій Называется "селективность", как уже не раз на форуме писали, в квартире на маленьких токах добиться практически невозможно, так что не заморачивайтесь. (плюс можливість обезструмити всю квартиру одним автоматом) Автомат не предназначен для регулярного включения/отключения нагрузки Поставьте на вход выключатель нагрузки (проще говоря, рубильник). Только если нет неотключаемой линии, то много не наклацаетесь (если только холодильник на ИБП повесите) - реле напруги я так розумію треба ставити (яке, номінал) Желательно. Зубр, на один шаг больше входного автомата (т.е. в вашем случае - на 40А) - існуючі пвз/автомат залишати чи міняти? Тут немножко рулетка. Если автоматы от застройщика, то, имхо, лучше поменять. - нові контури (котел, плита, 2 балкони) чим захищати? пвз чи автомат? Да вам и на существующие линии надо ставить либо дифавтоматы, либо УЗО. Кстати, у вас плита газовая или электрическая? Если электрическая, то, возможно, вам еще придется ставить реле выбора приоритетной нагрузки. И совет - нарисуйте схему щитка, будет понятнее, да и косяки легче будет выловить. 1 Посилання на коментар Поділитися на інших сайтах More sharing options...
Papetti Опубліковано: 9 січня 2015 Автор Поділитись Опубліковано: 9 січня 2015 Называется "селективность", как уже не раз на форуме писали, в квартире на маленьких токах добиться практически невозможно, так что не заморачивайтесь. тобто завжди при КЗ буде вибивати автомат на сходовій? зараз, доречі, так і є - вибиває в під"їзді (що мене і дивує) Та, і на розетках не пзв, а дифавтомати, пардоньте. Да вам и на существующие линии надо ставить либо дифавтоматы, либо УЗО. на існуючих є дифавтомати Кстати, у вас плита газовая или электрическая? Если электрическая, то, возможно, вам еще придется ставить реле выбора приоритетной нагрузки. плита газова, духовка електрична Посилання на коментар Поділитися на інших сайтах More sharing options...
cooler.od Опубліковано: 9 січня 2015 Поділитись Опубліковано: 9 січня 2015 тобто завжди при КЗ буде вибивати автомат на сходовій? Да, будет. И это нормально. Ток КЗ значительно выше номинала автомата. 1 Посилання на коментар Поділитися на інших сайтах More sharing options...
Новодел Опубліковано: 10 січня 2015 Поділитись Опубліковано: 10 січня 2015 тобто завжди при КЗ буде вибивати автомат на сходовій? Да. Поставьте на вход в свой щиток индикаторную лампу - будете хотя бы знать, питание на вход подается, или нужно идти смотреть автомат на лестнице. 1 Посилання на коментар Поділитися на інших сайтах More sharing options...
Papetti Опубліковано: 10 січня 2015 Автор Поділитись Опубліковано: 10 січня 2015 Тобто навіть якщо поставити в квартирі автомат такого самого номіналу, але чутливіший (25А тип B) все одно виб'є на сходовій? Посилання на коментар Поділитися на інших сайтах More sharing options...
Energon Опубліковано: 10 січня 2015 Поділитись Опубліковано: 10 січня 2015 Тобто навіть якщо поставити в квартирі автомат такого самого номіналу, але чутливіший (25А тип B) все одно виб'є на сходовій? Да. нехай він там висить в сходовому щитку. В квартирному можно поставить рубильник 25-40А, ним можно знімати напругу якщо Ви будете проводити ремонтні роботи в щитку, тому потреба лізти в етажний відпадає. У вас буде багатоступінчастість, селективності в такому випадку дуже важко досягти. Добавлено через 1 минуту Поставьте на вход в свой щиток индикаторную лампу Потреба відпадає так як буде ЗУБР а в нього є індикація напруги з вольтметром. Якщо вибирать реле напруги то беріть ЗУБР він зараз самий надійний. 1 Посилання на коментар Поділитися на інших сайтах More sharing options...
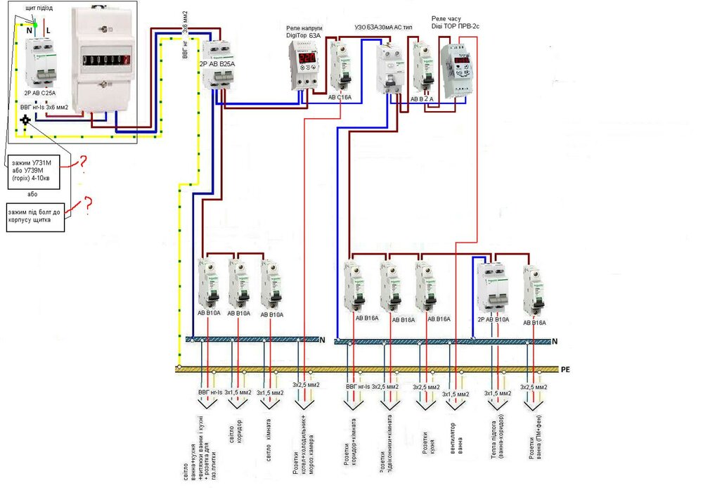
-AXID- Опубліковано: 2 лютого 2015 Поділитись Опубліковано: 2 лютого 2015 Форумчани, підкажіть будь-ласка і мені, як новачку в електриці чи правильно скомпонований щиток. Квартира однокімнатна. Можливо щось добавити-виправити. Дуже вдячний за коментарі і критику Посилання на коментар Поділитися на інших сайтах More sharing options...
Новодел Опубліковано: 2 лютого 2015 Поділитись Опубліковано: 2 лютого 2015 Форумчани, підкажіть будь-ласка і мені, як новачку в електриці чи правильно скомпонований щиток. Квартира однокімнатна. Можливо щось добавити-виправити. Дуже вдячний за коментарі і критику По земле - у вас нет выделенного PE проводника в этажном щитке? После счетчика автомат можно не ставить - селективности все равно не добьетесь. Лучше на это место Реле напряжения и УЗО перенесите, или, если хотите все выключать одним движением, рубильник поставьте. На ванную комнату рекомендуют ставить 10мА УЗО, но 30мА тоже можно. Свет тоже должен быть под защитой УЗО. Розетку для плиты со светом не объединять - свет отдельно, розетки отдельно, даже если это розетки для света. Когда-нибуть по забывчивости (или потомки по незнанию) воткнут что-нить - вот сюрприз будет Розетки - котел и холодильник" - какая мощность котла? Хватит ли ему 3 х 2,5? "Вытяжка ванная" и "вентилятор ванная" - это не одно и то же? Уверены, что на кухне хватит одного кабеля 3х2,5? Духовка будет электрическая или газовая? Кабель для теплого пола - какая мощность пола? 3 х 1,5 хватит? Автомат для реле времени с таким номиналом - поискать придется, да и стоить будет дороже АВ на 10А. 1 Посилання на коментар Поділитися на інших сайтах More sharing options...
Energon Опубліковано: 3 лютого 2015 Поділитись Опубліковано: 3 лютого 2015 пункт три не обязательно под УЗО, квартира в новостное там наверняка заземление есть. Если оно там есть то правила допускают не установку на линии освещения. Посилання на коментар Поділитися на інших сайтах More sharing options...
-AXID- Опубліковано: 3 лютого 2015 Поділитись Опубліковано: 3 лютого 2015 (змінено) По земле - у вас нет выделенного PE проводника в этажном щитке? После счетчика автомат можно не ставить - селективности все равно не добьетесь. Лучше на это место Реле напряжения и УЗО перенесите, или, если хотите все выключать одним движением, рубильник поставьте. На ванную комнату рекомендуют ставить 10мА УЗО, но 30мА тоже можно. Свет тоже должен быть под защитой УЗО. Розетку для плиты со светом не объединять - свет отдельно, розетки отдельно, даже если это розетки для света. Когда-нибуть по забывчивости (или потомки по незнанию) воткнут что-нить - вот сюрприз будет Розетки - котел и холодильник" - какая мощность котла? Хватит ли ему 3 х 2,5? "Вытяжка ванная" и "вентилятор ванная" - это не одно и то же? Уверены, что на кухне хватит одного кабеля 3х2,5? Духовка будет электрическая или газовая? Кабель для теплого пола - какая мощность пола? 3 х 1,5 хватит? Автомат для реле времени с таким номиналом - поискать придется, да и стоить будет дороже АВ на 10А. 1. Будинок ще австрійський,стояк алюміній на око 6мм.кв, РЕ немає (проводка напевно родом з 60-их років). Почитав на різних форумах, що при такому стояку краще взагалі нікуди не під'єднувати РЕ, а заізолювати його в щитку. Так буде правильно? 2. Автомат після лічильника має виконувати фунцію рубильника, оскільки дешевший від нього. Про селективність прочитав багато і зрозумів, що в квартирі про неї можна забути. 3. На ванну в майбутньому планую доставити УЗО 10мА, в щитку ще залишаться резервні місця (щиток Хагер 24модулі). Читав, що при новій проводці на світло можна УЗО не ставити (правила не зобов'язують і у виключателях буде рватись фаза), чи я не розібрався? 4. "Розетка газ.плитки" розрахована на п'єзо підпал, буде розміщуватись в задній стінці тумбочки, вирішив давати від світла через економію кабелю і зручність прокладки, але якщо потрібно прокладу від розеточної лінії. 5. Котел газовий двохконтурний, я думаю насос потужністю 200Вт? 6. Витяжка одна, але хочу зробити щоб вентилятор включався від таймера і також вимикачем. Тут на форумі запитував по такому підключенню (фото). 7.Духовка буде газова, точніше буде класична газова плитка з духовкою в одному корпусі. Мало б вистачити однієї лінії 3*2,5 на решту не постійно включених приладів. 8. Тепла підлога 5м.кв, потужність 850 Вт, мало б вистачити 3*1,5. 9.Про вартість 2А автомата знаю, але на вентилятор потужністю біля 200Вт 10А думаю буде забагато, чи ні? Можливо взяти 6А? А от нульовий провід на УЗО можна брати від реле напруги чи краще взяти від шинки? Змінено 3 лютого 2015 користувачем -AXID- правка Посилання на коментар Поділитися на інших сайтах More sharing options...
Новодел Опубліковано: 3 лютого 2015 Поділитись Опубліковано: 3 лютого 2015 1. Будинок ще австрійський,стояк алюміній на око 6мм.кв, РЕ немає (проводка напевно родом з 60-их років). Почитав на різних форумах, що при такому стояку краще взагалі нікуди не під'єднувати РЕ, а заізолювати його в щитку. Так буде правильно? В идеале - это чтобы электрики затянули в щиток заземление, но, к сожалению, "это, сынок, фантастика" (с). При отсутствии земли в щитке, вам PE проводник все равно тянуть, но при этом никуда не подключать (заизолируйте и оставьте в щитке, вдруг случится чудо и у вас модернизируют подъездную сеть). Да, и ни в коем случае не подключайте землю к подручным средствам, типа батареи отопления или водопровода! 2. Автомат після лічильника має виконувати фунцію рубильника, оскільки дешевший від нього. Про селективність прочитав багато і зрозумів, що в квартирі про неї можна забути. У автомата, по заявлениям производителей, вроде как ресурс включений/выключений ограниченный, поэтому при регулярном пользовании может быстро выйти из строя. Также, если вы планируете выключать электричество с квартире одним взмахом руки, я бы еще порекомендовал вам сделать неотключаемые линии, на которые посадить как минимум холодильник и котел (и сигнализацию, если будет). 3. На ванну в майбутньому планую доставити УЗО 10мА, в щитку ще залишаться резервні місця (щиток Хагер 24модулі). Читав, що при новій проводці на світло можна УЗО не ставити (правила не зобов'язують і у виключателях буде рватись фаза), чи я не розібрався? Действительно, ПУЭ не требует УЗО на освещение. Это я перестраховываюсь по принципу "лучше переспать, чем недоесть":) 4. "Розетка газ.плитки" розрахована на п'єзо підпал, буде розміщуватись в задній стінці тумбочки, вирішив давати від світла через економію кабелю і зручність прокладки, але якщо потрібно прокладу від розеточної лінії. Дело ваше, но я за принцип пассивной безопасности - розетка - это не свет. Вдруг забудете, что это за розетка, и захотите когда-нибудь в нее добавить еще нагрузки? 5. Котел газовий двохконтурний, я думаю насос потужністю 200Вт? В паспорте надо смотреть. Кстати, заодно уточните: 1) работает ли котел без земли (по-моему, даже тут на форуме я видел сообщения что котел не запускался, если были проблемы с заземлением) 2) требуется ли ему постоянное электропитание (возможно, потребуется поставить ИБП). 7.Духовка буде газова, точніше буде класична газова плитка з духовкою в одному корпусі. Мало б вистачити однієї лінії 3*2,5 на решту не постійно включених приладів. Все зависит от того что вы на кухне используете. Например, у меня на кухне живет, кроме микроволновки, еще хлебопечка и пара мультиварок. Как оказалось, вместе они по мощности уже могут вылезти за предельные значения одного автомата 8. Тепла підлога 5м.кв, потужність 850 Вт, мало б вистачити 3*1,5. Да, хватит. 9.Про вартість 2А автомата знаю, але на вентилятор потужністю біля 200Вт 10А думаю буде забагато, чи ні? Можливо взяти 6А? Как вариант. С 2А автоматом могут быть другие трудности - их могут тупо не завозить в Украину. А от нульовий провід на УЗО можна брати від реле напруги чи краще взяти від шинки? Имхо, логичнее через реле. 1 Посилання на коментар Поділитися на інших сайтах More sharing options...
cooler.od Опубліковано: 3 лютого 2015 Поділитись Опубліковано: 3 лютого 2015 Имхо, логичнее через реле. Производители реле не согласны. ) В инструкции к Зубру четко указано соединять ноль на шинке, а не на клемме. 2 Посилання на коментар Поділитися на інших сайтах More sharing options...
-AXID- Опубліковано: 4 лютого 2015 Поділитись Опубліковано: 4 лютого 2015 В идеале - это чтобы электрики затянули в щиток заземление, но, к сожалению, "это, сынок, фантастика" (с). При отсутствии земли в щитке, вам PE проводник все равно тянуть, но при этом никуда не подключать (заизолируйте и оставьте в щитке, вдруг случится чудо и у вас модернизируют подъездную сеть). Да, и ни в коем случае не подключайте землю к подручным средствам, типа батареи отопления или водопровода! У автомата, по заявлениям производителей, вроде как ресурс включений/выключений ограниченный, поэтому при регулярном пользовании может быстро выйти из строя. Также, если вы планируете выключать электричество с квартире одним взмахом руки, я бы еще порекомендовал вам сделать неотключаемые линии, на которые посадить как минимум холодильник и котел (и сигнализацию, если будет). Действительно, ПУЭ не требует УЗО на освещение. Это я перестраховываюсь по принципу "лучше переспать, чем недоесть":) Дело ваше, но я за принцип пассивной безопасности - розетка - это не свет. Вдруг забудете, что это за розетка, и захотите когда-нибудь в нее добавить еще нагрузки? В паспорте надо смотреть. Кстати, заодно уточните: 1) работает ли котел без земли (по-моему, даже тут на форуме я видел сообщения что котел не запускался, если были проблемы с заземлением) 2) требуется ли ему постоянное электропитание (возможно, потребуется поставить ИБП). Все зависит от того что вы на кухне используете. Например, у меня на кухне живет, кроме микроволновки, еще хлебопечка и пара мультиварок. Как оказалось, вместе они по мощности уже могут вылезти за предельные значения одного автомата Да, хватит. Как вариант. С 2А автоматом могут быть другие трудности - их могут тупо не завозить в Украину. Имхо, логичнее через реле. 1. Зрозумів, заізолюю в щитку і в розетках. 2. Автомат не планував регулярно "дьоргати",а тільки як рубильник у разі робіт в щитку щоб в підїзд не бігати. Ще подумаю, може взагалі його не буду ставити, але по логіці більшість аргументів, що потрібний... "Невідключаємих" ліній небуде, всетаки квартира однокімнатна, можна і вручну повитягувати вилки 3. Світло залишаю без УЗО 4.Зрозумів, зроблю додаткову розетку від лінії котел-холодильник. 5. Подивився в паспорт - макс. потужність насоса котла Вісман Вітопенд W-100 120-160 Вт. Зараз працює без заземлення, підключений до стабілізатора. Можливо потім при потребі і поставлю ІБП, коли зроблю ремонт 6. Всетаки залишаю одну лінію - "шо буде - то буде":) 7. Ок 8. Більшість автоматів і УЗО замовляв на форумі Хагер. Значить замовлю ще 6А, непотрібно екзотики. Переробив схему, дякую за Ваші коментарі і настанови Може ще якісь косяки є? Посилання на коментар Поділитися на інших сайтах More sharing options...
Новодел Опубліковано: 4 лютого 2015 Поділитись Опубліковано: 4 лютого 2015 Сейчас посмотрел на схему и возник один вопрос - а почему вы освещение вынесли из-под защиты реле напряжения? Лампочки ведь тоже не любят перенапрягаться Также, если у вас входной автомат на 25А, то УЗО на 63А избыточно; вам подойдет и на 40А. В остальном вроде все ок. 1 Посилання на коментар Поділитися на інших сайтах More sharing options...
-AXID- Опубліковано: 5 лютого 2015 Поділитись Опубліковано: 5 лютого 2015 (змінено) Десь читав, що світло краще не захищати реле, лампочки витримують більший перепад чим техніка. Крім того при спрацюванні реле іде затримка до включення напруги (настроюється вручну час), і без світла сидіти некомфортно. Читав, що ампераж УЗО має бути на номінал вищим, ніж сума ампер нижчих автоматів. В мене, коли доставлю УЗО на ванну, виходить сума нижчих 48А (3х16А), тому купив на 63А, хай вже буде Ще подумаю, можливо об'єднаю світло коридору і кімнати. Змінено 5 лютого 2015 користувачем -AXID- Посилання на коментар Поділитися на інших сайтах More sharing options...
serg.roof Опубліковано: 5 лютого 2015 Поділитись Опубліковано: 5 лютого 2015 Квартира в новобудові, розводка зроблена - три контури розетки (ванна, кухня, прихожа+2кімнати) і один освітлення (вся квартира). ШВВП, розетки 3*2,5, світло 3*1,5. Знаю шо то не правильно, але переробляти вже було пізно. Ну про провода уже сами покаялись. Если автор темы не против, влезу с вопросом к специалистам: А что нет так с сечением проводов? Вроде так и делают: 3*2,5 на розетки, и 3*1,5 на свет. Посилання на коментар Поділитися на інших сайтах More sharing options...
Energon Опубліковано: 5 лютого 2015 Поділитись Опубліковано: 5 лютого 2015 А что нет так с сечением проводов? потому что ШВВП, а по хорошему на да ВВГнг, ВВГнгд. 1 Посилання на коментар Поділитися на інших сайтах More sharing options...
serg.roof Опубліковано: 5 лютого 2015 Поділитись Опубліковано: 5 лютого 2015 потому что ШВВП, а по хорошему на да ВВГнг, ВВГнгд. то есть лучше, потому что монолит, а сечение нормально? Посилання на коментар Поділитися на інших сайтах More sharing options...
Energon Опубліковано: 5 лютого 2015 Поділитись Опубліковано: 5 лютого 2015 а сечение нормально? да нормально. 1 Посилання на коментар Поділитися на інших сайтах More sharing options...
-AXID- Опубліковано: 5 лютого 2015 Поділитись Опубліковано: 5 лютого 2015 Трохи помозгував і переробив схему. Об'єднав світло кімнати і коридору, а автомат 10А дав на лінію реле часу. Трошки змінив компоновку в щитку, думаю так буде зручніше в користуванні Посилання на коментар Поділитися на інших сайтах More sharing options...
Новодел Опубліковано: 5 лютого 2015 Поділитись Опубліковано: 5 лютого 2015 Десь читав, що світло краще не захищати реле, лампочки витримують більший перепад чим техніка. Дело ваше, но: 1) 380В при перехлесте проводов бытовая лампочка не выдержит. 2) Если вы будете использовать что-то сложнее лампочек Ильичанакаливания (например, LED), то защита пригодится Крім того при спрацюванні реле іде затримка до включення напруги (настроюється вручну час), і без світла сидіти некомфортно. Тут не поспорить, вопрос в том, насколько часто срабатывание будет? Читав, що ампераж УЗО має бути на номінал вищим, ніж сума ампер нижчих автоматів. В мене, коли доставлю УЗО на ванну, виходить сума нижчих 48А (3х16А), тому купив на 63А, хай вже будеПо номиналу УЗО (на шаг больше) - все верно, а вот с защитой - не совсем. УЗО должно быть защищено АВ, а с какой стороны - по барабану. Т.к. в вашем случае вышестоящий автомат на 25А (что явно меньше суммы номиналов нижестоящих автоматов), то именно на его номинал надо было ориентироваться. Добавлено через 1 минуту Трохи помозгував і переробив схему. Об'єднав світло кімнати і коридору, а автомат 10А дав на лінію реле часу. Трошки змінив компоновку в щитку, думаю так буде зручніше в користуванні А почему вынесли часть оборудвоания (как минимум, котел) из-под УЗО? Как раз для котла наличие дифзащиты очень актуально (вода, электричество) Посилання на коментар Поділитися на інших сайтах More sharing options...
-AXID- Опубліковано: 5 лютого 2015 Поділитись Опубліковано: 5 лютого 2015 Про вибір УЗО зрозумів свою помилку, але вже купив на 63А... Ще одне на ванну яке краще взяти - 40А чи 32А? З ваших рекомендацій виходить: - світло під реле напруги - лінію котел-холодильник під загальне УЗО Вважаєте так буде краще? Як скажете так і зроблю Посилання на коментар Поділитися на інших сайтах More sharing options...
Рекомендовані повідомлення
Створіть акаунт або увійдіть у нього для коментування
Ви маєте бути користувачем, щоб залишити коментар
Створити акаунт
Зареєструйтеся для отримання акаунта. Це просто!
Зареєструвати акаунтУвійти
Вже зареєстровані? Увійдіть тут.
Увійти зараз