Waldmann Опубліковано: 25 червня 2015 Поділитись Опубліковано: 25 червня 2015 Розетки не захищені ПЗВ з дифструмом 100мА, це вхідне ПЗВ (протипожарне). Я ж і маю на увазі, що деякі розетки та деякі ділянки проводки недостатньо захищені від струмів витоку. 2.5.2 Якщо як захід захисту у разі непрямого дотику використовується автоматичне вимикання живлення, застосування як захисного пристрою ПЗВ з номінальним вимикаючим диференційним струмом, що не перевищує 30 мА, в колах штепсельних розеток з робочим струмом до 32 А є обов'язковим Котельня планується з двома котлами, і газовий, і твердопаливний. Якщо є газовий котел, то тут є нюанс. В газовій котельні повинен бути встановлений сигналізатор метана (а в деяких випадках - і чадного газу). Згідно будівельних норм, цей пристрій повинен живитись окремою незалежною лінією (п. 4.17 ДБН В.2.5-23:2010). Посилання на коментар Поділитися на інших сайтах More sharing options...
назар1305 Опубліковано: 25 червня 2015 Автор Поділитись Опубліковано: 25 червня 2015 Я ж і маю на увазі, що деякі розетки та деякі ділянки проводки недостатньо захищені від струмів витоку. . На рахунок УЗО на всі розетки, я вже знаю, схему перероблю. Щодо датчику метану - не знав, дякую, врахую. Посилання на коментар Поділитися на інших сайтах More sharing options...
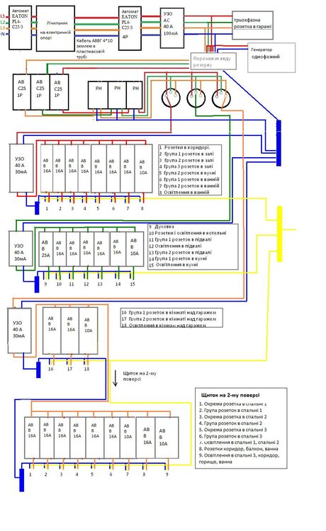
назар1305 Опубліковано: 28 червня 2015 Автор Поділитись Опубліковано: 28 червня 2015 Схема щитків мого будинку. Версія 2. Завдяки всім Вам і не тільки, переробив схему. Думаю, що це ще далеко не остаточна версія. Відмічу, що частина з АВ будуть замінені на тип С, після того як визначуся де що буде підключатися. Буду вдячний за коментарі. Посилання на коментар Поділитися на інших сайтах More sharing options...
Новодел Опубліковано: 28 червня 2015 Поділитись Опубліковано: 28 червня 2015 Буду вдячний за коментарі. Особых ляпов не видно. Из нюансов, нужно поосторожнее с разными фазами в одном помещении (в кухне) - гипотетически может быть ситуация (например, возникнет утечка на корпус, и УЗО при этом не сработают), когда напряжение будет ну очень опасным (220 и так не подарок, что уж говорить о 380=@). Поэтому желательно, чтобы розетки от разных фаз находились в недосягаемости друг от друга. Также рекомендую в щитки поставить индикаторные лампочки, как минимум на вводе сразу после главного автомата - немного упростит эксплуатацию (сразу будете видеть, где напряжение есть, а где нет). И вопрос по генератору - в случае его включения, как вы предполагаете рассортировать потребителей на важных и не очень? Будете бегать по дому и выдергивать вилки из розеток, или генератор поставите достаточной мощности? 1 Посилання на коментар Поділитися на інших сайтах More sharing options...
назар1305 Опубліковано: 28 червня 2015 Автор Поділитись Опубліковано: 28 червня 2015 нужно поосторожнее с разными фазами в одном помещении Дякую за пораду. Буду намагатися врахувати. Я пронумерував кабелі тільки на 2-му поверсі, а перший і підвал не встиг - штукатури підганяли. Мушу передивитися фотографії, відео, з тестером походити... Коли точно визначу що де буде стояти, поділю ще раз. Думаю вдасться кухню і ще щось - на одну фазу, а зал і ще щось - на іншу. Добавлено через 2 минуты поставить индикаторные лампочки, как минимум на вводе сразу после главного автомата - немного упростит эксплуатацию А по реле контролю напруги не буде видно де є напруга, а де ні? Добавлено через 6 минут как вы предполагаете рассортировать потребителей на важных и не очень?Ось до цього питання я ще не дійшов. Буду вивчати як це зробити. А може хтось підкаже? Я, взагалі, хотів би трохи автоматизувати цю схему. Я так бачу, що все рівно щиток треба на 60 модулів брати... Може реле пріоритету якесь доставити, чи ще щось Добавлено через 24 минуты Треба визначатися де і що купувати. Може хтось стикався з цим інтернет-магазином і може висловити свою думку? axiomplus.com.ua/ Посилання на коментар Поділитися на інших сайтах More sharing options...
Energon Опубліковано: 29 червня 2015 Поділитись Опубліковано: 29 червня 2015 розетка в гараж не захищенна узо на 30ма, там просто автомат и все Добавлено через 12 минут зачем вам реле приоритету, забудьте за него. Что вам мощностине хватает при выделенных вам 25а на фазу. Те переключатели что бы фазу выбирать, хорошие берите не Аско гореть будут. Может кухню бы еще перекинул на одну фазу, и купилл дополнительное узо что бы разделить автоматику. Посилання на коментар Поділитися на інших сайтах More sharing options...
Новодел Опубліковано: 30 червня 2015 Поділитись Опубліковано: 30 червня 2015 А по реле контролю напруги не буде видно де є напруга, а де ні? Наверно, должно быть видно, но надо инструкцию смотреть. Имхо, индикаторами нагляднее получится (на пластроне рядом налепил надписи, и не паришься потом, вспоминая, что какая лампочка означает) Ось до цього питання я ще не дійшов. Буду вивчати як це зробити. А може хтось підкаже? Я, взагалі, хотів би трохи автоматизувати цю схему. Я так бачу, що все рівно щиток треба на 60 модулів брати... Може реле пріоритету якесь доставити, чи ще щось Для начала определитесь, а нужен ли вам генератор вообще? Если у вас электричество пропадает раз в год на полчаса, то, проще и дешевле подождать эти полчаса Если же вы точно решили, что генератор нужен, то тут возможны варианты на любой вкус и цвет: Как написал раньше, при включении генератора ходить по дому и выдергивать из розеток всех некритичных потребителей. Поставить генератор достаточной мощности и питать всех потребителей, независимо от того, критичный он или нет. Заранее собрать всех критичных потребителей на одну фазу (или одну силовую ветку), и подключить генератор именно к ней. Натыкать реле, чтобы при включении генератора (или пропадании основного электропитания) автоматически отключались все неприоритетные потребители. Использовать дистанционно управляемые приводы, чтобы при запуске генератора отключать автоматы всех неприоритетных потребителей. ... Много их, вплоть до "безумного" дома Посилання на коментар Поділитися на інших сайтах More sharing options...
назар1305 Опубліковано: 30 червня 2015 Автор Поділитись Опубліковано: 30 червня 2015 а нужен ли вам генератор вообще? Если у вас электричество пропадает раз в год на полчаса В мене ситуація проста і багатьом знайома: мікрорайон новий, активно розбудовується, а ТП стара. На даному етапі - генератор не потрібний. Але хотілось би передбачити всі варіанти і потім бути до них готовим. І взагалі, як приємно один раз в рік на пів години включити все що світиться, знаючи що в сусіда немає світла... навіть не зважаючи на кількість тис.грн. на це потрачених Посилання на коментар Поділитися на інших сайтах More sharing options...
Новодел Опубліковано: 1 липня 2015 Поділитись Опубліковано: 1 липня 2015 В мене ситуація проста і багатьом знайома: мікрорайон новий, активно розбудовується, а ТП стара. На даному етапі - генератор не потрібний. Але хотілось би передбачити всі варіанти і потім бути до них готовим. І взагалі, як приємно один раз в рік на пів години включити все що світиться, знаючи що в сусіда немає світла... навіть не зважаючи на кількість тис.грн. на це потрачених Ну, "хороший понт дороже денег":) Посилання на коментар Поділитися на інших сайтах More sharing options...
jenkins Опубліковано: 1 липня 2015 Поділитись Опубліковано: 1 липня 2015 І взагалі, як приємно один раз в рік на пів години включити все що світиться, знаючи що в сусіда немає світла... навіть не зважаючи на кількість тис.грн. на це потрачених напомнило youtu.be/s6r5bMyHS9A?t=121 с 2.00 Посилання на коментар Поділитися на інших сайтах More sharing options...
назар1305 Опубліковано: 1 липня 2015 Автор Поділитись Опубліковано: 1 липня 2015 напомнило youtu.be/s6r5bMyHS9A?t=121 с 2.00 чиста правда Посилання на коментар Поділитися на інших сайтах More sharing options...
назар1305 Опубліковано: 4 липня 2015 Автор Поділитись Опубліковано: 4 липня 2015 Придбав клемники Ваго серії 773. Виникло питання: читав що вони розраховані на номінальний струм 24А, а на клемнику маркування (якщо я його правильно розумію) 20А. Я не то купив, чи мені не то підсунули? Посилання на коментар Поділитися на інших сайтах More sharing options...
назар1305 Опубліковано: 20 серпня 2015 Автор Поділитись Опубліковано: 20 серпня 2015 Якось мені писали, що для того щоб спрацьовувало УЗО необхідно щоб було заземлення (як писав вище в мене в деяких кімнатах на освітлення кинутий кабель 2*1,5). Знайшов рекламку Easy 9 від Schneider. Цитую: "Рекомендация по применению УЗО. Применение УЗО и дифавтоматов Easy9 обезпечивает защиту даже в случае отсутствия заземления". Яка Ваша думка щодо цього? Це стосується усіх марок УЗО, чи Easy9 якісь особливі? Посилання на коментар Поділитися на інших сайтах More sharing options...
Energon Опубліковано: 20 серпня 2015 Поділитись Опубліковано: 20 серпня 2015 Це стосується усіх марок УЗО, чи Easy9 якісь особливі? если у прибора корпус заземлен и пошла утечка, то УЗО сработало, если корпус не заземлен то УЗО будет ждать когда вы к нему дотронетесь то лишь тогда сработает. Во втором случае может тряхнуть, но УЗО не сработать так как приличных мА УЗО может не набрать. как то так. Посилання на коментар Поділитися на інших сайтах More sharing options...
назар1305 Опубліковано: 20 серпня 2015 Автор Поділитись Опубліковано: 20 серпня 2015 если у прибора корпус Дуже дякую, тепер зрозумів. Посилання на коментар Поділитися на інших сайтах More sharing options...
VIESSMANN Опубліковано: 21 серпня 2015 Поділитись Опубліковано: 21 серпня 2015 Розетки не захищені ПЗВ з дифструмом 100мА, це вхідне ПЗВ (протипожарне). Щодо ввідного автомату на другому поверсі - згідний з Вами. Щодо кабелю ПВС, теж згідний, але тільки тепер прочитав про його призначення. В принципі, можу замінити, але шкода коштів витрачених на нього. Що робити? Підкажіть, які можливі наслідки, якщо залишити ПВС? Котельня планується з двома котлами, і газовий, і твердопаливний. Продайте ПВС на форуме. Добавлено через 2 минуты ох, эти сказочники. Сами то вдумайтесь в этот бред(( тож первый раз такое слышу. Посилання на коментар Поділитися на інших сайтах More sharing options...
назар1305 Опубліковано: 21 серпня 2015 Автор Поділитись Опубліковано: 21 серпня 2015 Продайте ПВС на форуме. Його демонтаж без пошкоджень був би мало ймовірним. Я проклав ВВГ 3*6, а ПВС так і залишиться (на всякий випадок) Посилання на коментар Поділитися на інших сайтах More sharing options...
назар1305 Опубліковано: 20 вересня 2015 Автор Поділитись Опубліковано: 20 вересня 2015 Добрий вечір, шановні форумчани. Чергова версія мого щитка. Спробував показати, як я це все бачу у самому щитку. Відразу зазначу, що, звичайно, не буде і реле контролю напруги і стабілізатори, як на малюнку. Поки будівельні роботи, нічого з того ставити не буду. Потім визначуся, що ставити - реле чи стабілізатори. Виглядає так, що правду кажуть: "Чем дальше в лес/влез..." тим більше питань: Чи правильно ставити реле напруги після генератора? Якщо ні, то де їх поставити, після вхідного автомата та перед протипожежним ПЗВ? Яка роль двох-полюсних автоматів? Може загальні автомати на кожну фазу (три АВ 25А в верхньому ряді) поміняти на двох-полюсні? Чи правильно запроектовано підключення стабілізаторів? Як організувати їх підключення в майбутньому? Чи правильно організовано виключення електрики при виході з будинку? Чи можна виключателі замінити на однополюсні? Чи правильно організовано підключення генератора? Чи правильно я розумію організацію вирівнювання потенціалів: від РЕ шини заводимо провід в приміщення (наприклад в ванну кімнату) в окрему розподільчу коробку. З коробки окремі проводи до кожного металевого пристрою. Як в такому випадку забезпечити естетичний вигляд, адже проводи будуть стирчати зі стіни? Читав, що на один ПЗВ можна ставити до шести ліній, але якщо не помиляюсь, є така норма: Сумарна величина струмів витоку мережі з урахуванням приєднаних стаціонарних і переносних електроприймачів у нормальному режимі роботи не повинна перевищувати 1/3 номінального струму П3В. 3а відсутності даних про струми витоку електроприймачів їх слід приймати з розрахунку 0,3 мА на 1 А струму навантаження, а струм витоку мережі - з розрахунку 10 мкА на 1 м довжини фазного провідника. Тобто якщо в мене АВ на 25 А, ПЗВ на 30мА, то довжина ліній підключених до цього ПЗВ може бути наступною: 1/3 * 30мА=0,3мА*25+0,01мА*довжина підключених ліній; Довжина підключених ліній=(1/3*30-0,3*25)/0,01=250 метрів. Чи правильні мої розрахунки, чи можна до одного ПЗВ з номінальним струмом витоку 30мА в моєму випадку підключити кількість ліній сумарна довжина яких не перевищує 250м? На кухні є така лінія: від щитка до розетки для електричної духовк іде 3*4мм.кв., від неї до посудомийки 3*2,5 мм.кв., також від духовки до холодильника 3*2,5мм.кв., і від посудомийки до запалу для газової плитки 3*2,5 мм.кв. Все це захищено АВ на 25А. Розумію, що це не відповідає правилам і таке «чудо» треба захищати АВ на 16А. Питання: чи можу я залишити все так як є, враховуючи, що всі ці розетки будуть закриті кухонними меблями і до них будуть підключені виключно перераховані мною прилади? Підключити, наприклад, до посудомийки мікрохвильову піч або ел. чайник, можливості не буде. Я не планував ставити кондиціонери, зараз передумав. Стіни поштукатурені. Чи можна кабель кинути зовнішньою стороною стіни, якщо планується утеплювати будинок пінопластом? Розеточні лінії на 2-му поверсі захистив АВ типу В, але в будь-яку із цих розеток може бути включений пилосос. Замінити усі АВ на тип С? Який би Ви порадили щиток, чи можна два щитки один біля одного, як їх з’єднати? Я розраховував на Hager Golf на 72 модулі, тепер бачу що може бути замалим, а ще хотілось би мати запас на майбутнє. Які вибрати кулачкові перемикачі? В Хагера не знайшов (може погано шукав) Для з’єднання РЕ і N проводів в щитку планував використовувати блоки клем від Хагера strumok.kiev.ua/blok-n-klem-shirina-45mm-kn10n-dlia-shchitov-hager.html. Підкажіть, вони кріпляться на DIN- рейку? Якщо так, то не впевнений що вистачить місця. Які варіанти можете запропонувати Ви? Яким проводом з’єднувати модулі, скільки його потрібно, які брати наконечники? Чи є якісь вимоги, як повинні входити кабелі в щиток? Чи можна їх заводити з різних сторін щитка? Буду вдячний за Ваші коментарі/поради/зауваженняСхема-1.doc Посилання на коментар Поділитися на інших сайтах More sharing options...
Рекомендовані повідомлення
Створіть акаунт або увійдіть у нього для коментування
Ви маєте бути користувачем, щоб залишити коментар
Створити акаунт
Зареєструйтеся для отримання акаунта. Це просто!
Зареєструвати акаунтУвійти
Вже зареєстровані? Увійдіть тут.
Увійти зараз