doughnut Опубліковано: 1 лютого 2016 Поділитись Опубліковано: 1 лютого 2016 Добрый день. Необходимы советы по вопросу ремонта подвала дачного дома и конструкции пола 1-ого этажа над подвалом. Начнем с первого. Имеется подвал под частью дачного дома размером 5.0х3.8 метра. Высота 2 метра. Стены из панелей. Стыки между панелями заделаны очень плохо. В основном забит каучуковый шнур. Гидроизоляции я думаю нет. Как видно на фотографиях на плите перекрытия влага в районе стыков плит. Цоколь первого этажа выложен из кирпича и насколько я понимаю без отсечки от плит, что в свою очередь дает влаге попадать в кирпич. Как лечить данную криворукость строителей? Сразу оговорюсь снаружи откопать нет возможности. Посилання на коментар Поділитися на інших сайтах More sharing options...
doughnut Опубліковано: 1 лютого 2016 Автор Поділитись Опубліковано: 1 лютого 2016 Ну и вопрос № 2 . Организация полов на первом этаже над подвалом. Сейчас картина следующая снизу-вверх. 1. Подвальное помещение. 2. Ж/б плита перекрытия покрытая битумом 3. Шлак серый слоем 30 см. 4. Лаги по кирпичным подставкам. 5. Доска пола 50х200. Часть доски погрызанной жучком примыкающей к стене удалено еще в 90-х. Свои действия вижу в следующем. Снимаю доски, выгребаю весь шлак. Ремонтирую цоколь изнутри. Делаю новый скелет деревянного пола и накрываю OSB. Подскажите, что необходимо учесть при таком варианте? Необходима ли вентиляция подпола и можно ли ее организовать решетками по углам пола не выводя на улицу. Заранее благодарен за советы и рекомендации. Посилання на коментар Поділитися на інших сайтах More sharing options...
doughnut Опубліковано: 3 лютого 2016 Автор Поділитись Опубліковано: 3 лютого 2016 Просмотров аж 66, а советов нет. Посилання на коментар Поділитися на інших сайтах More sharing options...
Технология Строительства Опубліковано: 4 лютого 2016 Поділитись Опубліковано: 4 лютого 2016 Просмотров аж 66, а советов нет. А тут только один дельный совет. Туда нужно очень много баба вбухивать=). Легче будет снести и построить, что то новое=). И как можно обвинять строителей в криворукости. Как можно стеновые панели использовать в качестве стен цокольного этажа? ВЫ хоть раз такое видели в жизни кроме Вашего дома? И как его вообще можно исправлять не откапывая снаружи? Вы купили этот дом или строили? У Вас вообще какая цель этого всего мероприятия? Посилання на коментар Поділитися на інших сайтах More sharing options...
doughnut Опубліковано: 5 лютого 2016 Автор Поділитись Опубліковано: 5 лютого 2016 А тут только один дельный совет. Туда нужно очень много баба вбухивать=). Легче будет снести и построить, что то новое=). И как можно обвинять строителей в криворукости. Как можно стеновые панели использовать в качестве стен цокольного этажа? ВЫ хоть раз такое видели в жизни кроме Вашего дома? И как его вообще можно исправлять не откапывая снаружи? Вы купили этот дом или строили? У Вас вообще какая цель этого всего мероприятия? Спасибо, что обратили внимание на мою тему. Теперь по порядку. С самого простого - дом построен 30 лет назад и до сих пор стоит и трещин не наблюдается. Я его не строил, а приобрел еще в 1998 году. По поводу стеновых панелей для цоколя, то в нашем городе их очень много. Как будете в Мариуполе маякните - проведу экскурсию. По делу - во что нужно "вбухать много бабла"? Посилання на коментар Поділитися на інших сайтах More sharing options...
Propeller Опубліковано: 5 лютого 2016 Поділитись Опубліковано: 5 лютого 2016 Давайте сначала по первому пункту. Межпанельные подземные швы. 1. Можно попробовать решить изнутри. 2. Хорошо бы увидеть где-то поперечный разрез панели. В идеале с размерами. И как эти панели увязаны между собой в общую стену. Там соединение шип-паз? Или как? 3. Ширина шва между панелями. 4. Хорошо бы понять шевелятся ли эти панель друг относительно друга. Неплохо бы поставит маяки. Посилання на коментар Поділитися на інших сайтах More sharing options...
doughnut Опубліковано: 5 лютого 2016 Автор Поділитись Опубліковано: 5 лютого 2016 Давайте сначала по первому пункту. Межпанельные подземные швы. 1. Можно попробовать решить изнутри. 2. Хорошо бы увидеть где-то поперечный разрез панели. В идеале с размерами. И как эти панели увязаны между собой в общую стену. Там соединение шип-паз? Или как? 3. Ширина шва между панелями. 4. Хорошо бы понять шевелятся ли эти панель друг относительно друга. Неплохо бы поставит маяки. До конца месяца в командировке, попрошу отца снять размеры. Панели стоят почти в плотную к другу-другу. Зазор между ними 3-4 см и в него вставлен каучуковый шнур. Если убираем шнур-видим грунт. Маяки стоят на всех плитах -движение не замечено. Посилання на коментар Поділитися на інших сайтах More sharing options...
Propeller Опубліковано: 5 лютого 2016 Поділитись Опубліковано: 5 лютого 2016 Если убираем шнур-видим грунт. Ух ты! Это круто. На какой высоте (отметке) низ потолока подвала относительно грунта. Посилання на коментар Поділитися на інших сайтах More sharing options...
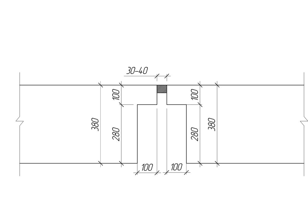
doughnut Опубліковано: 12 лютого 2016 Автор Поділитись Опубліковано: 12 лютого 2016 разрез нарисовал. по низу потолка точно сказать не могу, скорее всего низ плиты и и отметка земли совпадают. Весной планирую демонтировать бетонную отмостку и утеплить цоколь пенополистиролом. Посилання на коментар Поділитися на інших сайтах More sharing options...
Propeller Опубліковано: 12 лютого 2016 Поділитись Опубліковано: 12 лютого 2016 Спасибо, приятный чертеж. Я даю Вам 2 варианта. Оба варианта с расчетом на то, что все-таки низ плиты перекрытия первого этажа находится выше уровня грунта. Оба варианта с водореактивными расширяющимися герметиками. Пастой и шнуром. Вариант 1. Шнур- это бентонитовый шнур. Сечение его 15х20 мм. Я рекомендую для экономии денег и без потери эффективности шнур разрезать вдоль на два "шнурка" сечением 15х10 мм. Если со стороны грунта к шнуру подойдет вода он начинает расширять (набухать) и механически запирать протечку. В бетон, которым нужно залить полость (ну и за одно выравнять стену) не помешает добавить гидроизоляционную добавку Аквамат Адмикс. Вариант 2. Паста - герметик. Это полиуретановый расширяющийся герметик двойного действия. У отлично липнет почти ко всем поверхностям и к влажным в т.ч. И кроме того так же расширяется (набухает) при контакте с водой. Судя по геометрии его расход составит 1 картридж на 1,5 мп шва. После этого полость томпонируется ЦПР с латексной добавкой Адипласт. Адипласт обеспечивает водонепроницаемость "пломбы" и отличное сцепление с бетоном. Перед тампонажем не помешает боковые поверхности полости побить перфоратором. Для лучшего сцепления. Картинки внизу. Картинки 2,3,4 - вариант 1. Картинки 5,6 - вариант 2. Посилання на коментар Поділитися на інших сайтах More sharing options...
doughnut Опубліковано: 15 лютого 2016 Автор Поділитись Опубліковано: 15 лютого 2016 Спасибо, приятный чертеж. Я даю Вам 2 варианта. Оба варианта с расчетом на то, что все-таки низ плиты перекрытия первого этажа находится выше уровня грунта. Оба варианта с водореактивными расширяющимися герметиками. Пастой и шнуром. Вариант 1. Шнур- это бентонитовый шнур. Сечение его 15х20 мм. Я рекомендую для экономии денег и без потери эффективности шнур разрезать вдоль на два "шнурка" сечением 15х10 мм. Если со стороны грунта к шнуру подойдет вода он начинает расширять (набухать) и механически запирать протечку. В бетон, которым нужно залить полость (ну и за одно выравнять стену) не помешает добавить гидроизоляционную добавку Аквамат Адмикс. Вариант 2. Паста - герметик. Это полиуретановый расширяющийся герметик двойного действия. У отлично липнет почти ко всем поверхностям и к влажным в т.ч. И кроме того так же расширяется (набухает) при контакте с водой. Судя по геометрии его расход составит 1 картридж на 1,5 мп шва. После этого полость томпонируется ЦПР с латексной добавкой Адипласт. Адипласт обеспечивает водонепроницаемость "пломбы" и отличное сцепление с бетоном. Перед тампонажем не помешает боковые поверхности полости побить перфоратором. Для лучшего сцепления. Картинки внизу. Картинки 2,3,4 - вариант 1. Картинки 5,6 - вариант 2. Спасибо за предложенные решения. Буду думать и считать. 1 Посилання на коментар Поділитися на інших сайтах More sharing options...
Рекомендовані повідомлення
Створіть акаунт або увійдіть у нього для коментування
Ви маєте бути користувачем, щоб залишити коментар
Створити акаунт
Зареєструйтеся для отримання акаунта. Це просто!
Зареєструвати акаунтУвійти
Вже зареєстровані? Увійдіть тут.
Увійти зараз