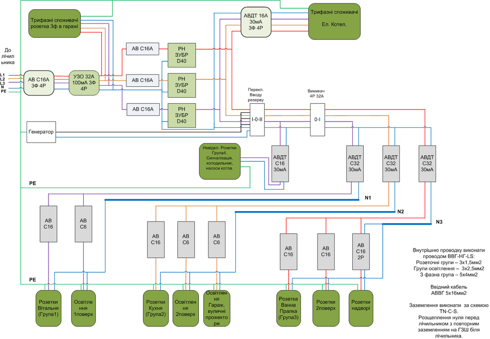
trik Опубліковано: 20 лютого 2016 Поділитись Опубліковано: 20 лютого 2016 Накидал приблизительную схему электроснабжения. Ввод будет 10квт 3фазы. То есть ограничивающий мощность автомат, возле счетчика, судя по всему, будет на 16А. (пока что даже столба нету) Нужен совет с расстановкой номиналов защитных автоматов. Я так понимаю что ставить больше чем на 16А смысла нету, т.к. в случае чего будет выбивать автомат на столбе а не в домовом щитке. Конструктивная критика принимается. Посилання на коментар Поділитися на інших сайтах More sharing options...
engeneer Опубліковано: 20 лютого 2016 Поділитись Опубліковано: 20 лютого 2016 Нужен совет с расстановкой номиналов защитных автоматов. Конструктивная критика принимается. Номиналы расставлены правильно. - Главная ошибка, на мой взгляд, в трёх двухполюсных автоматах перед ЗУБРами. Если в трёхфазную розетку будет включён какой-то электроинструмент и кто-то отключит фазу, двигатель сгорит. Если выбьет один из ЗУБРов - произойдёт то же самое. Потому ответвление на розетки лучше сделать сразу после УЗО 32/100. Котёл можно оставить как есть, он перефазировки не боится. - Какой вообще смысл в трёх двухполюсных автоматах? - Вызывает вопросы расстановка УЗО. В одну группу объеденены нагрузки из группы риска (уличные прожектора, розетки улицы) и домашние нагрузки (освещение и пр.) - это не совсем правильно. - Если генератор будет меньше 10 кВт, нагрузки по фазам лучше распределить по приоритетам - на первую фазу весь свет, охрану, насосную группу, холодильник, розетки спален, розетки кухни. На фазу 2 уличные группы и кухню. На фазу 3 - стиралку, розетку ванной и др. - то, без чего можно обойтись. На переключателе ввода резерва можно будет перемычками выбрать фазы, которые будут запитаны - 1 или 1+2. Вместо перемычки на фазу 2 можно поставить тумблер и включать по необходимости. 1 Посилання на коментар Поділитися на інших сайтах More sharing options...
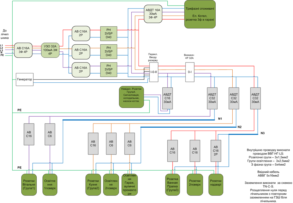
trik Опубліковано: 20 лютого 2016 Автор Поділитись Опубліковано: 20 лютого 2016 (змінено) Номиналы расставлены правильно. - Главная ошибка, на мой взгляд, в трёх двухполюсных автоматах перед ЗУБРами. Если в трёхфазную розетку будет включён какой-то электроинструмент и кто-то отключит фазу, двигатель сгорит. Если выбьет один из ЗУБРов - произойдёт то же самое. Потому ответвление на розетки лучше сделать сразу после УЗО 32/100. Котёл можно оставить как есть, он перефазировки не боится. Спасибо. Я тоже об этом думал. Сделаю отвод на 3ф розетку после УЗО. - Какой вообще смысл в трёх двухполюсных автоматах? Предлагаете заменить на 1 полюсные? Просто хотелось бы иметь возможность отключать фазы не только все вместе но и по очереди. - Вызывает вопросы расстановка УЗО. В одну группу объеденены нагрузки из группы риска (уличные прожектора, розетки улицы) и домашние нагрузки (освещение и пр.) - это не совсем правильно. Мне самому не нравится такое объединение. Это компромисс между желанием уравновесить нагрузку между фазами и экономией на дифавтоматах. Возможно в будущем поставлю для всех уличных потребителей отдельной группой. - Если генератор будет меньше 10 кВт, нагрузки по фазам лучше распределить по приоритетам - на первую фазу весь свет, охрану, насосную группу, холодильник, розетки спален, розетки кухни. Про это тоже думал. Работа от генератора, фактически, нештатный режим работы. Генератор завести смогу только я и проконтролировать нагрузки тоже смогу. Вот отредактированная схема. УЗО на 30мА всунуть на 3ф розетку надо бы. А то 100мА в сыром гараже, для человека, многовато будет. Змінено 20 лютого 2016 користувачем trik Посилання на коментар Поділитися на інших сайтах More sharing options...
Nickdecker Опубліковано: 20 лютого 2016 Поділитись Опубліковано: 20 лютого 2016 Просто хотелось бы иметь возможность отключать фазы не только все вместе но и по очереди. Вот только зачем такое может понадобиться. 1. Общая ошибка в этих схемах - ноли идут через ЗУБРы. Кто то один нарисовал, а все здесь повторяют. С шинки N заводятся ноли к ЗУБРАМ, но не коммутируются, как можно подумать по схеме. 2. Зубры 40А при вводе на 16А? На запас не похоже. 3. Смысл ставить дифавтоматы, если после них идут АВ. Ставьте УЗО, вместо АВДТ. 4. О группах уже говорили - улица, ванная и жилое помещение на одну группу - как то не очень. Уж лучше 1ая группа на кухня+ванная; 2-ая на жилые помещения; 3-я на потребители улицы. 1 Посилання на коментар Поділитися на інших сайтах More sharing options...
trik Опубліковано: 20 лютого 2016 Автор Поділитись Опубліковано: 20 лютого 2016 Вот только зачем такое может понадобиться. 1. Общая ошибка в этих схемах - ноли идут через ЗУБРы. Кто то один нарисовал, а все здесь повторяют. С шинки N заводятся ноли к ЗУБРАМ, но не коммутируются, как можно подумать по схеме. 2. Зубры 40А при вводе на 16А? На запас не похоже. 1. Спс поправлю. 2. ЗУБРЫ с запасом. Тут именно тот случай когда кашу маслом не испортишь. Возможно в будущем будет возможность увеличить мощность. В этом случае хочется просто поменять вводные автоматы, а не купить полностью новую начинку щитка. Разница между 32А и 40А ЗУБРом на общем фоне погоды не сделает. К тому же есть в наличии 1 ЗУБР D40. Был куплен ранее под другие задачи, но не пригодился. 3. Смысл ставить дифавтоматы, если после них идут АВ. Ставьте УЗО, вместо АВДТ. По Дифавтоматам верное замечание, ждал его. Выбор Дифавтоматов вместо более дешевых УЗО обусловлен тем что они просто есть в наличии и их не нужно покупать. Как и автоматы на 6А на освещение (обычно ставят на эти группы 10А). 4. О группах уже говорили - улица, ванная и жилое помещение на одну группу - как то не очень. Почему, можно подробнее? Улица будет почти всегда отключена 2Р автоматом. Включается только по мере необходимости. Добавлено через 12 минут Вот только зачем такое может понадобиться. Например закоротка или пробой изоляции в ЗУБРЕ или по линии. Что бы не сидеть вообще без электричества просто отключаем часть потребителей и спокойно приступаем к ремонту. Посилання на коментар Поділитися на інших сайтах More sharing options...
Nickdecker Опубліковано: 20 лютого 2016 Поділитись Опубліковано: 20 лютого 2016 Почему, можно подробнее? Улица будет почти всегда отключена 2Р автоматом. Включается только по мере необходимости. Правило хорошего тона - объединять подобные нагрузки и помещения по типу. Удобно, когда знаешь - эти АВ на жилые помещения, это нежилые, а это вообще наружные установки. Например закоротка или пробой изоляции в ЗУБРЕ или по линии. Что бы не сидеть вообще без электричества просто отключаем часть потребителей и спокойно приступаем к ремонту. КЗ в щите достаточно маловероятное событие при условии нормального монтажа. Замена ЗУБРа - 2-3мин, можно потерпеть. (Да и самому интересно были ли случаи пробоя в РН, может на форуме всплывали) Мое мнение - эти АВ лишние, но дело ваше. Ну и линию ноля, которую дорисовали, дотяните до ноля после вводного УЗО. 2 Посилання на коментар Поділитися на інших сайтах More sharing options...
trik Опубліковано: 20 лютого 2016 Автор Поділитись Опубліковано: 20 лютого 2016 Мое мнение - эти АВ лишние, но дело ваше. Ну и линию ноля, которую дорисовали, дотяните до ноля после вводного УЗО. Как бы да. Но Автоматы есть, а 3 места в щите не так и много. Ноль вроде как дотянут до узо, но конечно что бы была красивая схема можно и перерисовать. Посчитал приблизительную смету, и чуть "напрягся" от общей стоимости. Особенно не порадовал переключатель ввода резерва. Чувствую придется пока что ужаться и делать без него. или искать альтернативу Посилання на коментар Поділитися на інших сайтах More sharing options...
S_Vladimir_79 Опубліковано: 20 лютого 2016 Поділитись Опубліковано: 20 лютого 2016 Если заземление ещё не сделали, давайте Вам лучшее из нержавейки сделаем Посилання на коментар Поділитися на інших сайтах More sharing options...
trik Опубліковано: 20 лютого 2016 Автор Поділитись Опубліковано: 20 лютого 2016 Если заземление ещё не сделали, давайте Вам лучшее из нержавейки сделаем Заземление есть. На материалы потратил гривен 500. Закопал когда водопровод делал. от только оно расположено очень далеко от будущего столба. Давайте прикинем, что будет выгоднее протянуть полосу от существующего заземления на расстояние в 20м или сделать новое возле столба. Посилання на коментар Поділитися на інших сайтах More sharing options...
S_Vladimir_79 Опубліковано: 20 лютого 2016 Поділитись Опубліковано: 20 лютого 2016 Заземление есть. На материалы потратил гривен 500. Закопал когда водопровод делал. от только оно расположено очень далеко от будущего столба. Давайте прикинем, что будет выгоднее протянуть полосу от существующего заземления на расстояние в 20м или сделать новое возле столба. Дешевле будет полосу прокинуть, но я из нержавейки, считайте "вечное", предлагаю. Посилання на коментар Поділитися на інших сайтах More sharing options...
trik Опубліковано: 20 лютого 2016 Автор Поділитись Опубліковано: 20 лютого 2016 Дешевле будет полосу прокинуть, но я из нержавейки, считайте "вечное", предлагаю. Я в курсе. Просто уже сделал. Не из нержавейки но с таким запасом по толщине и сечению металла что думаю мне хватит. Посилання на коментар Поділитися на інших сайтах More sharing options...
engeneer Опубліковано: 20 лютого 2016 Поділитись Опубліковано: 20 лютого 2016 Особенно не порадовал переключатель ввода резерва. Какой смотрели? Если ABB - реально дорого, но есть (ссылка устарела) (ок. 700 грн). В крайнем случае, можно взять (ссылка устарела) - он вдвое дешевле. 1 Посилання на коментар Поділитися на інших сайтах More sharing options...
trik Опубліковано: 20 лютого 2016 Автор Поділитись Опубліковано: 20 лютого 2016 Какой смотрели? Если ABB - реально дорого, но есть (ссылка устарела) (ок. 700 грн). В крайнем случае, можно взять (ссылка устарела) - он вдвое дешевле. так Хагер и смотрел. 440 правда. А как этот Аско-галетник поставит на дин рейку? Посилання на коментар Поділитися на інших сайтах More sharing options...
aleks33 Опубліковано: 20 лютого 2016 Поділитись Опубліковано: 20 лютого 2016 я ставлю на розетки 2,5квадрата а на освещение 1,5мм и на 3х фазну хватило и 2,5мм Посилання на коментар Поділитися на інших сайтах More sharing options...
engeneer Опубліковано: 20 лютого 2016 Поділитись Опубліковано: 20 лютого 2016 так Хагер и смотрел. 440 правда. А как этот Аско-галетник поставит на дин рейку? Он крепится передним фланцем, можно закрепить на дверцу щита. У себя подобный врезал в стену коридора рядом со щитом (в коридоре обшивка из OSB). Не из экономии: просто в щите уже не было места. 1 Посилання на коментар Поділитися на інших сайтах More sharing options...
NixoNs Опубліковано: 21 лютого 2016 Поділитись Опубліковано: 21 лютого 2016 Не понятен смысл 3 ф на 10 квт, у меня 10 на 1 фазу, не пожалел ни разу... Посилання на коментар Поділитися на інших сайтах More sharing options...
YUKS Опубліковано: 21 лютого 2016 Поділитись Опубліковано: 21 лютого 2016 Можно спросить, какой у вас входной автомат тогда, на 50А ? Посилання на коментар Поділитися на інших сайтах More sharing options...
trik Опубліковано: 21 лютого 2016 Автор Поділитись Опубліковано: 21 лютого 2016 Не понятен смысл 3 ф на 10 квт, у меня 10 на 1 фазу, не пожалел ни разу... 1.РЕС больше 5КВт на фазу не дает. 2. Нужна 3ф розетка. Да и тот же котел, примером на 9 КВт, запитать лучше от 3ф. 3. Есть в планах увеличение мощности. 4. Есть массив из солнечных батарей, потому хочется подключиться к зеленому тарифу, и продавать излишки энергии государству. Посилання на коментар Поділитися на інших сайтах More sharing options...
NixoNs Опубліковано: 21 лютого 2016 Поділитись Опубліковано: 21 лютого 2016 Можно спросить, какой у вас входной автомат тогда, на 50А ? 63 А до счетчика, 50 А после,....... Котел на 8 квт, сауна 10 квт, с котлом спокойно работают остальные электроприборы, понятно что сауну включаю, котел выключаю..., подвод к дому 2х70 -500 метров. Посилання на коментар Поділитися на інших сайтах More sharing options...
fiva Опубліковано: 21 лютого 2016 Поділитись Опубліковано: 21 лютого 2016 а 3 места в щите не так и много если вы о двуполюсных то не 3 сам вчера только свою автоматику получил, 72 места, раскидал на дин рейки - опа, и ни одного места не осталось, а я считал что у меня автоматики на 63 места всего Посилання на коментар Поділитися на інших сайтах More sharing options...
Слава Щ. Опубліковано: 25 лютого 2016 Поділитись Опубліковано: 25 лютого 2016 Я би зробив так: 1. Прибрав би три автомати перед Зубрами. 2. Сигналізацію би підключив до всіх ВДТ. 3. 3-ф розетку гаража підключив би паралельно котлу, а перед нею - реле контролю фаз. 4. Насоси котла поставив би паралельно одній із фаз котла. Навіщо їх крутити від генератору коли все одно в цей час котел не працюватиме? 5. Поміняв би місцями переріз кабелю на розетки та освітлення. 6. Один з АВДТ замінив би на 10 мА (на мокрі приміщення, ванна, тощо). 7. Навіщо кабель 5х4, коли перед ним стоїть АВ 3х16? 8. Не робив би такий дебільний поділ на групи (вже писали). Посилання на коментар Поділитися на інших сайтах More sharing options...
Energon Опубліковано: 25 лютого 2016 Поділитись Опубліковано: 25 лютого 2016 Сигналізацію би підключив до всіх ВДТ. сигнализацию нельзя садить на линию где УЗО и Диф автомат, она идет просто на автомат и все. Посилання на коментар Поділитися на інших сайтах More sharing options...
Слава Щ. Опубліковано: 25 лютого 2016 Поділитись Опубліковано: 25 лютого 2016 сигнализацию нельзя садить на линию где УЗО и Диф автомат, она идет просто на автомат и все. Тю, а я що написав...? 2. Сигналізацію би підключив до всіх ВДТ. 1 Посилання на коментар Поділитися на інших сайтах More sharing options...
Energon Опубліковано: 25 лютого 2016 Поділитись Опубліковано: 25 лютого 2016 Тю, а я що написав...? а я это не проснулся походу когда писал)) Посилання на коментар Поділитися на інших сайтах More sharing options...
trik Опубліковано: 25 лютого 2016 Автор Поділитись Опубліковано: 25 лютого 2016 сигнализацию нельзя садить на линию где УЗО и Диф автомат, она идет просто на автомат и все. Аргументируйте. Добавлено через 8 минут Я би зробив так: 1. Прибрав би три автомати перед Зубрами. Я решил делать 2 шитка. Вводной в гараже, где будет вводной Автомат и УЗО и отвод через дифавтомат на 3Ф потребители. Второй в доме. Так что автоматы перед Зубрами будут выполнять роль вводных второго щитка 5. Поміняв би місцями переріз кабелю на розетки та освітлення. Спасибо, это очепятка, исправлено. Я би зробив так: 7. Навіщо кабель 5х4, коли перед ним стоїть АВ 3х16? логично. поменяю на 5Х2,5мм2 Посилання на коментар Поділитися на інших сайтах More sharing options...
Рекомендовані повідомлення
Створіть акаунт або увійдіть у нього для коментування
Ви маєте бути користувачем, щоб залишити коментар
Створити акаунт
Зареєструйтеся для отримання акаунта. Це просто!
Зареєструвати акаунтУвійти
Вже зареєстровані? Увійдіть тут.
Увійти зараз