volomoto Опубліковано: 18 листопада 2024 Автор Поділитись Опубліковано: 18 листопада 2024 Приїхали хлопці-кондиціонерники і поставили зовнішній блок на підставка. Та бандура важка і велика: Якщо добре придиватись, то під стіною є вихід труби, куди заходять кабелі. Це закладна із 110мм каналізаційної труби, через яку ідуть кабелі, а також буде трубка дренажу піддона ТН. За межами відмостки є я запопав пластикову бочку, зробивши їй отвори в дні і посадивши на гравійну подушку, і туди витікає вода, а також туди сходяться всякі кабелі. Фреонову трасу проклали в металевому лотку, бо він виглядає солідно. Правда таким зовсім не виглядає фасад будинку, бо нема фінішної штукатурки і все позеленіло, бо це північна сторона Ще трохи деталей: Прихований текст Монтажна коротка де закінчується лоток не має ніякого відношення до ТН. Туди приходять кабелі від сонячних панелей і в коробці є отвір через стіну, яким кабелі заходять в гараж. Всередині траса також йде в такому ж лотку: В наступному повідомленні я опишу як я всім цим ділом керую. 20 1 Посилання на коментар Поділитися на інших сайтах More sharing options...
Vikctor Опубліковано: 18 листопада 2024 Поділитись Опубліковано: 18 листопада 2024 Бачу що котельню або робив мурава, або ви надихалися його котельнями і купували в нього матеріали. 3 1 Посилання на коментар Поділитися на інших сайтах More sharing options...
volomoto Опубліковано: 18 листопада 2024 Автор Поділитись Опубліковано: 18 листопада 2024 12 хвилин тому, Vikctor сказав: Бачу що котельню або робив мурава, або ви надихалися його котельнями і купували в нього матеріали. То в Мурави такий впізнаваний почерк? Він і робив. 3 Посилання на коментар Поділитися на інших сайтах More sharing options...
Dem@ Опубліковано: 20 листопада 2024 Поділитись Опубліковано: 20 листопада 2024 (змінено) Наверно тему надо было назвать Моя 1я версия ТН из кондиционера. Пару вопросов: 1.Сколько дозаправил фреона? 2.как решили проблему с оттайкой? 3.какая температура фреона входящего в ПТО и выходящего. И также температура воды Входящая и выходящая? Змінено 20 листопада 2024 користувачем Dem@ 1 1 Посилання на коментар Поділитися на інших сайтах More sharing options...
mib Опубліковано: 20 листопада 2024 Поділитись Опубліковано: 20 листопада 2024 2 часа назад, Dem@ сказал: Наверно тему надо было назвать Моя 1я версия ТН из кондиционера. Злой ты 1 Посилання на коментар Поділитися на інших сайтах More sharing options...
Dem@ Опубліковано: 21 листопада 2024 Поділитись Опубліковано: 21 листопада 2024 Все с этого начинают. И тут два пути .. По данному конструктору - 7 переменных - 3 убрали (допустим что одна const) что делать с двумя? Как он должен сбалансировать систему.!?! Кому хочется поиграться есть два рабочих варианта: 1ый 2 Посилання на коментар Поділитися на інших сайтах More sharing options...
volomoto Опубліковано: 21 листопада 2024 Автор Поділитись Опубліковано: 21 листопада 2024 (змінено) 13 годин тому, Dem@ сказав: 1.Сколько дозаправил фреона? Ні скільки, залишився на заводській заправці і цього покищо виглядає досить. 13 годин тому, Dem@ сказав: 2.как решили проблему с оттайкой? Цим займаються рідні мозги і воно просто працює. 13 годин тому, Dem@ сказав: 3.какая температура фреона входящего в ПТО и выходящего. Залежить в якому режимі. Якщо гріти воду в бойлері, то більше 80 я не бачив. Типово 60-75 градусів. При роботі на опалення більше 45 не бачив. Правда в мене зараз нема моніторингу температури газу, бо для цього треба додаткову плату для сенсора, яка їде з китаю. Як поставлю це все, то буду мати точні графіки. Вихідний фреон має таку майже таку ж температуру, як і вхідна вода, бо в мене трохи перерозмірений ППТО. 13 годин тому, Dem@ сказав: И также температура воды Входящая и выходящая? Це найкраще демонструє графік: Зверху потужність компресора і зовнішня температура. Внизу – подача, зворотка і температура ПЗА (про ПЗА це я детальніше якось напишу) Нижній графік починається з нагріву води в бойлері, а потім йде робота на теплу підлогу. Так, де подача менша, ніж зворотка, – це розморожування. Змінено 21 листопада 2024 користувачем volomoto 7 Посилання на коментар Поділитися на інших сайтах More sharing options...
tansss Опубліковано: 21 листопада 2024 Поділитись Опубліковано: 21 листопада 2024 Доброго, підкажить плз як у вас вирішено питання піддону зовнішнього блоку? В сенсі дренажу та підігріву? І ще, ви зазначили що при опаленні Т вхідного фреону на ппто біля 45, яка тоді Т вихіду по воді? Та яка дельта по воді, вхідна-вихідна? Дякую 1 Посилання на коментар Поділитися на інших сайтах More sharing options...
volomoto Опубліковано: 22 листопада 2024 Автор Поділитись Опубліковано: 22 листопада 2024 12 годин тому, tansss сказав: Доброго, підкажить плз як у вас вирішено питання піддону зовнішнього блоку? В сенсі дренажу та підігріву? Привіт, В мене із заводу в піддоні є тен, тому там нічого не замерзає. Щодо дренажу, то зараз є отака конструкція, яку я вважаю тимчасовою, але якщо вона покаже свою працездатність впродовж всього сезону, то стане постійною: Це звичайна лійка із куском гофрованого шланга. Лійку я причепив під великим круглим отвором в піддоні, а всі інші отвори заклеїв бітумною стрічкою. В лійці та гофрі нема ніякого підігріву, бо кут великий і вода стікає залпово, тому нічого не замерзає. Отут описано куди стікає вода: 18.11.2024 в 14:49, volomoto сказав: Якщо добре придиватись, то під стіною є вихід труби, куди заходять кабелі. Це закладна із 110мм каналізаційної труби, через яку ідуть кабелі, а також буде трубка дренажу піддона ТН. За межами відмостки є я запопав пластикову бочку, зробивши їй отвори в дні і посадивши на гравійну подушку, і туди витікає вода, а також туди сходяться всякі кабелі. Гофру я швидше за все заміню на гладку трубу 40 або навіть і 50мм, добре утеплю і тоді шанси замерзання, щоб не було зовсім протоку, мінімальні. 12 годин тому, tansss сказав: І ще, ви зазначили що при опаленні Т вхідного фреону на ппто біля 45, яка тоді Т вихіду по воді? Та яка дельта по воді, вхідна-вихідна? Накприклад ціє ночі було отак: Типово подача десь коло 27-30, а дельта 2-4 градуси. 3 Посилання на коментар Поділитися на інших сайтах More sharing options...
Crs Опубліковано: 22 листопада 2024 Поділитись Опубліковано: 22 листопада 2024 Маленьке резюме з власного досвіду. Трохи невірно зроблена підставка під зовнішній блок. Права третина блоку - це 80-90 відсотків його ваги. І центр цієї частини стоїть як раз на правих ніжках. Ліві ніжки фактично не завантажені і можуть трошки гуляти по основі. Бажано робити опору ширше, щоб правий край блоку знаходився між ніжками. Посилання на коментар Поділитися на інших сайтах More sharing options...
volomoto Опубліковано: 22 листопада 2024 Автор Поділитись Опубліковано: 22 листопада 2024 18 хвилин тому, Crs сказав: Права третина блоку - це 80-90 відсотків його ваги. Можливо в якихось блоках, де пожаліли міді на теплообмінник, так є, але точно не в моєму. В мене розподіл десь 60-40%, тому ніякого натяку не нестабільність. 3 Посилання на коментар Поділитися на інших сайтах More sharing options...
Dem@ Опубліковано: 23 листопада 2024 Поділитись Опубліковано: 23 листопада 2024 16 часов назад, volomoto сказал: Можливо в якихось блоках, де пожаліли міді на теплообмінник, так є, але точно не в моєму. В мене розподіл десь 60-40%, тому ніякого натяку не нестабільність. Можно фото наружного блока? Как обмерзает? Желательно перед оттайкой? И Ты написал температура фреона 45гр. Это по манометру или темп.толстой трубочки что приходит к ПТО? Посилання на коментар Поділитися на інших сайтах More sharing options...
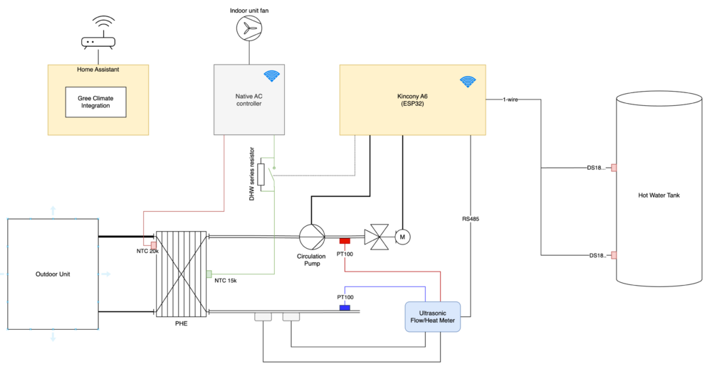
volomoto Опубліковано: 23 листопада 2024 Автор Поділитись Опубліковано: 23 листопада 2024 А тепер найцікавіше: як тим всім керувати. В переробках інверторних кондиціонерів є два основних підходи до керування: 1. Використання рідного контроллера шляхом обману сенсорів. 2. Зміна контроллера на універсальний. Я пішов першим шляхом, бо він для мене виглядає легшим, і оскільки в мене низькотемпературне опалення, то особливо обманювати треба небагато. Типово в інверторних кондиціонерах контроллер власне інвертора, як і сам інвертор, знаходиться у зовнішньому блоці. Внутрішній також має плату, але її основна задача – це бути користувацьким інтерфейсом і керувати вентилятором та передавати дані сенсорів контроллеру. Внутрішній блок каже, що хоче користувач, а вже зовнішній вирішує, що треба зробити, щоб користувач залишився задоволеним. В моєму кондиціонері внутрішній блок має вай-фай свисток і апку на телефоні. Також цей свисток підтримує керування по локальній мережі, тому протокол реверснули і виклали у відктритий доступ - github.com/cmroche/greeclimate. На базі нього також зробили інтеграцію в Home Assistant, яка є частиною ядра - www.home-assistant.io/integrations/gree/. Саме наявність інтеграції в ХА мене найбільше переконала залишити всі рідні мозги, бо в такому випадку я з допомогою ХА можу робити все те, що можна робити з пульта, а цього є достатньо, щоб повністю керувати тепловим насосом. Схема того всього виглядає отак: В щиті управління є котнроллер на базі ESP32, який має трохи цифрових входів та аналогових входів та виходів, а також реле та різні шини комунікації. Там же є плата внутрішнього блоку з вентилятором, бо обманювати вентилятор виявилось складно, бо він на кожній швидкості хоче конткретну частоту імпульсів з тахометра. Цей же контроллер керує електричним котлом, тому там так багато клемних колодок: На момент фото я ще не вкоротив міжблочний кабель, тому воно все виглядає захаращено: Сеносор температури повітря знаходиться на поверхні ППТО, а сенсор теплообмінника внутрішнього блоку там же, але близько до газової трубки. Про розміщення сенсорів ще напишу детально, бо там є нюанси в треба було багато експериментувати. В силовому електричному щиті для живлення зовнішнього блоку поставив дифавтомат та лічильник ЕЕ: Лічильник підключений по модбасу до контроллера і на тій же шині висить ультразвуковий лічильник тепла: З цим лічильником також є нюанси і про них я ще якось напишу. На ESP32 є прошивка зроблена з допомогою ESPHome, яка дозволяє Home Assistant читати всі сенсори, а також керувати всіма реле. Самі алгоритми реалізовані в автоматизаціях ХА. ТН може гріти воду в бойлері і для цього я перемикаю теплоносій в ТО болйера з допомогою 3-ходового клапана. В той же час розмикається реле, яке шунтує резистор сенсора повітря і від цього рідні мозги думають, що температура повітря низька, хоча насправді вона висока. Я підібрав опір так, щоб 50 градусів реальних давали сумарний опір як NTC15k сам має при 20 градусах. В наступних дописах буде про самі алгоритми керування. 6 2 1 Посилання на коментар Поділитися на інших сайтах More sharing options...
volomoto Опубліковано: 23 листопада 2024 Автор Поділитись Опубліковано: 23 листопада 2024 4 години тому, Dem@ сказав: Можно фото наружного блока? Как обмерзает? Желательно перед оттайкой? Можна, звичайно: 4 години тому, Dem@ сказав: И Ты написал температура фреона 45гр. Это по манометру или темп.толстой трубочки что приходит к ПТО? Це температура газової трубки десь за 20см до входу в ПТО. 1 1 Посилання на коментар Поділитися на інших сайтах More sharing options...
Dem@ Опубліковано: 23 листопада 2024 Поділитись Опубліковано: 23 листопада 2024 (змінено) Вижу что система не до заправлена. Испаритель нар.блок не должен обмерзает так сильно. Это также видно по температуре пара. Т.е температура воды 35гр Переходной процес 5-10гр т.е фреон предположим 45гр.(Надо померять манометром) И температура пара (это толстая трубочка входящая в ПТО) должна быть +15-25от конденсации (фреона) т.е 65-70гр. Попробуйте посчитать объем трубочек внутреннего блока и сравнить с объемом ПТО (объем написан) по-моему 2.4л. И добавить недостающий газ. Это если на пальцах. По нормальному заправка по перегреву с контролем переохлаждения.(Но это когда все на своих местах - а у Вас датчик с испарителя неизвестно где - по нему происходит оттайка(начало оттайки)) ЗЫ. Продолжение следует Змінено 23 листопада 2024 користувачем Dem@ 1 Посилання на коментар Поділитися на інших сайтах More sharing options...
Vikctor Опубліковано: 23 листопада 2024 Поділитись Опубліковано: 23 листопада 2024 11 минут назад, Dem@ сказал: фреон предположим 45гр.(Надо померять манометром) Завжди не любив ці теплові насоси. Тут навіть температуру манометрами вимірюють... 5 Посилання на коментар Поділитися на інших сайтах More sharing options...
Dem@ Опубліковано: 23 листопада 2024 Поділитись Опубліковано: 23 листопада 2024 (змінено) 8 минут назад, Vikctor сказал: Завжди не любив ці теплові насоси. Тут навіть температуру манометрами вимірюють... Ещё и фреон на весах взвешивают и заливают 😉 а это даже не фреон, а Пропан Змінено 23 листопада 2024 користувачем Dem@ 1 Посилання на коментар Поділитися на інших сайтах More sharing options...
Vikctor Опубліковано: 23 листопада 2024 Поділитись Опубліковано: 23 листопада 2024 1 минуту назад, Dem@ сказал: Ещё и фреон на весах взвешивают и заливают 😉 Тобто зважуєте як всі на вагах? Дивина. Посилання на коментар Поділитися на інших сайтах More sharing options...
Dem@ Опубліковано: 23 листопада 2024 Поділитись Опубліковано: 23 листопада 2024 (змінено) Кстати вот как выглядит Ваш кондиционер сегодня, территориально Киев. Мокрый снег, влажность высокая. Оттайка каждый час. Змінено 23 листопада 2024 користувачем Dem@ 2 Посилання на коментар Поділитися на інших сайтах More sharing options...
tansss Опубліковано: 23 листопада 2024 Поділитись Опубліковано: 23 листопада 2024 4 часа назад, Dem@ сказал: Датчик испарителя неизвестно где - по нему происходит оттайка(начало оттайки)) О! Підкажить плз колхозніку де б Ви встановили цей датчик на прикладі пто ТС? Зараз в мене він стоїть приблизно в середні пто. Дуже дякую! Посилання на коментар Поділитися на інших сайтах More sharing options...
Dem@ Опубліковано: 24 листопада 2024 Поділитись Опубліковано: 24 листопада 2024 (змінено) 18 часов назад, tansss сказал: О! Підкажить плз колхозніку де б Ви встановили цей датчик на прикладі пто ТС? Зараз в мене він стоїть приблизно в середні пто. Дуже дякую! К сожелению на ПТО нет такого места.(Хотя если долго мучится, что-нибудь получится) Давайте разберемся как работает оттайка. После вкл кондиционера, задача внутреннего блока, выйти на конденсацию и удерживать ее 55гр.(Это темп фреона) Но сразу он выйти не может по ряду причин и ему помогает в этом вентилятор внутреннего блока (у которого задача - держать температуру теплообменника 55гр) после выхода на режим 5мин, он вкл таймер и отсчитывает ещё 5мин и фиксирует состояние. Как только испаритель наружного блока начинает обмерзать, температура внутреннего блока падает, но мы этого особо не замечаем, потому как он скидывает обороты. Но когда уже некуда скидывать обороты Вкл таймер 5мин и потом оттайка - окончание оттайки, по времени или по датчику на теплообменника в наружном блоке. И т.д Можно прикрутить этот датчик на толстую трубку и тогда контроллер будет думать что все ок. И разморозка вкл. Только когда нагреется компрессор, что бы вернуть масло и охладить его - интервал 2-3часа. Можно на тонкую - тогда оттайка каждый час или 40мин. Это аварийный режим. Змінено 24 листопада 2024 користувачем Dem@ 1 Посилання на коментар Поділитися на інших сайтах More sharing options...
tansss Опубліковано: 25 листопада 2024 Поділитись Опубліковано: 25 листопада 2024 8 часов назад, Dem@ сказал: К сожелению на ПТО нет такого места.(Хотя если долго мучится, что-нибудь получится) Давайте разберемся как работает оттайка. После вкл кондиционера, задача внутреннего блока, выйти на конденсацию и удерживать ее 55гр.(Это темп фреона) Но сразу он выйти не может по ряду причин и ему помогает в этом вентилятор внутреннего блока (у которого задача - держать температуру теплообменника 55гр) после выхода на режим 5мин, он вкл таймер и отсчитывает ещё 5мин и фиксирует состояние. Как только испаритель наружного блока начинает обмерзать, температура внутреннего блока падает, но мы этого особо не замечаем, потому как он скидывает обороты. Но когда уже некуда скидывать обороты Вкл таймер 5мин и потом оттайка - окончание оттайки, по времени или по датчику на теплообменника в наружном блоке. И т.д Можно прикрутить этот датчик на толстую трубку и тогда контроллер будет думать что все ок. И разморозка вкл. Только когда нагреется компрессор, что бы вернуть масло и охладить его - интервал 2-3часа. Можно на тонкую - тогда оттайка каждый час или 40мин. Это аварийный режим. Ииии... Кудой жеж все-таки Вы поставили бы датчик? Посилання на коментар Поділитися на інших сайтах More sharing options...
volomoto Опубліковано: 25 листопада 2024 Автор Поділитись Опубліковано: 25 листопада 2024 23.11.2024 в 18:46, Dem@ сказав: Вижу что система не до заправлена. Испаритель нар.блок не должен обмерзает так сильно. Глибина обмерзання ТО визначається алгоритмом, який закладений в мозги. В моєму випадку алгоритм простий і покладається тільки на показання сенсори зовнішнього блоку: ї Тобто чим нижча температура кипіння по відношенню до зовнішньої температури повітря, тому не дуже розумію як по обмерзанню одному можна визначити повноту заправки. 23.11.2024 в 18:46, Dem@ сказав: Переходной процес 5-10гр т.е фреон предположим 45гр.(Надо померять манометром) И температура пара (это толстая трубочка входящая в ПТО) должна быть +15-25от конденсации (фреона) т.е 65-70гр. Не розумію що таке перехідний процес. Якщо щось міряти манометром, то тільки температуру конденсації, тобто ви вважаєте, що при температурі вихідної води 35 температура конденсації буде 45. Це звичайно можливо, але якщо хтось так неефективно вибрав ППТО, але це не мій випадок, бо в мене температура вихідної води десь така сама, як температура конденсації, тому якщо в мене вода на виході +30, то десь значить при такій же температурі йде конденсація, тому температура. Тому 45 градусів для газу цілком нормально в таких умовах. 23.11.2024 в 18:46, Dem@ сказав: Попробуйте посчитать объем трубочек внутреннего блока и сравнить с объемом ПТО (объем написан) по-моему 2.4л. Ну ППТО не повинен бути заповнений рідким фреоном. Достатньо щоб межа між газом і рідиною була трохи вище тонкої трубки на ППТО. Чим більше залити конденсатор рідиною, то буде краще переохолодження рідини, але тоді зменшується ефективна площа, на якій відбувається конденсація. Я це рахував і вийшло що заводської заправки має бути достатньо, а якщо і треба долити, то якихось 100-150мл, що і не дуже робить різницю. Ну і в мене є ревізійне віконечко на виході рідини з ППТО, яке практично завжди заповнене рідиною. Тільки коли змінюється потужність компресора та просвіт ЕРВ я бачу у віконечку бульбашки. З цього роблю висновок, що із заправкою все ок. 1 Посилання на коментар Поділитися на інших сайтах More sharing options...
sanyas15 Опубліковано: 25 листопада 2024 Поділитись Опубліковано: 25 листопада 2024 14 хвилин тому, volomoto сказав: Якщо щось міряти манометром, то тільки температуру конденсації Якось дивно... манометром міряти температуру... 1 Посилання на коментар Поділитися на інших сайтах More sharing options...
Dem@ Опубліковано: 25 листопада 2024 Поділитись Опубліковано: 25 листопада 2024 2 минуты назад, sanyas15 сказал: Якось дивно... манометром міряти температуру... Дивно газ на заправках , пропан купляти в кг. А продавати в літрах Посилання на коментар Поділитися на інших сайтах More sharing options...
Рекомендовані повідомлення
Створіть акаунт або увійдіть у нього для коментування
Ви маєте бути користувачем, щоб залишити коментар
Створити акаунт
Зареєструйтеся для отримання акаунта. Це просто!
Зареєструвати акаунтУвійти
Вже зареєстровані? Увійдіть тут.
Увійти зараз