webema Опубліковано: 23 жовтня 2010 Поділитись Опубліковано: 23 жовтня 2010 Ребята, кто шарит - подскажите - правильно ли собрал систему защиты подключения дома к 3-х фазовой сети. Немного вводных данных: по столбам провода идут оголенные на моем столбе в коробке (пластиковой) счетчик, и два автомата (до и после счетчика). Вверху столба "ноль" прикручен к пруту, который уходит в землю. По дому все понятно из схемы. В процессе проектирования возникли следующие вопросы (очень прошу подсказать их): 1. Стоит ли ставить "реле контроля фаз"? Ставлю его для защиты от "отгорания" N-провода и других катаклизмов на линии (высокого напряжения на фазе, например). Может есть лучше решение такой защиты? 2. Меня очень беспокоит вопрос правильного подключения "земли". Как я понял - при подключении по системе ТТ "земля" ни с чем не соединяется и идет своей линией к своим потребителям. Ничего не путаю? Уравнивание потенциалов никакое не надо же? 3. УЗО после Стабилизатора будет работать? Или надо до него ставить? 4. Что еще "нахомутал"? Раньше думал что в электроснабжении дома все понимаю. Но начитавшись всяких статей понял - что ничего не знаю об этом =) Столько всего нового придумали =) Буду очень благодарен за разъяснения! Посилання на коментар Поділитися на інших сайтах More sharing options...
sanykrimea Опубліковано: 23 жовтня 2010 Поділитись Опубліковано: 23 жовтня 2010 1. Реле напряжения. 2. В ТТ " земля" не подключена к N. Идёт ко всем потребителям. СУП (все доступные железяки соединены между собой) должна быть подключена к ГЗШ (главной заземляющей шине). 3. Будет. Лучше - до него. Посилання на коментар Поділитися на інших сайтах More sharing options...
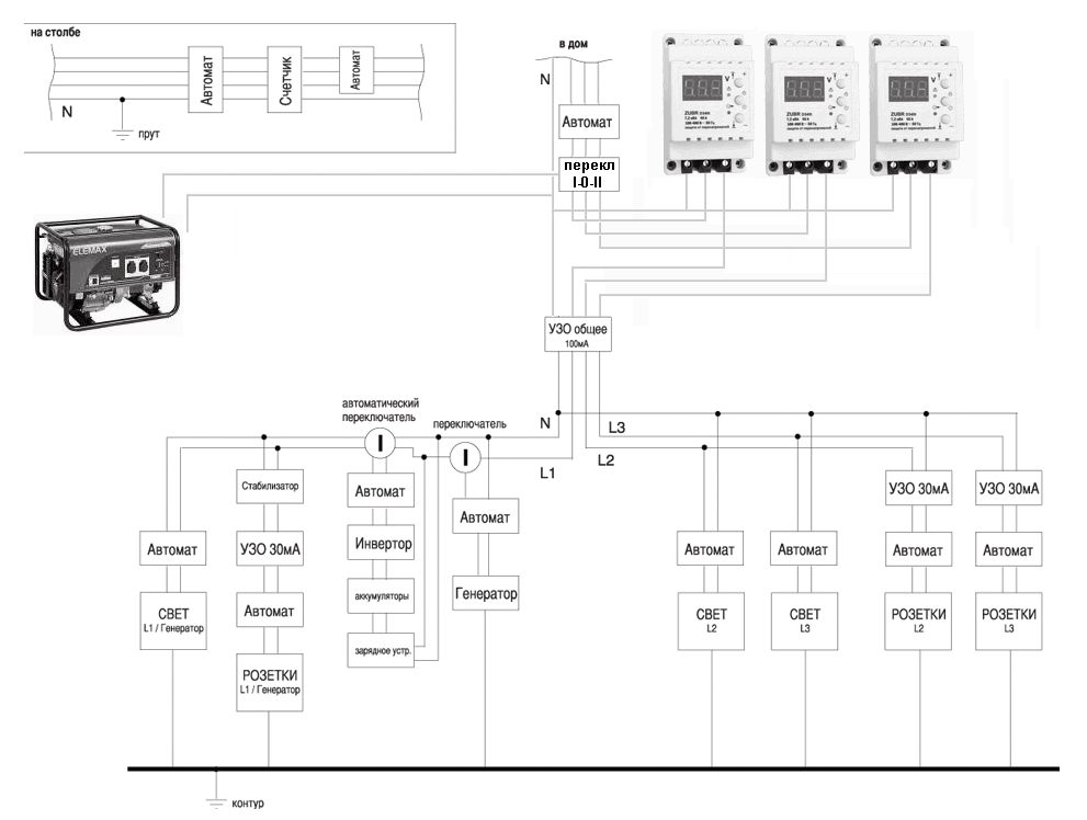
engeneer Опубліковано: 24 жовтня 2010 Поділитись Опубліковано: 24 жовтня 2010 1. Стоит ли ставить "реле контроля фаз"? Ставлю его для защиты от "отгорания" N-провода и других катаклизмов на линии (высокого напряжения на фазе, например). Может есть лучше решение такой защиты? Лучше поставить на входе три стабилизатора - на каждую фазу. Бюджетный вариант - один стабилизатор и два реле напряжения. Как включаются, показал на схеме. 2. Меня очень беспокоит вопрос правильного подключения "земли". Как я понял - при подключении по системе ТТ "земля" ни с чем не соединяется и идет своей линией к своим потребителям. Ничего не путаю? Уравнивание потенциалов никакое не надо же? Да, в щитке будут две шины - нулевая и земля. Земля просто разводится по розеткам-люстрам зелено-полосатым проводом. 3. УЗО после Стабилизатора будет работать? Или надо до него ставить? Лучше до. Стабилизатор тоже электроприбор, в нем могут быть утечки на корпус. 4. Что еще "нахомутал"? Какая-то загадочная схема коммутации бесперебойника-генератора. Показал как подключить однофазный генератор на вводе. Если что-то не будет резервироваться, рубильник можно врезать и в другом месте. Но один из проводов генератора по-любому нужно посадить на вводной ноль (перед УЗО), тогда второй станет "фазой". ИБП что-то тоже слишком сложное. Там схема включения очень простая: вилка на входе, розетка на выходе, два провода к аккумулятору. Зарядка уже встроенная. 1 Посилання на коментар Поділитися на інших сайтах More sharing options...
engeneer Опубліковано: 24 жовтня 2010 Поділитись Опубліковано: 24 жовтня 2010 В этой схеме стабилизатор не нужен: ИБП справляется с этой задачей. Переключатель I-0-II может быть как ручным, так и автоматическим (АВР), если генератор с автоматикой запуска. В этой ситуации, контрольный провод автоматики подключается на выход ИБП и станция запустится тогда, когда ИБП выключится. На хороших ИБП есть специальный программируемый выход для запуска станции в зависимости от времени или степени разряда аккумуляторов. 1 Посилання на коментар Поділитися на інших сайтах More sharing options...
webema Опубліковано: 24 жовтня 2010 Автор Поділитись Опубліковано: 24 жовтня 2010 В этой схеме стабилизатор не нужен: ИБП справляется с этой задачей. Переключатель I-0-II может быть как ручным, так и автоматическим (АВР), если генератор с автоматикой запуска. В этой ситуации, контрольный провод автоматики подключается на выход ИБП и станция запустится тогда, когда ИБП выключится. На хороших ИБП есть специальный программируемый выход для запуска станции в зависимости от времени или степени разряда аккумуляторов. да - так мне больше нравится. А читал еще есть реле напряжения - ставяться параллельно с УЗО и отключают УЗО когда проблемы с напряжением Посилання на коментар Поділитися на інших сайтах More sharing options...
snickers Опубліковано: 24 жовтня 2010 Поділитись Опубліковано: 24 жовтня 2010 А читал еще есть реле напряжения - ставяться параллельно с УЗО и отключают УЗО когда проблемы с напряжением Это не реле напряжения в классическом понимании, а расцепитель минимального/максимального напряжения. Он механически зацепляется с движком УЗО/автомата и отщелкивает их при сработке. Посилання на коментар Поділитися на інших сайтах More sharing options...
engeneer Опубліковано: 24 жовтня 2010 Поділитись Опубліковано: 24 жовтня 2010 да - так мне больше нравится. А читал еще есть реле напряжения - ставяться параллельно с УЗО и отключают УЗО когда проблемы с напряжением Это плохой вариант: при незначительном броске, диф отключится и дом будет без света до Вашего возвращения. ЗУБР отключает свет на фиксированное время (настраивается), после, если напряжение восстановилось, автоматически включает. Цифровой вольтметр тоже полезная опция: показывает напряжение на входе и сразу видно, если какая-то фаза пропала. Единственный недостаток - габариты - занимает три модуля. Посилання на коментар Поділитися на інших сайтах More sharing options...
SIV Опубліковано: 3 січня 2011 Поділитись Опубліковано: 3 січня 2011 Вот нашел статейку по системе заземления ТТ. Почитал, подумал и решил что себе буду делать заземление по системе ТТ, правда прийдется раскошелиться на УЗОшки но безопасность превыше всего. Посилання на коментар Поділитися на інших сайтах More sharing options...
ink_stroi Опубліковано: 3 січня 2011 Поділитись Опубліковано: 3 січня 2011 По схеме, УЗО 100мА, не даст работать от гены. Посилання на коментар Поділитися на інших сайтах More sharing options...
sanykrimea Опубліковано: 3 січня 2011 Поділитись Опубліковано: 3 січня 2011 Вот нашел статейку по системе заземления ТТ. Почитал, подумал и решил что себе буду делать заземление по системе ТТ, правда прийдется раскошелиться на УЗОшки но безопасность превыше всего. Система ТТ допущена для реконструируемых линий, как временная мера. Сама по себе она намного менее безопасна, чем TN-C-S. Рациональное, мотивированное решение о применении той или иной системы заземления может принять только эксплуататор распределительной сети - т.е РЕМ. Всё остальное - художественная самодеятельность. Посилання на коментар Поділитися на інших сайтах More sharing options...
snickers Опубліковано: 3 січня 2011 Поділитись Опубліковано: 3 січня 2011 Вот нашел статейку по системе заземления ТТ... Мы даже знаем ее автора ... Посилання на коментар Поділитися на інших сайтах More sharing options...
sanykrimea Опубліковано: 3 січня 2011 Поділитись Опубліковано: 3 січня 2011 Мы даже знаем ее автора ... - Электрик дилетант делает заземляющее устройство в виде вбитого в головы треугольника! Точно! Посилання на коментар Поділитися на інших сайтах More sharing options...
snickers Опубліковано: 3 січня 2011 Поділитись Опубліковано: 3 січня 2011 Точно! Да там достаточно на фото посмотреть... Чел собрал за всю свою жизнь один единственный щиток и тулит его фотки везде, надувая щеки. А потом ВНЕЗАПНО оказалось, что: - PE на один болт несколько проводов подключать нельзя. - двухполюсные автоматы оказываются бывают двухфазные и 1P+N, и это далеко не одно и тоже. - "использовал двух жильный кабель сечением 1,5 мм с монолитными жилами в двойной изоляции, что как оказалось (совершенно случайно) не есть правильно. По правилам на свет тоже нужно прокладывать трех жильный кабель". Усе сугуба па действуюшчым нормам. Посилання на коментар Поділитися на інших сайтах More sharing options...
SIV Опубліковано: 3 січня 2011 Поділитись Опубліковано: 3 січня 2011 Система ТТ допущена для реконструируемых линий, как временная мера. Сама по себе она намного менее безопасна, чем TN-C-S. Рациональное, мотивированное решение о применении той или иной системы заземления может принять только эксплуататор распределительной сети - т.е РЕМ. Всё остальное - художественная самодеятельность. В моем конкретном случае состояние сетей не ахти. ВЛ от самой ТП в конце поселка (порядка 300-350 м) до моего участка идет 4-мя неизолированными проводами. В ТУ написали сделать повторное заземление на последней опоре (дальше будет моя опора через дорогу и заход с опоры в дом). Реконструкция сетей если и будет то в неизвестном году. А посему я думаю делать систему ТТ ибо система TN-C-S при повреждении 0 по дороге от ТП не есть хорошо, а точнее плачевно для потребителей. Если я неправ то поправте меня. Посилання на коментар Поділитися на інших сайтах More sharing options...
ink_stroi Опубліковано: 3 січня 2011 Поділитись Опубліковано: 3 січня 2011 (змінено) TN-C-S при повреждении 0 по дороге от ТП не есть хорошо, а точнее плачевно для потребителей.В этом случае имеется опасность выноса потенциала на все "заземленные" корпуса потребителей, что может быть смертельно опасно, так как РЕ соединено с N. А для защиты потребителей хоть TN-C-S, хоть ТТ надо реле напряжения применять. Это не аргумент в пользу самовольного необоснованного отказа от TN-C-S. Змінено 3 січня 2011 користувачем ink_stroi Посилання на коментар Поділитися на інших сайтах More sharing options...
sanykrimea Опубліковано: 3 січня 2011 Поділитись Опубліковано: 3 січня 2011 То SIV Посмотрите тему Щиток "на вырост" или пустая трата денег? В этом случае имеется опасность выноса потенциала на все "заземленные" корпуса потребителей, что может быть смертельно опасно, так как РЕ соединено с N. Во избежание этой опасности и применяется заземление на вводе. 1 Посилання на коментар Поділитися на інших сайтах More sharing options...
murava Опубліковано: 3 січня 2011 Поділитись Опубліковано: 3 січня 2011 Если я не ошибаюсь, то ТТ быстренько превращается в TN-C-S с помощью одной медной перемычки сечением в 10-16 на входе в щитовую, контур тот-же, ШУП тот же.... Себе делал ТТ. Многим делал ТТ : минус только в том, что три штыря - это уже для ТТ не контур. Посилання на коментар Поділитися на інших сайтах More sharing options...
sanykrimea Опубліковано: 3 січня 2011 Поділитись Опубліковано: 3 січня 2011 ... минус только в том, что три штыря - это уже для ТТ не контур. Почему не контур? Посилання на коментар Поділитися на інших сайтах More sharing options...
snickers Опубліковано: 3 січня 2011 Поділитись Опубліковано: 3 січня 2011 Себе делал ТТ. Многим делал ТТ : минус только в том, что три штыря - это уже для ТТ не контур. Почему? Ведь для TN требования к сопротивлению контура более жесткие, чем для TT. Или я ошибаюсь? Посилання на коментар Поділитися на інших сайтах More sharing options...
murava Опубліковано: 3 січня 2011 Поділитись Опубліковано: 3 січня 2011 Почему не контур? Ну скажем так - это не всегда гарантированно "хороший контур". Я все-таки приверженец мелкоомных контуров. Оно как-то так при ТТ спокойней спится... Посилання на коментар Поділитися на інших сайтах More sharing options...
snickers Опубліковано: 3 січня 2011 Поділитись Опубліковано: 3 січня 2011 Ну скажем так - это не всегда гарантированно "хороший контур". Я все-таки приверженец мелкоомных контуров. Оно как-то так при ТТ спокойней спится... Так при TN контур должен обеспечить срабатывание автомата, это десятки, а может и сотни Ампер. А для TT всего лишь срабатывание УЗО - десятки миллиАмпер. Т.е. его сопротивление может быть в тысячу раз больше. Там еще есть требование по макс.напряжению прикосновения <50В. Но все равно получается почти килоОм. Посилання на коментар Поділитися на інших сайтах More sharing options...
sanykrimea Опубліковано: 3 січня 2011 Поділитись Опубліковано: 3 січня 2011 Ну скажем так - это не всегда гарантированно "хороший контур". Я все-таки приверженец мелкоомных контуров. Оно как-то так при ТТ спокойней спится... Ну так при ТТ по буржуйским нормам сопротивление заземления 420 Ом, по нашим расчётным около 500. Вероятно, наоборот - ТТ к трансформации в ТN-C-S не подходит. Посилання на коментар Поділитися на інших сайтах More sharing options...
murava Опубліковано: 3 січня 2011 Поділитись Опубліковано: 3 січня 2011 Я спорить шибко не стану, я в этой теме неглубоко плаваю, да и голова не варит, но выловить 10мА вытекания в землю на 500 Омном контуре никак не легче, чем на 2-Омном. Или я что-то путаю? Посилання на коментар Поділитися на інших сайтах More sharing options...
snickers Опубліковано: 3 січня 2011 Поділитись Опубліковано: 3 січня 2011 Я спорить шибко не стану, я в этой теме неглубоко плаваю, да и голова не варит, но выловить 10мА вытекания в землю на 500 Омном контуре никак не легче, чем на 2-Омном. Или я что-то путаю? 10мА Вы "выловите" даже в принципе, вообще без всякого контура, достаточно к железной арматурине (любого, даже если она одна) фундамента подключить. P.S. Закон Ома, однако . Посилання на коментар Поділитися на інших сайтах More sharing options...
murava Опубліковано: 3 січня 2011 Поділитись Опубліковано: 3 січня 2011 Ну если так, то ТТ с нормальным контуром до 10 Ом трансформируется в TN-C-S со свистом и гигиканьем.... Единая беда - это от сюрприза в 380 лечиться разрядниками или дополнительной автоматикой. Я пробовал разрядником: после 270 получил шунт на землю - иди в щиток ковыряйся Посилання на коментар Поділитися на інших сайтах More sharing options...
Рекомендовані повідомлення
Створіть акаунт або увійдіть у нього для коментування
Ви маєте бути користувачем, щоб залишити коментар
Створити акаунт
Зареєструйтеся для отримання акаунта. Це просто!
Зареєструвати акаунтУвійти
Вже зареєстровані? Увійдіть тут.
Увійти зараз