Seva1964 Опубліковано: 29 березня 2013 Поділитись Опубліковано: 29 березня 2013 Минусов я не вижу, перетекание тока между АКБ на ХХ фиксируется амперметром в течении секунд 20-30, за это время ток между ними падает с 0,25А до нуля. --- Зарекалась... Когда ток падает до бесконечно малых значений, активная балансировка электрохимических систем прекращается и АКБ переходят в режим саморазряда. Мне представляется, что балансировка с небольшой разрядной нагрузкой будет немного полезней. Посилання на коментар Поділитися на інших сайтах More sharing options...
Larsen_bmw Опубліковано: 29 березня 2013 Автор Поділитись Опубліковано: 29 березня 2013 Когда ток падает до бесконечно малых значений, активная балансировка электрохимических систем прекращается и АКБ переходят в режим саморазряда. Безусловно. Саморазряд у АКБ явление очевидное, происходит как при любом соединении - последовательном либо параллельном, так и без соединения. Я наблюдал пока лишь-то, что токи перетекания между параллельными аккумуляторами ничтожны. Мне представляется, что балансировка с небольшой разрядной нагрузкой будет немного полезней. Если появится разбалансировка между последовательно соединенными АКБ-то я обязательно займусь этим вопросом, возможно поищу лояльные к автономщикам БМСы. Пока разница в 0.02В между сборками, зачем городить огород? Ради интереса можно конечно поставить хотя бы "Колдунов" для выравнивания напряжения сборок, но какой в этом практический смысл сейчас? Посилання на коментар Поділитися на інших сайтах More sharing options...
Seva1964 Опубліковано: 29 березня 2013 Поділитись Опубліковано: 29 березня 2013 лояльные к автономщикам БМСы. --- Лояльная к автономщикам БМС, это параллельная сборка АКБ (примерно одинаковой ёмкости) подключенная к своей(им) ФЭП через свой собственный контроллер заряда. Пусть даже это контроллер PWM/MPPT. Другие варианты подключения лояльны к противной стороне прилавка. но какой в этом практический смысл сейчас? --- Сейчас система находится на профилактике, а следующая возможность балансировки предоставится нескоро. Разряд всего гамузом заставит поработать активную массу каждой АКБ в сборке. 1 Посилання на коментар Поділитися на інших сайтах More sharing options...
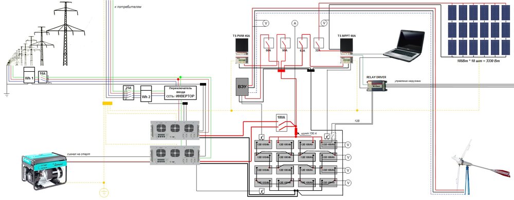
Larsen_bmw Опубліковано: 31 березня 2013 Автор Поділитись Опубліковано: 31 березня 2013 Сегодня вновь запустил систему пока в той же комплектации как и была до переключения. Потеплеет-доустановлю еще шесть ФЭМ пылящихся пока в гараже, сейчас продолжают работать старые 12. Солнечная часть запустилась сразу же, с ветровой частью есть вопрос... ВЭУ около пяти месяцев находилась в остановленном (зафлюгированном) состоянии, сегодня же, отказалась запускаться, лопасти ветрогенератора продолжают находится ребром к воздушному потоку не смотря на отпускание механического тормоза. Также, контроллер и пульт управления показывают разблокировку ВЭУ, видимо зима сделала свое дело, надо лезть, хоть высоко и страшно Также "застрял" и я, с вопросом заземления контроллеров, правильно ли я понимаю, что заземлять корпуса контроллеров и рамки ФЭМ нужно на тот же контур защитного заземления, что и оборудование дома? Прилагаю схему подключения, коллеги, прокомментируйте этот ньюанс. Посилання на коментар Поділитися на інших сайтах More sharing options...
t34 Опубліковано: 1 квітня 2013 Поділитись Опубліковано: 1 квітня 2013 Вы его выключали электрически или механически? Посилання на коментар Поділитися на інших сайтах More sharing options...
Larsen_bmw Опубліковано: 1 квітня 2013 Автор Поділитись Опубліковано: 1 квітня 2013 Вы его выключали электрически или механически? Механически, ручкой-тормозом. При отпускании ручки ВЭУ начинает вращаться, тоесть тормоз отпускается, лопасти в рабочее состояние не возвращаюься отчего-то, остаются "ребром" к потоку Посилання на коментар Поділитися на інших сайтах More sharing options...
Seva1964 Опубліковано: 1 квітня 2013 Поділитись Опубліковано: 1 квітня 2013 Прилагаю схему подключения --- Вы не отключили балансирующие перемычки на "плюсах" АКБ? Пока не знаю что именно, но что-то мне совсем не нравится. Добавлено через 46 минут И ещё одна "непонятка". Ваши восемнадцать панелей могут запросто влупить под 80 Ампер (в ясный февральский/мартовский полдень). Контроллер справится с этой задачей? Посилання на коментар Поділитися на інших сайтах More sharing options...
Larsen_bmw Опубліковано: 1 квітня 2013 Автор Поділитись Опубліковано: 1 квітня 2013 (змінено) --- Вы не отключили балансирующие перемычки на "плюсах" АКБ? Пока не знаю что именно, но что-то мне совсем не нравится. Не совсем понял вопрос, о каких перемычках Вы спрашиваете? АКБ сейчас соединены точно так как указано на схеме, система работает, напряжение по сборкам в основном одинаковое. Несколько странно ведет себя первая параллельная сборка от основного плюса, на ней напряжение иногда может отличаться от остальных трех, закономерности пока не отследил, наблюдать некогда было. Пока обратил внимание, что периодически напряжение на ней повышается до 0,5В через некоторое время выравнивается. Контроллер при этом находится в в одном и том же режиме (Float 13,2В на один АКБ). Добавлено через 1 минуту --- Добавлено через 46 минут И ещё одна "непонятка". Ваши восемнадцать панелей могут запросто влупить под 80 Ампер (в ясный февральский/мартовский полдень). Контроллер справится с этой задачей? Не могут. У них разнонаправленная установка будет- двенадцать на Юг, три на ЮВ и три на ЮЗ. И соединены они последовательно по-три ток КЗ 5,5А* 6 сборок=33А всего Змінено 1 квітня 2013 користувачем Larsen_bmw 2 Посилання на коментар Поділитися на інших сайтах More sharing options...
Seva1964 Опубліковано: 1 квітня 2013 Поділитись Опубліковано: 1 квітня 2013 АКБ сейчас соединены точно так как указано на схеме --- Если это (перемычки, показанные пунктиром) работает ещё и в режиме "заряд", то получается подозрительно эффективная и простая балансировка АКБ. Именно в этом есть что-то, что мне совсем не нравится. соединены они последовательно по-три ток 5,5А* 6 сборок=33А всего --- Ток прямо пропорционален мощности ФЭП минус потери по пути к АКБ с потерями на внутреннее сопротивление АКБ, и обратно пропорционален текущему напряжению на сборке. Ток на АКБ будет больше 33 А. Посилання на коментар Поділитися на інших сайтах More sharing options...
kosgov Опубліковано: 2 квітня 2013 Поділитись Опубліковано: 2 квітня 2013 При отпускании ручки ВЭУ начинает вращаться, тоесть тормоз отпускается, лопасти в рабочее состояние не возвращаюься отчего-то, остаются "ребром" к потоку Как это не смешно: в 1989 году не состоялся один из пусков РН Энергия - не отошла мачта системы управления - заржавела. Целую неделю перед датой пуска шли проливные дожди. ;) ИМХО.Я думаю, изобилие осадков у Вас породило подобную проблему. 1 Посилання на коментар Поділитися на інших сайтах More sharing options...
Larsen_bmw Опубліковано: 2 квітня 2013 Автор Поділитись Опубліковано: 2 квітня 2013 Если это (перемычки, показанные пунктиром) работает ещё и в режиме "заряд", то получается подозрительно эффективная и простая балансировка АКБ. Именно в этом есть что-то, что мне совсем не нравится. Работает. Помоему такое соединение-запараллеливание очевидно при наличии нескольких последовательных сборок но я подозреваю, что полной балансировки всех АКБ не получится, заряд-разряд идет по последовательной схеме соединения а балансируются только параллельные цепочки и наверняка появится разбаланс именно между ними, позже конечно чем в единичных аккумуляторах, но появится. Ток прямо пропорционален мощности ФЭП минус потери по пути к АКБ с потерями на внутреннее сопротивление АКБ, и обратно пропорционален текущему напряжению на сборке. Ток на АКБ будет больше 33 А. Мудрено больно Ставлю поллитру что максимальный ток панелей при замере на контроллере будет равен току КЗ одной панели умноженному на количество сборок минус потери в кабелях. ИМХО.Я думаю, изобилие осадков у Вас породило подобную проблему. Я тоже так думаю, прийдется вызывать "скорую помощь" из Мира Ветра, чтож делать. Посилання на коментар Поділитися на інших сайтах More sharing options...
Seva1964 Опубліковано: 2 квітня 2013 Поділитись Опубліковано: 2 квітня 2013 Ставлю поллитру что максимальный ток панелей при замере на контроллере будет равен току КЗ одной панели умноженному на количество сборок минус потери в кабелях. --- Уговорили . Завтра же подкараулю солнышко, замеряю ток КЗ на последовательной сборке из двух ФЭП (ХХ 30 В) и какой ток при данной инсоляции идёт в АКБ после контроллера. Посилання на коментар Поділитися на інших сайтах More sharing options...
Seva1964 Опубліковано: 3 квітня 2013 Поділитись Опубліковано: 3 квітня 2013 подкараулю солнышко, замеряю ток --- Подкараулил в 16-00, замерял. КЗ ФЭП 150 мА, ток на АКБ 130 мА. Эпоха развитого социализма, объявление в газете: "Пропала собачка. С ошейником. Чёрненькая. Сука. Падла. Б..дь, как я ненавижу эту страну!" Да, в моём случае (ФЭП -> АКБ без посредника c функцией МРРT) нет смысла подключать ФЭП параллельно. 1 Посилання на коментар Поділитися на інших сайтах More sharing options...
matrot Опубліковано: 3 квітня 2013 Поділитись Опубліковано: 3 квітня 2013 Работает. Помоему такое соединение-запараллеливание очевидно при наличии нескольких последовательных сборок но я подозреваю, что полной балансировки всех АКБ не получится, заряд-разряд идет по последовательной схеме соединения а балансируются только параллельные цепочки и наверняка появится разбаланс именно между ними, позже конечно чем в единичных аккумуляторах, но появится. Кстати о балансировке. Посмотрите это local.com.ua/forum/topic/35773-%D0%BD%D0%B0%D0%BF%D1%80%D1%8F%D0%B6%D0%B5%D0%BD%D0%B8%D0%B5-%D0%BD%D0%B0-%D0%B1%D0%B0%D1%82%D0%B0%D1%80%D0%B5%D1%8F%D1%85-upsa/page-12, уж больно мне принцип понравился. Дешево и сердито. 3 Посилання на коментар Поділитися на інших сайтах More sharing options...
Seva1964 Опубліковано: 3 квітня 2013 Поділитись Опубліковано: 3 квітня 2013 нет смысла подключать ФЭП параллельно. --- Совсем обалдел от счастья. В моём случае нет смысла подключать ФЭП последовательно. И соединены они последовательно по-три ток КЗ 5,5А* 6 сборок=33А всего --- У вас стоит контроллер с МРРТ, который обязан понижать 100 вольт с током 33 А до напряжения сборки АКБ с пропорциональным увеличением зарядного тока. В противном случае получается, что, например, шесть сборок из шести последовательных ФЭП (36х185Вт) тоже покажут зарядный ток 33 А. Посилання на коментар Поділитися на інших сайтах More sharing options...
Larsen_bmw Опубліковано: 4 квітня 2013 Автор Поділитись Опубліковано: 4 квітня 2013 У вас стоит контроллер с МРРТ, который обязан понижать 100 вольт с током 33 А до напряжения сборки АКБ с пропорциональным увеличением зарядного тока. В противном случае получается, что, например, шесть сборок из шести последовательных ФЭП (36х185Вт) тоже покажут зарядный ток 33 А. Безусловно. Вот прошлогодний график напряжения панелей и зарядного тока за двое суток, видим ток выше 40А. И это фишка не только МРРТ контроллеров, я сам наблюдал у контроллера STECA Solarix PWM разницу в показателях Imod и Iaccu, ток заряда АКБ был выше тока панелей, видимо не только МРРТ контроллер умеет преобразовывать избыточное напряжение панелей в дополнительный зарядный ток. Посилання на коментар Поділитися на інших сайтах More sharing options...
Seva1964 Опубліковано: 4 квітня 2013 Поділитись Опубліковано: 4 квітня 2013 видим ток выше 40А --- Об этом я и пытался сказать в сообщении #1082. Вы добавляете шесть панелей и увеличиваете мощность на 1/3. Т.е., при аналогичной инсоляции и температуре ФЭП в этом году можно увидеть ток выше 60 А. Посилання на коментар Поділитися на інших сайтах More sharing options...
Larsen_bmw Опубліковано: 4 квітня 2013 Автор Поділитись Опубліковано: 4 квітня 2013 --- Об этом я и пытался сказать в сообщении #1082. Вы добавляете шесть панелей и увеличиваете мощность на 1/3. Т.е., при аналогичной инсоляции и температуре ФЭП в этом году можно увидеть ток выше 60 А. Я Вас понял. При расположении всех панелей в одной плоскости да, получается 60А. Но у меня разнонаправленная установка, что исключает одновременную работу всех панелей на полную мощность. Максимальная рассчетная величина тока заряда АКБ - 56,3А как будет на практике-посмотрим. В любом случае у TS MPPT есть защита по превышению тока. 1 Посилання на коментар Поділитися на інших сайтах More sharing options...
kollektor77 Опубліковано: 10 квітня 2013 Поділитись Опубліковано: 10 квітня 2013 кто-нить сетевые инверторы ставил? 1 Посилання на коментар Поділитися на інших сайтах More sharing options...
tosat Опубліковано: 18 квітня 2013 Поділитись Опубліковано: 18 квітня 2013 А смысл их сейчас устанавливать ? Вот подождём разъяснений от НКРЕ, тогда и увидим что к чему..Хотя если честно, то иногда просматриваю прайсы на сетевые инвертора и пришёл к выводу что у нас на том же "Аванте" цены в 2 раза выше нежели за бугром, кроме того уже сейчас можно приобрести неплохие б/у инвертора по цене 259 евро+60 доставка в Украину.. stores.ebay.co.uk/ELETTRO-STOCK/fotovoltaico-/_i.html?_fsub=7663307018&_sid=56391908&_trksid=p4634.c0.m322 1 Посилання на коментар Поділитися на інших сайтах More sharing options...
kollektor77 Опубліковано: 18 квітня 2013 Поділитись Опубліковано: 18 квітня 2013 интересное предложение , ну кто нибудь ставил? Посилання на коментар Поділитися на інших сайтах More sharing options...
DAO Опубліковано: 19 квітня 2013 Поділитись Опубліковано: 19 квітня 2013 Лиферные акумы уже полным ходом ставят в системы СБ в России... 5,5к$ за 100Ач? И шо, действительно "полным ходом"? Посилання на коментар Поділитися на інших сайтах More sharing options...
dddd08111970 Опубліковано: 19 квітня 2013 Поділитись Опубліковано: 19 квітня 2013 Это же на всю жизнь. Этот акум не нуждается в добивке. выдерживает морозы и заряжается оч. быстро максимальными токами.Это как мерседес среди машин. Все остальное компромис. Посилання на коментар Поділитися на інших сайтах More sharing options...
Seva1964 Опубліковано: 19 квітня 2013 Поділитись Опубліковано: 19 квітня 2013 Это же на всю жизнь. --- Эти аккумуляторы не прощают ошибок. Посилання на коментар Поділитися на інших сайтах More sharing options...
dddd08111970 Опубліковано: 19 квітня 2013 Поділитись Опубліковано: 19 квітня 2013 Согласен. Но можно организовать резервируемые отключения. 3 - е резервирование и вопрос закрыт(это не дорого). Посилання на коментар Поділитися на інших сайтах More sharing options...
Рекомендовані повідомлення
Створіть акаунт або увійдіть у нього для коментування
Ви маєте бути користувачем, щоб залишити коментар
Створити акаунт
Зареєструйтеся для отримання акаунта. Це просто!
Зареєструвати акаунтУвійти
Вже зареєстровані? Увійдіть тут.
Увійти зараз