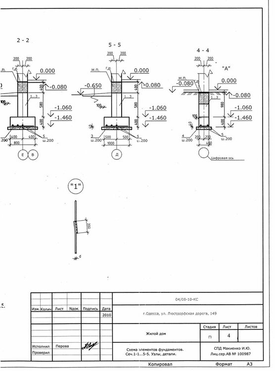
MARINCHIK Опубліковано: 4 травня 2011 Поділитись Опубліковано: 4 травня 2011 Добрый день! Подскажите сколько может стоить заливка такого фундамента. И как его можно удешевить, может блоки поставить местами, колонны не такие большие по сечению сделать? Посилання на коментар Поділитися на інших сайтах More sharing options...
вторик Опубліковано: 4 травня 2011 Поділитись Опубліковано: 4 травня 2011 Вы наверное издеваетесь? 1) как можно что-то сказать о фундаменте, без понимания здания и геологии. 2) кому будет интересно бесплатно мониторить Ваш проект. 3) будете ли Вы доверять написаному здесь неизвестно кем, больше чем специалисту который эти чертежи разработал и несет ответственность? 2 Посилання на коментар Поділитися на інших сайтах More sharing options...
Artyomovets Опубліковано: 4 травня 2011 Поділитись Опубліковано: 4 травня 2011 как его можно удешевить на фундаменте пытаться сэкономить - крайне неправильно. это основа вашего дома! тут можно так доэкономиться, что в итоге вся стройка - на строительный мусор. 1 Посилання на коментар Поділитися на інших сайтах More sharing options...
MARINCHIK Опубліковано: 4 травня 2011 Автор Поділитись Опубліковано: 4 травня 2011 Вы наверное издеваетесь? 1) как можно что-то сказать о фундаменте, без понимания здания и геологии. 2) кому будет интересно бесплатно мониторить Ваш проект. 3) будете ли Вы доверять написаному здесь неизвестно кем, больше чем специалисту который эти чертежи разработал и несет ответственность? Насчет доверия, как можно определить человека которому можно доверять? Пару фирм сказало, что сдесь прочность такая, что можно на втором єтаже паркрвку для танков сделать. Еще пару сказало, что все ок. Но, хотелось бы нанять человека, который понимал в этом (в строительстве в прочности, в расходах по материалам и т.д. и т.п.) от а до я. Есть ли такая специальность? или услуга, когда человек наблюдает в течении стройки за соблюдением всех норм и всего..... Посилання на коментар Поділитися на інших сайтах More sharing options...
OlegArh Опубліковано: 4 травня 2011 Поділитись Опубліковано: 4 травня 2011 Вы наверное издеваетесь? 1) как можно что-то сказать о фундаменте, без понимания здания и геологии. 2) кому будет интересно бесплатно мониторить Ваш проект. 3) будете ли Вы доверять написаному здесь неизвестно кем, больше чем специалисту который эти чертежи разработал и несет ответственность?Да еще с учетом длины здания 28 метров!!! Это общага?:D Посилання на коментар Поділитися на інших сайтах More sharing options...
MARINCHIK Опубліковано: 5 травня 2011 Автор Поділитись Опубліковано: 5 травня 2011 Да еще с учетом длины здания 28 метров!!! Это общага?:D Очень весело, но это жилой дом, который планируем строить на прямоугольном участке 60 метров на 18 метров, ни как по-другому увы не получается. Посилання на коментар Поділитися на інших сайтах More sharing options...
svetlan-ka Опубліковано: 5 травня 2011 Поділитись Опубліковано: 5 травня 2011 А почему Вы сомневаетесь в проекте? Ведь Вы согласовывали с конструктором и архитектором. Так зачем теперь искать способы удешевления? Мне кажется, что лучше все сделать по проекту и не слушать: "теперь тут можно многоэтажку строить..." и т.д. и т.п. Посилання на коментар Поділитися на інших сайтах More sharing options...
яrослав Опубліковано: 5 травня 2011 Поділитись Опубліковано: 5 травня 2011 А почему Вы сомневаетесь в проекте? Ведь Вы согласовывали с конструктором и архитектором. Так зачем теперь искать способы удешевления? Мне кажется, что лучше все сделать по проекту и не слушать: "теперь тут можно многоэтажку строить..." и т.д. и т.п. очень профессиональный проект,сколько этажей и какой материал стен у вас? Судя по чертежам,у Вас торфяник:D:D:D(если дом одноэтажный) Посилання на коментар Поділитися на інших сайтах More sharing options...
odessa4000 Опубліковано: 8 травня 2011 Поділитись Опубліковано: 8 травня 2011 Добрый день! Подскажите сколько может стоить заливка такого фундамента. И как его можно удешевить, может блоки поставить местами, колонны не такие большие по сечению сделать? ничего сложного нет. почти вся информация ,в том числе и пожелания геологов есть на проекте(расчет фундамента вел конструктор на основании заключения геологов),нужно только внимательней просмотреть. дом, скорее всго ,монолитно каркасный,отсюда и расчет колонн под монолитное перекрытие,блоки ФСБ под стенами, как вы и хотели. если у вас 1 этаж,можно положить плиты,вместо монолита и архитектор сэкономил вам деньги на камне,можно брать камень меньшей плотности ,а значит дешевле.основная нагрузка ложится на колонны ,фундамент и пояс.соответственно сделан и расчет несущей способности фундамента под колонны и стены (блоки ФБС). при проектировании моего дома заложен фундамент шириной 1,3 метра( грунт соответствующий-легкий суглинок лёссовый).за счет ширины фундамента мы ослабили нагрузку на грунт и избежали доп затрат на 25 тонные катки,(их еще найти нужно,ну и аренда немалая) по поводу танков....... . критики почитайте о лёссовых суспесях ,тогда все вопросы отпадут и танки тоже. служба которая занимается мониторингом строительства называется технический надзор. тех.надзор осуществляет тотальный контороль за строительством и все его указания являются обязательными к исполнению. Посилання на коментар Поділитися на інших сайтах More sharing options...
MAESTRO DNEPR Опубліковано: 8 травня 2011 Поділитись Опубліковано: 8 травня 2011 Если Вы хотели удешевить стоимость дома, то нужно было уменьшать площать крыши. Двух этажный дом Хм2 будет стоить дешевле одноэтажного аналогичной площади....а проект фундамента у Вас шикарный, архитекторам - RESPECT! 1 Посилання на коментар Поділитися на інших сайтах More sharing options...
master_yan Опубліковано: 8 травня 2011 Поділитись Опубліковано: 8 травня 2011 Если Вы хотели удешевить стоимость дома, то нужно было уменьшать площать крыши. Двух этажный дом Хм2 будет стоить дешевле одноэтажного аналогичной площади....а проект фундамента у Вас шикарный, архитекторам - RESPECT! 100% правда. Нет смысла рисковать с фундаментом! Проект правильный, и не такой дорогой фундамент - сравниваю со своим... У меня ширина подушки от 120 см до 180 см.... И ничего - пусть лучше танки крепко стоят Посилання на коментар Поділитися на інших сайтах More sharing options...
Мирт Опубліковано: 8 травня 2011 Поділитись Опубліковано: 8 травня 2011 (змінено) И как его можно удешевить, может блоки поставить местами, колонны не такие большие по сечению сделать? Мне кажется что здесь в этом проекте нет последовательности решений. Если устранить просадочность грунта, тогда зачем грунтовая подушка? Зачем вырывать сплошной котлован, у вас же нет подвала? (Каток 25 тонный -это круто:D. Наверно для манёвров ему не хватает места). Можно только под лентами сделать грунтовую подушку. Ширину нужно рассчитывать. Нужно было ещё рассмотреть свайный вариант фундамента, возможно было бы дешевле, потому-что меньше земляных работ. Змінено 8 травня 2011 користувачем Мирт Посилання на коментар Поділитися на інших сайтах More sharing options...
Рекомендовані повідомлення
Створіть акаунт або увійдіть у нього для коментування
Ви маєте бути користувачем, щоб залишити коментар
Створити акаунт
Зареєструйтеся для отримання акаунта. Це просто!
Зареєструвати акаунтУвійти
Вже зареєстровані? Увійдіть тут.
Увійти зараз