Алекса AZSX0022 Опубліковано: 2 грудня 2015 Поділитись Опубліковано: 2 грудня 2015 здравствуйте, прошу высказать мнение по вопросу пред бойлером стоял автомат на 10 а, сначала появилась дикая вонь и я не мог понять откуда, когда перестал работать бойлер проверил питание и оказалось что сгорел автомат очень странно, почему его не выбило? после замены автомата все работает нормально, как думаете надо разбирать искать причину в бойлере или автомат мог сам по себе перегореть? контакты входящие в автомат были хорошо обжаты и потемнений на проводке не было автомат перегорел внутри фото прилагаю Посилання на коментар Поділитися на інших сайтах More sharing options...
karapuz74 Опубліковано: 2 грудня 2015 Поділитись Опубліковано: 2 грудня 2015 Трещина уже была? Похоже на внутренний дефект автомата. Посилання на коментар Поділитися на інших сайтах More sharing options...
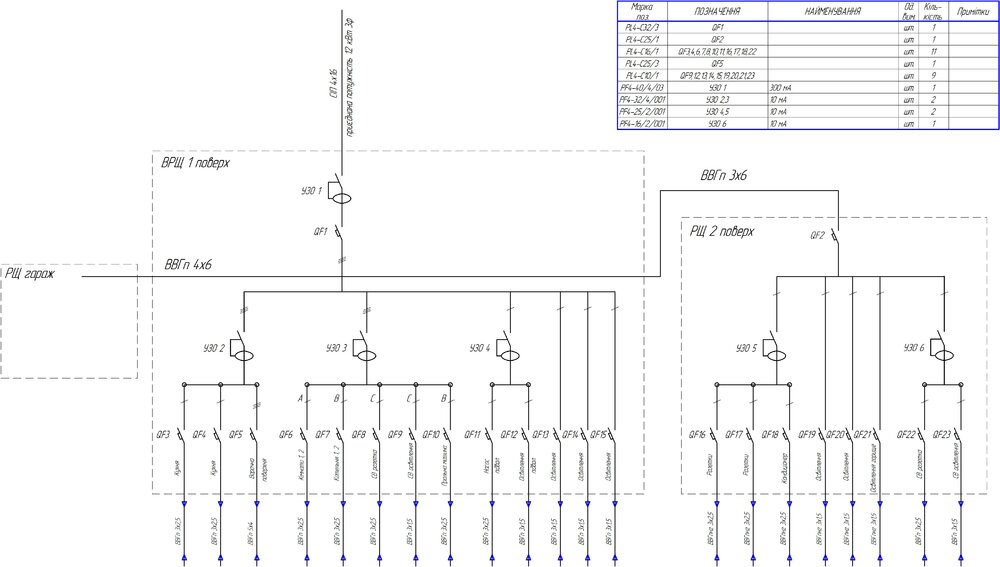
Grin24 Опубліковано: 2 грудня 2015 Поділитись Опубліковано: 2 грудня 2015 Доброго дня! Потрібна консультація спеціалістів по схемі електропостачання приватного будинку! Що правильно, на що звернути увагу! Буду вдячний за відповіді!!! Посилання на коментар Поділитися на інших сайтах More sharing options...
lyashik Опубліковано: 2 грудня 2015 Поділитись Опубліковано: 2 грудня 2015 здравствуйте, прошу высказать мнение по вопросу пред бойлером стоял автомат на 10 а, сначала появилась дикая вонь и я не мог понять откуда, когда перестал работать бойлер проверил питание и оказалось что сгорел автомат очень странно, почему его не выбило? после замены автомата все работает нормально, как думаете надо разбирать искать причину в бойлере или автомат мог сам по себе перегореть? контакты входящие в автомат были хорошо обжаты и потемнений на проводке не было автомат перегорел внутри фото прилагаю А бойлеру сколько лет?Сколько киловатт?Мог и накипи набраться! Автомат одиночный или рядом с другими?Мог греться. Посилання на коментар Поділитися на інших сайтах More sharing options...
Алекса AZSX0022 Опубліковано: 2 грудня 2015 Поділитись Опубліковано: 2 грудня 2015 А бойлеру сколько лет?Сколько киловатт?Мог и накипи набраться! Автомат одиночный или рядом с другими?Мог греться. бойлеру 3 года, 1,5квт после замены автомата сейчас все работает, автомат одиночный Посилання на коментар Поділитися на інших сайтах More sharing options...
lyashik Опубліковано: 2 грудня 2015 Поділитись Опубліковано: 2 грудня 2015 Не очень большой срок,и автомат правильный!А как вода у Вас,много накапи?Бойлером часто пользуетесь? Посилання на коментар Поділитися на інших сайтах More sharing options...
-AXID- Опубліковано: 2 грудня 2015 Поділитись Опубліковано: 2 грудня 2015 При монтажі проводки виникло таке питання. На якій відстані від стіни прокладати кабель по стелі. Потім планується натяжний потолок. Дякую. Посилання на коментар Поділитися на інших сайтах More sharing options...
S_Vladimir_79 Опубліковано: 2 грудня 2015 Поділитись Опубліковано: 2 грудня 2015 При монтажі проводки виникло таке питання. На якій відстані від стіни прокладати кабель по стелі. Потім планується натяжний потолок. Дякую. Натяжной потолок крепится к стенам. Посилання на коментар Поділитися на інших сайтах More sharing options...
karapuz74 Опубліковано: 2 грудня 2015 Поділитись Опубліковано: 2 грудня 2015 на що звернути увагу! 1. Заземление? По схеме его нет. 2. Зачем УЗО 10мА? Это для "мокрых" зон. 30 мА вполне подойдет. 3 Каким образом Вы будете соединять в щитке два кабеля ( на гараж и 2 этаж)? Посадите их на верхние клеммы автоматов или какая-то разветвлительная колодка? 4. На второй этаж идет трехжильный кабель, а используется одноплюсный автомат. Значит "земля" планировалась или это "запас"? ИМХО, кидайте минимум две фазы наверх. 1 Посилання на коментар Поділитися на інших сайтах More sharing options...
baton1976 Опубліковано: 2 грудня 2015 Поділитись Опубліковано: 2 грудня 2015 Всем откликнувшимся на мой пост - ОГРОМНОЕ СПАСИБО!!! Так сказать разжевали и в рот положили Мой выбор ЗЗЦМ (Запорожье) По моему тут на форуме кто то им торгует. Ну или на завод в отдел реализации, но там только бухтами. На выходных был в Эпике(на Юбилейном), нужно было купить 10м кабеля - докинуть одну линию. На кабели ЗЗЦМ была скидка 50%. Взял 3х2,5 по 13 грн. с копейками. Не знаю до какого числа у них эта акция и во всех ли магазинах. 1 Посилання на коментар Поділитися на інших сайтах More sharing options...
Energon Опубліковано: 2 грудня 2015 Поділитись Опубліковано: 2 грудня 2015 А я тут ребус не могу решить Вопрос мне - Добрий день. Підскажіть, що робити котел працював через стабілізатор 10років нормально, але зараз почався грітись кабель від розетки до стабілізатора (кабель фаза,нуль, заземлення окремий від щитка багатопоерхівки). Підключаю окремо заземлення (від розетки да котла) гріється. І ще одне коли включаю без замлення котел працює нормально, нічого не гріється. Клеми провірені все зажато. Я ответ - У Вас очень плохой нуль, или где то перепутали или кто то перепутал провода нуль с землей. Если второй вариант то при плохом заземлении (большое сопротивление) такое возможно. Вопрос мне - Energon то все таки яка може бути причина нагрівання заземлення в котлі, коли в щитку є заземлення і нуль, Підключаю до розетки інші прилади нічого не гріється. Я так думаю что то с котлом не так, или где то на корпус пробивает. УЗО нет.Посмотреть возможности нет, а на глаз что то ничего другого не придумаю в чем дело. Может кто то сталкивался с таким? Посилання на коментар Поділитися на інших сайтах More sharing options...
Александр124 Опубліковано: 2 грудня 2015 Поділитись Опубліковано: 2 грудня 2015 [А я тут ребус не могу решить) Может ответ или его часть в вопросе"... котел працював через стабілізатор 10років нормально, але зараз почався грітись кабель від розетки до стабілізатора " Может проблема в стабилизаторе? С Ув. Александр Посилання на коментар Поділитися на інших сайтах More sharing options...
truck55 Опубліковано: 3 грудня 2015 Поділитись Опубліковано: 3 грудня 2015 Перед установкой УЗО хотелось бы проверить проводку в квартире на утечки, чтобы не было ложных срабатываний. Годится ли для этого тестер до 2 МОм? mzpo.com.ua/catalogue/multimetri/kitaiskie_myltimetri/409-mastech-m-832-digital-multimeter.html Посилання на коментар Поділитися на інших сайтах More sharing options...
-AXID- Опубліковано: 3 грудня 2015 Поділитись Опубліковано: 3 грудня 2015 Натяжной потолок крепится к стенам. В мене буде до трьох, а в стіні над вікном прямо під стелею вмурований двотавр (будинок автрійський). Тому питаю на якій відстані прокладати кабелі, щоб потім при монтажі стелі вони не мішали при установці. 25 см вистачить? Посилання на коментар Поділитися на інших сайтах More sharing options...
Тюня Опубліковано: 3 грудня 2015 Поділитись Опубліковано: 3 грудня 2015 Тому питаю на якій відстані прокладати кабелі, щоб потім при монтажі стелі вони не мішали при установці. 25 см вистачить? Это вопрос не к электрикам, а скорее к вам и к отделочникам Можете прикинуть сами Если у вас потолок в 1 уровень, то хватит 7-8 см, ну 10, и ведите свои провода Если 2 уровня - оставьте 20 см Теперь обратный отчет - от окна - если будете крепить карнизы, посмотрите на каком уровне Я взяла см 15 от откоса верхнего Вот в этом уровне - после карниза, но до потолка и ведите 1 Посилання на коментар Поділитися на інших сайтах More sharing options...
Firetuf Опубліковано: 4 грудня 2015 Поділитись Опубліковано: 4 грудня 2015 Перед установкой УЗО хотелось бы проверить проводку в квартире на утечки, чтобы не было ложных срабатываний. Годится ли для этого тестер до 2 МОм? mzpo.com.ua/catalogue/multimetri/kitaiskie_myltimetri/409-mastech-m-832-digital-multimeter.html нет, это скорее прозвонка, Вам нужен мегаомметр. 1 Посилання на коментар Поділитися на інших сайтах More sharing options...
truck55 Опубліковано: 4 грудня 2015 Поділитись Опубліковано: 4 грудня 2015 нет, это скорее прозвонка, Вам нужен мегаомметр. Нет у меня такого на 500 В, который требуется по методике. Буду пока думать, как решить. Тестером намерил минимальное 1,2 МОм. УЗО все равно нужно, так что придется, возможно, его поставить, а там уже в процессе устранять проблемы, если проявятся. Посилання на коментар Поділитися на інших сайтах More sharing options...
Yarikys Опубліковано: 4 грудня 2015 Поділитись Опубліковано: 4 грудня 2015 Уважаемые спецы. Подскажите. Как сделать управление электроконвекторами с программатором и покомнатным управлением? Что должно быть. Отдельный центральный программатор - который управляет конвекторами. (аналог как на газовых котлах) Установка температуры, отключения в заданное время, разные режимы. Разная темп в 4 зонах (2 комнаты, кухня и санузел) Если возможно, управление всем этим добром по смартфону. Я просто, не знаю что именно искать? Знаю, что есть программаторы на тёплый пол. Но это немного другое. Посилання на коментар Поділитися на інших сайтах More sharing options...
AndyAntonov Опубліковано: 4 грудня 2015 Поділитись Опубліковано: 4 грудня 2015 Здесь на форуме есть Diver. Например, у него есть подобная техника, с управлением через СМС. Посилання на коментар Поділитися на інших сайтах More sharing options...
Yarikys Опубліковано: 4 грудня 2015 Поділитись Опубліковано: 4 грудня 2015 через СМС Я смотрел. Там просто жсм розетка. С простым вкл/выкл. Я думаю, что мне нужно, что-то похожее на управление тёплым полом. Выставить темп / выставить временные зоны. Посилання на коментар Поділитися на інших сайтах More sharing options...
IEC 60364 Опубліковано: 5 грудня 2015 Поділитись Опубліковано: 5 грудня 2015 (змінено) а почему без исключений, ежели черным по белому написано: когда оборудование класса II или равнозначной изоляцией"? Или я опять не то читаю...? Велл, согласен. Александр, возьмите, для рассмотрения обычный санузел обычного многоквартирного дома В ванной должна быть розетка 220 В - для подключения фена, подсветки зеркала, караоке и т.п. Это всё приборы с защитой II. Приведите, пожалуйста пример (вероятность установки) аналогичного санузла без такой розетки (или с исключением возможности установки такой розетки владельцем квартиры ) - это и будет, как Вы сказали, "исключением" Змінено 5 грудня 2015 користувачем IEC 60364 Посилання на коментар Поділитися на інших сайтах More sharing options...
Петр 380 Опубліковано: 6 грудня 2015 Поділитись Опубліковано: 6 грудня 2015 Уважаемые спецы. Подскажите. Как сделать управление электроконвекторами с программатором и покомнатным управлением? Что должно быть. Отдельный центральный программатор - который управляет конвекторами. (аналог как на газовых котлах) Установка температуры, отключения в заданное время, разные режимы. Разная темп в 4 зонах (2 комнаты, кухня и санузел) Если возможно, управление всем этим добром по смартфону. Я просто, не знаю что именно искать? Знаю, что есть программаторы на тёплый пол. Но это немного другое. Подобные задачи решают на "GSM-Universal" Посмотрите может подойдет. Посилання на коментар Поділитися на інших сайтах More sharing options...
Grin24 Опубліковано: 8 грудня 2015 Поділитись Опубліковано: 8 грудня 2015 1. Заземление? По схеме его нет. 2. Зачем УЗО 10мА? Это для "мокрых" зон. 30 мА вполне подойдет. 3 Каким образом Вы будете соединять в щитке два кабеля ( на гараж и 2 этаж)? Посадите их на верхние клеммы автоматов или какая-то разветвлительная колодка? 4. На второй этаж идет трехжильный кабель, а используется одноплюсный автомат. Значит "земля" планировалась или это "запас"? ИМХО, кидайте минимум две фазы наверх. 1,4. Заземлення буде, в схемі помилка СІП буде 5х16 від опори де встановлений лічильник. Контур заземлення біля опори. 2. 10мА залишу на санвузли, інші які ідуть на розетки заміню на 30 мА. 3. Як правильно реалізувати зєднання? Посилання на коментар Поділитися на інших сайтах More sharing options...
karapuz74 Опубліковано: 8 грудня 2015 Поділитись Опубліковано: 8 грудня 2015 СІП буде 5х16 Нет такого провода. Есть 4*16 и 2*16. Опора далеко? Зачем Вам тянуть "воздушку" от опоры. Почему не рассмотрите вариант закопать этот кабель. Эстетичней будет выглядеть, нежели СИП. Як правильно реалізувати зєднання? ну вообщето правильней будет в щитке на первом этаже поставить дополнительно по автомату на гараж и второй этаж и соединить всю автоматике трехфазной "гребенкой" На фото показан итог соединения. И опять же. На второй этаж дайте две фазы. Одна на свет, вторая на силовую часть. Поможет правильней распределить нагрузку да и на случай повреждения одной из фаз не надо будет перекоммутацию "временную" делать. Кстати, в схемке отсутствует защита от превышения напруги. Будете делать? 1 Посилання на коментар Поділитися на інших сайтах More sharing options...
AlexGrin Опубліковано: 8 грудня 2015 Поділитись Опубліковано: 8 грудня 2015 Начал ложить проводку в квартире. Возникли вроде простые вопросы, но нужно уточнить. 1. Использую 3-х жильный кабель, ставлю одинарный выключатель, к нему подвожу с коробки кабель - один провод это фаза вход, второй провод это фаза выход на светильник. Третий провод просто глушить и не подключать? 2. С двойным выключателем вроде все ясно - один провод это фаза вход, остальные два это фаза выход, каждый на свою группу ламп. Правильно? Посилання на коментар Поділитися на інших сайтах More sharing options...
Рекомендовані повідомлення
Створіть акаунт або увійдіть у нього для коментування
Ви маєте бути користувачем, щоб залишити коментар
Створити акаунт
Зареєструйтеся для отримання акаунта. Це просто!
Зареєструвати акаунтУвійти
Вже зареєстровані? Увійдіть тут.
Увійти зараз