Volt-Amper Опубліковано: 30 жовтня 2016 Поділитись Опубліковано: 30 жовтня 2016 Зоркий Глаз, ну раз уж вы решились на такие хитрые манипуляции с кабелем, то неплохо бы удостовериться в том, что у вас таки ДВА ввода и два ВРУ, или просто два этажных щитка? Что вообще за электроустановка?:D Если схемы у вас не найдется, то скажу так: - Лучше "прокинуть" все проводники (L+N) к А1, если делали не вы и не знаете КАК. - Не допускается объединение нулевых рабочих и нулевых защитных проводников различных групповых линий. - Если есть диф.реле в А2, после которого вы возьмете "фазу", без "нейтрали" и подключите к А1 - дiла не буде. - Дiло може погано закiнчитись, якщо у вас 3 фазы, та TN-C. Спрашивать "зачем так делать?":pardon: - не стану, наверное есть основания. Но если хотите дельного совета - описывайте схему более точно, зарисуйте, сфотографируйте... Иначе - это гадания на кофейной гуще. Можем угадать, а можем и не угадать. Тоесть все таки начать с технических условий в РЕС или с проекта в лицензированной организации? А без ТУ проекта и не будет. Посилання на коментар Поділитися на інших сайтах More sharing options...
LM Опубліковано: 30 жовтня 2016 Поділитись Опубліковано: 30 жовтня 2016 ...А без ТУ проекта и не будет. Рыська - вот Вам ответ на все Ваши вопросы. В ТУ все и увидите. К тому же разговоры - это одно, а дать письменный ответ потребителю, который не факт, что потом с этой бамагой не пойдет выяснять и скандалить - это уже другое. Есть такая организация НКРЕ, и при упоминании потребителем желания обратиться туда, РЭС-овцы напрягаются, если только все разговоры "про сложности" простое желание поиметь денег, а не реальные проблемы. За спрос не бьют, идите за ТУ. 1 Посилання на коментар Поділитися на інших сайтах More sharing options...
Vikctor Опубліковано: 30 жовтня 2016 Поділитись Опубліковано: 30 жовтня 2016 За спрос не бьют, идите за ТУ. Не знаю нынешних правил, но раньше за ТУ тоже нужно было заплатить. Долларов 150, если правильно помню. Посилання на коментар Поділитися на інших сайтах More sharing options...
Рыська Опубліковано: 30 жовтня 2016 Поділитись Опубліковано: 30 жовтня 2016 Не знаю нынешних правил, но раньше за ТУ тоже нужно было заплатить. Долларов 150, если правильно помню. Официально? Я думала это справка о возможности выделения мощности? Посилання на коментар Поділитися на інших сайтах More sharing options...
-electron- Опубліковано: 30 жовтня 2016 Поділитись Опубліковано: 30 жовтня 2016 Официально? Я думала это справка о возможности выделения мощности? Офіційно ТУ дають безкоштовно. ;) Це не справка, це макумент згідно якого потім робиться проект, там вказуються кількість фаз, потужність, автомат, до якої ТП підключитись і тд. Я ще не чув щоб за безкоштовний макумент платили. ;) Мабуть ці гроші "рішалам" пішли.Зберегти Посилання на коментар Поділитися на інших сайтах More sharing options...
Рыська Опубліковано: 30 жовтня 2016 Поділитись Опубліковано: 30 жовтня 2016 Офіційно ТУ дають безкоштовно. ;) Це не справка, це макумент згідно якого потім робиться проект, там вказуються кількість фаз, потужність, автомат, до якої ТП підключитись і тд. Я ще не чув щоб за безкоштовний макумент платили. ;) Мабуть ці гроші "рішалам" пішли.Зберегти Теперь про автомат, мне в проекте ( который после ТУ ) необходимо указать потребление котла+ потребителей и это может влиять на автомат. Так что идя за ТУ мне надо уже купить котел? Посилання на коментар Поділитися на інших сайтах More sharing options...
Vikctor Опубліковано: 30 жовтня 2016 Поділитись Опубліковано: 30 жовтня 2016 Я ще не чув щоб за безкоштовний макумент платили. Мабуть ці гроші "рішалам" пішли. Думать оно не вредно конечно, но эти деньги я в 2012г заплатил официально за ТУ на счёт ДТЭК. А затем ещё за одно ТУ заплатил столько же, когда условия прежднего мне не подошли. И что характерно - опять официально на счёт. Посилання на коментар Поділитися на інших сайтах More sharing options...
Volt-Amper Опубліковано: 30 жовтня 2016 Поділитись Опубліковано: 30 жовтня 2016 Все верно пишет Vikctor, ТУ, у нас в "киевоблэнерго", стоили около 900грн за один лист. Не подошло ТУ, или 2 года прошло с момента получения - новое сделают, не проблема. За ту же сумму. А потом уже ТР (техническое решение) выдавалось, а потом уже проект Возможно, с появлением понятия "стандартное подключение", тариф от региона к региону сильно меняется, но на "бумагу и карандаши" взять денежку, для энергокомпании - святое дело. 1 Посилання на коментар Поділитися на інших сайтах More sharing options...
imenno Опубліковано: 31 жовтня 2016 Поділитись Опубліковано: 31 жовтня 2016 мигают лэд лампы, советуют поставить кондер. Не взорвется ли это все и не пожароопасно ли такое шаманство? Посилання на коментар Поділитися на інших сайтах More sharing options...
-electron- Опубліковано: 31 жовтня 2016 Поділитись Опубліковано: 31 жовтня 2016 Теперь про автомат, мне в проекте ( который после ТУ ) необходимо указать потребление котла+ потребителей и это может влиять на автомат. Так что идя за ТУ мне надо уже купить котел? Напоркуа? В мене на момент отримання ТУ не те що котла, навіть фундаменту під будинок не було. ;) Я вказав загальну 10 кВт, котел 6 кВт. Просто тариф на опалення не дадуть поки не буде введено в експлуатацію, не буде зроблений проект на опалення і тд. Зберегти Добавлено через 2 минуты Думать оно не вредно конечно, но эти деньги я в 2012г заплатил официально за ТУ на счёт ДТЭК. А затем ещё за одно ТУ заплатил столько же, когда условия прежднего мне не подошли. И что характерно - опять официально на счёт. Пан таки має непереборне бажання мене тролити? З однієї теми я пішов, щоб зупинити його тролінг, тепер він мене в іншій знайшов? Якщо його працівники ринатки розвели на оплату безкоштовних ТУ, та ще й двічі , то хто йому лікар? В темі не раз написали, що ТУ безкоштовні, і написали люди з різних регіонів.Зберегти Посилання на коментар Поділитися на інших сайтах More sharing options...
LM Опубліковано: 31 жовтня 2016 Поділитись Опубліковано: 31 жовтня 2016 Все верно пишет Vikctor, ТУ, у нас в "киевоблэнерго", стоили около 900грн за один лист. Не подошло ТУ, или 2 года прошло с момента получения - новое сделают, не проблема. За ту же сумму. А потом уже ТР (техническое решение) выдавалось, а потом уже проект. Получилось так, что все по 3-м фазам мне делал проектант, кот. делал в свое время мне проект на эл.отопление. Общались с ним по электронной почте: тк у него все доки для проекта были, то на 3 фазы я даже с ним не встречался. ТУ похоже бесплатно, утверждать не могу, он их сам брал, мне уже "Договір про стандартне приєднання" по электронке сбросил, я подписал и оплатил. На вопрос сколько я должен за работу, он просто отмахнулся - говорит платить не за что, я мол паралельно со своими делали все решал. Думаю, что если б ТУ были платные, как минимум за них я бы заплатил. Речь идет о Киеве, не области. Вот ссыль на тарифы к подключению и алгоритм действий: kyivenergo.ua/ru/standartni_priednannya Посилання на коментар Поділитися на інших сайтах More sharing options...
Volt-Amper Опубліковано: 31 жовтня 2016 Поділитись Опубліковано: 31 жовтня 2016 Ух, вообщем так: Пункт 2.1.2. правил приєднання - Електропередавальна організація безоплатно протягом п'яти робочих днів від дня подання зазначеної заяви надає замовнику підписаний договір про приєднання, з визначенням у ньому розміру плати за приєднання, невід'ємною частиною якого є технічні умови стандартного приєднання до електричних мереж електроустановок. Как-то мутно мне абонотдел растолковал... ТУ платные, но как-бы и не платные, т.к. - входят в стимость стандартного подключения и НЕ входят в стоимость не стандартного. В пакете документов должен быть документ, подтверждающий оплату услуг по подключению, документ об оплате услуг за работу по оформлению технических условий (короче говоря квитанции из банка). Спрашивал у знакомого диспетчера - говорит, что нормы/постановы НКРЕ - утопия и решают все по факту, так как подключать "пустое место" не имеют права, а все документы, в т.ч. договор, должны идти одним пакетом, через единое окно... а в жизни часто бывает, что КТП в частной собствнности, а такое подключение делать вообще нельзя, а другого нет... и прочая прочая... бредятина Вывод: все оплаты будут осуществляться по квитанции, на счет компании. Официально. Где-то там будет включена стоимость разработки ТУ. Процедура: 1 заявление + необходимые документы. 2 получение решения + оплата услуг. 3 подключение. Надо идти в ваш РЭС и РОЭ, а там уже спрашивать по сути вопроса. Больше информации с форума думаю вытянуть не получится. 1 Посилання на коментар Поділитися на інших сайтах More sharing options...
igorrius Опубліковано: 31 жовтня 2016 Поділитись Опубліковано: 31 жовтня 2016 мигают лэд лампы, советуют поставить кондер. Не взорвется ли это все и не пожароопасно ли такое шаманство? нормальная практика, нужно по-хорошему не менее 400в брать Посилання на коментар Поділитися на інших сайтах More sharing options...
Vikctor Опубліковано: 31 жовтня 2016 Поділитись Опубліковано: 31 жовтня 2016 Пан таки має непереборне бажання мене тролити? У Вас завышенное ЧСВ. Вы мне не интересны в принципе. Не домысливайте за меня и я с удовольствием буду Вас игнорировать. Как обычно и поступаю. Якщо його працівники ринатки розвели на оплату безкоштовних ТУ, та ще й двічі , то хто йому лікар? Ещё раз медленно, для тугосоображающих. На договорном отделе в 2012г у нас висела таблица с расценками - стоимость за кВт при разных вариантах подключения и т.п. В том числе и ТУ оценивалось в 1200грн. Оплата официальная. Вам профи подтвердил, что в Киевэнерго была подобная практика. Берут ли деньги за ТУ сейчас - я не знаю. Так собственно и написал. Если проблемы с восприятием чужих сообщений, то я увы помочь не в силах. Засим всё. Прошу прощения у адекватных участников ветки за офф. Посилання на коментар Поділитися на інших сайтах More sharing options...
Energon Опубліковано: 31 жовтня 2016 Поділитись Опубліковано: 31 жовтня 2016 В том числе и ТУ оценивалось в 1200грн. Оплата официальная. да. такое было - подтверждаю. Сталкивался с таким. 1 Посилання на коментар Поділитися на інших сайтах More sharing options...
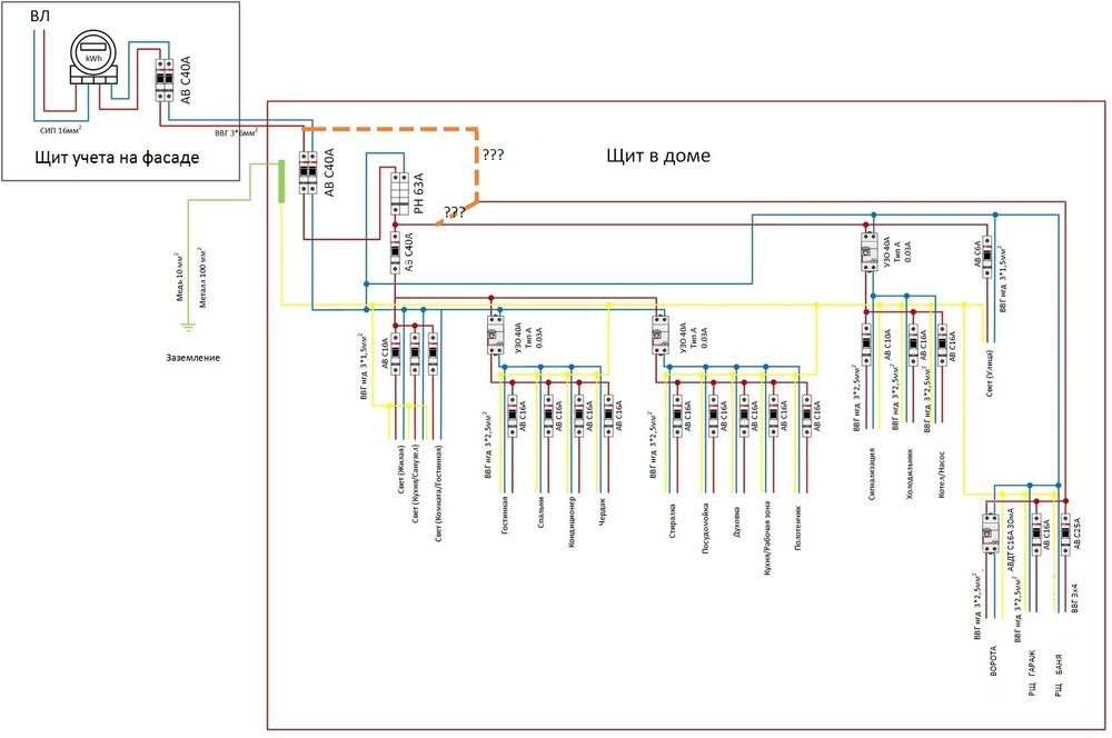
mikhailoff71 Опубліковано: 2 листопада 2016 Поділитись Опубліковано: 2 листопада 2016 (змінено) Разрешите позадавать вопросы в данной теме по поводу ГРЩ одноэтажника. Основной вопрос откуда запитать кабели идущие на баню, гараж и ворота. До рубильника в щитке дома или после? В качестве рубильника планирую использовать 2Р автомат на 32-40А. И в целом, есть какие то существенные недочеты в данной схеме? Всего получается 19 линий кабелей. Планирую некоторые объединить по две (одного сечения) на один автомат. Такое допустимо? Змінено 2 листопада 2016 користувачем mikhailoff71 Посилання на коментар Поділитися на інших сайтах More sharing options...
Volt-Amper Опубліковано: 2 листопада 2016 Поділитись Опубліковано: 2 листопада 2016 mikhailoff71 Рубильником АВ быть не может никак После АВ подключайте. Недочетов? Их есть у меня. Под хороший зажим АВ, 2 провода допустимо. 1 Посилання на коментар Поділитися на інших сайтах More sharing options...
mikhailoff71 Опубліковано: 2 листопада 2016 Поділитись Опубліковано: 2 листопада 2016 mikhailoff71 Рубильником АВ быть не может никак Почему нельзя применить АВ в качестве ВН? После АВ подключайте. Т.е. при отключении щита в доме, тушим все, что находится во дворе? Посилання на коментар Поділитися на інших сайтах More sharing options...
Volt-Amper Опубліковано: 3 листопада 2016 Поділитись Опубліковано: 3 листопада 2016 mikhailoff71, Выключателем нагрузки АВ может быть, а вот рубильником, ввиду особенностей строения контактной группы - нет. И вообще: коммутация под нагрузкой, довольно жесткое физическое явление. Ну думаю, желательно, чтобы была возможность "отключить" электроустановку полностью, с ВРУ. Для "жизненно важных" цепей, можно предусмотреть байпас, или АВР. Параграф из ПУЭ: Перед вводами в здания не допускается устанавливать дополнительные кабельные ящики для разделения сферы обслуживания наружных питающих сетей и сетей внутри здания. Такое разделение должно быть выполнено во ВРУ или ГРЩ. ВУ, ВРУ, ГРЩ должны иметь аппараты защиты на всех вводах питающих линий и на всех отходящих линиях. 1 Посилання на коментар Поділитися на інших сайтах More sharing options...
Privet Опубліковано: 3 листопада 2016 Поділитись Опубліковано: 3 листопада 2016 Какой недорогой автомат на 3-и фазы 16А купить ? Разброс цен у них колоссальный - надо полагать и качество тоже отличается. Надо найти золотую середину. Посилання на коментар Поділитися на інших сайтах More sharing options...
Volt-Amper Опубліковано: 3 листопада 2016 Поділитись Опубліковано: 3 листопада 2016 Какой недорогой автомат на 3-и фазы 16А купить ? Разброс цен у них колоссальный - надо полагать и качество тоже отличается. Надо найти золотую середину. Тут нет "золотой середины". В пределах одного бренда, есть несколько линий продукции. Если бы вы еще указали значение "недорогой" в эквиваленте валюты США, было-бы вообще отлично. "Итон ПЛ4", "Промфактор ЭКО", если я правильно понял "недорого"... Посилання на коментар Поділитися на інших сайтах More sharing options...
Tsoy Опубліковано: 3 листопада 2016 Поділитись Опубліковано: 3 листопада 2016 АББ, Хагер. Вы ж покупаете АВ один раз на много лет вперед. Как по мне -- есть смысл поставить что-нибудь поприличнее чем середина на половину. Цой ) Посилання на коментар Поділитися на інших сайтах More sharing options...
AndyAntonov Опубліковано: 3 листопада 2016 Поділитись Опубліковано: 3 листопада 2016 Какой недорогой автомат на 3-и фазы 16А купить ? Ну я из недорогих покупаю GE серой серии (G60). Посилання на коментар Поділитися на інших сайтах More sharing options...
Privet Опубліковано: 3 листопада 2016 Поділитись Опубліковано: 3 листопада 2016 "Промфактор ЭКО" Их на Украине делают ? Надо поддержать нацпроизводителя. Посилання на коментар Поділитися на інших сайтах More sharing options...
Volt-Amper Опубліковано: 3 листопада 2016 Поділитись Опубліковано: 3 листопада 2016 Их на Украине делают ? Надо поддержать нацпроизводителя. Да это наш производитель (ну комплектующие, наверное уже как бог пошлет:Dне знаю). И довольно неплохие аппараты. Собирал на "промфакторе" щиты мелким промышленникам, аграриям. Без брака было все. А на серии EVO, одно время "плотно сидел" РЭС броварского района. Я правда не знаю, как у них там на предприятии, баланс спрос-предложение, но в продаже аппаратов практически не вижу. Посилання на коментар Поділитися на інших сайтах More sharing options...
Рекомендовані повідомлення
Створіть акаунт або увійдіть у нього для коментування
Ви маєте бути користувачем, щоб залишити коментар
Створити акаунт
Зареєструйтеся для отримання акаунта. Це просто!
Зареєструвати акаунтУвійти
Вже зареєстровані? Увійдіть тут.
Увійти зараз