Слава Щ. Опубліковано: 19 червня 2011 Поділитись Опубліковано: 19 червня 2011 Ток по нулю разделится и пойдёт через цепь напряжения счётчика и через цепь заземления, в результате счётчик покажет аварию - утечку по нулю на землю. Вы уж определитесь. Ничего не покажет проверено на практике неоднократно, с разными счетчиками. РЭС тоже такие щитки пломбирует без замечаний. 1 Посилання на коментар Поділитися на інших сайтах More sharing options...
sanykrimea Опубліковано: 19 червня 2011 Поділитись Опубліковано: 19 червня 2011 Вы уж определитесь. Ничего не покажет проверено на практике неоднократно, с разными счетчиками. РЭС тоже такие щитки пломбирует без замечаний. Не рассказывайте. Индукционные счётчики (и некоторые электронные) действительно не реагируют: В этом счётчике в цепи напряжения стоит трансформатор. Будет гореть буква "Е" на табло и указана длительность прохождения диф. тока. При большом токе (например, при объединении заземлителей) счётчик отключит цепь. Из ТО счётчика: 2.1.10. Датчик дифференциального тока Датчик предназначен для измерения разности токов в фазных и нейтральном проводах. Если эта разность превышает некоторую предельную величину, контроллер может с помощью отключающего реле отключить потребителя от сети. 2.1.11. Схема измерения дифференциального тока Схема предназначена для прецизионного измерения разности токов в фазных и нейтральном проводах. Значение дифференциального тока используется контроллером для вычисления соответствующего потребления энергии. Если эта разность токов превышает некоторую предельную величину, контроллер может с помощью отключающего реле отключить потребителя от сети. Посилання на коментар Поділитися на інших сайтах More sharing options...
Шарманщик Опубліковано: 19 червня 2011 Поділитись Опубліковано: 19 червня 2011 Кажется документ ПУЭ называется... 2.3.8. ....У всіх випадках забороняється в колах РЕ і РЕN провідників мати комутаційні контактні і безконтактні елементи. Допускаються з'єднання, які можуть розбиратися з допомогою інструмента, а також спеціально призначені для цієї мети з'єднувачі..... Именно такой способ ведения диалога/дискуссии я и называю: "Хорошая мина, при плохой игре..." Вы, дяденька, ещё разок собственную речь прочитайте и сравните с выдержками из ПУЭ..... Ежели не найдёте отличий между собственными перлами - "..прерываться и перекоммутироваться.." и словами "..запрещено -коммутационные контактные и безконтактные" и допускается - разборные с помощью инструмента и соединители спецназначения..." Вот уж правильно - "...слышал звон - да не знает, где он!" Ну нету знаний - не лезь с выводами, или хотя бы аккуратненько выскажи сомнения в собственной блиц-грамотности..... Подумай, дядя, а что если я, отбросив всеобщее жлобство, поставлю четырёхполюсный автомат на входе??? Он же РЕ или PEN обязательно порвёт-перекоммутирует!!!!!:Yahoo!: Посилання на коментар Поділитися на інших сайтах More sharing options...
Шарманщик Опубліковано: 19 червня 2011 Поділитись Опубліковано: 19 червня 2011 Так делать ни в коем случае нельзя.... Прошу пояснить Вашу позицию - а что такое-эдакое может быть...???? Не я всё-таки завтра сфоткаю свой этажный щиток!!!!!!!!!!!!!!! Слово даю, Вам, Слава - ежели сервер не даст фотку втиснуть - я её Вам по почте пульну - и буду ждать Вашего комментария - чо можно, чо не можно.... 1 Посилання на коментар Поділитися на інших сайтах More sharing options...
Шарманщик Опубліковано: 19 червня 2011 Поділитись Опубліковано: 19 червня 2011 В щитке со счетчиком делить нечего (к тому же он опечатан), туда от ящика РУ (на котором щиток висит), заходят четыре провода, три (фазы) - на автомат (а от него - к счетчику), четвертый (ноль) - прямо к счетчику........ Послушайте, мон ами, а Вы хоть чуток понимаете, что хотите и что Вам советуют???? Почитайте наши ответы - уже разными способами рассказали, КАК и ПОЧЕМУ именно так надо делать??? Может лучше не играть в "жлоб-дела" и пригласить спеца, который, за ДЕНЮЖКУ, разумеется, подведёт четыре питающих жилы к дому, сделает нормальный контур не из ржавого дерьма только отдалённо помнящего своё металлическое прошлое.... ИМХО: Вариантов вижу несколько: 1. Вопрошающий не имеет даже представления о чём спрашивает, а уж тем более, что хочет, что и доказано моим диалогом с ним - путать столь элементарные понятия и термины..... 2. Соревнуется с такими же на иных форумах 3. Просто тролль.......... Посилання на коментар Поділитися на інших сайтах More sharing options...
sanykrimea Опубліковано: 19 червня 2011 Поділитись Опубліковано: 19 червня 2011 Вариантов вижу несколько: 1. Вопрошающий не имеет даже представления о чём спрашивает, а уж тем более, что хочет, что и доказано моим диалогом с ним - путать столь элементарные понятия и термины..... 2. Соревнуется с такими же на иных форумах 3. Просто тролль.......... Ещё один - РЭСовцы донецкие, потребителей запугали и творят беспредел при полном непротивлении сторон: (ссылка на изображение устарела) Посилання на коментар Поділитися на інших сайтах More sharing options...
Шарманщик Опубліковано: 19 червня 2011 Поділитись Опубліковано: 19 червня 2011 Это - самый позитивный - потому как 30 страниц читать-писать и вернуться к опечатанному щиту с четырьмя проводками, о чём собственно и говорилось вначале - как-то очень расточительно и глупо, ИМХО, конечно............ Посилання на коментар Поділитися на інших сайтах More sharing options...
Igor_M Опубліковано: 19 червня 2011 Автор Поділитись Опубліковано: 19 червня 2011 Мужчины! Вы изъясняетесь на понятном вам языке - профессиональном. Нельзя картинку нарисовать (или мою поправить)? Ну не может человек без специального образования постичь все это. Итого, если можете - нарисуйте, или я буду рисовать сам пока вы не скажете СТОП - это оно... Спасибо! Посилання на коментар Поділитися на інших сайтах More sharing options...
sanykrimea Опубліковано: 19 червня 2011 Поділитись Опубліковано: 19 червня 2011 Рисунок А.6 из ГОСТ Р 51628-2000 для примера. РЭСовцы при подключении счётчика нарушили минимум 2 требования, содержащихся в более, чем 10 пунктах 4 нормативных документов Украины. 1. Заземление должно быть TN-C-S. 2. Сечение PEN - не менее... ГОСТы, по которым выпускаются счётчики не регламентируют сечение цепи напряжения Конфету из Вашего ЩУ не сделать. 1 Посилання на коментар Поділитися на інших сайтах More sharing options...
Шарманщик Опубліковано: 19 червня 2011 Поділитись Опубліковано: 19 червня 2011 Рисунок А.6 из ГОСТ Р 51628-2000 для примера. РЭСовцы при подключении счётчика нарушили минимум 2 требования, содержащихся в более, чем 10 пунктах 4 нормативных документов Украины. 1. Заземление должно быть TN-C-S. 2. Сечение PEN - не менее... ГОСТы, по которым выпускаются счётчики не регламентируют сечение цепи напряжения Конфету из Вашего ЩУ не сделать. Ну вот......всегда Вы так....даже добавить нечего..... Посилання на коментар Поділитися на інших сайтах More sharing options...
sanykrimea Опубліковано: 19 червня 2011 Поділитись Опубліковано: 19 червня 2011 Ну вот......всегда Вы так....даже добавить нечего..... Ну, Славу Щ. ждём-с.. Так делать ни в коем случае нельзя. Надо так: Прошу пояснить Вашу позицию - а что такое-эдакое может быть...???? Посилання на коментар Поділитися на інших сайтах More sharing options...
Шарманщик Опубліковано: 19 червня 2011 Поділитись Опубліковано: 19 червня 2011 Ну, Славу Щ. ждём-с....... При всём уважении к Славе Щ, моя уверенность в том, что есть внятное объяснение, почему нельзя после вводного автомата или счетчика, РЕ или PEN повторно соединять с N и какие негативные последствия нас ждут, ежели это всё химичить до УЗО....... А в этажном щите четвертый провод сразу внизу посажен под болт, потом от него же идет "0" на счетчик, с которого снова на железяку щита, от которой в квартиры....короче, лучше я фотку втиснуть попробую, а то уподоблюсь нашему оппонету с его опечатанным щитом.... Посилання на коментар Поділитися на інших сайтах More sharing options...
sanykrimea Опубліковано: 19 червня 2011 Поділитись Опубліковано: 19 червня 2011 А в этажном щите четвертый провод сразу внизу посажен под болт, потом от него же идет "0" на счетчик, с которого снова на железяку щита, от которой в квартиры....короче, лучше я фотку втиснуть попробую, а то уподоблюсь нашему оппонету с его опечатанным щитом.... Думаю, у Вас дом по проекту с электроплитами, этажные щиты соединены между собой катанкой или трубой и на вводе включены в СУП дома. Полноценный РЕ - от корпуса щита. Посилання на коментар Поділитися на інших сайтах More sharing options...
Шарманщик Опубліковано: 19 червня 2011 Поділитись Опубліковано: 19 червня 2011 Думаю, у Вас дом по проекту с электроплитами, этажные щиты соединены между собой катанкой или трубой и на вводе включены в СУП дома. Полноценный РЕ - от корпуса щита. да нет, газ...чешский проект, межэтажных контактов нет, как-то делал контур, получилось, что для всего дома, теперь, всвязи со сменой председателя кооператива контура просто не стало, посему буду налаживать контакт с придурком-председателем и ваять таки индивидуальный контур.... Посилання на коментар Поділитися на інших сайтах More sharing options...
Igor_M Опубліковано: 20 червня 2011 Автор Поділитись Опубліковано: 20 червня 2011 Послушайте, мон ами, а Вы хоть чуток понимаете, что хотите и что Вам советуют???? Почитайте наши ответы - уже разными способами рассказали, КАК и ПОЧЕМУ именно так надо делать??? Может лучше не играть в "жлоб-дела" и пригласить спеца, который, за ДЕНЮЖКУ, разумеется, подведёт четыре питающих жилы к дому, сделает нормальный контур не из ржавого дерьма только отдалённо помнящего своё металлическое прошлое.... Ув. Шарманщик! Простите великодушно, ежели я нанес вам оскорбление своим незнанием предмета. и бредовыми ссылками не туда... По существу даного поста. Я хочу правильно организовать ввод в дом. Это раз. Советовали (и тут в том числе) разными способами. Это два. Специалистов приглашал (и даже двух) и они тоже предлагали разные сособы. Это три. Честно скажу, что плохо спал последние две ночи - сильно переживал... И все мне снилось, что я таки провел все четыре провода (как они есть) и на домовом щитке повторно заземлил N, выходящий со щита учета. Вот только счетчик меня этот беспокоит... Посилання на коментар Поділитися на інших сайтах More sharing options...
Igor_M Опубліковано: 20 червня 2011 Автор Поділитись Опубліковано: 20 червня 2011 Был на выходные на участке. К сожалению, хозяина КТП вызвонить не удалось - пришлось довольствоваться внешним осмотром. На фото 1 - щит учета на ящике распределительного устройства КТП. Гофротруба справа - вход от РУ, левее - выход от счетчика в распредкоробку. Фото 2 - распредкоробка. К клеммной колодке снизу подходят четыре кабеля ПВ3 - 10мм2 (L1, L2, L3 и N(?)). Сверху подлючен кабель к соседу (у него пока нет электричества и я расрешил подключиться к себе)... Ну и там же - вывод на розетку рядом и два провода - в вагончик для строителей). Все подключения - временные, буду отключать перед прокладкой в дом. Фото 3 - слева - временная розетка. Снизу черный кабель - временный к соседу, там же - "времянка" на бытовку. Под распредкоробкой к щиту РУ прикручен болт с пластиной, к пластине приварен прут, который идет к столбу КТП. Этот прут уходит в землю (видно на фото 1). Возле земли к нему приварен вертикальный прут, который поднимается вверх. На фото 4 видно, что от него идет ответвление на какой-то коммутатор. Далее от коммутатора по трубе поднимается вверх и с чем-то там соединяется (фото 5). На том же фото видно, что по столбу прут идет до трансформатора... Вот то, что сверху опускается - это и есть глухозаземленная нейтраль? Посилання на коментар Поділитися на інших сайтах More sharing options...
Слава Щ. Опубліковано: 20 червня 2011 Поділитись Опубліковано: 20 червня 2011 (змінено) соедини хоть сто раз N и РЕ после вводного автомата и ничего интересного... Так делать ни в коем случае нельзя. Прошу пояснить Вашу позицию - а что такое-эдакое может быть...???? 1.7.147 Якщо починаючи з якої-небудь точки N- і РЕ-провідники поділено, не дозволяється об'єднувати ці провідники за цією точкою по ходу енергії. А что, если повторный контур соединить с заземлением КТП (показано штриховой линией)? Тогда вроде должна получиться схема TN-S? Можно так сделать, TN-S получится, если при этом Вы соблюдёте все требования для РЕ-проводника: Захисні провідники (РЕ-провідники) 1.7.131 Як захисні провідники в електроустановках напругою до 1 кВ можна використовувати: 1) спеціально передбачені для цього провідники: жили багатожильних кабелів і проводів; ізольовані або неізольовані провідники, прокладені в огороджувальній конструкції (трубі, коробі, лотку) спільно з фазними провідниками лінії живлення; стаціонарно прокладені ізольовані або неізольовані провідники; 2) відкриті провідні частини: алюмінієві оболонки кабелів; металеві оболонки і опорні конструкції комплектних пристроїв і шино-проводів, які входять до складу електроустановки напругою до 1 кВ; металеві короби і лотки електропроводок, якщо їх конструкція допускає таке використання і це зазначено в документації виготовлювача; металеві труби електропроводок; 3) деякі сторонні провідні частини: металеві конструкції будівель і споруд (ферми, колони тощо); сталева арматура залізобетонних будівельних конструкцій будівель і споруд; металеві конструкції виробничого призначення (підкранові рейки, галереї, площадки, шахти ліфтів і підйомників, обрамлення каналів тощо). Провідники, спеціально передбачені для використання як захисні, не можна використовувати з іншою метою. 1.7.132 Використовувати відкриті і сторонні провідні частини, зазначені в 1.7.131, як захисні провідники допускається, якщо вони відповідають вимогам цієї глави до провідності електричного кола. Відкриті і сторонні провідні частини можна використовувати як захисні провідники, якщо вони крім того одночасно відповідають таким вимогам: неперервність електричного кола забезпечується їх конструкцією або відповідними з'єднаннями, захищеними від механічних, хімічних і електрохімічних пошкоджень; їх демонтаж неможливий без відома персоналу, який експлуатує електроустановку. 1.7.133 Не допускається використовувати як захисні провідники такі провідні частини: труби газопостачання та інші трубопроводи горючих або вибухонебезпечних речовин і сумішей; труби водопостачання, каналізації і центрального опалення; несучі троси для тросової проводки; свинцеві оболонки кабелів і проводів; конструктивні частини, які можуть зазнавати механічного пошкодження в нормальних умовах експлуатації; металеві оболонки ізоляційних трубок і трубчастих проводів, металорукави тощо. 1.7.134 PE-провідник, якщо він входить до складу лінії (кабелю, проводу), що живить дане обладнання, не допускається використовувати для виконання функцій РЕ- провідника електрообладнання, яке отримує живлення від іншої лінії. Також не допускається використовувати відкриті провідні частини електрообладнання як РЕ-провідники для іншого обладнання. Винятком є оболонки і опорні конструкції комплектних пристроїв і комплектних шинопроводів, якщо є можливість приєднання до них захисних провідників у потрібному місці. 1.7.135 Ізоляція захисних провідників не вимагається. Проте в місцях, де можливе пошкодження ізоляції фазних провідників через іскріння між неізольованим захисним провідником і металевою оболонкою або конструкцією (наприклад, у разі прокладання провідників у трубах, коробах, лотках), захисні провідники повинні мати ізоляцію, рівноцінну з фазними провідниками. 1.7.136 PE-провідники необхідно, як правило, прокладати в спільній оболонці з фазними провідниками або поряд з ними. Якщо для захисту від ураження електричним струмом використовуються пристрої захисту від надструму, ця вимога є обов'язковою. 1.7.137 Мінімальний переріз РЕ-провідників повинен відповідати значенням, наведеним у табл. 1.7.6. Переріз провідників у табл. 1.7.6 наведено для випадку, коли їх виготовлено з того самого матеріалу, що й фазні. Переріз провідників з іншого матеріалу повинен бути за провідністю еквівалентним зазначеному в табл. 1.7.6. Переріз окремо прокладених алюмінієвих РЕ-провідників повинен бути не меншим за 16 мм2. Захисні провідники допускається прокладати в землі, у підлозі, по краю фундаментів технологічних установок тощо. Не допускається прокладати в землі неізольовані алюмінієві захисні провідники. У сухих приміщеннях без агресивного середовища захисні провідники можна прокладати безпосередньо по стінах. У вологих, сирих і особливо сирих приміщеннях, а також у приміщеннях з агресивним середовищем захисні провідники необхідно прокладати на відстані від стін, не меншій ніж 10 мм. 1.7.143 Неізольовані захисні провідники слід захищати від корозії. У місцях перетину їх з кабелями, трубопроводами тощо, а також у місцях їх введення в будівлі, переходу крізь стіни і перекриття вони повинні бути захищені від механічних пошкоджень. У місцях перетину температурних і осадових швів треба передбачати компенсацію їх довжини. 1.7.144 Захисні провідники повинні мати кольорове позначення поздовжніми або поперечними жовтими і зеленими смугами однакової ширини, що чергуються (див. також главу 1.1). Змінено 20 червня 2011 користувачем Слава Щ. Посилання на коментар Поділитися на інших сайтах More sharing options...
Шарманщик Опубліковано: 20 червня 2011 Поділитись Опубліковано: 20 червня 2011 Ржавый железный прут - это и есть проводник РЕ, т.е. контура заземления висящего над башкой трансформатора....при чём тут глухозаземлённая нейтраль??? Полюс N (нейтраль, ноль, земля, общий провод - как только не обзывают) образуется путём соединения в кучу по одному из выводов трех обмоток транса ТП, другие, как Вы уже догадались, выводы обмоток дают Вам три искомых фазы - L1, L2, L3.... Контур заземления соединён с корпусом ТП... Посилання на коментар Поділитися на інших сайтах More sharing options...
Слава Щ. Опубліковано: 21 червня 2011 Поділитись Опубліковано: 21 червня 2011 (змінено) Ржавый железный прут - это и есть проводник РЕ, т.е. контура заземления висящего над башкой трансформатора....при чём тут глухозаземлённая нейтраль??? Полюс N (нейтраль, ноль, земля, общий провод - как только не обзывают) образуется путём соединения в кучу по одному из выводов трех обмоток транса ТП, другие, как Вы уже догадались, выводы обмоток дают Вам три искомых фазы - L1, L2, L3.... Контур заземления соединён с корпусом ТП... Распределительные сети с изолированной нейтралью в цепях низкого напряжения (менее 1 кВ) применяется редко, а в сетях жилищного электроснабжения (как более опасные) и подавно. Это трансформатор с глухозаземленной нейтралью вторичных обмоток. Змінено 21 червня 2011 користувачем Слава Щ. Посилання на коментар Поділитися на інших сайтах More sharing options...
Шарманщик Опубліковано: 21 червня 2011 Поділитись Опубліковано: 21 червня 2011 ...Вот то, что сверху опускается - это и есть глухозаземленная нейтраль[/b]? 2 Слава Щ друже, завязывайте с травой этой марки....а то создаётся впечатление, что Вы говорите "сам с собою"... Курсивом выделен вопрос - я максимально точно постарался ответить - Вы что, действительно считаете, что эта ржавая железина и есть глухозаземлённая нейтраль??? Может это таки проводник от штыревого контура заземления, соединенный с железякой трансформатора, а уже к ней, согласно ПУЭ и конструкторской документации где-там, в недрах железяки-трансформатора и присоединяются три отвода от обмоток и вот таким образом получаем систему электропитания (снабжения) с глухозаземлённой нейтралью.... экономя пятый провод в каждой магистрали... А то соединит жилу N с этой ржавой фиговиной кто-то из начитавшихся наших опусов - вот будет веселуха для оперативной пары.... Взвешивать надоть, сто раз уж говорил, свои собственные словеса - ляпнешь что-то двояко-толкуемое - пострадает кто-то из человеков - это что, скрытая цель наших дискуссий??? Посилання на коментар Поділитися на інших сайтах More sharing options...
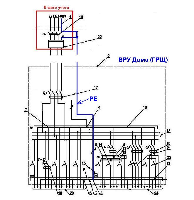
Igor_M Опубліковано: 21 червня 2011 Автор Поділитись Опубліковано: 21 червня 2011 (змінено) А что там смотреть - в двухпроводной сети ноль через счётчик идёт, в трёхпроводной - РЕN разделён на вводе в здание или в щитке до счётчиков. Вести РЕN через счётчик - это выхолостить из него РЕ. А то, что есть в советской сети и то, что должно быть в современной по МЭК и действующим в Украине нормам - две большие разницы. В РФ есть - деление до счётчика. Наши "вчоные" ещё не сподобились на такой ДСТУ, дабы ним раздавать "шлепки и затрещины"(с) "спецам" из РЭСов, пользуют 78 года по моему. Хотя и ПУЭ хватит, чтобы оспорить "креатив" в подключении счётчика. Спасибо за схемки. Рис А.6 - то как должно быть, если я правильно понял... Т.е. от КТП идет L1, L2, L3 и PEN, а уже во внутридомовом щитке PEN разделяется на PE (шина заземления, СУП, ДСУП и т.п.) и N, который подается на вход счетчика, а потом с выхода счетчика - на шину N... Все бы хорошо, но наши украинские реалии по выносу счетчиков в отдельные щиты учета на улице создают дополнительные трудности... По логике провод, подходящий к счетчику можно считать еще как PEN (если бред - напишите)??? Правильно ли будет, если я возьму этот провод ДО счетчика и разделю его на ДВЕ части - типа N и PE. При этом N пойдет к счетчику, а РЕ протяну к ВРУ дома отдельным кабелем. Вот примерно так (получается пять проводов тянем от щита учета к дому во ВРУ - все сечением 10мм2 медь): Или я опять что-то не то "изобразил"? Змінено 21 червня 2011 користувачем Igor_M Посилання на коментар Поділитися на інших сайтах More sharing options...
sanykrimea Опубліковано: 21 червня 2011 Поділитись Опубліковано: 21 червня 2011 Правильно ли будет, если я возьму этот провод ДО счетчика и разделю его на ДВЕ части - типа N и PE. При этом N пойдет к счетчику, а РЕ протяну к ВРУ дома отдельным кабелем. Вот примерно так (получается пять проводов - все сечением 10мм2): Наконец-то! Это то, что мы втроём на трёх страницах и пытаемся Вам рассказать.. Посилання на коментар Поділитися на інших сайтах More sharing options...
Igor_M Опубліковано: 21 червня 2011 Автор Поділитись Опубліковано: 21 червня 2011 Наконец-то! Это то, что мы втроём на трёх страницах и пытаемся Вам рассказать.. Я понял, что с картинками понятнее... Тут я спрашивал про КТП разные глупости - где "глухозаземленная нейтраль" и т.п... Вот нашел схему КТП трехфазной столбовой - (ссылка устарела)... Мама дарагая... (с) лучше б не смотрел... а то мне кажется, что и подстанция смонтирована не совсем "того"... Очевидно вся комплектация установлена внутри ящика РУ низкого напряжения (РУНН). Все равно придется ехать к РЭСовцам на "собеседование", поскольку нужен доступ внутрь щита РУНН... Потому что правильнее на мой взгляд было бы подключить РЕ (для ввода в дом) ДО точки "расщепления" PEN на PE и N... Правда, это будет иметь смысл в том случае, если PEN имеет сечение больше 10мм2... (правильно или нет я понимаю ситуацию?). Т.е. придется делать "вскрытие". У хозяина КТП ключа от РУ нет (только что вызвонил его), так что придется в РЭС двигать. Вот гляжу на схему этой самой КТП-ВС и никак не найду ту точку, где PEN разделяется на PE и N... И вообще - где PEN ??? Был бы крайне признателен, если б ткнули пальцем (ну точку нарисовать или линию навести другим цветом)... Спсб! Посилання на коментар Поділитися на інших сайтах More sharing options...
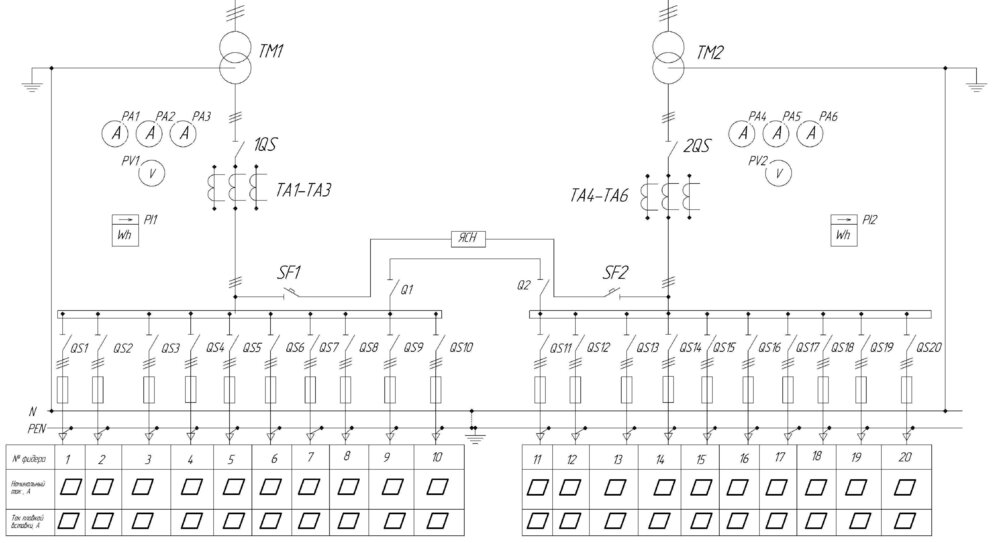
sanykrimea Опубліковано: 21 червня 2011 Поділитись Опубліковано: 21 червня 2011 (змінено) 1. На Вашей схеме шины не показаны. 2. В РУНН PEN делят по отдельным шинам только по желанию заказчика, в обычной комплектации есть только шина PEN 3. Вот другая схема (на 2 тр-ра, но смысл понятен): Змінено 21 червня 2011 користувачем sanykrimea Посилання на коментар Поділитися на інших сайтах More sharing options...
Dmitry_Kaliningrad Опубліковано: 21 червня 2011 Поділитись Опубліковано: 21 червня 2011 Я бы умер, вникать во все эти П, Л, Н и т.п. Ваша дотошность меня просто поражает. Попробую использовать это в своих корыстных целях. Игорь, меня щас заботит вопрос проводки по дому. Есть ли какая-нибудь инфа? типа, "электропроводка в доме для чайника". На что обратить внимание при планировании, высота розеток, выключателей и т.п. Снипы и госты на 1300 стр просьба не предлагать, ибо я все-таки еще и работаю... Спс. 1 Посилання на коментар Поділитися на інших сайтах More sharing options...
Рекомендовані повідомлення
Створіть акаунт або увійдіть у нього для коментування
Ви маєте бути користувачем, щоб залишити коментар
Створити акаунт
Зареєструйтеся для отримання акаунта. Це просто!
Зареєструвати акаунтУвійти
Вже зареєстровані? Увійдіть тут.
Увійти зараз