dimoff Опубліковано: 22 листопада 2012 Автор Поділитись Опубліковано: 22 листопада 2012 Не забудьте о том, что когда окна ставят, то оставляют зазоры на пену хотя бы 15мм с каждой стороны. И соответственно, если проем диаметром 600мм- окно будет 570мм., а это уже невозможно сделать. Так что пока не поздно, увеличьте диаметр до минимально-допустимого размера, что бы не было мучительно больно потом. Думаю расширить дырку - это не сузить. Поздно никогда не будет). А по поводу того диаметр там или радиус 600 попрошу ответить Вадима. Он читает этот форум) Добавлено через 6 минут Я так заблуждалась еще месяц назад У меня дом из газобетона, обложенный белым кирпичем. Но так как мы покупали готовый дом и его реконструировали, то решили, что нужно в нем пожить год, чтобы решить, требуется ли утеплять фасад или достаточно просто отделать декоративной штукатуркой. И вот теперь я уверена на 100%, что утеплять будем весной обязательно. Осталось найти пряморуких строителей, которые умеют работать с ватой. Это если учесть, что окна у нас Рехау энергосберегающие, крыша утеплена по перекрытию (ж\б плиты) изовером и алюфомом фольгированным, "серьезная" входная дверь и обязательно тамбур. Теплые полы на первом этаже. И все равно хочется ходить зимой дома в футболке, не платя при этом внушительные счета за газ. Ну а что касается родителей, так мои и сейчас живут в панельке и им никогда не холодно))) Просто самая любимая у них вещь в зимний период - овечья жилетка. Какой толщины газобетон? На что клали? Что значит обложен белым кирпичом? Между ним и ГБ что-то есть? Посилання на коментар Поділитися на інших сайтах More sharing options...
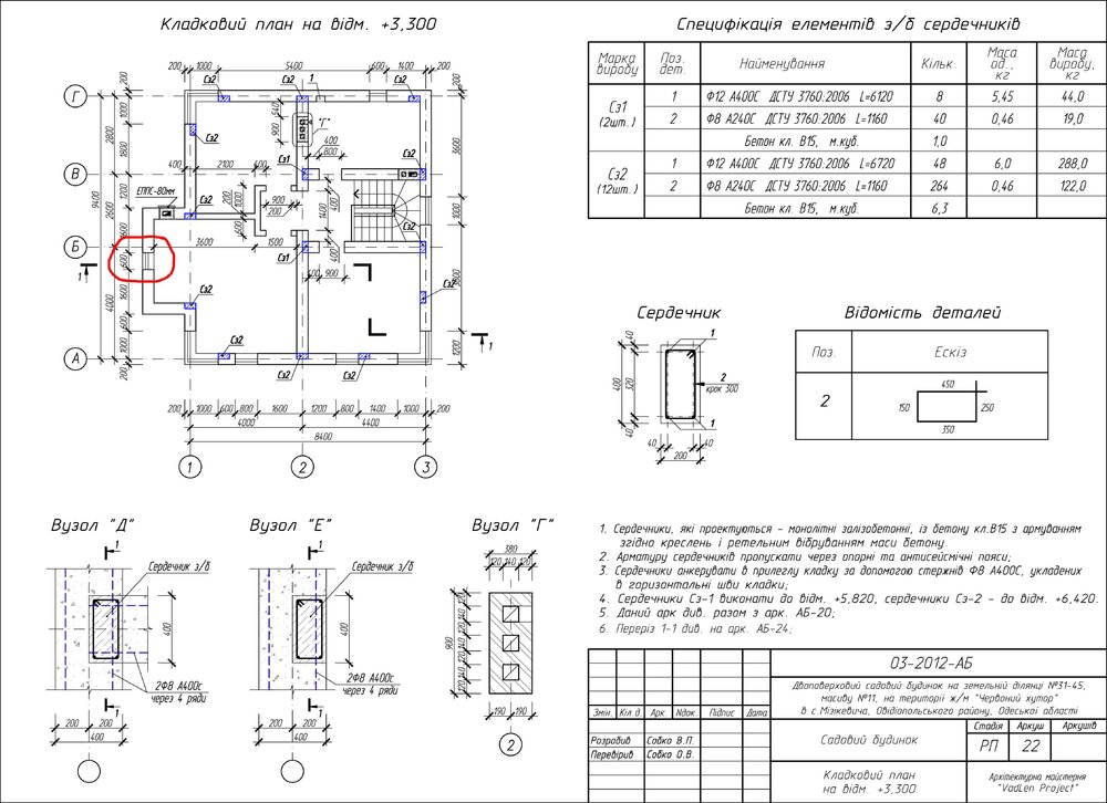
VadLen_Project Опубліковано: 22 листопада 2012 Поділитись Опубліковано: 22 листопада 2012 А по поводу того диаметр там или радиус 600 попрошу ответить Вадима Отвечаю - на некоторых листах в проекте, а точнее на листах АБ-6 и АБ-9, можно увидеть надпись 600® и 600х600® - это значит, что окно имеет размеры 600 на 600 и оно радиусное. На вложенных файлах чётко видно, какой ширины окно... даже не знаю чем вызваны ваши сомнения ) Посилання на коментар Поділитися на інших сайтах More sharing options...
Яло Опубліковано: 22 листопада 2012 Поділитись Опубліковано: 22 листопада 2012 (змінено) На вложенных файлах чётко видно, какой ширины окно... даже не знаю чем вызваны ваши сомнения ) Дело не в сомнениях. На фото меня смутил размер окна. Сорри, это уже профессиональная привычка подмечать нюансы. Закрались сомнения по поводу возможности сделать такое. И как оказалось, не напрасно. Судя по чертежам, 600мм- это диаметр. Отсюда вытекает вывод Не забудьте о том, что когда окна ставят, то оставляют зазоры на пену хотя бы 15мм с каждой стороны. И соответственно, если проем диаметром 600мм- окно будет 570мм., а это уже невозможно сделать. Змінено 22 листопада 2012 користувачем Яло Посилання на коментар Поділитися на інших сайтах More sharing options...
VadLen_Project Опубліковано: 22 листопада 2012 Поділитись Опубліковано: 22 листопада 2012 Яло, своё последнее сообщение я написал дабы избежать недоразумения - чтобы строители не вырезали окно радиусом 600мм. А вам я благодарен за полезную информацию и в дальнейшем буду это учитывать. Посилання на коментар Поділитися на інших сайтах More sharing options...
aleeck Опубліковано: 22 листопада 2012 Поділитись Опубліковано: 22 листопада 2012 хочется за Вас порадоваться!!! а то или мне кажется, то-ли здесь только критика и замечания Посилання на коментар Поділитися на інших сайтах More sharing options...
dimoff Опубліковано: 22 листопада 2012 Автор Поділитись Опубліковано: 22 листопада 2012 на листах АБ-6 и АБ-9, можно увидеть надпись 600® и 600х600® - это значит, что окно имеет размеры 600 на 600 и оно радиусное. Не знаю как строителей, а меня лично смутила буква R. Еще со школьной скамьи я запомнил что R - это радиус. Хотя понимал окно 1200 в гардеробной это уже занадто. Попросил увеличить радиус..., тьфу, диаметр до 700. Думаю этого хватит для самого простого глухого окна. Кстати, кто-то из оконщиков, читающих эту ветку возьмется за просчет стоимости остекления моей хатынки? Добавлено через 3 минуты а то или мне кажется, то-ли здесь только критика и замечания В основном, конечно, критика. Но - конструктивная. Добавлено через 2 минуты Надеюсь шашлык был вкусный? Очень. Из молодого поросенка:drinks: 1 Посилання на коментар Поділитися на інших сайтах More sharing options...
Яло Опубліковано: 22 листопада 2012 Поділитись Опубліковано: 22 листопада 2012 Кстати, кто-то из оконщиков, читающих эту ветку возьмется за просчет стоимости остекления моей хатынки? Дык...я и могу взяться за просчет стоимости остекления Вашей хатынки)))) Скидывайте спецификацию мне на e-mail (в подписи). На выходных будете изучать цифры от меня. Посилання на коментар Поділитися на інших сайтах More sharing options...
ЧП Ненашев А Б Опубліковано: 22 листопада 2012 Поділитись Опубліковано: 22 листопада 2012 Кстати, кто-то из оконщиков, читающих эту ветку возьмется за просчет стоимости остекления моей хатынки? Выставляйте размеры в разделе тендеров по окнам или пишите в личку - просчитать не сложно. Кстати, для деревянных евроокон диаметр круглого окна не имеет значения.И цена на окна не зависит от цвета окон. Посилання на коментар Поділитися на інших сайтах More sharing options...
Дана 999 Опубліковано: 22 листопада 2012 Поділитись Опубліковано: 22 листопада 2012 Какой толщины газобетон? На что клали? Что значит обложен белым кирпичом? Между ним и ГБ что-то есть? Блоки 36 см толщина, подозреваю, что клали на цементный раствор (хотя предыдущий хозяин говорил, что на клей), между блоком и кирпичем вентзазор 3 см, утеплителя нет. Посилання на коментар Поділитися на інших сайтах More sharing options...
dimoff Опубліковано: 23 листопада 2012 Автор Поділитись Опубліковано: 23 листопада 2012 Блоки 36 см толщина, подозреваю, что клали на цементный раствор (хотя предыдущий хозяин говорил, что на клей), между блоком и кирпичем вентзазор 3 см, утеплителя нет. На мой взгляд странная конструкция. Если хотели кирпичем просто облицевать то почему не вплотную к гб? А если оставили зазор то почему не поклеили пенопласт или вату? Посилання на коментар Поділитися на інших сайтах More sharing options...
AНДРЮША Опубліковано: 23 листопада 2012 Поділитись Опубліковано: 23 листопада 2012 На мой взгляд странная конструкция. Если хотели кирпичем просто облицевать то почему не вплотную к гб? А если оставили зазор то почему не поклеили пенопласт или вату? Конструкция как раз правильная, не понятно почему холодно. Возможно гте-то нарушена технология. Посилання на коментар Поділитися на інших сайтах More sharing options...
_LE_ Опубліковано: 23 листопада 2012 Поділитись Опубліковано: 23 листопада 2012 На мой взгляд странная конструкция. Если хотели кирпичем просто облицевать то почему не вплотную к гб? А если оставили зазор то почему не поклеили пенопласт или вату? Да так добрая половина домов строилась еще с 90-х - вентзазор вместо утепления. Сейчас полных ходом засыпаютперлитом\ ППС-ом в шариках и прочем ... Я бы кстати как раз ппс-ом в шариках и засыпал - как минимум не боится воды, как вата... А то что в таких стенах швы как правило не гидрофобизированы - и влага есть всегда - говорить лишенее... У друга вот абсолютно аналогичная история ... Рад что решили делать утепление по балкам. Рад что не взяли Браас - как по моему мнению невероятно завышенная цена. Если не секрет - можете выслать (можно в личку) смету на кровлю - просто у меня кровля и чердачное перекрытие оказались наиболее капиталоемкой частью стройки ... Интересно сравнить ... Очень советую сразу продумать люк на крышу - он стоит сравнительно небольших денег (порядка 1 тысячи грн) - а и для ремонта (если вдруг понадобится), и для чистки дымохода (если придется), и для установки спутниковой антены\соллара или что там еще может понадобится - очень даже пригодится ))))) 2 Посилання на коментар Поділитися на інших сайтах More sharing options...
Дана 999 Опубліковано: 23 листопада 2012 Поділитись Опубліковано: 23 листопада 2012 На мой взгляд странная конструкция. Если хотели кирпичем просто облицевать то почему не вплотную к гб? А если оставили зазор то почему не поклеили пенопласт или вату? Конструкция правильная. Между газобетоном и облицовочным кирпичем следует оставлять вентзазор, чтобы из-за разности теплопроводности материалов пары не скапливались в газобетоне. По поводу утеплителя внутри тоже как бы газобетон толщиной 36 см не требует утепления (в теории). Я думаю, что главной ошибкой предыдущего хозяина было использование цементного раствора вместо специального клея. Хотя по идее стена защищена кирпичем. Значит есть мосты холода в фундаменте и в кирпичной кладке((( Ну да это все решаемо, просто хотела сказать, что не так все просто с газобетоном. Теоретические рекомендации это одно, а жизнь показывает другое. Хотя все зависит еще и от личных требований к дому, если теплые носки и свитер с ноября по апрель не смущают, то можно и не утепляться:roll: 1 Посилання на коментар Поділитися на інших сайтах More sharing options...
dimoff Опубліковано: 23 листопада 2012 Автор Поділитись Опубліковано: 23 листопада 2012 Рад что не взяли Браас - как по моему мнению невероятно завышенная цена. Если не секрет - можете выслать (можно в личку) смету на кровлю - просто у меня кровля и чердачное перекрытие оказались наиболее капиталоемкой частью стройки ... Интересно сравнить ... Очень советую сразу продумать люк на крышу - он стоит сравнительно небольших денег (порядка 1 тысячи грн) - а и для ремонта (если вдруг понадобится), и для чистки дымохода (если придется), и для установки спутниковой антены\соллара или что там еще может понадобится - очень даже пригодится ))))) Рядовая черепица Тондах по акционной цене где-то 9,5 евро за метр. С учетом фурнитуры вышло порядка 20-22 евро за метр. Люк на крышу взял. Точнее не люк а окно-лаз Fakro 780X1180 (я крупный мальчик)) Но стоит он конечно не 1000 грн. а 400 евро с учетом оклада. Ото такое Добавлено через 6 минут Конструкция как раз правильная, не понятно почему холодно. Возможно гте-то нарушена технология. Спорить не буду. Стройке 2 месяца. Моим знаниям столько же Посилання на коментар Поділитися на інших сайтах More sharing options...
dimoff Опубліковано: 24 листопада 2012 Автор Поділитись Опубліковано: 24 листопада 2012 Перекрываем 2-й этаж. Посилання на коментар Поділитися на інших сайтах More sharing options...
dimoff Опубліковано: 1 грудня 2012 Автор Поділитись Опубліковано: 1 грудня 2012 Первый день зимы был отмечен окончанием стропильной части крыши и переходом к гидроизоляции и обрешетке. В поисках истины нужны-или-не нужны дорогие гидроизоляционные метериалы, навязчиво предлагаемые поставщиками черепицы, мною в соседней ветке была создана отдельная тема с целью сбора более-менее объективной информации по этому вопросу, которая неожиданно оказалась достаточно оживленной. Подробности тут: www.stroimdom.com.ua/forum/showthread.php?t=114959 После изучения довольно противоречивых мнений и доводов кровельщиков было решено не заморачиваться и остановится на самой бюджетной желтой пленке HR-1. Думаю со своей задачей она вполне справится а остальное - от лукавого. На сегодняшний день завезена вся крышная фурнитура и мансардное окно-вылаз FAKRO (выбор невелик) 78Х118. Если погода будет такой же как и на этой неделе, и черепичка приедет вовремя, думаю за неделю перекроемся. 2 Посилання на коментар Поділитися на інших сайтах More sharing options...
dimoff Опубліковано: 8 грудня 2012 Автор Поділитись Опубліковано: 8 грудня 2012 Думаю, что это будет последний пост в этом году (по крайней мере перед КОНЦОМ СВЕТА ). Крыша перекрыта. Итог - от фундамента до крыши ребята справились меньше чем за 3 месяца. (Начали в середине сентября) за что им большой респект. Надеюсь первое сообщение в моей теме в следующем году будет начинаться словами "Конец света успешно пережили. За зиму вставили окна, сделали разводку отопления и электрику"). Но, как говорится, человек предполагает, а Богу виднее. Крайний фотоотчетик. В ЭТОМ ГОДУ 3 Посилання на коментар Поділитися на інших сайтах More sharing options...
raul777 Опубліковано: 30 грудня 2012 Поділитись Опубліковано: 30 грудня 2012 Добрый день понравилась Ваша ветка и домик. Какова площадь дома общая и жилая ? сколько обошелся проектная документация ? и тел.для связи с архитектором ....Заранее спасибо с наступающим НГ ... Посилання на коментар Поділитися на інших сайтах More sharing options...
dimoff Опубліковано: 3 січня 2013 Автор Поділитись Опубліковано: 3 січня 2013 Спасибо что проявили интерес к моей стройке и теме в целом. В посте #3 на первой странице форума есть вложенные файлы pdf. Там указана общая площадь поэтажно. Стоимость проекта лучше уточнить у проектантов т.к. она индивидуальна и зависит от площади дома и конструктивных особенностей. Они есть на форуме под ником VadLen_Projekt. Оставляли много камментов в моей теме. Телефон могу скинуть в личику. Есть также бригада с прорабом чьей работой я остался вполне доволен. 2 Посилання на коментар Поділитися на інших сайтах More sharing options...
sky* Опубліковано: 4 березня 2013 Поділитись Опубліковано: 4 березня 2013 а могли бы ещё по затратам пройтись? сколько обошелся участок? коммуникации, геодезия, документы) (ищим участок в этом же районе, буду ооочень благодарна за подсказки) + фундамент стены плиты кровля отделка внешняя и др. (работа, материалы) заранее спасибо Посилання на коментар Поділитися на інших сайтах More sharing options...
aleksandr_odessa Опубліковано: 5 березня 2013 Поділитись Опубліковано: 5 березня 2013 Живу В ЦС2, угол Григорьева и Хуторской. Никак не могу понять по фото, где вы строитесь? Посилання на коментар Поділитися на інших сайтах More sharing options...
sky* Опубліковано: 5 березня 2013 Поділитись Опубліковано: 5 березня 2013 кто знает эту местность, подскажите как определить границы 11массива? ... Есть также бригада с прорабом чьей работой я остался вполне доволен. поделитесь, пожалуйста их координатами и во сколько вам обошлась их работа в итоге за все? не секретничайте Посилання на коментар Поділитися на інших сайтах More sharing options...
dimoff Опубліковано: 6 березня 2013 Автор Поділитись Опубліковано: 6 березня 2013 Живу В ЦС2, угол Григорьева и Хуторской. Никак не могу понять по фото, где вы строитесь? Между парниковой и николаевской Добавлено через 4 минуты кто знает эту местность, подскажите как определить границы 11массива? Зайдите на сайт wikimapia.org там найдете поделитесь, пожалуйста их координатами и во сколько вам обошлась их работа в итоге за все? не секретничайте Отвечу в личку Посилання на коментар Поділитися на інших сайтах More sharing options...
Гість dino.odessa Опубліковано: 3 травня 2013 Поділитись Опубліковано: 3 травня 2013 Добрый день. Не подскажите под какое целевое назначение участки у вас в массиве ? "Под строительство" или "садоводство". Крайне смущают предложенные участки в тех районах под садоводство Посилання на коментар Поділитися на інших сайтах More sharing options...
dimoff Опубліковано: 3 травня 2013 Автор Поділитись Опубліковано: 3 травня 2013 Начало нового строительного сезона затянулось. Надеюсь после всех майских - стартанем! Пока суть да дело в предверии майских решили сложить барбекю на терасса под отделку, чтоб потом крышу навеса не разбирать когда трубу выводить будем. Вот что получилось. Специалистов в этом деле пошу покритиковать-похвалить все ли сделали правильно? Посилання на коментар Поділитися на інших сайтах More sharing options...
Рекомендовані повідомлення
Створіть акаунт або увійдіть у нього для коментування
Ви маєте бути користувачем, щоб залишити коментар
Створити акаунт
Зареєструйтеся для отримання акаунта. Це просто!
Зареєструвати акаунтУвійти
Вже зареєстровані? Увійдіть тут.
Увійти зараз