InSAn Опубліковано: 31 січня 2014 Автор Поділитись Опубліковано: 31 січня 2014 Обычная замена 24В-ой релюшки на 12-ти вольтовую не поможет - у 12В сопротивление катушки выше - и тока, выходящего с ОУ не всегда хватает для срабатывания. Нужно искать низкоомную релюшку. Посилання на коментар Поділитися на інших сайтах More sharing options...
Diver Опубліковано: 31 січня 2014 Поділитись Опубліковано: 31 січня 2014 Обычная замена 24В-ой релюшки на 12-ти вольтовую не поможет - у 12В сопротивление катушки выше - и тока, у 12В катушки сопротивление ниже(примерно 400-600 Ом делают) чем у 24В. но суть не в этом, там управляет транзистор с открытым коллектором и без проблем будет работать и с 12В реле, пробуйте. Посилання на коментар Поділитися на інших сайтах More sharing options...
InSAn Опубліковано: 31 січня 2014 Автор Поділитись Опубліковано: 31 січня 2014 у 12В катушки сопротивление ниже(примерно 400-600 Ом делают) чем у 24В.Сори, оговорился - нужно искать релюшку с более низким током срабатывания (с более высоким сопротивлением). Например, из этих - серия L (Hight Sensitivity). но суть не в этом, там управляет транзистор с открытым коллектором и без проблем будет работать и с 12В реле, пробуйте. Без проблем - не будет. Проверено. Там ток 15-20мА. А обычная 12В-ая релюшка срабатывает на 35-40мА. Добавлено через 2 минуты у 12В катушки сопротивление ниже(примерно 400-600 Ом делают) чем у 24В У обычной 24В - 1-1,3кОм. У обычной 12В - 0,3-0,5кОм. У "Hight Sensitivity" - 0,7-0,8кОм. Посилання на коментар Поділитися на інших сайтах More sharing options...
Diver Опубліковано: 31 січня 2014 Поділитись Опубліковано: 31 січня 2014 (змінено) Без проблем - не будет. Проверено. Там ток 15-20мА. А обычная 12В-ая релюшка срабатывает на 35-40мА не может такого быть, все схемы что мне попадались - стоит транзистор по схеме "открытый коллектор", ему все равно что коммутировать, хоть 100мА если не будет сам сильно греться.. 40мА это реле автомобильное с упругой пружиной внутри, обычно реле на 12В потребляет около всего 20-30мА. схему вкл можно легко проследить по монтажу платы. вот обычная схема, там тоже транзистор, он везде стоит, датчиков с реле и без транзистора мне не попадалось ни разу. (%D1%81%D1%81%D1%8B%D0%BB%D0%BA%D0%B0%20%D0%BD%D0%B0%20%D0%B8%D0%B7%D0%BE%D0%B1%D1%80%D0%B0%D0%B6%D0%B5%D0%BD%D0%B8%D0%B5%20%D1%83%D1%81%D1%82%D0%B0%D1%80%D0%B5%D0%BB%D0%B0) в доказательство это фото что приведено выше, здесь же видно что стоит транзистор. Змінено 31 січня 2014 користувачем Diver 1 Посилання на коментар Поділитися на інших сайтах More sharing options...
InSAn Опубліковано: 1 лютого 2014 Автор Поділитись Опубліковано: 1 лютого 2014 не может такого быть Может, перед тем, как говорить "не может такого быть" - стоит даташит глянуть (привел в предыдущем сообщении)? Посилання на коментар Поділитися на інших сайтах More sharing options...
Diver Опубліковано: 1 лютого 2014 Поділитись Опубліковано: 1 лютого 2014 перед тем, как говорить я о схемном решении, не о сопротивлении реле которое при этом никакой роли не играет. Посилання на коментар Поділитися на інших сайтах More sharing options...
InSAn Опубліковано: 1 лютого 2014 Автор Поділитись Опубліковано: 1 лютого 2014 сопротивлении реле которое при этом никакой роли не играет. Садитесь, два! Посилання на коментар Поділитися на інших сайтах More sharing options...
Diver Опубліковано: 1 лютого 2014 Поділитись Опубліковано: 1 лютого 2014 (змінено) Садитесь, два! внимательно читайте, это вам оценка. агументируйте, я только что проверил с таким датчиком ка как на фото - реле на 12В срабатывает. тогда какие у кого проблемы? если вы "чтото куда то не туда " включали, то смотрите внимательнее, не стоит делать поспешных выводов. Змінено 1 лютого 2014 користувачем Diver Посилання на коментар Поділитися на інших сайтах More sharing options...
InSAn Опубліковано: 1 лютого 2014 Автор Поділитись Опубліковано: 1 лютого 2014 Повторюсь: перед тем, как говорить чепуху:Без проблем - не будет. Проверено. Там ток 15-20мА. А обычная 12В-ая релюшка срабатывает на 35-40мА. не может такого быть ... 40мА это реле автомобильное с упругой пружиной внутри, обычно реле на 12В потребляет около всего 20-30мА.посмотрите для начала любой даташит на 12В релюшки, используемые в таких датчиках. Если не знаете названий - могу дать (у меня разных видов уже около десятка из различных датчиков). Если и этого мало - подымайте любой даташит www.rcscomponents.kiev.ua/modules.php?name=Asers_Shop&s_op=viewproduct&cid=481 Добавлено через 3 минуты я только что проверил с таким датчиком ка как на фото И я проверил - напрямую 12В - да, срабатывает. В схеме - нет (ОУ не дает необходимого тока). Мало того, при подаче от ИБП 11,3В (работа только от батарей) - уже не срабатывает. Посилання на коментар Поділитися на інших сайтах More sharing options...
Diver Опубліковано: 1 лютого 2014 Поділитись Опубліковано: 1 лютого 2014 Если не знаете названий - могу дать не стоит, возле меня несколько сотен разных лежит, ими комплектуются различные устройства в том числе GSM системы. еще раз - читайте внимательно ответ, там ответ на ваше "Без проблем - не будет.".. все работает. Добавлено через 1 минуту В схеме - нет (ОУ не дает необходимого тока). срисуйте схему, или китай совсем уже экономит, или вы не туда включили. везде ставят или тиристор или реле с ключем-транзистором, больше вариантов не видел. на даже если ключа там нет, то транзистор можно поставить, в базу транзистора 2-3кОм включить. Посилання на коментар Поділитися на інших сайтах More sharing options...
InSAn Опубліковано: 1 лютого 2014 Автор Поділитись Опубліковано: 1 лютого 2014 PS: Вы уж определитесь - оставить 24В (которая по Вашим словам работает в данной схеме) или: реле меняйте на 12в реле. Посилання на коментар Поділитися на інших сайтах More sharing options...
Diver Опубліковано: 1 лютого 2014 Поділитись Опубліковано: 1 лютого 2014 вам же нужно а не мне на 12В перевести, проблем там не должно быть, я выше написал, что при необходимости можно и транзистр добавить если его там и правда нету. чтоб не писать попусту - нарисуйте реальную схему выхода и я вам дорисую как подключить 12В реле без вопросов. Посилання на коментар Поділитися на інших сайтах More sharing options...
InSAn Опубліковано: 1 лютого 2014 Автор Поділитись Опубліковано: 1 лютого 2014 вам же нужно а не мне на 12В перевести Мне не нужно. Я уже давно проблему решил. Но аналогичная проблема возникла у другого человека. Приобрел датчик движения DeLux YCA1019. Хочу его переделать для работы от 12 вольт Посилання на коментар Поділитися на інших сайтах More sharing options...
Diver Опубліковано: 1 лютого 2014 Поділитись Опубліковано: 1 лютого 2014 Но аналогичная проблема возникла у другого человека. еще не возникла, у него должно и будет работать. Посилання на коментар Поділитися на інших сайтах More sharing options...
InSAn Опубліковано: 1 лютого 2014 Автор Поділитись Опубліковано: 1 лютого 2014 еще не возникла, у него должно и будет работать. Посмотрим Посилання на коментар Поділитися на інших сайтах More sharing options...
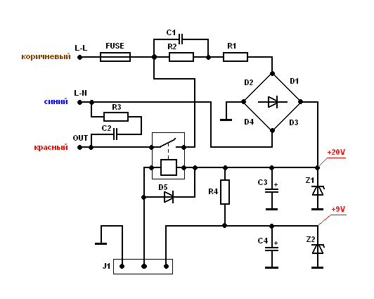
Diver Опубліковано: 1 лютого 2014 Поділитись Опубліковано: 1 лютого 2014 (змінено) Приобрел датчик движения DeLux YCA1019. Хочу его переделать для работы от 12 вольт. Как видно на фотках, собран он на двух платах. Схему одной из плат я срисовал: Интересует, для чего понадобилось ставить С1, R1, R2? Почему нельзя было обойтись одним резистором? Для чего поставили конденсатор С1? Для чего нужна цепь R3, C2? Наверно, что бы контакты реле не пригорали? нельзя, один резистор будет сильно греться, его придется большой ставить и куда то тепло девать. С1-R1(R1 ограничивает бросок тока в момент включения в 220В через схему) это гасящая цепь, на ней с 220В падает до 25-30в. R2 - разряжает С1 если вы отсоединили схему от 220В, иначе будет чувствительный удар при касании свободных клем питания. будете ставить 12В реле, для надежного срабатывания самой схемы нужно сделать следующее: 1) выпаять все диоды и питание подавать в точку +20В 2) R3 C2 тоже можно выпаять, это искрогасящая цепь на 220В. (при 220В из-за нее кстати лампы на ЛЕД или "экономки" подмигивают при выключенном реле, через цепь протекает слабый ток) 3) R4 там стоит около 2кОм, уменьшите сопротивление в 2-3 раза. Дело в том, что параметрический стабилизатор рассчитан на входное питание 24В, а оно опустится до 12В и там будет не +9В а даже +5В.. и будет прыгать при каждом включении реле, схема начнет работать нестабильно. А еще лучше туда кренку поставить на 8 или на 9В. (пример включения на схеме выше) после этого схема прекрасно работает от 10,5 до 17В. Змінено 1 лютого 2014 користувачем Diver 1 Посилання на коментар Поділитися на інших сайтах More sharing options...
Messenger Опубліковано: 1 лютого 2014 Поділитись Опубліковано: 1 лютого 2014 12В подать можно, и лм324 даже будет работать, но чувствительность и прочее изменятся, В какую сторону изменятся? Чувствительность у датчика довольно слабоватая и я бы не отказался её увеличить. Датчик реагирует только на перемещение всего тела человека, на взмахи рук не реагирует. У меня есть другой датчик на микросхеме LM8072C и он реагирует даже на незначительное движение руки. Кстати, обратил внимание, что пиросенсор чем-то вроде заляпан (на фото вроде заметно), может из-за этого чувствительность слабая? Думаю протереть его спиртом или не стоит? Добавлено через 6 минут в доказательство это фото что приведено выше, здесь же видно что стоит транзистор.Да, стоит транзистор S9013, который управляется через резистор первой ногой микросхемы. Посилання на коментар Поділитися на інших сайтах More sharing options...
Diver Опубліковано: 1 лютого 2014 Поділитись Опубліковано: 1 лютого 2014 В какую сторону изменятся? Чувствительность у датчика довольно слабоватая и я бы не отказался её увеличить там у лм324 напряжение питания гулять начинает, я об этом. Чувствительность у датчика довольно слабоватая и я бы не отказался её увеличить. чувствительность нормальная! учитывая что это простецкий датчик и как правило 120 и 180 градусов угол обзора. в продаже есть значительно более дорогие датчики - в гугле легко ищется. Датчик реагирует только на перемещение всего тела человека, на взмахи рук не реагирует. и не должен, иначе будет пол-ночи мигать на улице. а LM8072C - для комнаты верно? пиросенсор нужно аккуратно протирать, он должен быть чистым. Посилання на коментар Поділитися на інших сайтах More sharing options...
Messenger Опубліковано: 1 лютого 2014 Поділитись Опубліковано: 1 лютого 2014 Без проблем - не будет. Проверено. Там ток 15-20мА. А обычная 12В-ая релюшка срабатывает на 35-40мА. Заменой транзистора на более мощный нельзя эту проблему решить? Посилання на коментар Поділитися на інших сайтах More sharing options...
Diver Опубліковано: 1 лютого 2014 Поділитись Опубліковано: 1 лютого 2014 Заменой транзистора на более мощный нельзя эту проблему решить? там проблема не в этом, транзистор и 100мА потянет, не нужно его менять. проблема будет в пункте 3 - она решается уменьшением сопротивления и после померять тестером что питание которое уходит на микросхему(9В) не меняется если на вход всего датчика подавать 10,5 - 15В. если 9В не меняется, значит резистор подобран правильно. Посилання на коментар Поділитися на інших сайтах More sharing options...
Messenger Опубліковано: 1 лютого 2014 Поділитись Опубліковано: 1 лютого 2014 а LM8072C - для комнаты верно? В коридоре стоит. На LM324 тоже будет в другом коридоре стоять. еще не возникла, у него должно и будет работать.Как куплю реле на 12В, отпишусь. Добавлено через 4 минуты будете ставить 12В реле, для надежного срабатывания самой схемы нужно сделать следующее: 1) выпаять все диоды и питание подавать в точку +20В 2) R3 C2 тоже можно выпаять, это искрогасящая цепь на 220В. (при 220В из-за нее кстати лампы на ЛЕД или "экономки" подмигивают при выключенном реле, через цепь протекает слабый ток) 3) R4 там стоит около 2кОм, уменьшите сопротивление в 2-3 раза. Дело в том, что параметрический стабилизатор рассчитан на входное питание 24В, а оно опустится до 12В и там будет не +9В а даже +5В.. и будет прыгать при каждом включении реле, схема начнет работать нестабильно. А еще лучше туда кренку поставить на 8 или на 9В. (пример включения на схеме выше) после этого схема прекрасно работает от 10,5 до 17В. Решил вторую плату не использовать. Поставлю КРЕН на 9В. Посилання на коментар Поділитися на інших сайтах More sharing options...
orel Опубліковано: 1 лютого 2014 Поділитись Опубліковано: 1 лютого 2014 нельзя, один резистор будет сильно греться, его придется большой ставить и куда то тепло девать. С1-R1(R1 ограничивает бросок тока в момент включения в 220В через схему) это гасящая цепь, на ней с 220В падает до 25-30в. R2 - разряжает С1 если вы отсоединили схему от 220В, иначе будет чувствительный удар при касании свободных клем питания. будете ставить 12В реле, для надежного срабатывания самой схемы нужно сделать следующее: 1) выпаять все диоды и питание подавать в точку +20В 2) R3 C2 тоже можно выпаять, это искрогасящая цепь на 220В. (при 220В из-за нее кстати лампы на ЛЕД или "экономки" подмигивают при выключенном реле, через цепь протекает слабый ток) 3) R4 там стоит около 2кОм, уменьшите сопротивление в 2-3 раза. Дело в том, что параметрический стабилизатор рассчитан на входное питание 24В, а оно опустится до 12В и там будет не +9В а даже +5В.. и будет прыгать при каждом включении реле, схема начнет работать нестабильно. А еще лучше туда кренку поставить на 8 или на 9В. (пример включения на схеме выше) после этого схема прекрасно работает от 10,5 до 17В. Только диод параллельно обмотки реле не стоит выкидывать, он там нужен и очень. Мешать он не будет. А так бегло пробежавшись все верно должно работать. Посилання на коментар Поділитися на інших сайтах More sharing options...
Diver Опубліковано: 1 лютого 2014 Поділитись Опубліковано: 1 лютого 2014 Только диод параллельно обмотки реле не стоит выкидывать, за него я ничего не писал, он на месте, и на фото на месте. не должно - а работает: уже все проверено. Посилання на коментар Поділитися на інших сайтах More sharing options...
orel Опубліковано: 2 лютого 2014 Поділитись Опубліковано: 2 лютого 2014 за него я ничего не писал, он на месте, и на фото на месте. не должно - а работает: уже все проверено. Тогда все ок, смутила фраза "выпасть все диоды". Посилання на коментар Поділитися на інших сайтах More sharing options...
InSAn Опубліковано: 3 лютого 2014 Автор Поділитись Опубліковано: 3 лютого 2014 (змінено) Без проблем - не будет. Проверено. Там ток 15-20мА. А обычная 12В-ая релюшка срабатывает на 35-40мА. не может такого быть, все схемы что мне попадались - стоит транзистор по схеме "открытый коллектор", ему все равно что коммутировать, хоть 100мА если не будет сам сильно греться.. у 12В катушки сопротивление ниже(примерно 400-600 Ом делают) чем у 24В. но суть не в этом, там управляет транзистор с открытым коллектором и без проблем будет работать и с 12В реле, пробуйте. Закон Ома никто не отменял. I = U/R. "Родная" 24В релюшка имеет сопротивление 1250-1600 Ом. У учетом подачи на нее 20В (согласно схемы Messenger) - ток, который протекает через нее - 13-16 мА. обычно реле на 12В потребляет около всего 20-30мА. 20-30 мА нужных несколько больше, чем имеющиеся 13-16 мА? Не находите? Но на самом деле обычные релюшки на 12В имеют сопротивление 300-450 Ом (а не 400-600, как утверждаете Вы). Поэтому им необходим ток 26-40 мА. Выход - тип реле "High Sensitivity" (о которых я писал выше) с сопротивлением 700-800 Ом. Но их практически никто не завозит (я на радио-рынке потратил несколько дней поиска - только под заказ и от 100шт). PS: Наиболее часто используемая релюшка в таких датчиках - LS-T73 / SHD-24VDC-F-A (даже в приведенной Вами схеме указана она). По ее запросу в Гугле в первых строчках множество рассказов/советов о переделках датчиков). Ее сопротивление - 1600 Ом. Необходимый ток - 15мА. возле меня несколько сотен разных лежитМожете дать несколько названий 12В релюшек? И замерить их сопротивление? Потому как (ссылка устарела) - сопротивление 300-450 Ом (а не 400-600, как утверждаете Вы). Без проблем - не будет. Проверено. Там ток 15-20мА. А обычная 12В-ая релюшка срабатывает на 35-40мА. Заменой транзистора на более мощный нельзя эту проблему решить? Нет. См. выше - Закон Ома это не отменит. Змінено 3 лютого 2014 користувачем InSAn оЧеПятка Посилання на коментар Поділитися на інших сайтах More sharing options...
Рекомендовані повідомлення
Створіть акаунт або увійдіть у нього для коментування
Ви маєте бути користувачем, щоб залишити коментар
Створити акаунт
Зареєструйтеся для отримання акаунта. Це просто!
Зареєструвати акаунтУвійти
Вже зареєстровані? Увійдіть тут.
Увійти зараз