PA3 Опубліковано: 19 січня 2013 Поділитись Опубліковано: 19 січня 2013 п.7.1.79 в упор не видим? я просил цитату "незапамятных времен" --------------------------------------- Единственное предположение: вы настолько юны, что 1999-й год для вас - седая древность. Мальчик буквально... Аж завидую ! Посилання на коментар Поділитися на інших сайтах More sharing options...
ink_stroi Опубліковано: 19 січня 2013 Поділитись Опубліковано: 19 січня 2013 1999-й год для вас - седая древность.с 2002 года, а это уже более 10 лет. Посилання на коментар Поділитися на інших сайтах More sharing options...
PA3 Опубліковано: 20 січня 2013 Поділитись Опубліковано: 20 січня 2013 Обычная розетка под это не подходит. И уже объяснял почему.читайте ГОСТ. Внимательно читайте. Посилання на коментар Поділитися на інших сайтах More sharing options...
ink_stroi Опубліковано: 20 січня 2013 Поділитись Опубліковано: 20 січня 2013 читайте ГОСТ. Внимательно читайте. Вам уже и ПУЭ привел, если есть что сказать в свою защиту то говорите по существу вопроса. Выделенная линия еще не является достаточным условием для отказа от диф защиты. Посилання на коментар Поділитися на інших сайтах More sharing options...
PA3 Опубліковано: 20 січня 2013 Поділитись Опубліковано: 20 січня 2013 (змінено) Вам уже и ПУЭ привел повторяю ещё раз, коли вы не замечаете:Примечание 1 - Исключение может быть сделано для: - штепсельных розеток для использования под наблюдением квалифицированных или обученных лиц, например, в некоторых коммерческих или индустриальных помещениях или - специальной штепсельной розетки, предусмотренной для присоединения отдельной единицы оборудования. А ПУЭ 7.1.79 говорит о том, что УЗО следует ставить на утечку до 30 мА. Почувствуйте разницу с 7.1.82, например - где установка УЗО обязательна Змінено 20 січня 2013 користувачем PA3 Посилання на коментар Поділитися на інших сайтах More sharing options...
ink_stroi Опубліковано: 20 січня 2013 Поділитись Опубліковано: 20 січня 2013 повторяю ещё раз, коли вы не замечаете: Вам же говорят, вы нарушаете не только Гост50571.3-2009 но и ПУЭ. Посилання на коментар Поділитися на інших сайтах More sharing options...
PA3 Опубліковано: 20 січня 2013 Поділитись Опубліковано: 20 січня 2013 Вам же говорят, вы нарушаете не только Гост50571.3-2009 но и ПУЭ. приведите цитату из ПУЭ, где меня обязывают ставить УЗО - на розетку именно холодильника. Которая находится в помещении - не особо опасном, и не с повышенной опасностью. А "говорят" - в пользу бедных Посилання на коментар Поділитися на інших сайтах More sharing options...
ink_stroi Опубліковано: 20 січня 2013 Поділитись Опубліковано: 20 січня 2013 УЗО следует ставить на утечку до 30 мА. Почувствуйте разницу с 7.1.82, например - где установка УЗО обязательна Ищите разницу 1.1.17. Для обозначения обязательности выполнения требований ПУЭ применяются слова «должен», «следует», «необходимо» и производные от них. Посилання на коментар Поділитися на інших сайтах More sharing options...
PA3 Опубліковано: 20 січня 2013 Поділитись Опубліковано: 20 січня 2013 1.1.17. Для обозначения обязательности выполнения требований ПУЭ применяются слова «должен», «следует», «необходимо» и производные от них. опять "недочетал" 7.1.79 говорит о том, что ЕСЛИ(7.1.71. Для защиты групповых линий, питающих штепсельные розетки для переносных электрических приборов, рекомендуется предусматривать устройства защитного отключения (УЗО).) вы ставите УЗО на розетки, то оно должно быть на 30мА или меньше. Вы прочитайте, и - попробуйте понять смысл прочтенного. Кроме того: 7.1.81. Установка УЗО запрещается для электроприемников, отключение которых может привести к ситуациям, опасным для потребителей (отключению пожарной сигнализации и т.п.).в случае отключения холодильника потребитель рискует получить пищевое отравление - это опасно. ----------------------------- я уже писал, что некоторое время назад я перестал мерять свой опыт работы в ЭУ - месяцами :D Посилання на коментар Поділитися на інших сайтах More sharing options...
ink_stroi Опубліковано: 20 січня 2013 Поділитись Опубліковано: 20 січня 2013 7.1.79 говорит о том, что ЕСЛИхватит выдумывать, 7.1.71 говорит о линиях питающих переносное оборудование питающееся от штепсельных розеток. То же самое (рекомендация по установке УЗО) была в Гост 50571.8-94 в паре с Гост 50571.3-94, теперь же действует Гост 50571.3-2009 УЗО обязательно. Холодильник уже причислил к переносному! Добавлено через 55 секунд я уже писал, что некоторое время назад я перестал мерять свой опыт работы в ЭУ - месяцамиДесятилетие это уже срок, за который можно было изучить НТД. Добавлено через 7 минут в случае отключения холодильника потребитель рискует получить пищевое отравление - это опасно.В случае не соблюдения требований электробезопасности, человек этого уже не узнает. Посилання на коментар Поділитися на інших сайтах More sharing options...
PA3 Опубліковано: 20 січня 2013 Поділитись Опубліковано: 20 січня 2013 7.1.71 говорит о линиях питающих переносное оборудованиеправильно. Я, например, холодильник могу перенести а ТС его носить не будет. И выделил для того специальную группу. поэтому ещё раз читайте исключения - в ГОСТе, а также 7.1.68 и 7.1.82 ПУЭ. Попробуйте понять, то что прочтёте. может, перестанете тогда паниковатьВ случае не соблюдения требований электробезопасности, человек этого уже не узнает. Десятилетие это уже срок, за который можно было изучить НТД.вы изучили. Но не поняли. Бывает. Посилання на коментар Поділитися на інших сайтах More sharing options...
ink_stroi Опубліковано: 20 січня 2013 Поділитись Опубліковано: 20 січня 2013 Я, например, холодильник могу перенести а ТС его носить не будет. И выделил для того специальную группу. Холодильник это перемещаемое оборудование, а не переносное. поэтому ещё раз читайте исключения - в ГОСТе, а также 7.1.68 и 7.1.82 ПУЭ.Заново читайте для какого оборудования сделано исключение, покуда не поймете. Посилання на коментар Поділитися на інших сайтах More sharing options...
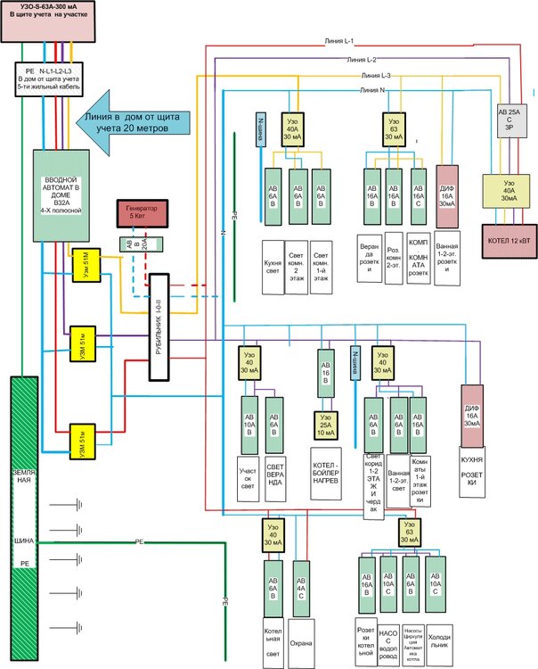
хищник Опубліковано: 20 січня 2013 Автор Поділитись Опубліковано: 20 січня 2013 Благодарю друзья за такую дискуссию:drinks: мне уж тогда подскажите Повторюсь! Имею 3-х фазный ввод в щит учета на участке в нем делю PEN на N и РЕ в ДОМ веду 5-ти жильным кабелем Вводной автомат в доме В32А 4-х полюсной-4Р (ЕГО еще не купил может 3-х полюсной-3Р-хотел уточнить какой?) Далее веду на узм-51м и после узм-ок ставлю рубильник ABB на 40 а-3-х полюсной далее собственно подключение. Вот схемка-поясните пож-ста все правильно тут подключено 1. Правильно ли автомат стоит 20А до рубильника-или его надо ставить после рубильника? 2. Читал такую фразу-что ноль сети и генератора нельзя объединять. И не уверен что генератор по нулю не даст скачок в обратку и останутся целы узм-51 может надо и ноль еще автоматом разорвать после узм, что бы в обратку от генератора не получить? 3. Какой поставить автомат на вводе в дом-в щите учета на участке вводной автомат С32А- а какой поставить в доме? схема вот- Посилання на коментар Поділитися на інших сайтах More sharing options...
PA3 Опубліковано: 20 січня 2013 Поділитись Опубліковано: 20 січня 2013 Вводной автомат в доме В32А 4-х полюсной-4Рне нужен. Ставьте вводным аппаратом реверс-рубильник, и уберите УЗМ под него. 1. Правильно ли автомат стоит 20Анормально. 2. Читал такую фразу-что ноль сети и генератора нельзя объединять.ерунда. 3. Какой поставить автомат на вводе в домсм. первый абзац поста и останутся целы узм-51они 440 вольт выдерживают Посилання на коментар Поділитися на інших сайтах More sharing options...
Energon Опубліковано: 21 січня 2013 Поділитись Опубліковано: 21 січня 2013 ерунда. опачки вредный совет))) по уму как то так - переключение на генератор должно производиться таким образом, чтобы исключить саму возможность, даже случайную, попадания тока генератора в сеть. Для этого должны переключаться все рабочие провода как сети, так и генератора. мне как то написали, если не уверен то пиши ИМХО, знаете помагает:D Посилання на коментар Поділитися на інших сайтах More sharing options...
ink_stroi Опубліковано: 21 січня 2013 Поділитись Опубліковано: 21 січня 2013 (змінено) Сообщение от хищник Посмотреть сообщение 2. Читал такую фразу-что ноль сети и генератора нельзя объединять. ерунда.(ссылка устарела) В системах TN переключение питания с одного источника на другой источник должно выполняться при помощи коммутационного устройства, переключающего одновременно линейные проводники и нейтральный проводник, если он имеется в электроустановке Добавлено через 1 час 14 минут ABB на 40 а-3-х полюснойУ вас гена однофазный, достаточно 2х полюсной. Схема при этом изменится. Потребителей резервируемой линии выделите в отдельную группу и обратите внимание на питание котла. Змінено 21 січня 2013 користувачем ink_stroi Добавлена ссылка Посилання на коментар Поділитися на інших сайтах More sharing options...
хищник Опубліковано: 21 січня 2013 Автор Поділитись Опубліковано: 21 січня 2013 (ссылка устарела) В системах TN переключение питания с одного источника на другой источник должно выполняться при помощи коммутационного устройства, переключающего одновременно линейные проводники и нейтральный проводник, если он имеется в электроустановке Добавлено через 1 час 14 минут У вас гена однофазный, достаточно 2х полюсной. Схема при этом изменится. Потребителей резервируемой линии выделите в отдельную группу. Линия потребителей генератора у меня красная--нижняя. Генератор однофазный 5-7 кВт Автомат Я имел ввиду какой на ВВОДЕ В ДОМ ПОСТАВИТЬ 3-х или 4-х полюсной? а по поводу подключения рубильника---т.е мне вместо фазного провода ( который не будет питать генератор--например линия желтая-верхняя-ее не заводить на рубильник?) Вместо желтого на рубильник ввести НОЛЬ ? Посилання на коментар Поділитися на інших сайтах More sharing options...
ink_stroi Опубліковано: 21 січня 2013 Поділитись Опубліковано: 21 січня 2013 Автомат Я имел ввиду на вводе в дом 3-х или 4-х полюсной?Для 3х фазной сети лишний раз коммутировать N нет необходимости. Но так как ваша тема гуляет по просторам тырнета, где настаивают на 4Р, не вижу смысла переубеждать. Я ставил бы 3Р, если возникнет в нем необходимость. ИМХО А чем вам УЗО S, в качестве вводного аппарата не подходит? Добавлено через 6 минут а по поводу подключения рубильника---т.е мне вместо фазного провода ( который не будет питать генератор--например линия желтая-верхняя-ее не заводить на рубильник?) Вместо желтого на рубильник ввести НОЛЬ ? С ввода делаете отвод на рубильник фаза+ноль, так же на рубильник заводите ввод с гены. Выход рубильника к вашим потребителям. Обратите внимание на питание котла. Посилання на коментар Поділитися на інших сайтах More sharing options...
PA3 Опубліковано: 21 січня 2013 Поділитись Опубліковано: 21 січня 2013 по уму как то так - переключение на генератор должно производиться таким образом, чтобы исключить саму возможность, даже случайную, попадания тока генератора в сеть. В системах TN переключение питания с одного источника на другой источник должно выполняться при помощи коммутационного устройства, переключающего одновременно линейные проводники и нейтральный проводника теперь расскажите это тем, кто рисует АВРы и ставит ЩАПы Я за то немногое время, что в ЭУ ковыряюсь, не видел ни одного 4-хполюсного АВРа во ВРУ, ни одного 4-хполюсного секционника, ни одного 4-хполюсного ЩАПа. Аналогично, расскажите это: скажем, фирме АВВ - за то, что она делает, например, OT630E03C (только не говорите, что им ТОЛЬКО две фазы и N переключают) А чем вам УЗО S, в качестве вводного аппарата не подходит?неоправданно дорого + вопрос где расщепление PEN-проводника. Достаточно простого ВН типа 04345(Legrand) Четырёхполюсник ставить - вопрос где расщепление PEN-проводника. Если у ШУ, то - нельзя. Линия потребителей генератора у меня красная--нижняя.ставь переключатель типа 04386(Legrand) в начале этой линии, и горя не знайте Посилання на коментар Поділитися на інших сайтах More sharing options...
ink_stroi Опубліковано: 21 січня 2013 Поділитись Опубліковано: 21 січня 2013 а теперь расскажите это тем, кто рисует АВРы и ставит ЩАПыТС из РФ, поэтому требования для РФ. Я за то немногое время, что в ЭУ ковыряюсь, не виделСудя по вашим постам вы много чего не знаете, а то что видели не правильно. Аналогично, расскажите это: скажем, фирме АВВОни и без меня это прекрасно знают неоправданно дорого Что дорого? Оно уже стоит. + вопрос где расщепление PEN-проводника.Вы вообще в теме? Достаточно простого ВН типа 04345(Legrand) Зачем лишний коммутационный аппарат в ГРЩ? Если у ШУ, то - нельзя.Бред. Деление PEN производится до вводного коммутационного аппарата в ЩУ. Зы. Вы так точно скоро звездой здесь станете. Посилання на коментар Поділитися на інших сайтах More sharing options...
Energon Опубліковано: 21 січня 2013 Поділитись Опубліковано: 21 січня 2013 Аналогично, расскажите это: скажем, фирме АВВ - за то, что она делает, например, OT630E03C а дополнительного контакта, мы там не видим да? так они предназначенны для переключения в сети 380 на 380. а в сети ноль то общий. а тут имеем генератор. мне кажеться неправильно соединять нуль сети и генератора (только не говорите, что им ТОЛЬКО две фазы и N переключают) вуаля, 3ф и ноль. Посилання на коментар Поділитися на інших сайтах More sharing options...
хищник Опубліковано: 21 січня 2013 Автор Поділитись Опубліковано: 21 січня 2013 РАЗ Деление PEN я уже произвел в щите учета на участке В дом веду кабелем 5-ть жил. L1-L2-L3-N-PE РЕ-завожу на шину медную внутри домового ящика Так же селективное узо уже купил-ставлю в щит учета тоже см фото ink_stroi--спасибо ! Только рубильник я уже купил 3-х полюсноABB 40A есть клемма отдельная для этого рубильника-если получится купить то доставлю ее для коммутации НУЛЯ. А по поводу вводного автомат в дом вопрос, потому что думаю сразу заводить фазы на узм, будет неправильно-надо какой-то прибор--вот и не смог определиться что, автомат 3-х-4х полюсной или какой-то доп контакт для фаз. По хорошему наверное надо автомат-дабы вырубать весь дом в случае необходимости. Если доп.модуль к рубильнику найду поставлю его--в инете вроде как 350 руб. Посилання на коментар Поділитися на інших сайтах More sharing options...
ink_stroi Опубліковано: 21 січня 2013 Поділитись Опубліковано: 21 січня 2013 Только рубильник я уже купил 3-х полюсноABB 40AИспользуйте 2 полюса. есть клемма отдельная для этого рубильника-если получится купить то доставлю ее для коммутации НУЛЯ.Дело хозяйское, но смысла в нем не вижу. А по поводу вводного автомат в дом вопрос, потому что думаю сразу заводить фазы на узмВ щите должен стоять коммутационный аппарат на вводе. Если это будет реверс-рубильник (3Р+N), то при питании от гены отслеживать восстановление питания сети станет проблематичнее. Я бы ставил АВ или ВН. 1 Посилання на коментар Поділитися на інших сайтах More sharing options...
Max77 Опубліковано: 21 січня 2013 Поділитись Опубліковано: 21 січня 2013 Так же селективное узо уже купил-ставлю в щит учета тоже Как это УЗО будет работать при минусовой температуре? Тоже хотел поставить на вводном щите общее УЗО, но меня отговорили в связи с тем, что оно не предназначено для работы на морозах. Посилання на коментар Поділитися на інших сайтах More sharing options...
хищник Опубліковано: 21 січня 2013 Автор Поділитись Опубліковано: 21 січня 2013 Используйте 2 полюса. Дело хозяйское, но смысла в нем не вижу. В щите должен стоять коммутационный аппарат на вводе. Если это будет реверс-рубильник (3Р+N), то при питании от гены отслеживать восстановление питания сети станет проблематичнее. Я бы ставил АВ или ВН. Спасибо! А я в инете посмотрел реверс рубильник выходит этот же рубильник АВВ для генератора. Он какой-то другой реверс-рубильник? Ав-это автомат А ВН--? Посилання на коментар Поділитися на інших сайтах More sharing options...
Рекомендовані повідомлення
Створіть акаунт або увійдіть у нього для коментування
Ви маєте бути користувачем, щоб залишити коментар
Створити акаунт
Зареєструйтеся для отримання акаунта. Це просто!
Зареєструвати акаунтУвійти
Вже зареєстровані? Увійдіть тут.
Увійти зараз