ink_stroi Опубліковано: 21 січня 2013 Поділитись Опубліковано: 21 січня 2013 Он какой-то другой реверс-рубильник?"Речь о вашем рубильнике 3Р. Он работает в режиме переключателя. I питание со входа 1. 0 питание отключено. II питание со входа 2. Кто то предлагает его первым в щите поставить. А ВН--?Выключатель нагрузки, тот же АВ (без функций защит - автоматического отключения) коммутация только в ручном режиме. Посилання на коментар Поділитися на інших сайтах More sharing options...
PA3 Опубліковано: 21 січня 2013 Поділитись Опубліковано: 21 січня 2013 (змінено) а дополнительного контакта, мы там не видим да?смотрим на картинку, ищем допконтакт(хотя надо - переключающую группу): (ссылка на изображение устарела) так они предназначенны для переключения в сети 380 на 380. а в сети ноль то общий.как думаете, дизель-генератор "на 380", это большая редкость ? И почему это "380 на 380" не должно соответствовать ГОСТу ? ink_stroi цитату же дал... Видите как оборачивается ? "Не держись Уставу яко слепой стены" Потому как забыли одну фразу из этого же ГОСТа: Настоящий стандарт не распространяется на системы распределения электроэнергии потребителям и на системы для производства и передачи электроэнергии для таких систем. Кстати, нарисуйте мне, КАК случайно ток генератора попадет в сеть - через нейтраль, при отключенном фазном проводе ? ============== ТС из РФ, поэтому требования для РФ.вот вам РФ: (ссылка на изображение устарела) И что ? Опять "недочетал" ============== про вводной автомат на 4Р Если у ШУ, то - нельзяздесь неправ, зарапортовался. (знак при переносе не сменил )Скажем, "не обязательно". Как это УЗО будет работать при минусовой температуре?изготовитель от -25 до +50С даёт рабочий диапазон температур. Но лучше - под крышу. ================= ink_stroi, вы же грамотный человек - нарисуйте ТС-у ваш вариант вводного узла ШР Змінено 21 січня 2013 користувачем PA3 Посилання на коментар Поділитися на інших сайтах More sharing options...
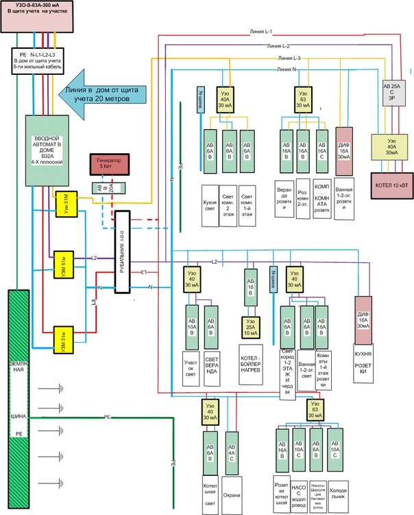
хищник Опубліковано: 21 січня 2013 Автор Поділитись Опубліковано: 21 січня 2013 Это не так будет --если перерисовать? У меня кстати и генератора пока нет--может брать 3-х фазный когда придет момент? Ценник то же и весь дом будет работать а не только одна фаза нижняя красная Посилання на коментар Поділитися на інших сайтах More sharing options...
PA3 Опубліковано: 21 січня 2013 Поділитись Опубліковано: 21 січня 2013 и весь дом будет работать придется или реле приоритета нагрузок ставить или генератор - киловатт на 10-20 Посилання на коментар Поділитися на інших сайтах More sharing options...
хищник Опубліковано: 21 січня 2013 Автор Поділитись Опубліковано: 21 січня 2013 придется или реле приоритета нагрузок ставить или генератор - киловатт на 10-20 Ну я котел наверное поставлю на 9 кВт а генератор 5-7 кВт и уж на генераторе если вдруг будет надобность работать, то конечно котел на всю мощность врубать не буду. 1-2 тена--это 6 кВт. А какое мне подойдет реле приоритета--если мне такое действительно нужно? а ТО в инете их куча, а для моего варианта подскажите? Посилання на коментар Поділитися на інших сайтах More sharing options...
ink_stroi Опубліковано: 21 січня 2013 Поділитись Опубліковано: 21 січня 2013 Настоящий стандарт не распространяется на системы распределения электроэнергии потребителям и на системы для производства и передачи электроэнергии для таких систем.Идите и ищите что это значит по МЭК, а не флудите тут понапрасну. вот вам РФ:Не соответствующий действующим НТД. Посилання на коментар Поділитися на інших сайтах More sharing options...
хищник Опубліковано: 21 січня 2013 Автор Поділитись Опубліковано: 21 січня 2013 Друзья по котлу мне прояснили немного. Мне нужен 3-х фазный 9-12 кВт с возможностью работы от одной фазы-типа Галан котлы. + К НЕМУ циркуляционный насосик однофазный и генератор однофазный (как я думаю например Хитачи 57 ИЛИ помощнее) а к рубильнику ABB добавить модуль для коммутации N. Посилання на коментар Поділитися на інших сайтах More sharing options...
Energon Опубліковано: 21 січня 2013 Поділитись Опубліковано: 21 січня 2013 А какое мне подойдет реле приоритета--если мне такое действительно нужно? зачем вам приоритет? куда это вас понесло. генератор же у вас питает самые главные линии в доме, холодильник, котел газовый и насос. Посилання на коментар Поділитися на інших сайтах More sharing options...
PA3 Опубліковано: 21 січня 2013 Поділитись Опубліковано: 21 січня 2013 Energon, смотри пост нумер 128 Посилання на коментар Поділитися на інших сайтах More sharing options...
Energon Опубліковано: 21 січня 2013 Поділитись Опубліковано: 21 січня 2013 придется или реле приоритета нагрузок ставить вы что ходите генератор к приоритету подключить? смысл? Добавлено через 44 секунды смотри а можно на Вы, у нас ж тут все вежливо да и я с вами не знакомился. Добавлено через 1 минуту Energon, смотри пост нумер 128 зачем потребителя посылать заведома неправельному решению, или у вас так проектировщиков принято? Посилання на коментар Поділитися на інших сайтах More sharing options...
хищник Опубліковано: 21 січня 2013 Автор Поділитись Опубліковано: 21 січня 2013 зачем вам приоритет? куда это вас понесло. генератор же у вас питает самые главные линии в доме, холодильник, котел газовый и насос. Котел у меня не газовый, а электрический отопительный будет 9-12 кВт Посилання на коментар Поділитися на інших сайтах More sharing options...
PA3 Опубліковано: 21 січня 2013 Поділитись Опубліковано: 21 січня 2013 зачем потребителя посылать заведома неправельному решению, или у вас так проектировщиков принято?не понял. Попробуйте сформулировать вопрос ещё раз, и по возможности, на одном из двух общепринятых здесь языков Посилання на коментар Поділитися на інших сайтах More sharing options...
ink_stroi Опубліковано: 21 січня 2013 Поділитись Опубліковано: 21 січня 2013 смешались в кучу ГОСТы, МЭКи. Юноша, прочитайте две цитаты, и постарайтесь их понять Читай Гост 50571.1-2009 п.11.4 весь. Посилання на коментар Поділитися на інших сайтах More sharing options...
Energon Опубліковано: 21 січня 2013 Поділитись Опубліковано: 21 січня 2013 пришел к мнению что щита собирать на форуме гиблое дело:D 1 Посилання на коментар Поділитися на інших сайтах More sharing options...
PA3 Опубліковано: 21 січня 2013 Поділитись Опубліковано: 21 січня 2013 пришел к мнению что щита собирать на форуме гиблое дело тоже мне бином Ньютона. Знаешь, почему на Красной площади ещё никого не изнасиловали ? Другое дело, что "недочетал" по миру бродит -------------------------------------- На самом деле-то сборка щита дело простое: 1. У тебя есть разрешенная мощность --> номинал вводного аппарата 2. Хороший тон - селективное УЗО на вводе. При питании от ВЛ - обязаловка 3. Разбиваем нагрузки на функциональные группы и подвешиваем под дифзащиту по потребности 4. По величине нагрузок выбираем номиналы срабатывания АЗ 5. По АЗ выбираем проводники 6. Рюшечки 7. Определяем производителя начинки и технологию сборки Посилання на коментар Поділитися на інших сайтах More sharing options...
Energon Опубліковано: 21 січня 2013 Поділитись Опубліковано: 21 січня 2013 вы точно схемы рисуете? какой то у вас неправельный подход(( Посилання на коментар Поділитися на інших сайтах More sharing options...
PA3 Опубліковано: 21 січня 2013 Поділитись Опубліковано: 21 січня 2013 Energon, давай альтернативу. Посилання на коментар Поділитися на інших сайтах More sharing options...
ink_stroi Опубліковано: 22 січня 2013 Поділитись Опубліковано: 22 січня 2013 4. По величине нагрузок выбираем номиналы срабатывания АЗ 5. По АЗ выбираем проводники Что же вы, батенька, все с ног на голову переворачиваете? Посилання на коментар Поділитися на інших сайтах More sharing options...
PA3 Опубліковано: 22 січня 2013 Поділитись Опубліковано: 22 січня 2013 Что же вы, батенька, все с ног на голову переворачиваете? Критикуешь ? - Предлагай. Неужто мне предлагают подгонять нагрузку под сечение проводника ? Посилання на коментар Поділитися на інших сайтах More sharing options...
ink_stroi Опубліковано: 22 січня 2013 Поділитись Опубліковано: 22 січня 2013 Неужто мне предлагают подгонять нагрузку под сечение проводника ?АЗ под кабель, а не наоборот. Посилання на коментар Поділитися на інших сайтах More sharing options...
PA3 Опубліковано: 22 січня 2013 Поділитись Опубліковано: 22 січня 2013 И какого же сечения будет короткий трёхжильный ВВГ при нагрузке 4,5 кВт ? Из каких соображений? Посилання на коментар Поділитися на інших сайтах More sharing options...
ink_stroi Опубліковано: 22 січня 2013 Поділитись Опубліковано: 22 січня 2013 Из каких соображений?Из соображений макс. допустимого длительного тока с учетом способа прокладки и падения напряжения на ем - вне зависимости от короткости кабеля. 1 Посилання на коментар Поділитися на інших сайтах More sharing options...
Energon Опубліковано: 22 січня 2013 Поділитись Опубліковано: 22 січня 2013 на хороший ВВГ 3*2.5 если поставить АВ20А то нагрузка где то 4.4кВт, маловато. значит берем 3*4 и ставим АВ25. Нагрузка получиться где то 5.5кВт. Посилання на коментар Поділитися на інших сайтах More sharing options...
PA3 Опубліковано: 22 січня 2013 Поділитись Опубліковано: 22 січня 2013 ink_stroi, пустой флейм в ответ на конкретный вопрос Добавлено через 4 минуты и ставим АВ25. Нагрузка получиться где то 5.5кВт. нагрузка - не "получиться". Нагрузка уже определена Обрати внимание: ты начал - с автомата 1. Нагрузка 20А, 2. по п.3.1.4 ПУЭ --> ВА = 25А, 3. по таб.1.3.6 макс.ток >25А*1,13 --> 3х4 (если потери не превышают допустимых) Посилання на коментар Поділитися на інших сайтах More sharing options...
Energon Опубліковано: 22 січня 2013 Поділитись Опубліковано: 22 січня 2013 вы сударь, тролите изволите? Добавлено через 1 минуту Нагрузка уже определена а что нагрузка 4.5кВт не вписуеться уже в 5.5? Посилання на коментар Поділитися на інших сайтах More sharing options...
Рекомендовані повідомлення
Створіть акаунт або увійдіть у нього для коментування
Ви маєте бути користувачем, щоб залишити коментар
Створити акаунт
Зареєструйтеся для отримання акаунта. Це просто!
Зареєструвати акаунтУвійти
Вже зареєстровані? Увійдіть тут.
Увійти зараз