AndrejKiev Опубліковано: 2 грудня 2009 Поділитись Опубліковано: 2 грудня 2009 www.stroimdom.com.ua/forum/showthread.php?t=166&page=14 Посилання на коментар Поділитися на інших сайтах More sharing options...
stas71 Опубліковано: 2 грудня 2009 Поділитись Опубліковано: 2 грудня 2009 андрей , я ваши фотки вашего ТА уже распечатал , теперь таскаю в качестве учебного пособия , спасибо огромное . Ну не умею я теплопотери дома рассчитать , не умею . Поэтому и спрашиваю сколько мне трубы надо . И еще нигде не нашел можно ли бак из алюминия делать и как баки между собой соединить . По поводу тенов еще вопрос , ТА с тэном , этож как чайник , то есть открытый тэн ставить нельзя , получается только сухой , а сколько он стоит не знаю. Людиииии, ну помогите бывшему депутату госдумы!!!!!!!!!!!! Посилання на коментар Поділитися на інших сайтах More sharing options...
vovova Опубліковано: 2 грудня 2009 Поділитись Опубліковано: 2 грудня 2009 Точный расчет теплопотерь вам немного скажет. Можете на это сильно не рассчитывать. Это показатель теплопотерь в самую холодную пятидневку, обозначенную в данной местности. Он необходим, для выбора котла, что бы котел не выбрать меньше положенного. ТА подбирается по мощности котла, времени горения, и приблизительным теплопотерям дома. Некоторые люди подбирают ТА по возможности, а потом подгоняют режим отопления под комфортные параметры. Некоторые по средней зимней температуре, а при похолодании или увеличивают кол-во топок, или догоняются электричеством. Некоторые ТЭН врезают не в ТА, а в систему. Бак из алюминия можно, но реакция с медью если и будет, то грозит только алюминию. ТЭН можно поставить такой, как в накопительном нагревателе, его можно купить вместе с термореле для контроля. Стоимость чуть больше 100грн. Соединить два ТА можно толстой трубой вверху и внизу, что бы ЕЦ работала между ними. Вам необходимо определиться, сколько вы раз топите котел, сколько дров сжигаете за сутки, будет ли система работать напрямую от котла или только от ТА? Как будет нагреваться ТА (через теплообменник или напрямую)? Определились ли вы с объемами ТА? Будете ли делать узел подмеса для котла? Посилання на коментар Поділитися на інших сайтах More sharing options...
stas71 Опубліковано: 2 грудня 2009 Поділитись Опубліковано: 2 грудня 2009 спасибо огромное за очень-очень обстоятельный ответ . Постепенно понимаю , что чем больше получаю ответов , тем больше возникает вопросов . Если еще не сильно надоел , то позвольте очередную порцию вопросиков , уверен ответы на них помогут многим-многим активным бестолковкам типа меня : 1. Если я правильно понял , то есть такая схема , что бы в случае аварии ТА ( лопнул или еще чего ) , можно переключиться на обыкновенную схему отопления . Для меня это был бы самый изумительный вариант , так как у меня ТТ котел основной и он же единственный . Если можно , схему в студию , плиз. 2.Как будет нагреваться ТА (через теплообменник или напрямую) - если можно , поподробнее расшифруйте . Я так понимаю ,напрямую это подача и обратка напрямую из котла в бак , а вот что такое через теплообменник пока понимаю туманно ( по моей дремучести это как в бойлер косвенного нагрева , то есть подача и обратка котла подсоединена к медной бухте в средине котла и бухта греет воду в ТА , а сама вода из бака к радиаторам ). В чем разница по нагреву и что предпочтительнее . 3. Узел подмеса это наверно термоклапан , что бы не было большой разницы между подачей и обраткой , если енто оно , то буду делать ( как только финансы позволят , внутряха задолбала ) Бак ТА планирую на 2 куба , котел виадрус 46 квт ,дом хорошо утеплен . В доме пока еще не живу , поэтому ни количество протопок , ни расход дров в сутки для комфортного проживания пока еще не знаю . С большим нетерпением жду очередной порции инфы для тренировки разума Посилання на коментар Поділитися на інших сайтах More sharing options...
AndrejKiev Опубліковано: 2 грудня 2009 Поділитись Опубліковано: 2 грудня 2009 Ключевые моменты. Если Система с ТА закрытая, то Вам для компенсации ~ 80литров прироста объема потребуется очень дорогой расширительный бак. Систему надо строить так, чтоб дом "не догадывался", кто сейчас греет теплоноситель. Т.е. простой переход с газа на ТТ котел. Я переживал, что из-за того, что ТТ котел сначала должен нагреть 2 куба воды, чтоб эта вода стала греть в змеевике теплоноситель, будет большая задержка, но практика показала, что время выхода на рабочий режим составляет 30 минут (Горячая вода сразу стоит в верхних слоях). Да и не принципиально это вообще - сколько там потеряет кирпичный хорошо утепленный дом за пару часов, 0,2С? Вопрос безопасности. Включите котел сразу в домашнюю систему, либо закрытую систему ТТ-теплообменник с ограниченным объемом теплоносителя - трижды перепроверьтесь на предмет закипания теплоносителя. Объем 2 куба, как по мне оптимален для Вашего котла. У меня 42 Квт и я бы не хотел большего объема, даже задаром. Как раз один подход с двумя подбросками ~ 4 часа горения и до следующего дня свободен. Узел подмеса горячей воды в обратку, при регулярной работе ТА, не нужен. Обратка из дома в ТА может приходить хоть ледяная, но температура ТА, а соответственно и обратка в ТТ кртел не будет опускаться ниже 50 градусов. Посилання на коментар Поділитися на інших сайтах More sharing options...
stas71 Опубліковано: 2 грудня 2009 Поділитись Опубліковано: 2 грудня 2009 спасибо , почти все понял , есть только пара вопросов: Включите котел сразу в домашнюю систему, либо закрытую систему "ТТ-теплообменник с ограниченным объемом теплоносителя - трижды перепроверьтесь на предмет закипания теплоносителя." - что такое теплообменник с ограниченным объемом теплоносителя ? И как предохраниться от закипания ( может просто терморегулятор котла на 70 гр. выставить и все ) или может закипеть , от того что котел слишком мощный ( правда я его пока при редких протопках , так и не разогнал больше 85 гр) А фразу :один подход ( это, я как понял, один розжиг ) с 2 подбросками ( это в растопленный котел , когда там уже дров мало осталось дрова сверху подбрасываются ) я правильно понял или нет Посилання на коментар Поділитися на інших сайтах More sharing options...
vovova Опубліковано: 2 грудня 2009 Поділитись Опубліковано: 2 грудня 2009 Мне кажется, что 2куба для дома 250м2 маловато. Это около 100кВт.ч на сутки. Но это чисто теоретически. Посилання на коментар Поділитися на інших сайтах More sharing options...
stas71 Опубліковано: 2 грудня 2009 Поділитись Опубліковано: 2 грудня 2009 а чем грозит ТА меньшего размера , если я правильно понимаю то дрова немного чаще кидать нужно , правильно или нет . А сам дом очень хорошо утеплен . На крайняк есть камин правильной сборки ( чугун ) на 16 квт , весь первый этаж долбит . Посилання на коментар Поділитися на інших сайтах More sharing options...
vovova Опубліковано: 2 грудня 2009 Поділитись Опубліковано: 2 грудня 2009 ТА меньшего размера грозит только, что отопление прервется на несколько часов в сутки. Давайте подсчитаем по вашей схеме: Самая экономичная и правильная работа котла - работа при номинальной мощности (46кВт). В этом режиме вы нагреете ТА за 2-3часа. А дом топить котел не сможет. Он же не сможет плодотворно работать на 10-15% от своей мощности. Это издевательство над котлом. Дальше: на ночь вы включаете тэны в ТА и они продолжают поддерживать температуру. Утром тэны выключаете и работает чисто ТА. До следующей протопки. Значит 100кВт.ч увас остается не на сутки, а на оставшееся время. 24ч минус 3часа топки и минус время ночного тарифа. 100 делим на полученную циферку, получаем мощность ТА. Посилання на коментар Поділитися на інших сайтах More sharing options...
stas71 Опубліковано: 2 грудня 2009 Поділитись Опубліковано: 2 грудня 2009 так что делать то , как связать ТА и ТТкотел , чтоб он тоже мог работать остальное время , чессно не понял , поясните будь ласка Посилання на коментар Поділитися на інших сайтах More sharing options...
vovova Опубліковано: 2 грудня 2009 Поділитись Опубліковано: 2 грудня 2009 так что делать то , как связать ТА и ТТкотел , чтоб он тоже мог работать остальное время , чессно не понял , поясните будь ласка Нам не нужно, что бы котел работал остальное время. Мы стремимся к тому, что бы котел работал как можно меньше (для удобства). Для этого нужен мощный котел (он у вас есть), что бы энергии одной топки хватило на сутки. Потом нужен большой ТА, что бы эту энергию принять и расходовать до следущей топки. А если ее не будет хватать, то будете включать тэны. У меня к вам вопрос. Если вас устраивает ночной тариф, то может вам лучше для ГВС просто купить нагреватель накопительного типа электрический литров на 200 (или сколько ваши суточные потребности?). Во-первых, не надо покупать бойлер и городить еще один теплообменник с насосом, автоматикой и т.д. Это на много проще. Вы не будете зависеть от котла, а это летом проблема. Вы будете меньше догревать ТА - это плюс к отоплению... И еще: систему ТТ-ТА если делать закрытой, то необходимо насос обеспечить бесперебойным питанием для безопасности. Если делать ТА открытый, и с ЕЦ, то пропадает необходимость ставить бесперебойник и насос. А из трех стандартных листов (1250х2500) получается квадратный ТА на два куба. И диаметр выхода котла 70мм прекрасно сочетается с ЕЦ для ТА. Вот так я планирую для себя. Для вас рекомендовал бы приподнять ТА еще выше, скажем, низ ТА равен верх котла. Посилання на коментар Поділитися на інших сайтах More sharing options...
AndrejKiev Опубліковано: 3 грудня 2009 Поділитись Опубліковано: 3 грудня 2009 Самодельные конструкции баков ТА типа параллепипедов АДНАЗНАЧНА только для открытых систем. Плохо держат давление. "Пузатит" даже от простого давления набранной воды ~ 0,1Атм. А если 2 Атм? 1 Посилання на коментар Поділитися на інших сайтах More sharing options...
vovova Опубліковано: 3 грудня 2009 Поділитись Опубліковано: 3 грудня 2009 Самодельные конструкции баков ТА типа параллепипедов АДНАЗНАЧНА только для открытых систем. Плохо держат давление. "Пузатит" даже от простого давления набранной воды ~ 0,1Атм. А если 2 Атм? +1 однозначно, если плоская поверхность, то давление "0". Посилання на коментар Поділитися на інших сайтах More sharing options...
stas71 Опубліковано: 3 грудня 2009 Поділитись Опубліковано: 3 грудня 2009 спасибо за советы , бойлер косвенного нагрева у меня уже работает ( на насос , термореле и прочие прибамбасы уже попал ) висман 300 л , комбинированный , с возможностью установки ТЕНа , был давечь у сервисантов загадали за фирмовый ТЕН 700 евриков , покрутил пальцам у виска и пошел искать польские аналоги ( кстати , может кто знает где найти , будет отдельная сердечная благодарность ) . Летом меня дрова кидать не прикалывает . Так что если найду аналог Тена , то могу запросто ГВС отдельной веткой запустить . ТА однозначно хочу открытого типа с ЕЦ , вопрос в умельцах чтоб на месте сварили ( у меня котельной два закапелка, каждый 2.8 м в длину , 1 м в ширину , 2 в высоту, так что один из них освобожу от дров и сделаю ТА с ЕЦ. Кстати думал , что уже практически "СПЕЦЮГАН " в ТА , но сегодня сосед ( тоже делает ТА ) задал один простой вопрос , а я так внятно и не ответил . Вопрос : а зачем в бак ТА вообще змеевик вставлять , нагрел воду в системе отопления вместе с ТА поставил насос и она долго бродит туды -сюды . Как правильно ответить , что б не опозориться ? Подскажите будь ласка Кстати , мучал сегодня котел с нагрузкой всего дома 250 м отапливаемой , из них 80 теплые полы + бойлер 300 л . , разогнал котел до 90 гр. , потом переб..л , прикрутил до 70 . Возникли следующие проблемы : 1. горячую воду (ГВС), по показаниям термометра бойлера выше 70 так и не удалось нагреть, может там какой ограничитель стоит , никто случаем не знает? 2. Горячая вода идет как с возухом 3. Манометр ложит стрелку вправо намертво , бегал постоянно по ведру спускал. 4.Из крана сначала минуты 3-4 идет холодная вода , потом постепенно теплеет , потом горячая , хотя термометр на бойлере( вмонтирован в него ) стабильно показывает 70 гр. 5. Как вообще узнать сколько в бойлере воды А вообще с большим удовольствием денек провел , дом подтопил ( 1 раз в сезоне ) , хотя чего то слабенькая отдача ( может из-за 300 л бойлера ) в 10 утра было 9 гр) , в 17 стало 13 гр. ( может из-за того ,что 1 раз топил .) Фух выговорился , с нетерпением жду очень пользительных советов ( нашел бы сайт раньше , скольких бы косяков избежал ) Посилання на коментар Поділитися на інших сайтах More sharing options...
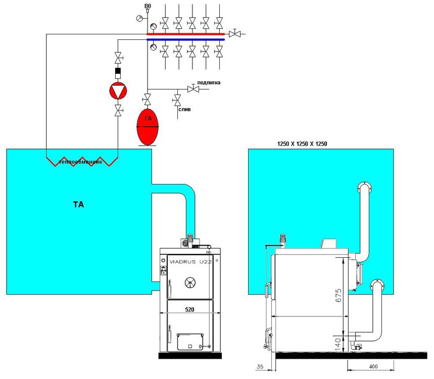
stas71 Опубліковано: 3 грудня 2009 Поділитись Опубліковано: 3 грудня 2009 уважаемый вовова , схему понял , только у меня плохо видно , подскажите что это за штучка овальная красная на обратке контура отопления , спасибо большое Посилання на коментар Поділитися на інших сайтах More sharing options...
vovova Опубліковано: 3 грудня 2009 Поділитись Опубліковано: 3 грудня 2009 Красным на рисунке нарисован гидроаккумулятор (расширительный бак мембранный). По поводу прямой воды котел – ТА – система: 1. Обычно в открытый, как у вас ТА на поверхность наливают машинное масло для предотвращения испарения. Масло легче воды и оно не нужно в системе. Оно может запачкать радиатор, когда будете воздух спускать, оно может накапливаться в радиаторе, а у него теплоемкость меньше и насосу может вредно. 2. В системе котел- ТА с ЕЦ происходит разделение температуры в ТА по высоте. При использовании этой воды для системы мы насосом перемешиваем воду в ТА. Это нам не на руку. Мы собираемся снимать тепло с ТА с верхней части сразу после растопки, а не тогда, когда вся ёмкость прогреется. 3. И самое главное. Если ТА стоит выше любой точки всей системы, то можно делать, как ваш сосед говорит. Но обычно ТА внизу, а значит, в верхней точке системы будет разряжение (это из гидравлики). А если разница высоты между зеркалом ТА и самой высокой точкой 10м, то вода в этой точке закипит уже при 0°С и сорвет столб воды. Даже если у вас нет 10м, а хоть немного разность высот, то при попытке спустить воздух, вы только запустите его. Насос может не справится с выдавливанием воздуха. Обычно насос системы отопления может создать столб воды 4-6м. В закрытой системе насос не работает на преодоление высоты подъема, а только на преодоление сопротивления магистрали с фурнитурой. А по поводу бойлера я бы смог только визуально наладить. Звыняйте. 1 Посилання на коментар Поділитися на інших сайтах More sharing options...
stas71 Опубліковано: 3 грудня 2009 Поділитись Опубліковано: 3 грудня 2009 спасибо , сосед хочет сделать закрытый ТА , касается ли его п.3 и насос в закрытом ТА без змеевика тоже будет воду перемешивать , он его собирается поставить на подачу и тянуть из верхней части , а то он уже баки заказал , хочет сделать 3 по 0.8 куба , что в подвал в котельную затащить а насос поставить на подаче в отопительную систему , то есть сверху. А какой емкости расширительный бак нужен на 2 куба не подскажете Благодарю покорно Посилання на коментар Поділитися на інших сайтах More sharing options...
vovova Опубліковано: 3 грудня 2009 Поділитись Опубліковано: 3 грудня 2009 Давление открытой системы имеет нулевую точку отчета - зеркало воды. Все что ниже имеет давление, все то выше разряжение, пропорциональное высоте. Что бы в радиаторах выпустить воздух, придется на обратке ТА перекрывать кран. Включать насос и открывать кран Маевского на радиаторе. При этом быть уверенным, что давления насоса хватит. И незабывайте вычислить температуру, при которой произойдет закипание жидкости при разряжении. Физические законы вашего соседа тоже касаются. Расширительный бак для открытого ТА можно не делать. Но при этом помнить, что уровень воды поднимется при нагреве максимум на 5%, т.е. на 100л. 1 Посилання на коментар Поділитися на інших сайтах More sharing options...
stas71 Опубліковано: 3 грудня 2009 Поділитись Опубліковано: 3 грудня 2009 Открытая система - это с запаянным баком ТА, правильно я понял или все таки нет , и будет в насос у соседа хватать всю воду или только верхнюю нагретую . В общем экономия на меди нивелируется покупкой мощного насоса , проблемами с выпуском воздуха из радиаторов. Не понял фразу про температуру закипания при разрежении , если можно поясните. Будете в Харькове, обязательно в личку маякните , с меня поляна ( серьезно ) . Спасибо Посилання на коментар Поділитися на інших сайтах More sharing options...
vovova Опубліковано: 3 грудня 2009 Поділитись Опубліковано: 3 грудня 2009 Открытая система это когда вода имеет контакт с атмосферой (не герметичная). Насос не только забирает воду из ТА, он ее еще назад выбрасывает, это создает перемешивание воды. По рисунку: если расстояние "А" равно 6м, то в радиаторе вода закипит при 75°С. 3 Посилання на коментар Поділитися на інших сайтах More sharing options...
Gitan Опубліковано: 8 грудня 2009 Автор Поділитись Опубліковано: 8 грудня 2009 а можно поподробнее о параметрах теплоаккамулятора.....из какого материала сварен?....какова мощность теплообменников(диаметр, материал, длинна, площадь итд) как планируется компенсировать увеличение обьема при нагреве? насколько лет эксплуатации расчитан? будете ли применять электрозащиту от корррозии....обо всем поподробнее...если не трудно. Забыл про эту темку. Исправляюсь. ТА сварен из листовой стали 4 мм. Покрашен грунтовкой внутри. Утеплен со всех сторон пенопласт 100мм + 50 мм базальт вата Даннова. Увеличение обьема теплоносителя компенсироваться будет уровнем жидкости в баке и сливной трубкой. Думаю добавлять в теплоноситель ингобиторы коррозии. Все расчеты есть тут - www.stroimdom.com.ua/forum/showpost.php?p=211878&postcount=1 1 Посилання на коментар Поділитися на інших сайтах More sharing options...
Homeowner Опубліковано: 28 січня 2010 Поділитись Опубліковано: 28 січня 2010 Знакомый делает различние емкости из полипропилена, в том числе и большие (расчет идет в основном на кубы). Есть мысль сделать ТА из этого материала. Температура носителя - до 80 градусов. Толщина материала при такой температуре - расчетная ( например: 300литров - 4мм, 500л - 5мм, 1000л - 6мм. Штуцера для ввода/вывода теплоносителя и змеевиков есть различных размеров и впаиваются в стенки емкости при изготовлении. В чем "прелесть" - срок службы; изготовление возможно на месте установки сего дивайса, то есть даже в закутках; небольшой вес (что критично при погрузке/выгрузке/установке) Да, дороже чем из железа, но не дороже чем из нержавейки. Теперь можно критиковать Посилання на коментар Поділитися на інших сайтах More sharing options...
AndrejKiev Опубліковано: 28 січня 2010 Поділитись Опубліковано: 28 січня 2010 Знакомый делает различние емкости из полипропилена, в том числе и большие (расчет идет в основном на кубы). Есть мысль сделать ТА из этого материала. Температура носителя - до 80 градусов. Теперь можно критиковать Из опыта. Начинаю протопку, тепла зашло на 30% (по уровню смотрю ) , а верхний слой воды уже ~ 80-85C. Значит Вам мешалку ставить надо, плюс ужимаемся в, и так узком, диапазоне рабочих температур. 1 Посилання на коментар Поділитися на інших сайтах More sharing options...
AndrejKiev Опубліковано: 28 січня 2010 Поділитись Опубліковано: 28 січня 2010 Полезное. ТТ+ТА стоят в отдельно от дома. Помещение немного утеплено, отопление не заведено. Когда не пользуешься ТТ, а лениво сидишь на газе, надо помнить, что при минус 20 на улице, можно крайне легко лишиться очень не дешевого ТТ котла - порвет секции лед. И как оказалось нет нужды кочегарить все помещение. В сильный мороз -одна протопка до 50-60 градусов в четыре дня и НИ В КОЕМ СЛУЧАЕ не перекрывать ЕЦ между ТТ и ТА. Остывшая вода в ТТ неспешно меняется более теплой из ТА. Посилання на коментар Поділитися на інших сайтах More sharing options...
Homeowner Опубліковано: 29 січня 2010 Поділитись Опубліковано: 29 січня 2010 Из опыта. Начинаю протопку, тепла зашло на 30% (по уровню смотрю ) , а верхний слой воды уже ~ 80-85C. Значит Вам мешалку ставить надо, плюс ужимаемся в, и так узком, диапазоне рабочих температур. ну очень уж хочеЦЦа "вечный" корпус... а если еще и не дорого... Посилання на коментар Поділитися на інших сайтах More sharing options...
Рекомендовані повідомлення
Створіть акаунт або увійдіть у нього для коментування
Ви маєте бути користувачем, щоб залишити коментар
Створити акаунт
Зареєструйтеся для отримання акаунта. Це просто!
Зареєструвати акаунтУвійти
Вже зареєстровані? Увійдіть тут.
Увійти зараз