Livesms Опубліковано: 14 жовтня 2015 Поділитись Опубліковано: 14 жовтня 2015 Уже в нескольких темах этого раздела обсуждали этот вопрос. В режиме "Регулювання за температурою", котел не прекращает отопление при достижении заданной температуры помещения, а просто пытается, в меру своей возможности модуляции мощности, снизить температуру подачи теплоносителя. Выключится только после достижения температуры теплоносителя согласно эквитерме. То бишь, положено по эквитерме подавать теплоноситель с температурой 50 градусов, котел при достижении 55 градусов выключится. Раньше - никак. ))) А можно попросить ссылки на обсуждение? По поводу включения / выключения / модуляции в режиме "Регулювання за температурою" мне тоже подсказали (на forumhose). Странноватый режим. Нагрел до желаемой температуры и продолжает греть. Зачем ? Режим "Термостат", со своим разбегом в 5 градусов, как по мне - полный дебилизм. Если дом теплоинерционный, массивный, то представляете, сколько времени нужно остывать помещению на 5 градусов? Это может занять несколько дней. Но если есть водяной теплый пол, то эти несколько дней он будет "не совсем теплый", а точнее сказать, холодный.))) Предложенный Вами вариант + - 1 градус, производителем не предусмотрен. Хотя, как по мне, то я бы заложил разбег в пол-градуса. Именно так у меня и получается. имеется конфигурация - 96 кв.м. квартира, 1 этаж, внизу неотапливаемое помещение, фасады утеплены - один контур отопления - 6 радиаторов (Kermi FTV - 11 100*60 - 2 шт, и по одному 11 180*60, 22 160*60, 22 90*60, 22 50*60). - к этому же контуру отопления врезана гребенка ТП на 7 контуров с своим насосом, термоголовкой - суммарно примерно 50-60 кв.м. площади покрыто теплыми полами) - котел Vaillant ecoTec VU INT plus 306/5-5 + Calormatic 470 (установлен в коридоре, вдали от контуров ТП, рядом нет ни радиаторов и прочих источников тепла - все радиаторы и ТП по периметру - на лоджиях, под окнами и т.д.,модуль автоматики - в центре квартиры - условно самая холодная точка). Изначально выставил кривую 0.4, режим "термостат". Желаемую температура сейчас выставлена 25С. Радиаторы были закрыты, что бы греть только теплым полом и прогреть и стяжку и все помещение. Выставил желаемую 23С и начал греть. Нагревши помещение до 25С уже стало понятно, что "ф-ф-фатит" - до 26С греть не нужно, плюс учтывая инерционность ТП - еще будет отдавать тепло долго. Выставил 22С (из расчета "запаса" 3С для режиме - что бы греть не выше 25С). Автоматика выключила котел и все это дело "остывает". Температура в помещении за сутки с лишним снизилась еле на 1С, а пол полностью остыл. А хочется прежнего комфорта под ногами. Решил что такой огромный зазор в 5 градусов будет остывать неделю или вообще до морозов. Мне в квартире, которая остыла до 23С уже было прохладно и жена потребовала включать отопление и т.д. А здесь согласно режиму термостат нужно будет охладить квартиру до 20С, потом нагреть до 25С, потом опять остудить до 20С. Мало того, что после 25С температура в 20С будет казаться холодной, так еще и время на это нужно "огромное" - за это время теплый пол давным давно остынет и будет совсем не теплым. Решил переключить в режим "Регулювання за температурою". Но здесь свои приколы оказывается температура желаемая - до лампочки )) Нагрел до 25 и дальше продолжает греть. Постоянно включая - выключая котел, минимально модулируя горелку (визуально около 20%) или включая ожидания. К примеру, выставлено, как у Вас, +25. То я бы предложил котлу выключаться при 25,5, а включаться - при 24,5. То есть, с разницей в 1 градус. Поскольку, как описал выше, мой дом остывает долго, остывание на 1 градус может занять много часов, а теплый пол при этом подогреваться не будет, и теряет всякий смысл.Именно так. Как по мне, идеальным был бы режим - смесь "Регулювання за температурою" + "Термостат" - с зазором в 1 градус (по 0,5 вверх и внизу, ну может 2 градуса - 1 вверх и 1 вниз). Типа термостат с зазором 1 градус и эффективной температурой, или если по другому "Регулювання за температурою" с выключением по достижению делаемой + зазор 1 С. Если желаемая температура достигнута и/или фактическая температура не ниже 0,5С - то котел переходит в режим ожидания по отоплению (и отзывается только на запрос ГВС). Если температура фактическая стала ниже желаемой на 0,5С (или сколько там задано в настройках - этот пункт идеально было бы настраивать), то исходя из фактической температуры подбирается "эффективная" (по схеме Тжел + Тжел - Тфакт), от нее считается температура подачи, греется помещение согласно эквитерме - догрел до Тподачи + 5С - пауза пока не выйдет нужная температура подачи (скажем вернется до 45С при нужных 50С) - дальше догрел и так пока не выйдешь на желаемую температуру в помещении. Достиг желаемой температуры - выключил отопление и ждешь. С такой схемой и помещение не будет перереваться / излишне остывать. И для теплого пола будет больше временной промежуток - не нагрел все за один раз радиаторами и высокой подачей и ушел отдыхать - а потихоньку прогрел весь контур отопления (в том числе ТП, стяжку и т.д.). Посилання на коментар Поділитися на інших сайтах More sharing options...
POLAA Опубліковано: 15 жовтня 2015 Поділитись Опубліковано: 15 жовтня 2015 А можно попросить ссылки на обсуждение? Обсуждения были спонтанные, фрагментарные, в разных темах. Возможно, что-то есть в этой моей теме www.stroimdom.com.ua/forum/showthread.php?t=176263 Возможно, есть в теме Теплотехника www.stroimdom.com.ua/forum/showthread.php?t=63929&page=311 Полистайте в этой теме записи весны этого года. Но проще обсудить наново, чем искать фрагменты в больших темах.))) Хотя обсуждение, как таковое, даст мало, поскольку, по факту, КалорМатик 470 работает именно так, как мы обсудили выше, и от наших рассуждений по другому работать не станет.))) 1 Посилання на коментар Поділитися на інших сайтах More sharing options...
POLAA Опубліковано: 16 жовтня 2015 Поділитись Опубліковано: 16 жовтня 2015 Якщо помилка не збивається кнопкою перезавантаження, то єдиний спосіб усунути – заміна плати. Есть вопрос по Вайланту atmoTEC plus VU INT 280/3-5. Я использую возможность настройки котла, заложенную в индикаторе d.2 "Максимальное время блокировки отопления". Я в прошлом отопительном сезоне устанавливал максимальное время блокировки горелки - 60 минут. Соответственно, согласно таблице 7.2. "Руководства по монтажу и техобслуживанию", при выставленной температуре подачи 47 градусов, время блокировки горелки было около 30 минут. Три дня назад включил отопление, и заметил, что мои программные установки автоматики котла сохранены, но котел их не выполняет. В частности, после выключения горелки, следующий розжиг, и работа в режиме отопления, происходил через 5 минут, а не через положенные 30 минут. Я припомнил, что полностью отключал котел от электрики на 2 недели, подумал, что, возможно, из-за этого возник сбой. Сбросил все установки к заводским, использовав предлагаемый производителем код d.96. После сброса настроек, опять установил время блокировки горелки на максимальные 60 минут. Но автоматика котла опять действует не по таблице. Время блокировки увеличилось с 5 минут до 20 минут, но все равно не дотягивает до указанных в таблице 30 минут. Хотя в прошлом отопительном сезоне работало согласно таблице. Вопрос в следующем. Как устранить этот сбой? Еще попробовать вернуться к заводским настройкам? Или есть еще какие-то сбросы, чтобы устранить сбой? Это устранимая ошибка автоматики? Заранее спасибо за ответ. Посилання на коментар Поділитися на інших сайтах More sharing options...
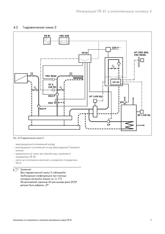
Livesms Опубліковано: 17 жовтня 2015 Поділитись Опубліковано: 17 жовтня 2015 По поводу VR61 Можно ли подключить VR61 к системе из однокотурного Vaillant ecoTec + Calormatic 470, 6 радиаторов и параллельно подключенного коллектора теплых полов (Giacomini r557 на 7 контуров c термоголовкой на входе) без врезки трехходового и т.д. - чисто как регулятор / термометр. Сейчас все это дело управляется как единый контур отопления - по температуре в помещении с учетом температуры на улице котел включается автоматикой, греет до нужной температуры и выключается. Пока на улице температура "не мороз" - температура подачи согласно кривой отопления 0,6 выбирается невысокая - потому прогрев помещения идет преимущественно не радиаторами а теплым полом - иными словами радиаторы не успевает так быстро нагреть низкой температурой подачи помещение, потому коллектор теплых полов успевает обновить теплоноситель в контурах. Но с наступлением морозов - кривая отопления будет давать более высокую температуру подачи (оно и понятно, прогреть помещение температурой +40С при -15С на улице может быть сложно), и поэтому радиаторы будут быстрее успевать прогреть помещение, а для теплого пола прогреться этого времени может быть мало. Может можно подключить VR-61 не меняя систему отопления (без врезки трехходовых и т. д.) - просто искусственно создав второй контур отопления - что бы считать радиаторы (которые питаются от общей подачи) одним контуром и они завязаны на температуру помещения, а теплый пол - условно вторым контуром (не глядя на то, что он питается от того же контура) и он будет завязан на управление по температура обратки в этом самом контуре. И задать схему - котел греет контур 1 (радиаторы) подачей из расчета кривой отопления и температуры на улице, по температуре помещения - задача этого контура не дать остыть помещению - котел реет контур 2 (теплый пол) подачей не выше 30-35С из расчета для теплого пола, при такой подаче термоголовка на коллекторе откроется полностью, и теплоноситель в контурах теплого пола будет обновляться / греться до тех пор, пока общий выход с коллектора (обратка собранная с всех контуров) не прогреется до заданного уровня - задача этого контура не дать остыть теплому полу, не глядя на температуру помещения. Понятное дело, что от этого контура и температура в помещении будет подыматься, тем самым "откладывая" включения котла на работу для контура 1 в "высокотемпературном режиме". Часть теплоносителя с низкой температурой (при работе на контур 2) понятное дело будет попадать в радиаторы - но этим можно "пренебречь".. Задача не дать остыть теплому полу, а если теплый пол не успевает прогревать помещение - тогда дополнительно будет включаться эпизодичный прогрев на радиаторы. Можно ли такое сделать с помощью VR-61 ? Посилання на коментар Поділитися на інших сайтах More sharing options...
Livesms Опубліковано: 17 жовтня 2015 Поділитись Опубліковано: 17 жовтня 2015 Подскажите, что имеется ввиду под 4/16 К , 3/16 К и 2/16 К в описании режима работы Термостат ? Это имеется ввиду натуральная дробь значения в градусах ? 3/16 К = 0,1875 градуса 2/16 К = 0,125 градуса Или что-то другое ? Скажем если описано, что "коли температура приміщення на + 3/16 K перевищує настроєну задану температуру приміщення. Опалювальний контур знову вмикається, коли температура приміщення знову знижується на + 2/16 K нижче настроєної заданої температури приміщення" - это имеется ввиду коридор в 3/16 К- 2/16 К - или + 0,1875 ... - 0,125 К ? Или К - это какое-то значение, а 3/16 и 2/16 это дробные коэфициенты? Скажем если я выставлю желаемую 24С - в каком диапазоне будет работать "термостат" ? от 23,875 до 24,1875 ??? Так вроде температура меряется с дискретностью 0,5 градуса... Может /16К - это какой то коэфициент, который по умолчанию настроен К = 16 и получается что диаппазон от 3/16*16 = 3 до 2/16*16 . И можно подрихтовать этот коэфициент (скажем поставить К = 8 и получить диапазон от +1,5С до - 1С). Посилання на коментар Поділитися на інших сайтах More sharing options...
Interso Опубліковано: 17 жовтня 2015 Поділитись Опубліковано: 17 жовтня 2015 По поводу VR61 Можно ли подключить VR61 к системе из однокотурного Vaillant ecoTec + Calormatic 470, 6 радиаторов и параллельно подключенного коллектора теплых полов (Giacomini r557 на 7 контуров c термоголовкой на входе) без врезки трехходового и т.д. - чисто как регулятор / термометр. Сейчас все это дело управляется как единый контур отопления - по температуре в помещении с учетом температуры на улице котел включается автоматикой, греет до нужной температуры и выключается. Пока на улице температура "не мороз" - температура подачи согласно кривой отопления 0,6 выбирается невысокая - потому прогрев помещения идет преимущественно не радиаторами а теплым полом - иными словами радиаторы не успевает так быстро нагреть низкой температурой подачи помещение, потому коллектор теплых полов успевает обновить теплоноситель в контурах. Но с наступлением морозов - кривая отопления будет давать более высокую температуру подачи (оно и понятно, прогреть помещение температурой +40С при -15С на улице может быть сложно), и поэтому радиаторы будут быстрее успевать прогреть помещение, а для теплого пола прогреться этого времени может быть мало. Может можно подключить VR-61 не меняя систему отопления (без врезки трехходовых и т. д.) - просто искусственно создав второй контур отопления - что бы считать радиаторы (которые питаются от общей подачи) одним контуром и они завязаны на температуру помещения, а теплый пол - условно вторым контуром (не глядя на то, что он питается от того же контура) и он будет завязан на управление по температура обратки в этом самом контуре. И задать схему - котел греет контур 1 (радиаторы) подачей из расчета кривой отопления и температуры на улице, по температуре помещения - задача этого контура не дать остыть помещению - котел реет контур 2 (теплый пол) подачей не выше 30-35С из расчета для теплого пола, при такой подаче термоголовка на коллекторе откроется полностью, и теплоноситель в контурах теплого пола будет обновляться / греться до тех пор, пока общий выход с коллектора (обратка собранная с всех контуров) не прогреется до заданного уровня - задача этого контура не дать остыть теплому полу, не глядя на температуру помещения. Понятное дело, что от этого контура и температура в помещении будет подыматься, тем самым "откладывая" включения котла на работу для контура 1 в "высокотемпературном режиме". Часть теплоносителя с низкой температурой (при работе на контур 2) понятное дело будет попадать в радиаторы - но этим можно "пренебречь".. Задача не дать остыть теплому полу, а если теплый пол не успевает прогревать помещение - тогда дополнительно будет включаться эпизодичный прогрев на радиаторы. Можно ли такое сделать с помощью VR-61 ? Судя из инструкции и схем на VR-61 это можно сделать,подцепить насос ТП на НК2-Р. Или на НК2 если там питание сервопривода 220в. Ну а сам радиаторный контур пусть греет от котлового насоса,хотя можно поставить и отдельный насос,VR-61 это позволяет сделать. Посилання на коментар Поділитися на інших сайтах More sharing options...
Сергей_84 Опубліковано: 17 жовтня 2015 Поділитись Опубліковано: 17 жовтня 2015 Какой смысл в ВР61 никак не пойму, он насос практически никогда не выключает, реально температурой управлять не сможет Посилання на коментар Поділитися на інших сайтах More sharing options...
Livesms Опубліковано: 17 жовтня 2015 Поділитись Опубліковано: 17 жовтня 2015 (змінено) Судя из инструкции и схем на VR-61 это можно сделать,подцепить насос ТП на НК2-Р. Или на НК2 если там питание сервопривода 220в. Ну а сам радиаторный контур пусть греет от котлового насоса,хотя можно поставить и отдельный насос,VR-61 это позволяет сделать. Я тоже на свой "хлопський розум" почитал инструкцию и показалось, что можно. Как минимум подключение VR61 к Calormatic 470 уже создаст второй контур отопления с возможностью задавать свои условия работы и управления. Отсутствие трехходового клапана (в месте врезки подачи и обратки гребенки ТП) в моем случае и для моих целей "не существенно" - ничего страшного, если теплоноситель, по температуре предназначенный теплому полу (контур 2) пойдет и в радиаторы, а в обратной ситуации - горячую воду для контура 1 в гребенку ТП не пропустит термоголовка на входе в коллектор (точнее пропустит только то, что нужно для ТП). А вот с насосом ТП вопрос - как лучше, подключать к VR61 и включать насос не период работы котла на контур 2 - в остальное время насос будет выключен, в том числе и в то время когда котел будет греть воду для контура 1 (радиаторы), и не было бы лишним если нужно догреть заодно и теплый пол (больше чем нужно не возьмет - максимум подымет температуру в контурах ТП до установленного на термоголовке коллектора). Кроме того, есть контура ТП которые остывают существенно быстре (на лоджиях), а есть которые не такие "открытые". Когда насос ТП работает постоянно - более остывший теплоноситель в коллекторе постоянно перемешивается с менее остывшим, что дает более равномерное "остывание" всех контуров ТП, а не так, что на лоджии ТП уже холодный, а в гостиной и санузлах еще теплый. Есть ли смысл оставлять насос (Grundfos UPS 25-60 180) работать 24/7 ? Насколько "безопасен" такой режим насосу ? И что хуже - работать 24/7 или постоянно включаться / выключаться. Какой смысл в ВР61 никак не пойму, он насос практически никогда не выключает, реально температурой управлять не сможет Разве при подключении VR61 к Calormatic 470 не появится второй отопления с своими правилами и регулировками ? Мне показалось, что как раз и подразумевается, что при подключении VR61 появляется второй контур отопления, и он изначально "считается" контуром для теплых полов. Во всяком случае функция сушки стяжки доступна только для Контур 2 при двух контурах отопления (подключенном VR61). И в "буклетах" пишут, что саlorМАТIС 470/4 применим как одноконтурный или, в комбинации со смесительным модулем VR 61/4, как двухконтурный регулятор. Змінено 17 жовтня 2015 користувачем Livesms Посилання на коментар Поділитися на інших сайтах More sharing options...
Interso Опубліковано: 18 жовтня 2015 Поділитись Опубліковано: 18 жовтня 2015 Какой смысл в ВР61 никак не пойму, он насос практически никогда не выключает, реально температурой управлять не сможет Если ВР61 использовать чисто как для ТП то я согласен что нет смысла его использовать. Если с помощью ВР61 планируется по мимо ТП использовать контур нагрева бойлера то может быть и есть смысл,здесь нада думать топику. Если в котелке есть свой трёхходовой на бойлер ГВС то толку от ВР61 тоже мало. По поводу сможет ли он в данном случае управлять температурой пола,лично я думаю что можно его заставить это делать не покупая к нему штатного трёхходовика и сервопривода. Как это сделать- Подключить насос ТП к клемам НК2-Р, термоголовку на смесителе ТП заменить на термоэлектрическую головку нормально-закрытую R473X121 и подключит её к клемам НК2,также прийдётся установить и датчик VF2 в гильзу ТП. ИМХО Добавлено через 17 минут Я тоже на свой "хлопський розум" почитал инструкцию и показалось, что можно. Как минимум подключение VR61 к Calormatic 470 уже создаст второй контур отопления с возможностью задавать свои условия работы и управления. Отсутствие трехходового клапана (в месте врезки подачи и обратки гребенки ТП) в моем случае и для моих целей "не существенно" - ничего страшного, если теплоноситель, по температуре предназначенный теплому полу (контур 2) пойдет и в радиаторы, а в обратной ситуации - горячую воду для контура 1 в гребенку ТП не пропустит термоголовка на входе в коллектор (точнее пропустит только то, что нужно для ТП). А вот с насосом ТП вопрос - как лучше, подключать к VR61 и включать насос не период работы котла на контур 2 - в остальное время насос будет выключен, в том числе и в то время когда котел будет греть воду для контура 1 (радиаторы), и не было бы лишним если нужно догреть заодно и теплый пол (больше чем нужно не возьмет - максимум подымет температуру в контурах ТП до установленного на термоголовке коллектора). Кроме того, есть контура ТП которые остывают существенно быстре (на лоджиях), а есть которые не такие "открытые". Когда насос ТП работает постоянно - более остывший теплоноситель в коллекторе постоянно перемешивается с менее остывшим, что дает более равномерное "остывание" всех контуров ТП, а не так, что на лоджии ТП уже холодный, а в гостиной и санузлах еще теплый. Есть ли смысл оставлять насос (Grundfos UPS 25-60 180) работать 24/7 ? Насколько "безопасен" такой режим насосу ? И что хуже - работать 24/7 или постоянно включаться / выключаться. Разве при подключении VR61 к Calormatic 470 не появится второй отопления с своими правилами и регулировками ? Мне показалось, что как раз и подразумевается, что при подключении VR61 появляется второй контур отопления, и он изначально "считается" контуром для теплых полов. Во всяком случае функция сушки стяжки доступна только для Контур 2 при двух контурах отопления (подключенном VR61). И в "буклетах" пишут, что саlorМАТIС 470/4 применим как одноконтурный или, в комбинации со смесительным модулем VR 61/4, как двухконтурный регулятор. Для каких именно целей вы хотите установить VR 61? Если ваша цель заключается только в том что бы насос ТП включался и выключался автоматически то это можно сделать по другому и намного дешевле. Установите на трубопровод подачи непосредственно перед термоголовкой ТП накладной датчик температуры,подключите его к насосу ТП,установите температуру включения в приделах 30-35*С. Логика работы такова,включается котёл на отопление дома,температура в трубопроводе повысилась,соответственно датчик сработает и включит насос ТП. Когда на отопление котёл отключится то в трубопроводе начнёт постепенно остывать теплоноситель и когда он достигнет ниже заданного значения на датчике температуры то он отключит насос ТП. Таким образом насос ТП будет вкл/откл. автоматически и с задержкой,тоисть у него будет свой определённый выбег. Посилання на коментар Поділитися на інших сайтах More sharing options...
Livesms Опубліковано: 18 жовтня 2015 Поділитись Опубліковано: 18 жовтня 2015 Для каких именно целей вы хотите установить VR 61? Если ваша цель заключается только в том что бы насос ТП включался и выключался автоматически то это можно сделать по другому и намного дешевле. Я думал, что с помощью VR61 единый контур отопления (для радиаторов и ТП), управляемый Calormatic по температуре помещения и наружной, разделить на два контура - радиаторы и ТП. Первый (радиаторы) управляется как и сейчас - по температуре в помещении и наружной ( с кривыми отопления и т.д.). Второй (ТП) - просто по температуре обратки (или другого места куда установится термодатчик). Иными словами - задача контура 2 - не дать остыть полам - регулярно их подоревая и тем самым косвенно обогревая помещение. Контур 1 (радиаторы) включается, если подогревая теплым полом помещение, желаемая температура снизилась - тогда котел просто догреет помещение радиаторами. Посилання на коментар Поділитися на інших сайтах More sharing options...
Interso Опубліковано: 18 жовтня 2015 Поділитись Опубліковано: 18 жовтня 2015 Я думал, что с помощью VR61 единый контур отопления (для радиаторов и ТП), управляемый Calormatic по температуре помещения и наружной, разделить на два контура - радиаторы и ТП. Первый (радиаторы) управляется как и сейчас - по температуре в помещении и наружной ( с кривыми отопления и т.д.). Второй (ТП) - просто по температуре обратки (или другого места куда установится термодатчик). Иными словами - задача контура 2 - не дать остыть полам - регулярно их подоревая и тем самым косвенно обогревая помещение. Контур 1 (радиаторы) включается, если подогревая теплым полом помещение, желаемая температура снизилась - тогда котел просто догреет помещение радиаторами. В инструкции на ВР61 есть четыре схемы,для вас в данном случае подойдёт схема 4. На клемы НК1-Р сажаете сервопривод на радиаторный контур,на клемы НК2-Р сажаете насос ТП. И так получается: Контур 1 радиаторы НК1-Р управляется Калорматиком 470. Контур 2 ТП- НК2-Р управляется VR81. Посилання на коментар Поділитися на інших сайтах More sharing options...
Livesms Опубліковано: 18 жовтня 2015 Поділитись Опубліковано: 18 жовтня 2015 В инструкции на ВР61 есть четыре схемы,для вас в данном случае подойдёт схема 4. На клемы НК1-Р сажаете сервопривод на радиаторный контур,на клемы НК2-Р сажаете насос ТП. И так получается: Контур 1 радиаторы НК1-Р управляется Калорматиком 470. Контур 2 ТП- НК2-Р управляется VR81. А зачем сервопривод на на радиаторный контур ? В чем задача? Просто не пускать в радиаторы "холодную" подачу, предназначенную для ТП? Думаю это не критично если подача для ТП будет попадать и в радиаторы. В таком случае можно ли без него? Сейчас у меня система уже готова - и врезать какие-то функциональные элементы с затрагиванием целостности системы не хочется. Максимум какие-то электронные элементы / накладные датчики и т.д. Посилання на коментар Поділитися на інших сайтах More sharing options...
Interso Опубліковано: 18 жовтня 2015 Поділитись Опубліковано: 18 жовтня 2015 Я думал, что с помощью VR61 единый контур отопления (для радиаторов и ТП), управляемый Calormatic по температуре помещения и наружной, разделить на два контура - радиаторы и ТП. Здесь вы написали что хотите с помощью VR61 разделить на два контура,радиаторный и ТП. Вам я и предоставил как это в принципе можна сделать. В других вариантах просто нет смысла ставить эту дорогостоящую приблуду. Посилання на коментар Поділитися на інших сайтах More sharing options...
Сергей_84 Опубліковано: 18 жовтня 2015 Поділитись Опубліковано: 18 жовтня 2015 Я думал, что с помощью VR61 единый контур отопления (для радиаторов и ТП), управляемый Calormatic по температуре помещения и наружной, разделить на два контура - радиаторы и ТП. Первый (радиаторы) управляется как и сейчас - по температуре в помещении и наружной ( с кривыми отопления и т.д.). Второй (ТП) - просто по температуре обратки (или другого места куда установится термодатчик). Иными словами - задача контура 2 - не дать остыть полам - регулярно их подоревая и тем самым косвенно обогревая помещение. Контур 1 (радиаторы) включается, если подогревая теплым полом помещение, желаемая температура снизилась - тогда котел просто догреет помещение радиаторами. Реагируя на показания датчика он будет пытаться управлять несуществующим трехходовиком... и все, регулировать никто ничего не будет. Насос продолжит маслать.. Вообще насос будет работать даже когда котел выйдет в аварию и остановится.. Посилання на коментар Поділитися на інших сайтах More sharing options...
Профессионал Опубліковано: 19 жовтня 2015 Поділитись Опубліковано: 19 жовтня 2015 (змінено) ...Странноватый режим... Еще более странным, я бы сказал, неприятным для Вас окажется расход газа при наступлении морозов, особенно во время их резких скачков. Все эти девайсы (погодозависимая автоматика) изначально придуманы не для Ваших конкретных условий, они не заменимы в холодных панельных многоэтажках или в частных "картонных" домах с низкой инерционностью. В Вашем случае они просто бесполезны, а скорее вредны ввиду как самой стоимости "прибора", нестабильной температурой внутри помещения, так и дальнейшей платы за энергоноситель. Выход в упрощении контроля - по теплоносителю и внутреннему датчику температуры ( за "три копейки"), термоголовками на радиаторах, и все это подогнанным конкретно под Ваши условия (желаемая комфортная температура, площадь, теплопотери...) плюнуть на все "кривые, косые, прямые"... девайс выбросить (продать, подарить, вернуть...) P.S. Это я все к вопросу о нашем с Вами разговоре почти годичной давности по поводу вреда погодозависимой автоматики в некоторых случаях. Змінено 19 жовтня 2015 користувачем Профессионал Посилання на коментар Поділитися на інших сайтах More sharing options...
Livesms Опубліковано: 21 жовтня 2015 Поділитись Опубліковано: 21 жовтня 2015 Подскажите, в инструкции к Calormatic 470/4 есть пункт 8.5.10 (настройки режима управления по комнатной температуре) 8.5.10 Активування регулювання за температурою приміщення Меню → Рівень спеціаліста → Конфігурація системи [KOHTУP 1 і, за наявності, KOHTУP 2 ----] → Регул. за т-рою пр. – За допомогою цієї функції можна визначати датчик температури, який буде використовуватися - вбудований в регулятор чи в пристрій дистанційного управління. Передумова: Регулятор встановлено не в опалювальний прилад, а в стіну або підключений пристрій дистанційного управління VR 81/2. ні: Датчик температури для регулювання не використовується. Регулювання за температурою: Регулювання за температурою: Вбудований датчик температури вимірює поточну температуру в еталонному приміщенні. Це значення порівнюється з заданою температурою приміщення, а за наявності різниці відбувається корекція температури лінії подачі за рахунок так званої "ефективної заданої температури приміщення". Ефективна задана температура приміщення = настроєна задана температура приміщення + (настроєна задана температура приміщення - виміряна температура приміщення). Тоді замість настроєної заданої температури приміщення для регулювання використовується ефективна задана температура приміщення. Термостат: Та сама функція, що й регулювання за температурою, проте додатково вимикається опалювальний контур, коли виміряна задана температура приміщення на + 3/16 K перевищує настроєну задану температуру приміщення. Опалювальний контур знову вмикається, коли температура приміщення знову знижується на + 2/16 K нижче настроєної заданої температури приміщення. Використання функції регулювання за температурою приміщення у поєднанні з ретельним вибором опалювальної кривої дозволяє отримати оптимальне регулювання опалювальної установки. Что имеется ввиду под "+ 3/16 K" и "+ 2/16 K". Это дробные значения в градусах ? Что за приставка "16" ? "3/16К " - Это "три шестнадцатых кельвина что примерно ноль целых девятнадцать сотых градуса" или "три шестнадцатых от К - где "Ка" - некий гистерезис термостата" ? Если выставил желаемую температуру в 24С (двадцать четыре градуса Цельсия) - какой температурный коридор будет для режима термостат ? При каких значениях по Цельсию в режиме термостат будет происходить то самое отключение отопительного контура ( если температура воздуха в помещении на + 3/16 К выше настроенной заданной температуры воздуха в помещении, то дополнительно отключается отопительный контур) и обратное включение ( если температура воздуха в помещении снова снижается на + 2/16 К ниже настроенной заданной температуры воздуха в помещении, тогда отопительный контур снова включается) Что такое "ка"? И "дробь 16" ? Посилання на коментар Поділитися на інших сайтах More sharing options...
valent75 Опубліковано: 1 листопада 2015 Поділитись Опубліковано: 1 листопада 2015 Добрый день, в комплекте конденсационного котла Vaillant ecoTEC plus VU INT 306/5-5 идёт пара вот таких кранов. Смущает то, что диаметр подачи/обратки котла где-то 17мм, а диаметр проходного отверстия этих кранов порядка 10мм (может даже меньше, точно не мерял), т.е. явное заужение прохода. Вопрос: можно ли вместо этих кранов поставить обычные на 3/4, не будет ли потом претензий от сервисников при первом пуске? И почему предлагается такое решение, это же дополнительная нагрузка на насос, так ведь? Спасибо. Посилання на коментар Поділитися на інших сайтах More sharing options...
siscom Опубліковано: 2 листопада 2015 Поділитись Опубліковано: 2 листопада 2015 Добрый день, в комплекте конденсационного котла Vaillant ecoTEC plus VU INT 306/5-5 идёт пара вот таких кранов. Смущает то, что диаметр подачи/обратки котла где-то 17мм, а диаметр проходного отверстия этих кранов порядка 10мм (может даже меньше, точно не мерял), т.е. явное заужение прохода. Вопрос: можно ли вместо этих кранов поставить обычные на 3/4, не будет ли потом претензий от сервисников при первом пуске? И почему предлагается такое решение, это же дополнительная нагрузка на насос, так ведь? Спасибо. От сервиса претензий не будет если все правильно смонтируете, а эти сервисые краны идут в комплекте монтажники сами принимают решения ставить их или нет. 1 Посилання на коментар Поділитися на інших сайтах More sharing options...
Sanchesko Опубліковано: 4 листопада 2015 Поділитись Опубліковано: 4 листопада 2015 Доброго дня шановні форумчани. В цій гілці Ви можете задати будь-яке питання стосовно обладнання Vaillant та Protherm. Співробітники офіційного представництва будуть раді відповісти.[/QUO Доброго вечора. У мене газовий двохконтурний котел vailant 2009р. виробництва.Включив його цього опалювального зезону вперше,стояв без роботи 6 місяців.Після включення все запрацювало,загорілось полумя,через секунди 3 вибиває кнопка аваріки і полумя гасне і котел не працює.Після чергового включення натискаю ту саму кнопку все теж саме.Підскажіть які можуть бути причини.Дякую. Посилання на коментар Поділитися на інших сайтах More sharing options...
термик Опубліковано: 5 листопада 2015 Поділитись Опубліковано: 5 листопада 2015 Доброго дня шановні форумчани. В цій гілці Ви можете задати будь-яке питання стосовно обладнання Vaillant та Protherm. Співробітники офіційного представництва будуть раді відповісти.[/QUO Доброго вечора. У мене газовий двохконтурний котел vailant 2009р. виробництва.Включив його цього опалювального зезону вперше,стояв без роботи 6 місяців.Після включення все запрацювало,загорілось полумя,через секунди 3 вибиває кнопка аваріки і полумя гасне і котел не працює.Після чергового включення натискаю ту саму кнопку все теж саме.Підскажіть які можуть бути причини.Дякую. Подскажите как правильно настроить конденсационный котел протерм 24квт работающий только на теплый пол без смесительного узла(дом 90 м кв) Посилання на коментар Поділитися на інших сайтах More sharing options...
vovaolya Опубліковано: 28 січня 2016 Поділитись Опубліковано: 28 січня 2016 котел Вайлант экотек плюс 296 двухконтурный утром работал на отопление и гарячую воду. В 8 утра перестал на дисплее выдал ошибку f28. Вызвал сервисанта он спустил воду с расширительного бачка накачал велосипедным насосом давление . До этого давление в системе медленно падало я его добавлял открытием крана. Котел сервисант запустил в ручном режиме и он заработал.До этого на табло высвечивалось ser очем я задавал вопрос Вам раньше.Сервисант с 5 раза убрал ser но утром на следующий день оно опять появилось. Вечером после сервисанта котел работал но выдал ошибку f78.После перезапуска котел запустился но утром на следующий день опять выдал ошибку f28. Прошу у Вас совета что делать? Посилання на коментар Поділитися на інших сайтах More sharing options...
siscom Опубліковано: 1 лютого 2016 Поділитись Опубліковано: 1 лютого 2016 Доброго дня шановні форумчани. В цій гілці Ви можете задати будь-яке питання стосовно обладнання Vaillant та Protherm. Співробітники офіційного представництва будуть раді відповісти. Здравствуйте уважаемый Вайллант. У меня к Вам вопрос можете по номеру котла посмотреть откуда его ваши jabwbfkmyst дилеры привезли и значиться он у Вас или нет??? Спасибо за ответ! Котел бобер DLO 40. Фото номера котла прилагаю!!!! И ЕЩЕ ОДНО ФОТО запись в сервисной книжке Вашим официальным дилером. И как Ваш официальный дилер мог такое установить??? и в сервисной книжке написать. Ваш дилер есть на Вашем сайте Протерма. Если людям будет интересно выложу фото обвязки котла бобер dlo. Ждем с нетерпением Вашего ответа!!!!! 1 Посилання на коментар Поділитися на інших сайтах More sharing options...
goldenjana Опубліковано: 2 лютого 2016 Поділитись Опубліковано: 2 лютого 2016 (змінено) Здравствуйте уважаемый Вайллант. Речь идет о моем котле. В 2015 году я обратилась к официальному дилеру в г. Сумы - магазин "Профи", по Петропавловской 20, по этому адресу располагается и дилер и сервисный центр. Договор был, что они продают и устанавливают мне Протерм Бобер 40. Мы заплатили предоплату, через 3 дня продавец с сервисниками занесли котел в дом. После установку котла я окончательно рассчиталась за котел и установку. И мне выдали документы: во первых, они на чешском, а паспорт даже не оригинал, а ксерокопия : Сервисную книжку выдади почему то не на твердотопливный а на газовый котел, и что меня насторожила, монтаж в ней они не заполнили: Я спросила у продавца, почему такие документы, почему не заполнен монтаж, он сказал не переживайте, мы всем так выдаем, и я спориться не стала. В январе 2016 года, находясь на гарантии котел потек. Треснули боковые секции в том же самом месте как и у Владимира по ссылке: www.stroimdom.com.ua/forum/showpost.php?p=3344427&postcount=2132 Я позвонила дилеру, он вызвал сервисников, что бы осмотрели течь. Приехал тот же самый человек , который котел устанавливал, сделал фотографии. Они посовещались у себя в конторе и выдали вердикт - котел замерз. Поскольку замерзнуть котел никак не мог, хотя бы потому, что был последовательно включен с газовым котлом который работал вместо него, котел располагается в жилом отапливаемом доме. Труба дымохода 12 метром через центр дома, утепленная. В общем их "диагноз" - бред. Вызвали других котельщиков - они сказали, что котел обвязан совсем неправильно, нет защитного контура от холодной обратки. В доме большой обьем воды обратка долго приходила холодная и большая дельта температур могла вызвать трещины в чугуне, который тоже мог быть не качественным. После предъявления претензий дилеру и сервисникам, что котел установлен неправильно. Они вообще начали вести себя как мошенники, отказываться, что его устанавливали, ссылаясь на то, что в сервисной книжке нет их отметки. Но тогда откуда у меня вообще взялась сервисная книжка, тем более на газовый котел, она же в комплект с котлом не идет? Пришлось писать жалобу в Защиту прав потребителя. Там дилер установку признал. Но читая интернет и этот форум, я не раз сталкивалась с информацией о поддельных котлах, в том числе проскакивали сообщения, что этих Бобров собирают вообще в Украине непонятно из чего. Теперь кроме неправильной установки встал вопрос о происхождении котла, я полагаю что он минимум собран из контрабандных запчастей либо вообще подделка. Ведь если бы это был контрабандный котел, там инструкция была хоть на чешском, но уж в любом случае не ксерокопия! А все официально везенные импортные товары должны сопровождаться документацией на государственном ( украинском) языке. Я думаю этот котел собирали где то в гараже в Украине. У дилера нет ничего, откуда он его взял. Я и защита прав потребителя звонили в вайлант Украина, что бы дали информацию по сервисному номеру - никто ничего не знает, нас футболят, отвечать не хотят. Я написала на завод, что бы подтвердили, что котел с таким сервисным номером выпускали и импортировали в Украину - в ответ тишина. Есть версия, что они под таким номером ввозят один легальный котел, а здесь из каких то левых запчастей собирают несколько подпольных и лепят на них одинаковые сервисные номера. Потом эти " левые" котлы впаривают не разбирающимся в вопросе людям, не вводя их в эксплуатацию. Ведь были же у дилера какие то основания установить котел, но не ввести его в эксплуатацию? Зачем мне вообще выдали наполовину заполненную сервисную книжку, наверное что бы создать видимость гарантии? Вот котел с таким серийным номером мне установили: Змінено 2 лютого 2016 користувачем goldenjana 2 Посилання на коментар Поділитися на інших сайтах More sharing options...
silver8848 Опубліковано: 8 лютого 2016 Поділитись Опубліковано: 8 лютого 2016 Добрый день! Есть вопрос по Протерм Скат 9 кВт. Как подключить питание платы через стабилизатор, чтобы уберечь электронику от скачков напряжения? Посилання на коментар Поділитися на інших сайтах More sharing options...
Interso Опубліковано: 8 лютого 2016 Поділитись Опубліковано: 8 лютого 2016 Люди добрые! Вы что не видите что Vaillant Group Ukraine создал тему,отписался в нескольких постах и исчез,дальше разёбывайтесь как хотите, но сами. 2 Посилання на коментар Поділитися на інших сайтах More sharing options...
Рекомендовані повідомлення
Створіть акаунт або увійдіть у нього для коментування
Ви маєте бути користувачем, щоб залишити коментар
Створити акаунт
Зареєструйтеся для отримання акаунта. Це просто!
Зареєструвати акаунтУвійти
Вже зареєстровані? Увійдіть тут.
Увійти зараз