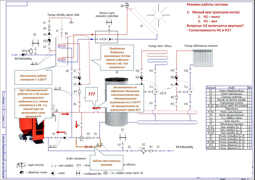
Блуждающий ТВЭЛ Опубліковано: 28 червня 2015 Поділитись Опубліковано: 28 червня 2015 (змінено) Всем привет, находимся в поисках консультанта и, возможно, подрядчика на компоновку котельной в доме. Площать 180 кв.м., есть проект на отопление (разводка) со всеми расчетами, с привязкой к пирогу стены, площади остекления и климатической зоне. Нужен проект котельной. Есть образование промышленного направления, а вот в домашних системах ориентируюсь слабо, они какие-то все маленькие Общие пожелания - тривиальный твердотопливный котел (например, БОШ К26-1 G62 или аналог) для ГВС и отопления на зимний период, гелиосистема на летний, резервные ТЭНы для предотвращения размораживания дома и поддержки ГВС в пасмурные дни. Данные по ГВС, общий предполагаемый расход ~300-400 л/сутки (t` 40-45`). Сразу отвечу на типичные вопросы. Газа - нет. Пелеттный котел - НЕТ. Пиролизный - тоже нет. Котел длительного горения - НЕТ!! Ребята, без объяснений, пройдено. Одна из компаний предложила схему. В ней присутствует аккумулятор тепла, бойлер косвенного нагрева, гелиосистема. Если на форуме есть спецы, пожалуйста, помогите для начала хотя бы советом. p.s. Прошу понять правильно, авторов ответов, начинающихся с попытки рассказать, "какие идиоты мы и наши проектанты" буду банить без объяснений, если можно, давайте сразу по существу что, как и почему нужно сделать/переделать... Спасибо большое! Змінено 27 червня 2016 користувачем IesuiT Просьба автора Посилання на коментар Поділитися на інших сайтах More sharing options...
Korni Опубліковано: 28 червня 2015 Поділитись Опубліковано: 28 червня 2015 ....если можно, давайте сразу по существу что, как и почему нужно сделать/переделать... По существу - если всё знаете, то сами и сделайте. Добавлено через 1 минуту ... Пелеттный котел - НЕТ.... На схемах - пеллетный. Ниже - типичные расценки по проектированию топочной: 8 Посилання на коментар Поділитися на інших сайтах More sharing options...
Сергей 31 Опубліковано: 29 червня 2015 Поділитись Опубліковано: 29 червня 2015 Одна из компаний предложила схему. Нормальную схему Вам предложиди. Исполнитель может внести в нее только мелкие не принципиальные предложения. Кто то больше любит не трех, а двухходовый и.т.д. Практически все Ваши предложения в табличках ошибочны, но показывать Вам почему, в формате форума, сложно, займет много времени. Посилання на коментар Поділитися на інших сайтах More sharing options...
troll_9000 Опубліковано: 29 червня 2015 Поділитись Опубліковано: 29 червня 2015 1. Коллекторное поле - чьих и сколько? 2. Мозги какие? 3. Крыша какая? 4. Обвязка сталь или медь? Это так, разминка Посилання на коментар Поділитися на інших сайтах More sharing options...
Блуждающий ТВЭЛ Опубліковано: 29 червня 2015 Автор Поділитись Опубліковано: 29 червня 2015 Нормальную схему Вам предложиди. Исполнитель может внести в нее только мелкие не принципиальные предложения. Кто то больше любит не трех, а двухходовый и.т.д. Практически все Ваши предложения в табличках ошибочны, но показывать Вам почему, в формате форума, сложно, займет много времени. Спасибо! А если в двух словах? Посилання на коментар Поділитися на інших сайтах More sharing options...
Блуждающий ТВЭЛ Опубліковано: 29 червня 2015 Автор Поділитись Опубліковано: 29 червня 2015 1. Коллекторное поле - чьих и сколько? 2. Мозги какие? 3. Крыша какая? 4. Обвязка сталь или медь? Это так, разминка Отвечаю по крыше, см. картинку. Остальные вопросы = просьба предложить. Посилання на коментар Поділитися на інших сайтах More sharing options...
troll_9000 Опубліковано: 29 червня 2015 Поділитись Опубліковано: 29 червня 2015 Отвечаю по крыше, см. картинку. Остальные вопросы = просьба предложить. Коллектора, мозги -Вайлант, поле - 4-5 коллекторов, топочная - медь Цена работ - от 2000 у.е Это не глядя По количеству коллекторов - нужно считать (брендовые инженеры рады помочь). Медяха на солнце - 18-22 мм Какие еще тайны выдать? Посилання на коментар Поділитися на інших сайтах More sharing options...
Блуждающий ТВЭЛ Опубліковано: 30 червня 2015 Автор Поділитись Опубліковано: 30 червня 2015 По существу - если всё знаете, то сами и сделайте. Добавлено через 1 минуту На схемах - пеллетный. Ниже - типичные расценки по проектированию топочной: Вам виднее, конечно, но лично я не начинаю общение с потенциальным клиентом с пинка в его сторону. Потому что это легко пересчитывается в упущенную прибыль. Схема пока еще очень примерная, это даже не схема а эскиз. За расценки спасибо, изучаю. Посилання на коментар Поділитися на інших сайтах More sharing options...
Korni Опубліковано: 30 червня 2015 Поділитись Опубліковано: 30 червня 2015 Как начинаешь общение, такой результат и получаешь. И главная цель моей работы - не прибыль. Посилання на коментар Поділитися на інших сайтах More sharing options...
Сергей 31 Опубліковано: 30 червня 2015 Поділитись Опубліковано: 30 червня 2015 Напишите где находится дом и когда нужно делать? Для любого котельщика это самый важный вопрос. Посилання на коментар Поділитися на інших сайтах More sharing options...
Korni Опубліковано: 30 червня 2015 Поділитись Опубліковано: 30 червня 2015 Напишите где находится дом и когда нужно делать? Для любого котельщика это самый важный вопрос. Сергей, а кроме предложения обсудить сферического коня в вакууме, ты хоть один конкретный вопрос увидел-то? Посилання на коментар Поділитися на інших сайтах More sharing options...
Сергей 31 Опубліковано: 30 червня 2015 Поділитись Опубліковано: 30 червня 2015 Сергей, а кроме предложения обсудить сферического коня в вакууме, ты хоть один конкретный вопрос увидел-то? Саня, ну обычный заказчик, со своими мухами, как все. 1 Посилання на коментар Поділитися на інших сайтах More sharing options...
Дмитрий Бабенко Опубліковано: 30 червня 2015 Поділитись Опубліковано: 30 червня 2015 J__работа_юра_2015_ттс Model (1).pdf отсюда можно взять решение по коллекторам. 1 Посилання на коментар Поділитися на інших сайтах More sharing options...
Korni Опубліковано: 30 червня 2015 Поділитись Опубліковано: 30 червня 2015 Саня, ну обычный заказчик, со своими мухами, как все. Надежды надергать аргументов для дискуссии с самим собой не реализуются Посилання на коментар Поділитися на інших сайтах More sharing options...
Блуждающий ТВЭЛ Опубліковано: 1 липня 2015 Автор Поділитись Опубліковано: 1 липня 2015 Надежды надергать аргументов для дискуссии с самим собой не реализуются Ну, как раз у вас это получается неплохо. :D Только не пойму, с какой целью вы пришли в тему и пытаетесь заниматься нравоучениями, если прибыль (читай клиент с его проектом) не есть ваша цель. Для самоутверждения, знаете ли, существуют другие места и способы. А я, если вы еще не заметили, ищу консультанта, а, может быть, и подрядчика. Который, как настоящий профессионал, будет молча делать свою работу, и не пытаться учить клиента жизни. Ясно излагаю? Добавлено через 3 минуты Саня, ну обычный заказчик, со своими мухами, как все. По поводу "мух", ребята, могу показать диплом теплоэнергетика. Хотя некоторые (не о вас речь), смотрю, могут, готовы и горят желанием пафосно высмеять клиента и превратить тему в мусорку. С таким подходом "слона не продашь". А я всего-навсего попросил подсказки у специалистов с опытом.. p.s. Спасибо всем, кто пишет здесь и в личку правильные вопросы и вменяемые вещи! Добавлено через 4 минуты Напишите где находится дом и когда нужно делать? Для любого котельщика это самый важный вопрос. Сергей, планируемый запуск с началом отопительного сезона, т.е. 15 октября, район киевская область, ориентация солнечного ската крыши Юго-Юго-Запад (в полдень солнце стоит на 11 часов от оси дома). Состояние объекта - готово котельное помещение и один этаж, дымоход в процессе выкладки, канал кирпичный 270х270, из расчета гильзовать стальным дымоходом. Посилання на коментар Поділитися на інших сайтах More sharing options...
Сергей 31 Опубліковано: 1 липня 2015 Поділитись Опубліковано: 1 липня 2015 По поводу "мух", ребята, могу показать диплом теплоэнергетика. Хотя некоторые (не о вас речь), смотрю, могут, готовы и горят желанием пафосно высмеять клиента и превратить тему в мусорку. С таким подходом "слона не продашь". А я всего-навсего попросил подсказки у специалистов с опытом.. Про мух это проф. сленг. и нет цели никого унизить или обидеть. Если че, то извините. Пример: у меня сейчас в работе заказчик, я так понимаю, что ГИП в проектном институте, специализация сантехника вентиляция. И у него свои мухи и не мало. Я вывел закономерность, чем грамотней заказчик, тем больше у него мух. В завершении: в плане мух, круче Игорь-М никого нет. Р.S. Если не на ком не остановитесь дайте знать. Я главный спец по мухам. 1 Посилання на коментар Поділитися на інших сайтах More sharing options...
Дмитрий Бабенко Опубліковано: 1 липня 2015 Поділитись Опубліковано: 1 липня 2015 еще серьезней лица - и все будет ваще люкс. Посилання на коментар Поділитися на інших сайтах More sharing options...
Korni Опубліковано: 1 липня 2015 Поділитись Опубліковано: 1 липня 2015 ....Ясно излагаю?... Конкретного вопроса в Вашем первом сообщении нет - просто общее предложение "поговорить/посоветоваться" А без ТЗ - результат ХЗ Посилання на коментар Поділитися на інших сайтах More sharing options...
vinnie Опубліковано: 1 липня 2015 Поділитись Опубліковано: 1 липня 2015 Конкретного вопроса в Вашем первом сообщении нет - просто общее предложение "поговорить/посоветоваться" А без ТЗ - результат ХЗ Корни, ну вы и зануда тз у тс - хочу чтоб было тепло и гвс, посредством ТТ и солнца остальная работа ваша, если вы отоплением занимаетесь. если я сам сделаю проект и т.д. зачем вам платить зряплату ? без обид, я понимаю какой вопрос такой ответ, но вы не первый раз сталкиваетесь это 100%, а тут сорвались :D Посилання на коментар Поділитися на інших сайтах More sharing options...
Блуждающий ТВЭЛ Опубліковано: 2 липня 2015 Автор Поділитись Опубліковано: 2 липня 2015 /офтоп/ Обычно в такие моменты рефери кричит "брейк" Добавлено через 9 минут Про мух это проф. сленг. и нет цели никого унизить или обидеть. Если че, то извините. Пример: у меня сейчас в работе заказчик, я так понимаю, что ГИП в проектном институте, специализация сантехника вентиляция. И у него свои мухи и не мало. Я вывел закономерность, чем грамотней заказчик, тем больше у него мух. В завершении: в плане мух, круче Игорь-М никого нет. Р.S. Если не на ком не остановитесь дайте знать. Я главный спец по мухам. А кто такой "Игорь-М" ? Насчет мух, раз "схема нормальная", то получается, задача проектирования "с нуля" отпадает, остается задача адаптации под объект и подбора оборудования. В таком случае для начала интересует стоимость на такую работу, адаптация, подбор, монтаж, ввод в эксплуатацию. Посилання на коментар Поділитися на інших сайтах More sharing options...
Сергей 31 Опубліковано: 2 липня 2015 Поділитись Опубліковано: 2 липня 2015 А кто такой "Игорь-М" ? Как, Вы не знаете кто такой Игорь М !!!!! www.stroimdom.com.ua/forum/showthread.php?t=21751&highlight=%C8%E3%EE%F0%FC-%CC Насчет мух, раз "схема нормальная", то получается, задача проектирования "с нуля" отпадает, остается задача адаптации под объект и подбора оборудования. В таком случае для начала интересует стоимость на такую работу, адаптация, подбор, монтаж, ввод в эксплуатацию. Зависит от подхода каждого к своему заказчику. Я бы после сбора анамнеза уточнил: правильно ли клиент понимает, что он строит, как оно все будет работать? Все ли другие варианты он знает, и почему принял именно такое решение? Посилання на коментар Поділитися на інших сайтах More sharing options...
Блуждающий ТВЭЛ Опубліковано: 2 липня 2015 Автор Поділитись Опубліковано: 2 липня 2015 Как, Вы не знаете кто такой Игорь М !!!!! www.stroimdom.com.ua/forum/showthread.php?t=21751&highlight=%C8%E3%EE%F0%FC-%CC Зависит от подхода каждого к своему заказчику. Я бы после сбора анамнеза уточнил: правильно ли клиент понимает, что он строит, как оно все будет работать? Все ли другие варианты он знает, и почему принял именно такое решение? Так сколько будет стоить? По выбору принципиальной схемы расскажу. Пелетный котел отпал по причине цены и необходимости закупать пелетты. Длительного горения по причине нежелания оставлять работающий котел без присмотра + энергозависимость, газа нет. Поэтому логично вышел на идею аккумулятора, поначалу рассматривал типа "бак в баке", но один из потенциальных подрядчиков аргументированно порекомендовал разнести бак отопления и ГВС отдельно. Так появилась схема, которая в первом посте. Вопрос - сколько денег за адаптацию и реализацию? Посилання на коментар Поділитися на інших сайтах More sharing options...
Сергей 31 Опубліковано: 2 липня 2015 Поділитись Опубліковано: 2 липня 2015 По выбору принципиальной схемы расскажу. Пелетный котел отпал по причине цены и необходимости закупать пелетты. Закупать пелеты, да, это причина, согласен. А вот по цене не согласен. Если сложить все пасочки по Вашей котельной, то получится цена приличного пелетника. Вопрос - сколько денег за адаптацию и реализацию? Без гелио, (и если все складывается) такая котельная около 1000 у.е. Адаптация входит бонусом в реализацию. 1 Посилання на коментар Поділитися на інших сайтах More sharing options...
troll_9000 Опубліковано: 2 липня 2015 Поділитись Опубліковано: 2 липня 2015 Без гелио, (и если все складывается) такая котельная около 1000 у.е. А если добавить солнце? Сорри за офф Самый геммор - коллетора к крыше цеплять (ИМХО) 1 Посилання на коментар Поділитися на інших сайтах More sharing options...
Блуждающий ТВЭЛ Опубліковано: 3 липня 2015 Автор Поділитись Опубліковано: 3 липня 2015 А если добавить солнце? Сорри за офф Самый геммор - коллетора к крыше цеплять (ИМХО) А вот это важный вопрос, спасибо! Дело в том, что солнце оно в проекте, потому в этом году сделаем только разводку. Вопрос - на этапе строительства крыши что нужно предусмотреть/смонтировать на самой крыше? Посилання на коментар Поділитися на інших сайтах More sharing options...
Рекомендовані повідомлення
Створіть акаунт або увійдіть у нього для коментування
Ви маєте бути користувачем, щоб залишити коментар
Створити акаунт
Зареєструйтеся для отримання акаунта. Це просто!
Зареєструвати акаунтУвійти
Вже зареєстровані? Увійдіть тут.
Увійти зараз