S.Andrey Опубліковано: 12 січня 2016 Поділитись Опубліковано: 12 січня 2016 Доброго времени суток уважаемые форумчане! В этой теме буду делиться процессом строительства своего дома. Ну и конечно же, жду от вас дельных советов! Участок куплен в марте 2015, площадь 12 соток. Посилання на коментар Поділитися на інших сайтах More sharing options...
S.Andrey Опубліковано: 12 січня 2016 Автор Поділитись Опубліковано: 12 січня 2016 Данный участок имел уклон от дороги, поэтому было принято решение выровнять его на сколько возможно, первым делом был залит ленточный фундамент под забор и он же является опорной стенкой для будущих насыпных грунтов. 1 Посилання на коментар Поділитися на інших сайтах More sharing options...
Ната_ДнДз Опубліковано: 12 січня 2016 Поділитись Опубліковано: 12 січня 2016 А где Вы строитесь? Посилання на коментар Поділитися на інших сайтах More sharing options...
S.Andrey Опубліковано: 12 січня 2016 Автор Поділитись Опубліковано: 12 січня 2016 А где Вы строитесь? г.Черновцы Посилання на коментар Поділитися на інших сайтах More sharing options...
S.Andrey Опубліковано: 12 січня 2016 Автор Поділитись Опубліковано: 12 січня 2016 Пока велась работа по забору были проделаны следующие шаги: 1. Куплен типовой проект www.proekty-muratordom.com/proekt_utrenniaia-rosa-variant-i,2257,0,0.htm?c=55&photo_id=30073 2. Геодезия. 3. Привязка проекта дома к участку. 4. Геология. 5. Проектирования фундамента на основе геологических исследований. 6. Получение разрешительных документов на строительство. 7. Подключение к городскому Водоснабжению. 8. Подключение к Энергоснабжению (3 фазы) 2 Посилання на коментар Поділитися на інших сайтах More sharing options...
alex_aqua Опубліковано: 12 січня 2016 Поділитись Опубліковано: 12 січня 2016 Коллега приветствую. Хоть кто-то в Украине строит этот дом, а то я себя чувствовал одиноким У меня так же Утренняя роса, но без гаража. Закончил коробку и застеклил первый этаж. На фото еще без окон. 2 Посилання на коментар Поділитися на інших сайтах More sharing options...
S.Andrey Опубліковано: 12 січня 2016 Автор Поділитись Опубліковано: 12 січня 2016 К сентябрю все было готово к началу строительства и наконец мы приступили к рытью котлована. Глубину заложения фундамента пришлось делать достаточно большой (местами порядка 3 метров), так как геология не обрадовала, хорошие грунты оказались именно на этой глубине. Ну как говориться нет худа без добра. В связи с этим родилась идея сделать подвал и склад в цокольном этаже которого не было в проекте. 20 часов работы экскаватора и все готово. Посилання на коментар Поділитися на інших сайтах More sharing options...
Igor_M Опубліковано: 12 січня 2016 Поділитись Опубліковано: 12 січня 2016 Данный участок имел уклон от дороги, поэтому было принято решение выровнять его на сколько возможно, первым делом был залит ленточный фундамент под забор и он же является опорной стенкой для будущих насыпных грунтов. Теперь по крайней мере один человек не будет в меня кидать тапками за мой ленточный фундамент под забор...;) Хотя у меня перепад поменьше - где-то 0,7м... Основательно подходите к делу... одобрямс! 1 Посилання на коментар Поділитися на інших сайтах More sharing options...
Музей Опубліковано: 12 січня 2016 Поділитись Опубліковано: 12 січня 2016 Поздравляем! Проект замечательный. Быстрой стройки и радостного заселения. 2 Посилання на коментар Поділитися на інших сайтах More sharing options...
S.Andrey Опубліковано: 12 січня 2016 Автор Поділитись Опубліковано: 12 січня 2016 Коллега приветствую. Хоть кто-то в Украине строит этот дом, а то я себя чувствовал одиноким У меня так же Утренняя роса, но без гаража. Закончил коробку и застеклил первый этаж. На фото еще без окон. И я вас приветствую! Возможно вы не вспомните но я с вами связывался где то в начале лета. Я тогда только думал на счет этого проекта. Взвесив все за и против, решил остановиться именно на нем! Очень рад вашим продвижением, а вот у меня все еще впереди! 1 Посилання на коментар Поділитися на інших сайтах More sharing options...
S.Andrey Опубліковано: 12 січня 2016 Автор Поділитись Опубліковано: 12 січня 2016 Далее было завезено три MANа колотого гравия (фракция 20Х40) по 30 тонн каждый. Две машины были высыпаны прямо в котлован, а третья- рядом. В итоге использовали примерно 2,5 машины (75 тонн) На следующий день пошел дождь и дно котлована наполнилось водой. Но моих бравых строителей это не смутило, они вооружились резиновыми сапогами и принялись за работу. Посилання на коментар Поділитися на інших сайтах More sharing options...
S.Andrey Опубліковано: 12 січня 2016 Автор Поділитись Опубліковано: 12 січня 2016 Далее все красиво утрамбовали с помощью виброплиты (слой 30 см.) Подсыпка под фундамент готова! Посилання на коментар Поділитися на інших сайтах More sharing options...
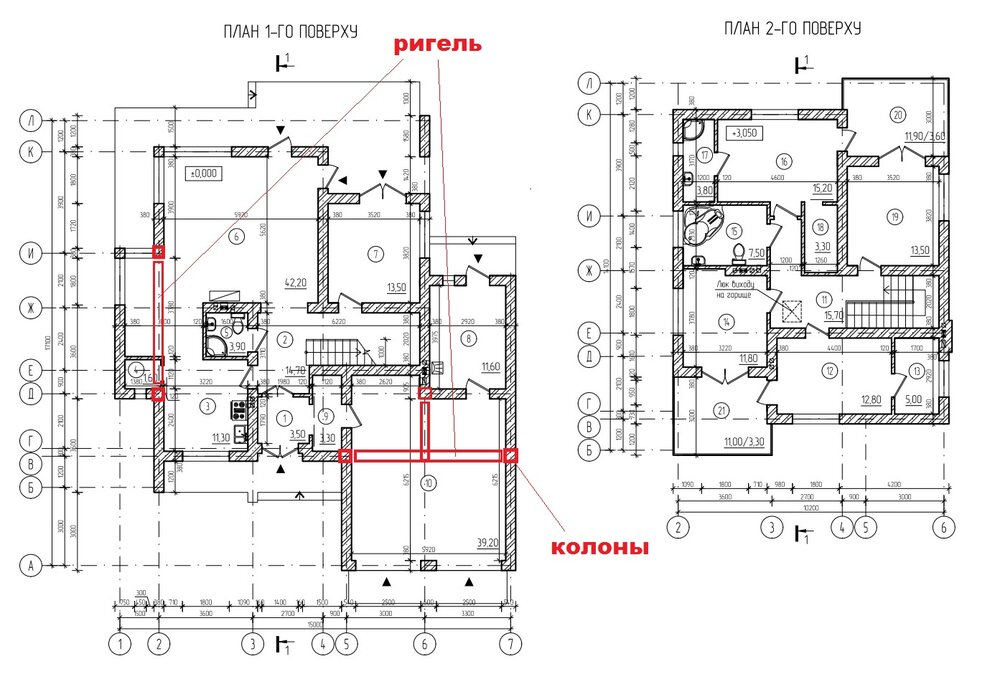
S1LENCE Опубліковано: 13 січня 2016 Поділитись Опубліковано: 13 січня 2016 Спокійного і швидкого будівництва Вам! А яке перекриття у Вас буде? А то ця стіна не зрозуміло як опиратиметься: 1 Посилання на коментар Поділитися на інших сайтах More sharing options...
-electron- Опубліковано: 13 січня 2016 Поділитись Опубліковано: 13 січня 2016 Вітаю земляка, бажаю швидкого і приємного будівництва. На тему підпишусь і буду слідкувати за будівництвом. Якщо я вірно зрозумів, то розповідь йде про пойдені етапи? На якому етапі зараз будівництво? 1 Посилання на коментар Поділитися на інших сайтах More sharing options...
S.Andrey Опубліковано: 13 січня 2016 Автор Поділитись Опубліковано: 13 січня 2016 Спокійного і швидкого будівництва Вам! А яке перекриття у Вас буде? А то ця стіна не зрозуміло як опиратиметься: Перекрытие думаю делать плитами! А стена будет опираться на ригель, на рисунке все показал. 1 Посилання на коментар Поділитися на інших сайтах More sharing options...
S.Andrey Опубліковано: 13 січня 2016 Автор Поділитись Опубліковано: 13 січня 2016 Вітаю земляка, бажаю швидкого і приємного будівництва. На тему підпишусь і буду слідкувати за будівництвом. Якщо я вірно зрозумів, то розповідь йде про пойдені етапи? Приветствую! Да вы правильно поняли, я стараюсь выкладывать инфу поэтапно чтоб было понятнее. На якому етапі зараз будівництво? Фундаментные работы завершены, а сейчас с нетерпением жду весну! Посилання на коментар Поділитися на інших сайтах More sharing options...
S.Andrey Опубліковано: 13 січня 2016 Автор Поділитись Опубліковано: 13 січня 2016 Следующий этап заливка подошвы фундамента. Опалубка и армирование. 1 Посилання на коментар Поділитися на інших сайтах More sharing options...
Музей Опубліковано: 13 січня 2016 Поділитись Опубліковано: 13 січня 2016 Коллега приветствую. Хоть кто-то в Украине строит этот дом, а то я себя чувствовал одиноким У меня так же Утренняя роса, но без гаража. Закончил коробку и застеклил первый этаж. На фото еще без окон. Подшива уже готова. Как будете теплоизолировать узел кровля\перемычка? Будете утеплять стены? ТС, извините, что в Вашей ветке, но очень интересный домик и Вам тоже будет полезно об этом подумать. 1 Посилання на коментар Поділитися на інших сайтах More sharing options...
S.Andrey Опубліковано: 13 січня 2016 Автор Поділитись Опубліковано: 13 січня 2016 Заливка бетона, марка м200, объем 36 м3. Посилання на коментар Поділитися на інших сайтах More sharing options...
alex_aqua Опубліковано: 13 січня 2016 Поділитись Опубліковано: 13 січня 2016 (змінено) Как будете теплоизолировать узел кровля\перемычка? Будете утеплять стены? Не совсем понял о чем вопрос. Армопояса и перемычки (все) утоплены на 5 см, их я закрою эппс перед штукатуркой. Такой подход прораба мне показался разумным, так как 5 см эппс теплее 10 см газоблока (если использовать U-блок). При этом у меня армопояс получился сечением 200х350 мм, что очень надежно и для плит перекрытия, ну и для крыши тоже. Только я по неопытности (а прораб по недосмотру) не учли, что утопив перемычки на 5 см, на эппс осталось в лучшем случае 4 см, так как слой клея и неровности опалубки +/- 5-7 мм. У меня утепление по перекрытию, т.е. холодный чердак. До мауэрлата идет вата (на фото закрыта СДМ), а с наружной стороны к мауерлату прилегает эппс, закрывая горизонтальную и наружную вертикальную сторону армопояса. На другом фото видно кусочек, выглядывающий из под подшивы. Я тоже прошу прощения у топикстартера, если скажете, больше не буду в Вашей теме. Змінено 13 січня 2016 користувачем alex_aqua 1 Посилання на коментар Поділитися на інших сайтах More sharing options...
alex_aqua Опубліковано: 13 січня 2016 Поділитись Опубліковано: 13 січня 2016 Заливка бетона, марка м200, объем 36 м3. Надеюсь, монетки и водку по углам не забыли положить? ))))))))) Добавлено через 5 минут S.Andrey, Вы над эркером (столовая) на первом этаже планируете как в проекте делать плоскую крышу? У меня не получилось: мои крышники классные спецы, но вот опыта плоских крыш ровно ноль. Искал других, но никто на 10 м кв идти разумеется не захотел. Я посидел, прикинул стоимость материалов и утепления (а там вату я бы не рискнул - крыша плоская, затечет где и хана ей, там только толстый слой эппс), плюс отсутствие исполнителей, и сделал обычную с тем же градусом, что и основная. Посилання на коментар Поділитися на інших сайтах More sharing options...
S.Andrey Опубліковано: 13 січня 2016 Автор Поділитись Опубліковано: 13 січня 2016 Я тоже прошу прощения у топикстартера, если скажете, больше не буду в Вашей теме. О чем это вы! Я только рад любым дискуссиям. Тем более вся эта информация мне только на пользу! Добавлено через 5 минут Надеюсь, монетки и водку по углам не забыли положить? По поводу водки не знал что есть и такой обычай, а вот монет набросал столько, что последний куб бетона не поместился) Добавлено через 7 минут Вы над эркером (столовая) на первом этаже планируете как в проекте делать плоскую крышу? Честно говоря хотелось бы. Но не уверен что получиться, как вы уже сказали очень много сложностей. Посилання на коментар Поділитися на інших сайтах More sharing options...
Музей Опубліковано: 13 січня 2016 Поділитись Опубліковано: 13 січня 2016 Армопояса и перемычки (все) утоплены на 5 см, их я закрою эппс перед штукатуркой У меня похожая ситуация с перемычками. Вышло не всюду 5 см, а самое главное этого не достаточно, чтобы избавиться от мостиков холода. Посилання на коментар Поділитися на інших сайтах More sharing options...
alex_aqua Опубліковано: 13 січня 2016 Поділитись Опубліковано: 13 січня 2016 У меня похожая ситуация с перемычками. Вышло не всюду 5 см, а самое главное этого не достаточно, чтобы избавиться от мостиков холода. Что сделано, то сделано. Я бы сейчас делал бы по другому. Но тешу себя тем, что такой вариант в любом случае теплее окон, которых в нашем проекте огромное количество - 35 м. кв. только первый этаж. Так что мостик холода от перемычек на таком фоне выглядит бледненько Добавлено через 5 минут Честно говоря хотелось бы. Но не уверен что получиться, как вы уже сказали очень много сложностей. Для меня это был тоже болезненный вопрос. Но я уже понял, что - это зачастую поиск компромиссов. Нерешаемых проблем нет, но иногда их решение превышает разумные пределы. 1 Посилання на коментар Поділитися на інших сайтах More sharing options...
S.Andrey Опубліковано: 13 січня 2016 Автор Поділитись Опубліковано: 13 січня 2016 aquaforum.ua есть к вам пару вопросов если вы не возражаете? 1. Угол наклона крыши сделали как в проекте (20 °)? Какое сечение стропил? дело в том что в проекте используются стропила сечениям 70Х180, но так как крыша достаточно пологая мучают сомнения не прогнется ли крыша при сильном снеге? 2.Какая у вас длина свеса крыши? 3.Хотелось бы взглянуть на дом с других ракурсов. Посилання на коментар Поділитися на інших сайтах More sharing options...
Рекомендовані повідомлення
Створіть акаунт або увійдіть у нього для коментування
Ви маєте бути користувачем, щоб залишити коментар
Створити акаунт
Зареєструйтеся для отримання акаунта. Це просто!
Зареєструвати акаунтУвійти
Вже зареєстровані? Увійдіть тут.
Увійти зараз