Tamburello Опубліковано: 27 вересня 2017 Поділитись Опубліковано: 27 вересня 2017 то так и е прокаладки из рубероида под первым рядом нету, тогда лозунг о "по технологии" надо убирать. Посилання на коментар Поділитися на інших сайтах More sharing options...
AndyAntonov Опубліковано: 27 вересня 2017 Поділитись Опубліковано: 27 вересня 2017 ну уровень не мой, посему его возраст для меня загадка Фирма-поставщик этих уровней «потужну финансову крысу» (© Тимошенко) 2008-го не пережила. ;) Посилання на коментар Поділитися на інших сайтах More sharing options...
digor_ua Опубліковано: 27 вересня 2017 Автор Поділитись Опубліковано: 27 вересня 2017 тогда лозунг о "по технологии" надо убирать. хорошо, только объясните мне тогда смысл рубероида в УШП под первым рядом газоблока Добавлено через 1 минуту Фирма-поставщик этих уровней «потужну финансову крысу» (© Тимошенко) 2008-го не пережила. ;) это наверно талисман ну типа как шашка у таксиста, если потерять которую то постигнут годы несчастий Посилання на коментар Поділитися на інших сайтах More sharing options...
Tamburello Опубліковано: 27 вересня 2017 Поділитись Опубліковано: 27 вересня 2017 хорошо, только объясните мне тогда смысл рубероида в УШП под первым рядом газоблока ГИ - это не только рубероид. а смысл - потому что технология нам говорит - под первым рядом ДОЛЖНА быть ГИ. Посилання на коментар Поділитися на інших сайтах More sharing options...
Татьяна5 Опубліковано: 27 вересня 2017 Поділитись Опубліковано: 27 вересня 2017 хорошо, только объясните мне тогда смысл рубероида в УШП под первым рядом газоблока никакого кстати, на полном серьезе - армирование газика на плитном фундаменте делается "шоб було" 1 Посилання на коментар Поділитися на інших сайтах More sharing options...
digor_ua Опубліковано: 27 вересня 2017 Автор Поділитись Опубліковано: 27 вересня 2017 ГИ - это не только рубероид. а смысл - потому что технология нам говорит - под первым рядом ДОЛЖНА быть ГИ. ГИ от чего? где вода возьмется в месте, которое уже изначально от нее защищено? Посилання на коментар Поділитися на інших сайтах More sharing options...
Tamburello Опубліковано: 27 вересня 2017 Поділитись Опубліковано: 27 вересня 2017 кстати, на полном серьезе - армирование газика на плитном фундаменте делается "шоб було" главный по газоблокуТМ, говорит нам, что армирование любой стены короче 6м - впустую потраченные средства. Добавлено через 36 секунд которое уже изначально от нее защищено? рад за такую уверенность. 1 Посилання на коментар Поділитися на інших сайтах More sharing options...
digor_ua Опубліковано: 27 вересня 2017 Автор Поділитись Опубліковано: 27 вересня 2017 никакого кстати, на полном серьезе - армирование газика на плитном фундаменте делается "шоб було" я знаю ну, как по мне то хай буде))) Посилання на коментар Поділитися на інших сайтах More sharing options...
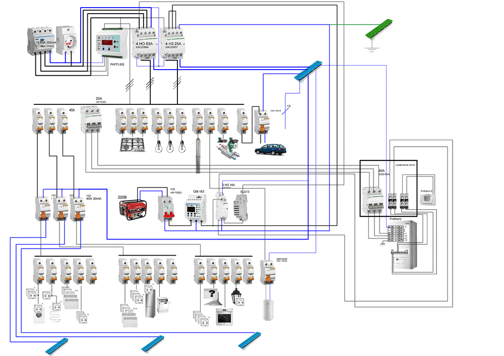
digor_ua Опубліковано: 27 вересня 2017 Автор Поділитись Опубліковано: 27 вересня 2017 (змінено) кстати получил схему щитка может кому интересно) Змінено 27 вересня 2017 користувачем digor_ua 1 Посилання на коментар Поділитися на інших сайтах More sharing options...
Лехуй Опубліковано: 27 вересня 2017 Поділитись Опубліковано: 27 вересня 2017 Почему сначала идет автомат на 20, а за ним на 40? 1 Посилання на коментар Поділитися на інших сайтах More sharing options...
digor_ua Опубліковано: 27 вересня 2017 Автор Поділитись Опубліковано: 27 вересня 2017 Почему сначала идет автомат на 20, а за ним на 40? автомат на 20 висит в щитке, там где и остальные, выполняет функцию защиты провода от щитка к котлу автомат на 40 висит прямо возле котла, выполняет функцию выключателя. Ну типа шоб удобнее было котел ремонтировать в случае чего Посилання на коментар Поділитися на інших сайтах More sharing options...
Лехуй Опубліковано: 27 вересня 2017 Поділитись Опубліковано: 27 вересня 2017 Ну типа шоб удобнее было котел ремонтировать в случае чего Точно. То не автомат, а рубильник Посилання на коментар Поділитися на інших сайтах More sharing options...
Dmode Опубліковано: 27 вересня 2017 Поділитись Опубліковано: 27 вересня 2017 кстати получил схему щитка может кому интересно) Интересно как планируется ввод резерва... Если я правильно понял, в случае залипания контактов на контакторе 63А, будет подаватся напряжение во внешнюю сеть с генератора. В аналогичном случае но с контактором 25А, при возобновлении внешнего напряжения во время работы генератора, на него подастся напряжение. Интересно также почему именно такое подклюдечение генератора? генератор->АВ25А->ОМ163->контактор->звонок Если я правильно понял, то котел не отключается при вводе резерва, следовательно ОМ163 сразу отключит резерв... Посилання на коментар Поділитися на інших сайтах More sharing options...
digor_ua Опубліковано: 27 вересня 2017 Автор Поділитись Опубліковано: 27 вересня 2017 Интересно как планируется ввод резерва... Если я правильно понял, в случае залипания контактов на контакторе 63А, будет подаватся напряжение во внешнюю сеть с генератора. В аналогичном случае но с контактором 25А, при возобновлении внешнего напряжения во время работы генератора, на него подастся напряжение. там с генератором мудро как для меня. Обьянсю что понял со слов элекртика подключение сети и генератора идет через два реле: нормально открытое и нормально закрытое (4 НО 63 А 4 НЗ 25А на схеме). реле НО контролирует подачу электричества от сети, НЗ -от генератора. при наличии электричества в сети НО имеет сомкнутые контакты - весь дом питается от сети НЗ имеет разомкнутые контакты - генератор отключен от сети. При пропадании электричества НО отключается, а НЗ включается и позволяет включить генератор. В случае если во время работы генератора появится электричество, то реле НЗ выключится и генератор будет работать вхолостую. Ну вобщем тот же рубильник, только автоматический. Интересно также почему именно такое подклюдечение генератора? генератор->АВ25А->ОМ163->контактор->звонок Если я правильно понял, то котел не отключается при вводе резерва, следовательно ОМ163 сразу отключит резерв... АВ25А это тоже своего рода рубильник чтобы выключить линию на генератор при необходимости ОМ163 - нужен для контроля мощности, подаваемой от генератора. Другими словами если есть генератор на 5 квт, а приборов навключаем на 7 квт, то эта штука отключит весь дом от генератора и прийдется идти, щелкать выключателями в щитке, в то время когда генератор работает вхолостую со звонком и питанием котла там хитро звонок подключен к генератору через реле 2 НО 16А и должен звенеть только в том случае если работает генератор и есть электричество в сети, тухнуть будет после того как выключат один из этих источников тока. То есть сигнализация чтоб не проспать появление электричества. Питание котла: в котле протерм оказывается есть такая штука, как аварийный режим. Дает возможность указать макс потребляемую мощность котла при наличии питания на специальной клемме. Собственно при работе с генератора можно будет поставить на котле макс мощность не больше 3 квт, дабы питание котла не забирало все электричество с дома и не глушило генератор. собственно через тоже самое реле 2 НО 16А подается сигнал на эту клемму, который просто сигнализирует котлу перейти в аварийный режим и не жрать больше положенного. Ну и судя по инструкции котел сам выйдет с этого аварийного режима, когда питания на эту клемму не будет, то есть генератор выключат Посилання на коментар Поділитися на інших сайтах More sharing options...
Dmode Опубліковано: 27 вересня 2017 Поділитись Опубліковано: 27 вересня 2017 (змінено) Ну вобщем тот же рубильник, только автоматический. Значит я правильно понял. ИМХО при залипании контактов одного из контакторов получится опасная схема. Спросите в теме электриков, что они думают о таком варианте. Питание котла: в котле протерм оказывается есть такая штука, как аварийный режим. Дает возможность указать макс потребляемую мощность котла при наличии питания на специальной клемме. Собственно при работе с генератора можно будет поставить на котле макс мощность не больше 3 квт, дабы питание котла не забирало все электричество с дома и не глушило генератор. собственно через тоже самое реле 2 НО 16А подается сигнал на эту клемму, который просто сигнализирует котлу перейти в аварийный режим и не жрать больше положенного. Ну и судя по инструкции котел сам выйдет с этого аварийного режима, когда питания на эту клемму не будет, то есть генератор выключат Протерм? Аварийный режим? Если речь о контакте HDO то им можно выключать котел. Если речь о контакте разгрузки, то минимальная мощность до которой Вы сможете ограничить котел равна сумме минимальных шагов каждого тена. Для 18кВт Протерма это 2+2+2=6кВт. Какой мощности у Вас планируется котел? Змінено 27 вересня 2017 користувачем Dmode 1 Посилання на коментар Поділитися на інших сайтах More sharing options...
digor_ua Опубліковано: 28 вересня 2017 Автор Поділитись Опубліковано: 28 вересня 2017 небольшой статус-апдейт по состоянию на утро Посилання на коментар Поділитися на інших сайтах More sharing options...
digor_ua Опубліковано: 28 вересня 2017 Автор Поділитись Опубліковано: 28 вересня 2017 Значит я правильно понял. ИМХО при залипании контактов одного из контакторов получится опасная схема. Спросите в теме электриков, что они думают о таком варианте. Ну тут очевидно что при залипании какого-то из контакторов получится пидпысьздесь генератору. Но это аварийная ситуация и я все же надеюсь что если не пользовать откровенный китайский шлак в щитке, то она не произойдет. Можно конечно еще какую-то релюшку еще предусмотреть которая будет разруливать эту ситуацию, но если так, то тогда и все автоматы-узо тоже надо дублировать, что дорого Протерм? Аварийный режим? Если речь о контакте HDO то им можно выключать котел. Если речь о контакте разгрузки, то минимальная мощность до которой Вы сможете ограничить котел равна сумме минимальных шагов каждого тена. Для 18кВт Протерма это 2+2+2=6кВт. Какой мощности у Вас планируется котел? Спрсоил про интрукции от котла где все это написано я думаю ближе к вечеру мне будет что Вам ответить Посилання на коментар Поділитися на інших сайтах More sharing options...
Dmode Опубліковано: 28 вересня 2017 Поділитись Опубліковано: 28 вересня 2017 Ну тут очевидно что при залипании какого-то из контакторов получится пидпысьздесь генератору. Но это аварийная ситуация и я все же надеюсь что если не пользовать откровенный китайский шлак в щитке, то она не произойдет. Маститые бренды от аварий также не застрахованы. Но не в этом дело. Можно заменить решение в схеме на более оптимальное. Можно конечно еще какую-то релюшку еще предусмотреть которая будет разруливать эту ситуацию.... Релюшну не нужно. Достаточно заменить два ОТДЕЛЬНЫХ контактора, на контакторы поддерживающие организацию РЕВЕРСИВНОГО переключения. То есть позволяющие работать в связке с механической блокировкой, которая не дает возможности возникновения аварийной ситуации замыкания обоих контакторов одновременно. Например такой: Schneider Electric LC2DT25M7 (25А) Или такой LC2DT40Q7 (40А). 1 Посилання на коментар Поділитися на інших сайтах More sharing options...
StNick Опубліковано: 28 вересня 2017 Поділитись Опубліковано: 28 вересня 2017 Достаточно заменить два ОТДЕЛЬНЫХ контактора,. ну или использовать классическую схему реверсивного включения 2 Посилання на коментар Поділитися на інших сайтах More sharing options...
digor_ua Опубліковано: 2 жовтня 2017 Автор Поділитись Опубліковано: 2 жовтня 2017 Вобщем поговорил с электриком В результате нашей дискуссии на место автомата 25А 4 НЗ был водружен большой здоровый переключатель фирмы АББ и теперь перетыкать режимы генератор/сеть надо будет вручную. Спасибо за подсказку Добавлено через 3 минуты Протерм? Аварийный режим? Если речь о контакте HDO то им можно выключать котел. Если речь о контакте разгрузки, то минимальная мощность до которой Вы сможете ограничить котел равна сумме минимальных шагов каждого тена. Для 18кВт Протерма это 2+2+2=6кВт. Какой мощности у Вас планируется котел? Уточнил Да, речь была о контакте разгрузки. То я не парвильно выразился К нему будет подключаться та релюшка и сигнал от него переводит котел в режим уменьшенного потребелления электричества. Заодно выбрали можность котла, это Потерм 18кВт. У него шаг нагрузки = 2 кВт (минимальный из тех котлов что есть в модельном ряде ПроТерма). ну как-то так Посилання на коментар Поділитися на інших сайтах More sharing options...
digor_ua Опубліковано: 2 жовтня 2017 Автор Поділитись Опубліковано: 2 жовтня 2017 ну и немножко фоток в целом ничего интерксного стены кладутся, дренажка делается ну разве что решили что дверь из котельной в гараж да одно окно из гостинной вроде бы и надо, а вроде бы и нет. Посему там пока-что будет полноценный проем, с перемычкой и тд, который потом заложится газоблоком. Ну чтобы если вдруг понадобится, то можно было его легко прорубить дырку в стене и не париться с перемычками. Ну и окно из гостинной на участок пока что 120см шириной, но в будуещм может быть разрастется до 2м, посему перемычку делаем длинную и усиленную, но на данном этапе ширину оставляем 120 см. Да. в том плане что не ты подстраиваешся под планировку, а сам делаешь такую планировку как тебе надо, стройка своего дома имеет огромное преимущество перед покупкой готового, или не дай бог квартиры :D 1 Посилання на коментар Поділитися на інших сайтах More sharing options...
Vikctor Опубліковано: 2 жовтня 2017 Поділитись Опубліковано: 2 жовтня 2017 Потерм 18кВт. У него шаг нагрузки = 2 кВт (минимальный из тех котлов что есть в модельном ряде ПроТерма). У 6кВт и 9кВт Скатов шаг мощности - 1кВт. Посилання на коментар Поділитися на інших сайтах More sharing options...
digor_ua Опубліковано: 2 жовтня 2017 Автор Поділитись Опубліковано: 2 жовтня 2017 У 6кВт и 9кВт Скатов шаг мощности - 1кВт. боюсь что 9 кВт мне не хватит Посилання на коментар Поділитися на інших сайтах More sharing options...
AndyAntonov Опубліковано: 3 жовтня 2017 Поділитись Опубліковано: 3 жовтня 2017 боюсь что 9 кВт мне не хватит Какова потребная мощность отопления по расчёту? Посилання на коментар Поділитися на інших сайтах More sharing options...
digor_ua Опубліковано: 3 жовтня 2017 Автор Поділитись Опубліковано: 3 жовтня 2017 Какова потребная мощность отопления по расчёту? какому расчету? нет никаких расчетов :D все на глазок если отталикваться от известной формулы, где на 10м площади нужно 1 кВт энергии, то получается что нужен котел киловат так на 15. Ну 18 подходит, даже с запасом Посилання на коментар Поділитися на інших сайтах More sharing options...
Рекомендовані повідомлення
Створіть акаунт або увійдіть у нього для коментування
Ви маєте бути користувачем, щоб залишити коментар
Створити акаунт
Зареєструйтеся для отримання акаунта. Це просто!
Зареєструвати акаунтУвійти
Вже зареєстровані? Увійдіть тут.
Увійти зараз