Перейти до публікації
Пошук в
  • Додатково...
Шукати результати, які містять...
Шукати результати в...

Имение около дубовой рощи (УШП + газоблок на 1.5 этажа в Харькове)

digor_ua

Рекомендовані повідомлення

Ну на стройке пока что как в песне,

все выше, и выше, и выше :)

ничего интересного вобщем

attachment.php?attachmentid=585639&stc=1&d=1507028464

 

 

ну разве что электрики столб поставили в аккурат на выезде (припомнили мне все таки что я им 10кгрн зажал, г...ны). Буду теперь теперь с ними ругаться, ибо тот столб мне там вобще никак не нужен

attachment.php?attachmentid=585641&stc=1&d=1507028464

 

и местных жителей еще пофоткал

уже недели три как там живут, обжились уже, встречают, провожают, ночлежку под контейнером себе оборудовали. Ну то есть участок уже обжит :D

attachment.php?attachmentid=585642&stc=1&d=1507028464

P_20171003_104141.thumb.jpg.e5fae99076e0655c6f81bbe16b8b91f5.jpg

P_20171003_104225.thumb.jpg.3f806eb95e1edb126410a1078fce9c0f.jpg

P_20171003_104248.thumb.jpg.175aa7098598934e51114e91ab3b828b.jpg

P_20171003_104543.thumb.jpg.cb61b642934aff9e484daccc84254bcc.jpg

  • Лайк 6
Посилання на коментар
Поділитися на інших сайтах

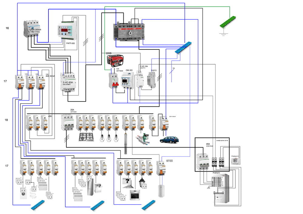
ну и обновленная схема щитка еще

спасибо Dmode за консультацию про залипание релюшки:)

group_manual_light.thumb.GIF.627bf3fac52449f9bb0f235f51876f86.GIF

Посилання на коментар
Поділитися на інших сайтах

уже недели три как там живут, обжились уже, встречают, провожают, ночлежку под контейнером себе оборудовали. Ну то есть участок уже обжит

Они смекнули что ты айтишник и в новый дом первого кота пускать надо, колбасой кормить будешь :D

Посилання на коментар
Поділитися на інших сайтах

Они смекнули что ты айтишник и в новый дом первого кота пускать надо, колбасой кормить будешь :D

 

я тут озаботился ценниками на сухие корма для котов.

так вот я так скажу, что не всякая колбаса по цене еще дотянет до сухого корма :D

  • Лайк 1
Посилання на коментар
Поділитися на інших сайтах

если отталикваться от известной формулы, где на 10м площади нужно 1 кВт энергии

Потому что, может быть и 300Вт/м2, и 30. И я ни фига не шучу. Потому, Herz OZC или аналог в руки, и считать теплорасчёт.

Посилання на коментар
Поділитися на інших сайтах

Потому что, может быть и 300Вт/м2, и 30. И я ни фига не шучу. Потому, Herz OZC или аналог в руки, и считать теплорасчёт.

 

не тот тут масштаб, чтоб так над теплопотерями трястись.....

 

ну если бы было там под тыщу квадратов жилплощади, то понятно что как бы да, но тут.....

ну сэконмлю пару тыщ грн на котле (может быть)

ну покажет что да, зимой холодно может быть при отоплении только теплыми полами, что я и так знаю

смысл забивать себе мозги какой-то ненужной фигней...

Посилання на коментар
Поділитися на інших сайтах

какому расчету?

нет никаких расчетов :D

все на глазок

если отталикваться от известной формулы, где на 10м площади нужно 1 кВт энергии, то получается что нужен котел киловат так на 15. Ну 18 подходит, даже с запасом:)

 

не знаю, что это за формула, но у меня 86 м2 с потолками 3,2 метра, больше 2 квт в лютые морозы котел не включался :-)

утепляйтесь хорошо

  • Лайк 4
Посилання на коментар
Поділитися на інших сайтах

ну и обновленная схема щитка еще

спасибо Dmode за консультацию про залипание релюшки:)

Рекомендую выложить схему в разделе электрики, для получения их комментариев. Предполагаю, что общая нулевая шина для генератора и внешней сети не допустима.

 

Также заземление нулевого провода, как на Вашей схеме, не всегда можно делать. Например при неудовлетворительном качестве сетей, отсутствии повторного заземления на столбах, применяется схема заземления ТТ. А в ней нельзя заземлять нулевой провод.

 

Добавлено через 11 минут

не тот тут масштаб, чтоб так над теплопотерями трястись.....

По богатому :) Главное чтобы не оказалось, что вы приобрели смарт с расходом старого американского джипа :)
  • Лайк 4
Посилання на коментар
Поділитися на інших сайтах

И еще по схеме.

Если на одной из фаз напряжение выходит за рамки допустимого, то Вы сидите в доме без света, даже если свет подключен к фазе напряжение которой в рамках нормы. Так как при этом контактор отключает все три фазы вместе. Не оптимальное решение.

  • Лайк 3
Посилання на коментар
Поділитися на інших сайтах

И еще по схеме.

Если на одной из фаз напряжение выходит за рамки допустимого, то Вы сидите в доме без света, даже если свет подключен к фазе напряжение которой в рамках нормы. Так как при этом контактор отключает все три фазы вместе. Не оптимальное решение.

 

Мы уже думали про эту ситуацию

Единственным нормальным решением, которое мне подходит это запитка пропавшей фазы от какой-то из двух рабочих

Но с другой стороны со слов электрика стоимость девайса, умеющего такое делать около 20 тыс грн. Посему решил что в таком случае лучше схожу к генератору:)

надеюсь что пропажа одной из фаз будет таким уж частым явлением, что прийдется покать такую штуку

 

Добавлено через 2 минуты

Рекомендую выложить схему в разделе электрики, для получения их комментариев. Предполагаю, что общая нулевая шина для генератора и внешней сети не допустима.

 

Также заземление нулевого провода, как на Вашей схеме, не всегда можно делать. Например при неудовлетворительном качестве сетей, отсутствии повторного заземления на столбах, применяется схема заземления ТТ. А в ней нельзя заземлять нулевой провод.

Спасибо за подсказку.

Пойду навено в электрику, послушаю что там скажут :)

 

По богатому :) Главное чтобы не оказалось, что вы приобрели смарт с расходом старого американского джипа :)

а, я все же люблю иногда сначала сделать, а потом подумать о том, что получилось :D

 

Добавлено через 3 минуты

не знаю, что это за формула, но у меня 86 м2 с потолками 3,2 метра, больше 2 квт в лютые морозы котел не включался :-)

утепляйтесь хорошо

 

30 см пенопласта снизу, 30см ваты сверху, 40см газоблока.

куда уж больше-то? :)

ну разве что еще 10 см ваты на стены приклеить, но то надо сначала перезимовать, посмотреть на то, что получилось,

Посилання на коментар
Поділитися на інших сайтах

Единственным нормальным решением, которое мне подходит это запитка пропавшей фазы от какой-то из двух рабочих

Но с другой стороны со слов электрика стоимость девайса, умеющего такое делать около 20 тыс грн.

 

 

эм.

ЧТО?

 

elektrovoz.com.ua/uk/kulachkovij-paketnij-peremikach-faz-sk40-2866s10-40a-na-din.html

 

Добавлено через 2 минуты

prom.ua/Spamel.html

  • Лайк 2
Посилання на коментар
Поділитися на інших сайтах

,

Мы уже думали про эту ситуацию

Единственным нормальным решением, которое мне подходит это запитка пропавшей фазы от какой-то из двух рабочих

Но с другой стороны со слов электрика стоимость девайса, умеющего такое делать около 20 тыс грн.

А чем не подходит три отдельных 63А Зубра, и кулачковые переключатели?

А если уж так хочется автоматизации, то три отдельных реле выбора фаз Новатек, которые уже являются реле напряжения, но без индикации. А если очень хочется индикации то три Зубра и три реле выбора фаз. Но имхо оно того не стоит. Если выход за рамки напряжения по какой либо из фаз не является частым явлением, то комплект Зубров+кулачковые вполне решают задачу.

Себе собираю на зубрах и кулачковых.

 

p27Dnyi0D7owA7.jpg

 

Змінено користувачем Dmode
  • Лайк 7
Посилання на коментар
Поділитися на інших сайтах

эм.

ЧТО?

 

elektrovoz.com.ua/uk/kulachkovij-paketnij-peremikach-faz-sk40-2866s10-40a-na-din.html

 

Добавлено через 2 минуты

prom.ua/Spamel.html

 

речь про автоматические системы.

 

да, именно про автоматику

вот такой вот девайс примерно

image1337938635.jpg

можно конечно и рубильниками щелкать, но не хочу, лениво

 

Добавлено через 4 минуты

,А чем не подходит три отдельных 63А Зубра, и кулачковые переключатели?

А если уж так хочется автоматизации, то три отдельных реле выбора фаз Новатек, которые уже являются реле напряжения, но без индикации. А если очень хочется индикации то три Зубра и три реле выбора фаз. Но имхо оно того не стоит. Если выход за рамки напряжения по какой либо из фаз не является частым явлением, то комплект Зубров+кулачковые вполне решают задачу.

Себе собираю на зубрах и кулачковых.

 

p27Dnyi0D7owA7.jpg

 

про Новатек не знаю, не смотрел как-то

А Зубры + переключатели не подходят тем, что все контроллировать фазы прийдется вручную и вручную щелкать те выключатели.

этож посмотри на какой фазе электричество пропало, потом перелючатель щелкни. потом не забудь проконтроллировать появилось ли оно, а если раз в полгода такая беда случится так еще и забудешь где что нажимать, включишь что-то нето.

Вобщем подумал я над подобным решением и решил что не надо оно мне.

Пропадет фаза, посижу от генератора.

вот если часто будет пропадать 1 фаза из 3, то тогда да, прийдется что-то такое ставить. Но это надо пожить посмотреть что там и как

Посилання на коментар
Поділитися на інших сайтах

вобщем пока что стены растут, все оп плану

я так понимаю следующая неделя будет посвящена перемычкам и подходу к армопоясу, еще через неделю я так понимаю залью армопояс

пока что все выглядит так

attachment.php?attachmentid=586000&stc=1&d=1507289319

attachment.php?attachmentid=586001&stc=1&d=1507289319

attachment.php?attachmentid=586002&stc=1&d=1507289319

attachment.php?attachmentid=586005&stc=1&d=1507289319

 

ну и дренажку закопали, дальше трубы водостояки в этой канавке пройдут

attachment.php?attachmentid=586003&stc=1&d=1507289319

attachment.php?attachmentid=586004&stc=1&d=1507289319

P_20171006_094433.thumb.jpg.20b34ae4cc881104764c3422bd965e2c.jpg

P_20171006_094458.thumb.jpg.2127565908aa7f1a861b6b21a9f814dd.jpg

P_20171006_094531.thumb.jpg.12d6d3f9a4c85360b8f19aea18af22f4.jpg

P_20171006_094557.thumb.jpg.7c06b54445e91a0688a191e92b2f04e2.jpg

P_20171006_094810.thumb.jpg.7eb16a08eda207e440064fdd5bafcbbd.jpg

P_20171006_094850.thumb.jpg.5e49ad186622a59754a312ebd60f7764.jpg

  • Лайк 1
Посилання на коментар
Поділитися на інших сайтах

Бозе, какой срач кругом :D

Грунтовые работы заканчивайте, а то закопаетесь в грязи по уши :-)

  • Лайк 1
Посилання на коментар
Поділитися на інших сайтах

Бозе, какой срач кругом :D

 

Фух, ну наконец-то :D

 

Грунтовые работы заканчивайте, а то закопаетесь в грязи по уши :-)

та с грунтовыми то вот уже скоро конец виден, но еще потом пару ведер гвоздей с крыши надо будет собрать. А потом уже можно будет и прикопать все это :D

Посилання на коментар
Поділитися на інших сайтах

Фух, ну наконец-то :D

Передаю эстафетную палочку :D

 

Бозе, какой срач кругом :D

А это делает таже бригада, которая и у меня срач разводила :D

  • Лайк 1
Посилання на коментар
Поділитися на інших сайтах

А это делает таже бригада, которая и у меня срач разводила

то то я смотрю похоже :-))))

 

не, люди, я бы убивала за такое :-)

  • Лайк 1
Посилання на коментар
Поділитися на інших сайтах

доделали дренажку и водосточку

фоток нет, но можно немножко подбить финансы

на этапе УШП было потрачено 550 тыс

теперь добавляем (как обычно округлено до тыщ грн)

газоблок - 115

три крана для разгрузки - 6

два манипулятора для перевозки - 3

две машины щебня - 13 (одна на дренажку, другая на перемычки-армопояса)

цемент - 4

клей для ГБ - 3

немножко дерева для опалбуки/помостов - 7

трубы, геотекстиль, колодцы для дренажки - 12

трубы водосточка - 4

всякая мелочевка - 3

работа по дренажке - 21, но ребята сделали мне небольшую скидку в 2 тыщи грн (мелочь, но приятно :) ) - 19

 

итого на данном этапе плюс 189 тыщ грн. Ну допишу сюда еще тыщу гривен для круглого числа (ну пусть сюда войдет пара канистр бензина, штоб не говорили что просто так смету растягиваю) и в результате получаем цифру в

740 тыщ грн.

 

Где тут эти товарищи пробегали которые каркасники под ключ в эти деньги строят? :D

  • Лайк 3
Посилання на коментар
Поділитися на інших сайтах

немножко фоток

общий вид

attachment.php?attachmentid=586932&stc=1&d=1507885756

attachment.php?attachmentid=586933&stc=1&d=1507885756

 

вид с веранды

attachment.php?attachmentid=586934&stc=1&d=1507885756

 

в хате как и полагается срач :D

attachment.php?attachmentid=586928&stc=1&d=1507885756

 

 

Кухня

attachment.php?attachmentid=586930&stc=1&d=1507885756

 

 

Ну и электрики счетчик еще поцепили, теперь надо еще договор с РЭСа выбить и будет мне своя личная лампочка ильича

attachment.php?attachmentid=586931&stc=1&d=1507885756

P_20171013_101036.thumb.jpg.baeddcee3c88ecea53836236cf841e43.jpg

P_20171013_101050.thumb.jpg.684983e67ea61adbef62da7607707bb5.jpg

P_20171013_101116.thumb.jpg.800f58b1487e35888e23426e15aee64e.jpg

P_20171013_101429.thumb.jpg.0143bed4a386f7135d73f97acffeefd3.jpg

P_20171013_101445.thumb.jpg.41025a34bd5735f4ac4e07e99e564d87.jpg

P_20171013_101511.thumb.jpg.eea51524c4a3b917e6390ac9224813c0.jpg

P_20171013_103419.thumb.jpg.b108bb1cac98c4c21a80b112978306dc.jpg

  • Лайк 8
Посилання на коментар
Поділитися на інших сайтах

Вобщем работы по газоблоку на первом этаже завершены, подошли к армопоясу, сейчас заканчивают с армированием армопояса и к концу недели его зальют

как обычно немножко фоток:

attachment.php?attachmentid=587603&stc=1&d=1508328068

attachment.php?attachmentid=587602&stc=1&d=1508328068

attachment.php?attachmentid=587601&stc=1&d=1508328068

 

Пирог армирования внешней стены, на которую не опираются балки перекрытия

attachment.php?attachmentid=587595&stc=1&d=1508328068

 

Пирог армирования внешней стены, на которую опираются балки перекрытия

attachment.php?attachmentid=587596&stc=1&d=1508328068

 

Внутри есть еще Т-образный армопояс, перевязанный с армопоясом по внешним стенам, на который будут опираться балки перекрытия

attachment.php?attachmentid=587598&stc=1&d=1508328068

 

Из нюансов, это то что в этом Т-образном армпоясе будет еще 2-метровый пролет висящий в воздухе, потом небольшая подпорка толщиной 20 см и потом еще 80 см в воздухе

На фото ниже изображено его армирование

Часть слева это та часть, которая еще опирается на стену из газоблока

Там используются 2 прута сверху и 2 снизу

справа видно ту часть, которая висит в воздухе. Ее ребята сделали глубже на 5см и дополнительно усилили еще 2-мя прутами арматуры.

attachment.php?attachmentid=587600&stc=1&d=1508328068

 

Ну и в последний момент еще вспомнил что мне надо как-то крепить брус ( на который лягут лаги перекрытия веранды) к стене. В результате короткой дискуссии решили что можно вывести из армпояса шпильки для крепления этого бруса, за которыми пришлось срочно мотнуться в эпицентр. Ну успел. Приехал бы затвра, уже ыло бы поздно :D

P_20171018_105233.thumb.jpg.11ccc51c862d6af33c78f32ebd6737fa.jpg

P_20171018_105623.thumb.jpg.8e95e9ecc7999cee6860065de6a5c978.jpg

P_20171018_105633.thumb.jpg.bfe0ea1159f619cecfae397f6e9628cd.jpg

P_20171018_105652.thumb.jpg.eda6c8f7d057d9ccacf81ef2947af9e3.jpg

P_20171018_105722.thumb.jpg.4509bb8ef187edea73d26d67faa3a391.jpg

P_20171018_105729.thumb.jpg.664e6fc337f752fc6496fba2d4bec832.jpg

P_20171018_105922.thumb.jpg.933dfb44123c9a803f12c051b2e56fe0.jpg

P_20171018_105949.thumb.jpg.0d48527f697e665631b8ba3d02cb9348.jpg

P_20171018_110018.thumb.jpg.249d8403138eba987625c2fd87f51c92.jpg

  • Лайк 2
Посилання на коментар
Поділитися на інших сайтах

Назрел еще вопрос по поводу шахты для чугунной топки.

Как я говорил ранее, хочется мне странного: чугунную топку, замурованную в шахту, а на чердаке собирать теплый воздух с этой шахты и при помощи вентилятора по воздуховодам разводить этот теплый воздух по комнатам.

Возник вопрос с необходимостью теплоизоляции этой шахты:

Поскольку шахта будет выполнена с газоблока 200мм, а газоблок сам по себе огнеустойчив и является теплоизолятором, то получается что внутри эту самую шахту ничем дополнительно изолировать не надо и можно оставить просто тупо голый газоблок.

Я правильно понимаю?

Посилання на коментар
Поділитися на інших сайтах

Створіть акаунт або увійдіть у нього для коментування

Ви маєте бути користувачем, щоб залишити коментар

Створити акаунт

Зареєструйтеся для отримання акаунта. Це просто!

Зареєструвати акаунт

Увійти

Вже зареєстровані? Увійдіть тут.

Увійти зараз
×
×
  • Створити...