Offroad Опубліковано: 27 травня 2018 Поділитись Опубліковано: 27 травня 2018 Є лінія 1 підсвітки фасаду і двору з 2 прохідними вимикачами і 4 світильниками. Є лінія 2 освітлення навісу для авто зі звичайним вимикачем і 3 світильниками. Хочу на вимикач лінії 1 додатково підключити 1 з 3 світильників лінії 2. Тобто щоб 1 з 3 світильників від лінії 2 міг незалежно вмикатись вимикачами обох ліній. Умовно хай там буде 100Вт 220В, встановлення на вулиці (мінусові температури). Наскільки розумію, достатньо на цей світильник поставити 2 діоди: перший не буде пускати струм з лінії 1 на 2, другий навпаки. Чи правильно мислю і який вид та номінал діодів мені треба? Заздалегідь дякую Посилання на коментар Поділитися на інших сайтах More sharing options...
igorjk Опубліковано: 27 травня 2018 Поділитись Опубліковано: 27 травня 2018 Боюсь что диоды вам не помогут. Они срезают полуволну, т.е. лампочка будет светиться в пол накала. Уже давненько, но кооператоры продавали диодики именно для подобных целей, и их даже многие использовали как подсветку, в парадных, например. Посилання на коментар Поділитися на інших сайтах More sharing options...
Петр 380 Опубліковано: 27 травня 2018 Поділитись Опубліковано: 27 травня 2018 Можно собрать на двух диодных мостах. Только прийдется взять питание не с выключателя линии #1, а со светильника этой линии. Если такой вариант устроит попробую прикрепить схемку. С мобильного не совсем удобно (( И ещё. Какие лампочки вы используете??? Если накаливания - получится. Посилання на коментар Поділитися на інших сайтах More sharing options...
engeneer Опубліковано: 27 травня 2018 Поділитись Опубліковано: 27 травня 2018 Самое простое и дешёвое - поставить плафон на две лампочки и запитать их от разных линий. Как вариант, можно поставить два контактора и протянуть (если возможно) дополнительный фазный провод. 1 Посилання на коментар Поділитися на інших сайтах More sharing options...
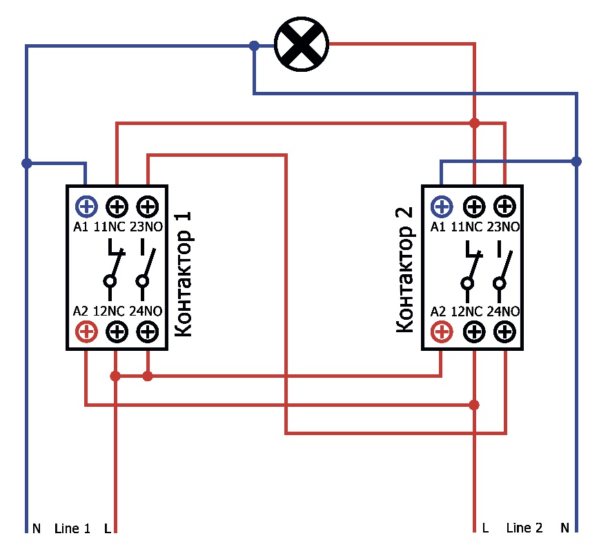
Offroad Опубліковано: 28 травня 2018 Автор Поділитись Опубліковано: 28 травня 2018 (змінено) igorjk, дякую, по діодах мені вже пояснили, що я не правий. По лампах - планую накалювання, але хотілося б універсальної схеми, щоб і ЛЕД працювали. По 2 лампах в плафоні теж думав, але так не технологічно... Почитав про контактори. А якщо поставити 2 контактори з парою різних контактів (NO та NC)? При увімкненні вимикача 1 через нормально відкритий контакт він не дасть живлення на лінію 2, аналогічно і при увімкненні вимикача 2. А при увімкненні обох вимикачів через послідовно підключені нормально закриті контакти обох контакторів світильник також буде працювати... Змінено 28 травня 2018 користувачем Offroad Посилання на коментар Поділитися на інших сайтах More sharing options...
Петр 380 Опубліковано: 28 травня 2018 Поділитись Опубліковано: 28 травня 2018 igorjk, дякую, по діодах мені вже пояснили, що я не правий. По лампах - планую накалювання, але хотілося б універсальної схеми, щоб і ЛЕД працювали. По 2 лампах в плафоні теж думав, але так не технологічно... Почитав про контактори. А якщо поставити 2 контактори з парою різних контактів (NO та NC)? При увімкненні вимикача 1 через нормально відкритий контакт він не дасть живлення на лінію 2, аналогічно і при увімкненні вимикача 2. А при увімкненні обох вимикачів через послідовно підключені нормально закриті контакти обох контакторів світильник також буде працювати... Нормально закрытые контакты использовать не нужно. На обоих контакторах подключите нормально открытые контакты. 1 Посилання на коментар Поділитися на інших сайтах More sharing options...
igorjk Опубліковано: 28 травня 2018 Поділитись Опубліковано: 28 травня 2018 А якщо поставити 2 контактори з парою різних контактів (NO та NC)? При увімкненні вимикача 1 через нормально відкритий контакт він не дасть живлення на лінію 2, аналогічно і при увімкненні вимикача 2. А при увімкненні обох вимикачів через послідовно підключені нормально закриті контакти обох контакторів світильник також буде працювати... Вы бы не гадали, а нарисовали бы схемку. Вот у меня ее нарисовать че то не получается. Посилання на коментар Поділитися на інших сайтах More sharing options...
Offroad Опубліковано: 28 травня 2018 Автор Поділитись Опубліковано: 28 травня 2018 Як я мислю: 1. Увімкнув окремо вимикач лінії 1. Контактор 1 без напруги, через нормально замкнений контакт лампа горить. Контактор 2 під напругою, нормально замкнений контакт розімкнувся і лінія 2 не горить. 2. Увімкнув окремо вимикач лінії 2. Контактор 2 без напруги, через нормально замкнений контакт лампа горить. Контактор 1 під напругою, нормально замкнений контакт розімкнувся і лінія 1 не горить. 3. Увімкнув обидві лінії. Обидва контактори під напругою, нормально замкнені контакти розімкнулись. Але в цей же час замкнулись нормально розімкнуті контакти на обох контакторах і послідовно прокладений через них кабель дав живлення лампі. Посилання на коментар Поділитися на інших сайтах More sharing options...
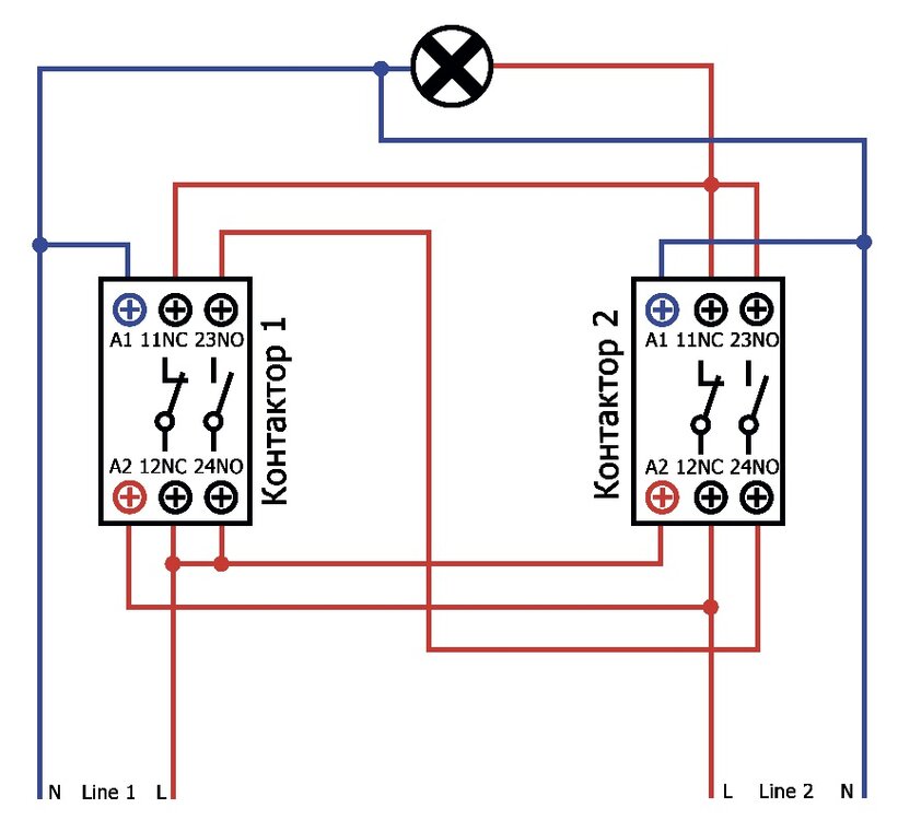
Петр 380 Опубліковано: 28 травня 2018 Поділитись Опубліковано: 28 травня 2018 А так не проще... 1 Посилання на коментар Поділитися на інших сайтах More sharing options...
Offroad Опубліковано: 28 травня 2018 Автор Поділитись Опубліковано: 28 травня 2018 В принципі, можна ж і нуль не розривати, тільки фазу. Тобто взяти навіть не 2 штуки 2NO контактора, а 1NO... Посилання на коментар Поділитися на інших сайтах More sharing options...
Петр 380 Опубліковано: 28 травня 2018 Поділитись Опубліковано: 28 травня 2018 У вас обе группы освещения запитаны от одного автомата? 1 Посилання на коментар Поділитися на інших сайтах More sharing options...
dip Опубліковано: 28 травня 2018 Поділитись Опубліковано: 28 травня 2018 Є лінія 1 підсвітки фасаду і двору з 2 прохідними вимикачами і 4 світильниками. Є лінія 2 освітлення навісу для авто зі звичайним вимикачем і 3 світильниками. Хочу на вимикач лінії 1 додатково підключити 1 з 3 світильників лінії 2. Тобто щоб 1 з 3 світильників від лінії 2 міг незалежно вмикатись вимикачами обох ліній. Умовно хай там буде 100Вт 220В, встановлення на вулиці (мінусові температури). Наскільки розумію, достатньо на цей світильник поставити 2 діоди: перший не буде пускати струм з лінії 1 на 2, другий навпаки. Чи правильно мислю і який вид та номінал діодів мені треба? Заздалегідь дякую Могу предложить 4 канальный модуль нашего производства с 4 каналами реле и 4 каналами выключателей. Можно запрограммировать нужный алгоритм - даже шире функционал, чем описан в требовании- подключить датчики движения, ... Разводка для выключателей и нагрузок - стандартная, выключатель размыкает фазу, на лампочку подается фаза. Можно будет включать лампы в нужной комбинации, реализовать функции проходного выключателя,... и другое. Модуль был разработан для нестандартных задач, которые сложно реализовать на магазинной электрике. Модуль занимает 4 юнита на дин рейке. Писал про него на форуме. Посилання на коментар Поділитися на інших сайтах More sharing options...
Петр 380 Опубліковано: 28 травня 2018 Поділитись Опубліковано: 28 травня 2018 Исправьте номинал автомата на шото другое И дайте ссылку на тему. Посилання на коментар Поділитися на інших сайтах More sharing options...
Seva1964 Опубліковано: 29 травня 2018 Поділитись Опубліковано: 29 травня 2018 Хочу на вимикач лінії 1 додатково підключити 1 з 3 світильників лінії 2. Тобто щоб 1 з 3 світильників від лінії 2 міг незалежно вмикатись вимикачами обох ліній. --- При включении линии 1 может одновременно включаться маломощный преобразователь переменного тока в постоянный. Пусть это будет, например, бездельничающее зарядное устройство для мобильного телефона. Если его низкую сторону присобачить к выводам катушки подходящего 5-вольтового реле на переключение, которое в выключенном состоянии коммутирует фазу светильника 2-й линии, то решение задачи становится совершенно очевидным. Самое простое и дешёвое - поставить плафон на две лампочки и запитать их от разных линий. --- Можно и так, конечно, но при включении двух линий будут светить обе лампы. Посилання на коментар Поділитися на інших сайтах More sharing options...
4587derek Опубліковано: 29 травня 2018 Поділитись Опубліковано: 29 травня 2018 достатньо одного реле з парою переключаючих контактів і обмоткою на 220 вольт. загальні виводи контактів підключаємо до лампочки, нормально замкнуті до лінії 1, нормально розимкнуті і обмотку реле до лінії 2. Так при появі напруги , на лінії 1 лампа буде світитись через нормально замкнуті контакти реле. При появі напруги на лінії 2, реле підтягнеться, і відключить лампу від лінії 1 та підключить її до лінії 2. 2 Посилання на коментар Поділитися на інших сайтах More sharing options...
Seva1964 Опубліковано: 29 травня 2018 Поділитись Опубліковано: 29 травня 2018 достатньо одного реле з парою переключаючих контактів і обмоткою на 220 вольт. загальні виводи контактів підключаємо до лампочки, нормально замкнуті до лінії 1, нормально розимкнуті і обмотку реле до лінії 2. Так при появі напруги , на лінії 1 лампа буде світитись через нормально замкнуті контакти реле. При появі напруги на лінії 2, реле підтягнеться, і відключить лампу від лінії 1 та підключить її до лінії 2. --- Ваш пост можно рассматривать, как последовательное приближение к наилучшему решению поставленной задачи. Но без ссылки на предыдущее сообщение это выглядит и называется совсем по другому. Посилання на коментар Поділитися на інших сайтах More sharing options...
dip Опубліковано: 29 травня 2018 Поділитись Опубліковано: 29 травня 2018 Не мучайте автора вопроса этими релеями-схемами. Посилання на коментар Поділитися на інших сайтах More sharing options...
Offroad Опубліковано: 29 травня 2018 Автор Поділитись Опубліковано: 29 травня 2018 Чого ж не мучати. Якщо в нас тут буде пару робочих схем, кожен зможе вибрати для себе оптимальну. Я для себе питання начебто вирішив (уже замовив контактори), схема з ними мені зрозуміла. Схему від 4587derek я, наприклад, не зрозумів, але може вона комусь здасться кращою... Ну а фугкціонал від dip мені теж не потрібен... У вас обе группы освещения запитаны от одного автомата? Так, хоча по моїй першій схемі можна зробити живлення від різних ліній. Посилання на коментар Поділитися на інших сайтах More sharing options...
4587derek Опубліковано: 29 травня 2018 Поділитись Опубліковано: 29 травня 2018 художник з мене не дуже, але для загального розумінняБезымянный 12.rar Посилання на коментар Поділитися на інших сайтах More sharing options...
dip Опубліковано: 29 травня 2018 Поділитись Опубліковано: 29 травня 2018 Чого ж не мучати. Якщо в нас тут буде пару робочих схем, кожен зможе вибрати для себе оптимальну. Я для себе питання начебто вирішив (уже замовив контактори), схема з ними мені зрозуміла. Схему від 4587derek я, наприклад, не зрозумів, але може вона комусь здасться кращою... Ну а фугкціонал від dip мені теж не потрібен... Так, хоча по моїй першій схемі можна зробити живлення від різних ліній. И достаточно такого алгоритма для каналов?? Если у вас свет на улице-террасе, то возможно кто-то захочет включать лампы от датчика движения, выключать выключателем. Если свет во дворе дома, то удобно, чтобы включалась лампа при звонке в калитке,..... проходные выключатели поставить на се каналы,... много еще чего. И что ваши контакторы смогут тут сделать?? Посилання на коментар Поділитися на інших сайтах More sharing options...
4587derek Опубліковано: 29 травня 2018 Поділитись Опубліковано: 29 травня 2018 по даному вопросу, достаточно одного реле, за 15-20 грн, установленного прямо в светильнике. 1 Посилання на коментар Поділитися на інших сайтах More sharing options...
Seva1964 Опубліковано: 30 травня 2018 Поділитись Опубліковано: 30 травня 2018 (змінено) по даному вопросу, достаточно одного реле, за 15-20 грн, установленного прямо в светильнике. --- Чтобы установить такое реле прямо в светильнике, понадобится ещё и клеммная колодка на четыре пары пары проводников с парой саморезов, а чтобы подключить его к первой линии нужен не совсем бесплатный провод 2х1,5 подходящей длины. Но в любом случае, это наилучшее инженерное решение для поставленной задачи и ТС вполне может воспользоваться инструментом "личные сообщения" с целью задонатить вам, скажем, ящик пива. Змінено 2 червня 2018 користувачем #roofinspector Посилання на коментар Поділитися на інших сайтах More sharing options...
Dr.Yura Опубліковано: 30 травня 2018 Поділитись Опубліковано: 30 травня 2018 --- Чтобы установить такое реле прямо в светильнике, понадобится ещё и клеммная колодка на четыре пары пары проводников с парой саморезов, а чтобы подключить его к первой линии нужен не совсем бесплатный провод 2х1,5 подходящей длины. Но в любом случае, это наилучшее инженерное решение для поставленной задачи и ТС вполне может воспользоваться инструментом "личные сообщения" с целью задонатить вам, скажем, ящик пива. Если, разумеется, не захочет в следующий раз остаться со своими вопросами один-на-один с толпой "консультантов" вроде Dalet. яким боком тут користувач Dalet ??? Ж-) Посилання на коментар Поділитися на інших сайтах More sharing options...
Seva1964 Опубліковано: 30 травня 2018 Поділитись Опубліковано: 30 травня 2018 яким боком тут користувач Dalet ??? Ж-) --- Брехливим. Посилання на коментар Поділитися на інших сайтах More sharing options...
Dr.Yura Опубліковано: 30 травня 2018 Поділитись Опубліковано: 30 травня 2018 --- Брехливим. прошу факти тут навести. 2.2. На форуме запрещены: ****** 2.2.10. Размещение ложной, непроверенной, основанной на слухах информации без явного указания, что такая информация является недостоверной и/или непроверенной. Посилання на коментар Поділитися на інших сайтах More sharing options...
Рекомендовані повідомлення
Створіть акаунт або увійдіть у нього для коментування
Ви маєте бути користувачем, щоб залишити коментар
Створити акаунт
Зареєструйтеся для отримання акаунта. Це просто!
Зареєструвати акаунтУвійти
Вже зареєстровані? Увійдіть тут.
Увійти зараз