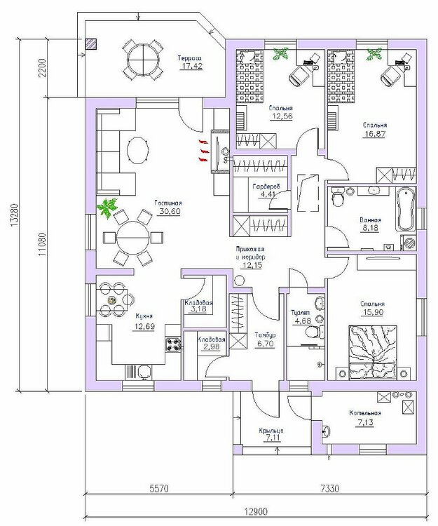
16012 Опубліковано: 20 вересня 2018 Поділитись Опубліковано: 20 вересня 2018 Здравствуйте форумчани, хочу услышать Ваше мнение по моему проекту - удачна ли планировка - насколько он будет сложным в исполнении - какие лучше материалы применить для возведения стен и перекрытий - насколько сложно сделать кровлю в данном проекте 2 Посилання на коментар Поділитися на інших сайтах More sharing options...
jenkins Опубліковано: 20 вересня 2018 Поділитись Опубліковано: 20 вересня 2018 - планировка лично мне нравится. Вполне пригодна для жизни. - каких то особых трудностей не видно, кроме перекрытия - тут непонятно какое оно запланировано? Визуально не хватает опоры посредине дома, в виде средней снеки или колоны \ колон. - мастериаллы стен - это вопрос религиозный. Лично мое мнение - кирпич (250мм) + утеплитель 150-200мм. Перекрытие зависит от плана несущих стен, лично я бы смотрел в сторону монолита или плит перекрытия или теривы. - конструктив кровли и сложность зависит от типа перекрытия, расположения несущих стен. Перекрытие и крышу можно сделать одним целым используя готовые деревянны фермы. А вцелом сложность кровли +- такая же как на множестве других домов. Одна сложность видится в инженерке - водопровод (холодный и гарячий), канализация - кухня, котельная, санузлы разбросаны с разных сторон. Идеально - когда все это находится рядом. Это не является конечно существенной проблемой, однако немного трудностей таки добавит. А вцелом - норм. 4 Посилання на коментар Поділитися на інших сайтах More sharing options...
16012 Опубліковано: 20 вересня 2018 Автор Поділитись Опубліковано: 20 вересня 2018 спасибо за ответ материалы для стен планирую газабетон Д400 Как Вы считаете на сколько хуже кирпича? Перекрытие дерево сильно и чем плохо? Что бы Вы изменили в плане дома? Как Вам размещение котельни отдельно? Посилання на коментар Поділитися на інших сайтах More sharing options...
NEX-HELP Опубліковано: 20 вересня 2018 Поділитись Опубліковано: 20 вересня 2018 Здравствуйте форумчани, хочу услышать Ваше мнение по моему проекту - удачна ли планировка - насколько он будет сложным в исполнении - какие лучше материалы применить для возведения стен и перекрытий - насколько сложно сделать кровлю в данном проекте Конечно кирпич,это прочный,экологичный и теплый материал,я имею ввиду блоки-паратерм. Но если сравнивать с двойным кирпичом(2НФ) где требуется подготовка и утепление и со всем затяжным гемором, то выгоднее крупноформатные блоки,быстрая кладка и без доп-утепления. Но,лучше посмотреть,если Б.Даниловка не далеко от Вас. Там все можно увидеть,и стеновые теплые блоки и внутрение(мощные с dB) и теплое керамическое перекрытие. Посилання на коментар Поділитися на інших сайтах More sharing options...
16012 Опубліковано: 20 вересня 2018 Автор Поділитись Опубліковано: 20 вересня 2018 Где смотреть на Б. Даниловке, дайте пожайлуста координаты- Посилання на коментар Поділитися на інших сайтах More sharing options...
jenkins Опубліковано: 20 вересня 2018 Поділитись Опубліковано: 20 вересня 2018 спасибо за ответ материалы для стен планирую газабетон Д400 Как Вы считаете на сколько хуже кирпича? Перекрытие дерево сильно и чем плохо? Что бы Вы изменили в плане дома? Как Вам размещение котельни отдельно? Хуже лучше кирпича - не совсем правильно рассуждать. Есть преимущества и недостатки обеих вариантов (и других видов стен). Я строю из газобетона, однако в иной раз скорее всего строил бы из кирпича+утеплитель. Можно много написать на эту тему, на форумах вечные холивары, не хочется развивать еще один. Я лишь озвучил свое мнение. У других оно будет другое - это нормально. Мои аргументы такие: 1) при толщине утеплителя более 150мм материалл самой стены никакой роли в утеплении почти не играет. 2) газобетон с завода выходит влажным, и до отделки желательно выждать не менее 2лет - иначе трещинки на штукатурке неизбежны. 3) кирпич будучи хорошо утепленным будет играть роль огромного теплоаккумулятора, а это элемент теплосбережения и улучшения микроклимата. Это потому что температура всей кирпичной стены будет близка к комнатной температуре, а весь перепад температуры будет внутри утеплителя. Однослойная стена этого преимущества не имеет. Деревянное перекрытие как правило ввходит дороже монолитного и при этом муторнее - много возни и мороки. В плане дома я особо ничего не менял бы, мне нравится. Но это лишь мое мнение 3 Посилання на коментар Поділитися на інших сайтах More sharing options...
Rora Опубліковано: 20 вересня 2018 Поділитись Опубліковано: 20 вересня 2018 практически польский Z10 Посилання на коментар Поділитися на інших сайтах More sharing options...
tort Опубліковано: 20 вересня 2018 Поділитись Опубліковано: 20 вересня 2018 практически польский Z10 Тільки здавили по довжині і тепер це ширина. І вже зовсім інше планування. Посилання на коментар Поділитися на інших сайтах More sharing options...
vovova Опубліковано: 21 вересня 2018 Поділитись Опубліковано: 21 вересня 2018 Здравствуйте форумчани, хочу услышать Ваше мнение по моему проекту - насколько сложно сделать кровлю в данном проекте Наблюдаю, как строится такой (или очень похожий) дом из кирпича в Новоселках (что за Хотяновкой). Несущие кровли варили из швеллеров, потом пришивали стропила... Больше месяца уже танцуют с кровлей и конца не видно. Посилання на коментар Поділитися на інших сайтах More sharing options...
Татьяна5 Опубліковано: 21 вересня 2018 Поділитись Опубліковано: 21 вересня 2018 Там фермы на кровле, но наши кулибины любят варить Посилання на коментар Поділитися на інших сайтах More sharing options...
vadimv Опубліковано: 21 вересня 2018 Поділитись Опубліковано: 21 вересня 2018 лично я бы смотрел в сторону монолита или плит перекрытия или теривыА я бы сделал несущую стену по центру и перекрылся деревянными балками 100х250. Заодно и крышу бы упростил до двускатки. 8 Посилання на коментар Поділитися на інших сайтах More sharing options...
ПГС-Проект Опубліковано: 21 вересня 2018 Поділитись Опубліковано: 21 вересня 2018 Рациональный проект. В плане не понятно с несущими имхо. Монолит в данном случае нет смысла делать(если вы не являетесь собственником инвентарной опалубки и кумом директора бетонного узла одновременно). Перекрытие по дереву будет самое оно(с несущей по центру). Четырехскатная будет симпатичнее чем двухскатная(если не стоит задача в эксплуатируемом чердаке и удешевлении самого конструктива кровли). 3 Посилання на коментар Поділитися на інших сайтах More sharing options...
Gonchik Опубліковано: 21 вересня 2018 Поділитись Опубліковано: 21 вересня 2018 Рациональный проект. В плане не понятно с несущими имхо. Монолит в данном случае нет смысла делать(если вы не являетесь собственником инвентарной опалубки и кумом директора бетонного узла одновременно). Перекрытие по дереву будет самое оно(с несущей по центру). Четырехскатная будет симпатичнее чем двухскатная(если не стоит задача в эксплуатируемом чердаке и удешевлении самого конструктива кровли). Мне больше нравится двускатная, чем шатровая, но на такой ширине здания она будет выглядеть несуразно при малом угле наклона. При 30+ большие фронтоны и громоздкое здание. У меня сейчас при ширине 12,5 и угле наклона около 40 именно так. 1 Посилання на коментар Поділитися на інших сайтах More sharing options...
ПГС-Проект Опубліковано: 21 вересня 2018 Поділитись Опубліковано: 21 вересня 2018 но на такой ширине здания она будет выглядеть несуразно при малом угле наклона. При 30+ большие фронтоны и громоздкое здание Пропорции дома не всегда позволяют выбрать форму кровли. Посилання на коментар Поділитися на інших сайтах More sharing options...
NEX-HELP Опубліковано: 21 вересня 2018 Поділитись Опубліковано: 21 вересня 2018 Где смотреть на Б. Даниловке, дайте пожайлуста координаты- На Апрельской-7,подойдете и спросите,..тел.пока не могу дать без разрешения хозяина.Вам в личку написали. Посилання на коментар Поділитися на інших сайтах More sharing options...
16012 Опубліковано: 21 вересня 2018 Автор Поділитись Опубліковано: 21 вересня 2018 Добрый вечер. Всем спасибо за отзывы и советы. Действительно понравилься z10 под него и смотрел. Только не нравился туалет по средине дома. В моем плане дома, не узкий гостевой сан узел? И несучие стены мне предлогают сделать как на ресунке (выделил красным) или лучше, как раньше советовали? Посилання на коментар Поділитися на інших сайтах More sharing options...
jenkins Опубліковано: 21 вересня 2018 Поділитись Опубліковано: 21 вересня 2018 Санузел не узкий, сойдет. Даже если окажется узким - можно трон под углом к стене поставить а не перпендикулярно. Несущие стены можно сделать и так как на вашем рисунке. Можно еще как то. Однако этот вопрос тесно взаимосвязан с типом перекрытия. Поэтому определитесь с перекрытием - тогда и с несущими будет понятнее. 2 Посилання на коментар Поділитися на інших сайтах More sharing options...
vadimv Опубліковано: 22 вересня 2018 Поділитись Опубліковано: 22 вересня 2018 определитесь с перекрытием - тогда и с несущими будет понятнее.Как говорил один архитектор в своем блоге: есть такой метод проектирования - сверху вниз: сначала проектируется крыша, потом проектируются несущие стены или колонны в местах опирания крыши, потом под эти стены проектируется фундамент, с учетом геологии. 1 Посилання на коментар Поділитися на інших сайтах More sharing options...
16012 Опубліковано: 22 вересня 2018 Автор Поділитись Опубліковано: 22 вересня 2018 Подскажите на схеме котельня отдельно. Может перенести ее как-то в дом? Например, вместо кладовки. Тогда и труб будет меньше и к кухни ближе. Вот только смущает хватит ли 3 кв.м для котельни? Посилання на коментар Поділитися на інших сайтах More sharing options...
jenkins Опубліковано: 22 вересня 2018 Поділитись Опубліковано: 22 вересня 2018 Топливо котельной какое? Если чисто электрика или газ - пожалуй хватит. Если дрова - точно нет. Если ядерное топливо - то и села может не хватить Посилання на коментар Поділитися на інших сайтах More sharing options...
Скромный прораб Опубліковано: 22 вересня 2018 Поділитись Опубліковано: 22 вересня 2018 И несучие стены мне предлогают сделать как на ресунке (выделил красным) или лучше, как раньше советовали? Что бы жизнь в доме была комфортной, надо подумать о звукоизоляции, о толщине стен между комнатами, не говоря уже о соседстве с санузлами. Идеально из кирпича толщиной 250мм (в кирпич), необходимые несущие стены появятся само собой 2 Посилання на коментар Поділитися на інших сайтах More sharing options...
tort Опубліковано: 23 вересня 2018 Поділитись Опубліковано: 23 вересня 2018 (змінено) И несучие стены мне предлогают сделать как на ресунке (выделил красным) или лучше, как раньше советовали?Щось дивне і незрозуміле вам пропонують, як позначено червоним. Варіант з центральною стінкою набагато краще. Перенести котельню в дім добра ідея. Вона вам гроші зекономить сильно, але в одночас, у пошуках площі під комору і котельню, ви зрозумієте чому z10 витянутий по вхідному фасаду, а не по боковому. 3м2 того може вийти невдосталь. Все від обладнання залежить. Який бак, який котел, плюс вимоги доступу до обладнання почитайте: по фронту 1м, збоків по 0,5м. Доречі помітив що двері у маленькі приміщення відкриваються в середину. Навіщо так робити? У вас площа в коморі більш цінніша ніж у проході чи коридорі. А через ті двері і розвернутись ніде. У котельню точно шо так робити не можна. апд. Надибав тему на форумі. Здається що вам намалювали Z24. Дуже схоже планування. Зрозуміло стало чого такі несучі. Тільки замість котельні посеред хати гардероб розмістили, а саму котельню винесли. Загляньте туди, там видно що воно буде з того. Змінено 23 вересня 2018 користувачем tort 1 Посилання на коментар Поділитися на інших сайтах More sharing options...
16012 Опубліковано: 25 вересня 2018 Автор Поділитись Опубліковано: 25 вересня 2018 Скажите, котельня лучше в доме или отдельно? Что бы Вы в планировке изминили? Посилання на коментар Поділитися на інших сайтах More sharing options...
jenkins Опубліковано: 25 вересня 2018 Поділитись Опубліковано: 25 вересня 2018 Лучше чтобы был вход в котельню изнутри дома. Особенно если речь идет о всяких твердотопливных котлах. Их нужно топить один-два-три раза в день подкидать дрова. В варианте как сейчас - по морозу в трусняках на улицу выходить через крыльцо - наверное не лучшая идея. 1 Посилання на коментар Поділитися на інших сайтах More sharing options...
Michael_A Опубліковано: 25 вересня 2018 Поділитись Опубліковано: 25 вересня 2018 Планировка не плохая, можно сказать даже удобная. Но посчитайте сколько Вам придется строить дымоходов и вент-каналов! Такой разброс неизбежно приводит к удорожанию. Может стоить заказать индивидуальный проект, с привязкой к участку? Сами помещения оптимальные по площади, как на мой взгляд. Котельная возле входа располагается. 1 Посилання на коментар Поділитися на інших сайтах More sharing options...
Рекомендовані повідомлення
Створіть акаунт або увійдіть у нього для коментування
Ви маєте бути користувачем, щоб залишити коментар
Створити акаунт
Зареєструйтеся для отримання акаунта. Це просто!
Зареєструвати акаунтУвійти
Вже зареєстровані? Увійдіть тут.
Увійти зараз