tansss Опубліковано: 4 лютого 2020 Автор Поділитись Опубліковано: 4 лютого 2020 Це означає , що інструкцію аерок писали "приєзжие" Не, приезжие никак не сподобятся на то чтобы выложить эскиз! Посилання на коментар Поділитися на інших сайтах More sharing options...
andrey_ka Опубліковано: 4 лютого 2020 Поділитись Опубліковано: 4 лютого 2020 Не, приезжие никак не сподобятся на то чтобы выложить эскиз! 1 Посилання на коментар Поділитися на інших сайтах More sharing options...
tansss Опубліковано: 4 лютого 2020 Автор Поділитись Опубліковано: 4 лютого 2020 Может всё таки из ДЕЙСТВУЮЩЕЙ ИНСТРУКЦИИ альбома Аэрок что то найдёте? Эти малюнки оставьте себе на память! Посилання на коментар Поділитися на інших сайтах More sharing options...
andrey_ka Опубліковано: 4 лютого 2020 Поділитись Опубліковано: 4 лютого 2020 Может всё таки из ДЕЙСТВУЮЩЕЙ ИНСТРУКЦИИ альбома Аэрок что то найдёте? Эти малюнки оставьте себе на память! Я Вас зрозумів. 1 Посилання на коментар Поділитися на інших сайтах More sharing options...
tansss Опубліковано: 4 лютого 2020 Автор Поділитись Опубліковано: 4 лютого 2020 Подытожу моменты дискуссии. Фронтоны... если являются частью несущей конструкции дома - то в них ОБЯЗАТЕЛЬНО нужно предусмотреть доп ЖБ пояса или колонны. Если это только декоративная часть, то достаточно стандартного армирования. Армирование по скату фронтона - полумера для несущих характеристик, перебор - для декора! Потому и этот момент удалён из старых рекомендаций 1 Посилання на коментар Поділитися на інших сайтах More sharing options...
Dendnepr Опубліковано: 5 лютого 2020 Поділитись Опубліковано: 5 лютого 2020 У меня именно колонна :D 2 Посилання на коментар Поділитися на інших сайтах More sharing options...
Dendnepr Опубліковано: 5 лютого 2020 Поділитись Опубліковано: 5 лютого 2020 Прошу прокомментировать целесообразность бетонных колон в доме с мансардой. Для наглядности можно на моем примере: У себя делал колонны по углам+в местах примыкания внутренних стен и вентканалов к наружной стене. По моей логике, колонны связывающие мауэрлат, армопояс и обвязочный пояс перекрытия дают возможность не закольцовывать армопояс мауэрлата на мансарде, а делать только под мауэрлат. Колонны работают, как консоль, в случае возникновения распорных усилий от кровли. 1 Посилання на коментар Поділитися на інших сайтах More sharing options...
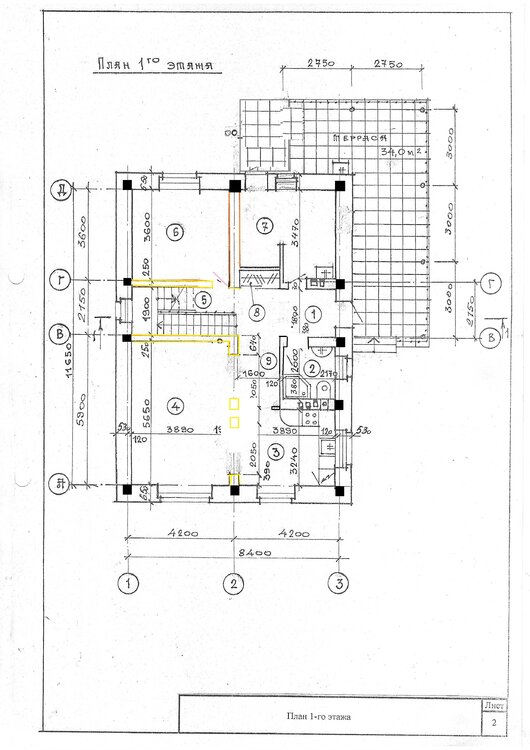
tansss Опубліковано: 5 лютого 2020 Автор Поділитись Опубліковано: 5 лютого 2020 Выложите плз планировку мансардного этажа с указанием мест колонн и конструкцию кровли. Тогда вмести подумаем... Насчёт консоли (жёсткое крепление) колонны...если вы действительно выполнили узел опоры колонны как "заделка" то они работают ( какую то часть скомпенсируют......) Посилання на коментар Поділитися на інших сайтах More sharing options...
Dendnepr Опубліковано: 5 лютого 2020 Поділитись Опубліковано: 5 лютого 2020 колонны идут сплошным каркасом (с перехлестами в месте стыковок 0.5-1 метр) из фундамента, сквозь армпопояс перекрытия и до самого армопояса маурлата. ну и из примыкающих стен в них заходит арматура газоблоков и кладочная сетка из кирпичных стен. по центру фронтонов до самого конька крыши пока нет. планирую безраспортную. колонны заливались в три этапа: 1) собственно сам мфундамент с выпуском арматуры, 2) вместе с поясом под плиты с выпуском арматуры 3) вместе с поясом под мауэрлат. Посилання на коментар Поділитися на інших сайтах More sharing options...
tansss Опубліковано: 5 лютого 2020 Автор Поділитись Опубліковано: 5 лютого 2020 3) вместе с поясом под мауэрлат. Ну... такая себе заделка "на троечку с минусом" . Еслиб верхние колонны лились вместе с поясом под плиты тады дааа! Давайте планировку... Посилання на коментар Поділитися на інших сайтах More sharing options...
Dendnepr Опубліковано: 5 лютого 2020 Поділитись Опубліковано: 5 лютого 2020 черненькие квадратики-колонны. колоннами увеличил массу пояса мауэрлата. ну и арматура вертикальная держит, как консоль Посилання на коментар Поділитися на інших сайтах More sharing options...
tansss Опубліковано: 5 лютого 2020 Автор Поділитись Опубліковано: 5 лютого 2020 Прошу прокомментировать целесообразность бетонных колон в доме с мансардой. Для наглядности можно на моем примере: Моё мнение... Колонны что то делают и сколько то жёсткости добавляют. Но в связи с тем что залиты не верно их эффективность работы на изгиб как стойки с жёсткой заделкой стремится к нулю. Мои рекомендации... Вы делали колонны для компенсации распора. Если вы зальёте плоский поясок с плоским каркасом по стене ось 2 и перегородкам осей В и Г на обе стороны от оси 2, связав его с поясом под мауэр получите очень жёсткую конструкцию Не пугайтесь наклонных частей пояса. Этот поясок ещё и поможет вам опереть что то из стропильной части. Посилання на коментар Поділитися на інших сайтах More sharing options...
Dendnepr Опубліковано: 5 лютого 2020 Поділитись Опубліковано: 5 лютого 2020 Для будущих поколений застройщиков: поясните, в чем неверность сооружения колонн? Посилання на коментар Поділитися на інших сайтах More sharing options...
Dendnepr Опубліковано: 5 лютого 2020 Поділитись Опубліковано: 5 лютого 2020 Выпуск арматуры на колонны. . Обвязка плит, арматурный каркас к обвязочного пояса. Потом установка следующих каркасов и заливка обвязочного пояса. Ну и кладочная сетка из стен Выпуск арматуры из нижнего каркаса в верхний, сквозь армопояс видно тут Посилання на коментар Поділитися на інших сайтах More sharing options...
tansss Опубліковано: 5 лютого 2020 Автор Поділитись Опубліковано: 5 лютого 2020 Для будущих поколений застройщиков: поясните, в чем неверность сооружения колонн? Колонны работают, как консоль, в случае возникновения распорных усилий от кровли. Если вы хотите, чтобы колонна со свободным верхним концом работала на изгиб, колонна должна заливаться МОНОлитно с НИЖНЕЙ опорой (пояс пд ПК в вашем случае). А так получается что в месте где максимальный момент у вас работает не ЖЕЛЕЗОБЕТОН а только железо, а бетон уже как бы треснул (поскольку он не срощен с нижним основанием) Посилання на коментар Поділитися на інших сайтах More sharing options...
Dendnepr Опубліковано: 5 лютого 2020 Поділитись Опубліковано: 5 лютого 2020 Здрасьте, мордасте, а с каких это пор бетон работает на растяжение????? :D:lol: Посилання на коментар Поділитися на інших сайтах More sharing options...
tansss Опубліковано: 5 лютого 2020 Автор Поділитись Опубліковано: 5 лютого 2020 Здрасьте, мордасте, а с каких это пор бетон работает на растяжение????? :D:lol: Бетон или ЖЕЛЕЗОбетон?;) Посилання на коментар Поділитися на інших сайтах More sharing options...
Dendnepr Опубліковано: 5 лютого 2020 Поділитись Опубліковано: 5 лютого 2020 В ЖЕЛЕЗОБЕТОН все тоже самое. ;) Бетон на сжатие. Арматура на растяжение. Не? Посилання на коментар Поділитися на інших сайтах More sharing options...
tansss Опубліковано: 5 лютого 2020 Автор Поділитись Опубліковано: 5 лютого 2020 Здрасьте, мордасте, а с каких это пор бетон работает на растяжение????? В ЖЕЛЕЗОБЕТОН все тоже самое. Бетон на сжатие. Арматура на растяжение. Не? Вы это всё к чему затеяли ? Посилання на коментар Поділитися на інших сайтах More sharing options...
Dendnepr Опубліковано: 5 лютого 2020 Поділитись Опубліковано: 5 лютого 2020 Для почвы к раздумьям. Что я неправильно сделал. Наука последователям. Посилання на коментар Поділитися на інших сайтах More sharing options...
razzil Опубліковано: 6 лютого 2020 Поділитись Опубліковано: 6 лютого 2020 Я думаю, когда колонна залита отдельно от основания, то при приложении горизонтальной силы к верхнему концу колонны, четко намечается ось, вокруг которой колонна стремится провернуться, это стык колонны и основания. А когда конструкция монолитная, то точка наибольшего напряжения тоже где-то в том месте, у основания, но она четко не обозначена. Часть горизонтально направленной силы все ж будет передаваться через бетон основанию. Просто размышления вслух, могу быть неправ. Посилання на коментар Поділитися на інших сайтах More sharing options...
Dendnepr Опубліковано: 6 лютого 2020 Поділитись Опубліковано: 6 лютого 2020 колонна стоит на основании. между старым и новым бетоном нет воздушной прослойки т.е. верхний слой бетона давит на нижний слой бетона также из основания выходит каркас из арматуры 10-12-14 мм . он замоноличен в основании и в колонне. плюс в колонну через каждые 30 см заходит кладочная сетка из кирпичных стен шириной 250-380 мм. плюс через каждые 600-800 мм арматура 8 мм из газобетона. кто-то может сказать "во сколько" раз ухудшилось свойства колонны для поперечного усилия от может быть возможного распора крыши? насколько масса крыши может сдвинуть массу армопояса мауэрлата, усиленного колоннами, с арматурой, уходящей аж до фундамента? Или вопрос по другому: насколько это крепче, чем просто незакольцованный пояс под мауэрлат? Рационально ли было это делать? или достаточно было залить пояс 200*200 мм без всяких колонн и потом трястись-а не разъедутся ли стены? И вообще-я считаю-это я сильно перестраховался. Но не хочется иметь трещины в стенах, от распора. Тем на форуме с фотками-хватает. Я не говорю, что это очень правильно. Наоборот, хочу выяснить, а надо ли было? В напутствие новым последователям. 1 Посилання на коментар Поділитися на інших сайтах More sharing options...
tansss Опубліковано: 6 лютого 2020 Автор Поділитись Опубліковано: 6 лютого 2020 Ваш вопрос и просьба прокомментировать целесообразность колонн на ВАШЕМ примере и по и ВАШЕЙ логике. Простейшие вещи... Учебник сопромата или теор механики... Стойка (балка) со схемой нагружения "свободный конец" при воздействии поперечной силы изгибается и МАКСИМАЛЬНЫЙ изгиб. момент - в заделке. Итак... при заливке стойки как у Dendnepr в сечении заделки отсутствует соединение бетона стойки с бетоном основания заделки (заделка - принимается что площадь сечения стремится к бесконечности), таким образом в этом сечении НА ИЗГИБ работают ТОЛЬКО пруты арматуры выпущенные из основания! Для понимания и закрепления задаю вопрос... У кого то есть сомнения что стойка с треснувшим поперёк БЕТОНОМ прекращает СОВМЕСТНУЮ работу железа и бетона? И теряет расчётные параметры? По факту у Dendnepr так и получилось из-за холодного шва при заливке Я предлагаю и прошу Модераторов выпилить дискуссию о колоннах и Сопромате в отдельную тему Посилання на коментар Поділитися на інших сайтах More sharing options...
Dendnepr Опубліковано: 6 лютого 2020 Поділитись Опубліковано: 6 лютого 2020 таким образом в этом сечении НА ИЗГИБ работают ТОЛЬКО пруты арматуры выпущенные из основания! справедливости ради "НА ИЗГИБ" арматура не работает. вернее это не предназначение ее. она работает на растяжение. И держит вместе верхнюю часть колонны и основание. Это и есть предназначение арматуры. для того ее туда и закладывают. т У кого то есть сомнения что стойка с треснувшим поперёк БЕТОНОМ прекращает СОВМЕСТНУЮ работу железа и бетона? И теряет расчётные параметры? несколько вопросов: из трещины выпали частички бетона? между двумя частями есть зазор? в том месте, где работа идет на сжатие? есть такой параметр для ЖБ изделий "РАСКРЫТИЕ трещины" та же плита перекрытия- в нижней части может открываться видимые трещины. и это нормальная работа изделия Как льют каркасы многоэтажных домов? За один раз? Или там есть холодные швы? Добавлено через 1 минуту Я предлагаю и прошу Модераторов выпилить дискуссию о колоннах и Сопромате в отдельную тему Повторю вопрос: а надо ли было заморачиваться с колоннами? Есть от них польза? 1 Посилання на коментар Поділитися на інших сайтах More sharing options...
tansss Опубліковано: 6 лютого 2020 Автор Поділитись Опубліковано: 6 лютого 2020 справедливости ради "НА ИЗГИБ" арматура не работает Справедливости ради она работает на изгиб, также как и ПК (как единое целое ) НО!!! Атомарные связи в кристаллической решётке стали действительно работают только на осевые нагрузки. та же плита перекрытия- в нижней части может открываться видимые трещины. и это нормальная работа изделия Ошибаетесь - поперечная трещина в нижней части ПК гопорит о том, что превышен придел прочности детали и наступило разрушение! Добавлено через 2 минуты Повторю вопрос: а надо ли было заморачиваться с колоннами? Есть от них польза? Повторю ответ Моё мнение... Колонны что то делают и сколько то жёсткости добавляют. Но в связи с тем что залиты не верно их эффективность работы на изгиб как стойки с жёсткой заделкой стремится к нулю. Мои рекомендации... Вы делали колонны для компенсации распора. Если вы зальёте плоский поясок с плоским каркасом по стене ось 2 и перегородкам осей В и Г на обе стороны от оси 2, связав его с поясом под мауэр получите очень жёсткую конструкцию Не пугайтесь наклонных частей пояса. Этот поясок ещё и поможет вам опереть что то из стропильной части. 1 Посилання на коментар Поділитися на інших сайтах More sharing options...
Рекомендовані повідомлення
Створіть акаунт або увійдіть у нього для коментування
Ви маєте бути користувачем, щоб залишити коментар
Створити акаунт
Зареєструйтеся для отримання акаунта. Це просто!
Зареєструвати акаунтУвійти
Вже зареєстровані? Увійдіть тут.
Увійти зараз