senal Опубліковано: 5 вересня 2020 Поділитись Опубліковано: 5 вересня 2020 Здравствуйте! Принесли на ремонт ИБП Powercom BNT-1000AP. Одна батарея была разряжена до 10 Вольт. Батарею заменил. При включении без нагрузки от сети на выходе 224 В, от аккумуляторов 190 В. При подключенной нагрузке, 100-ваттной лампочке, он не включается вообще, ни от сети, ни от аккумуляторов. Если включить без нагрузки, а потом нагрузку подключить, то сразу же выключается в обоих случаях. Неисправных полупроводников, горелых резисторов не обнаружил. Может, кто-то подскажет, в чем может быть причина? Посилання на коментар Поділитися на інших сайтах More sharing options...
iiigolkin Опубліковано: 5 вересня 2020 Поділитись Опубліковано: 5 вересня 2020 Здравствуйте! Принесли на ремонт ИБП Powercom BNT-1000AP. Одна батарея была разряжена до 10 Вольт. Батарею заменил. При включении без нагрузки от сети на выходе 224 В, от аккумуляторов 190 В. При подключенной нагрузке, 100-ваттной лампочке, он не включается вообще, ни от сети, ни от аккумуляторов. Если включить без нагрузки, а потом нагрузку подключить, то сразу же выключается в обоих случаях. Неисправных полупроводников, горелых резисторов не обнаружил. Может, кто-то подскажет, в чем может быть причина? Ну например — в жарком лете и ковиде одновременно. При доставке аккумуляторов из далекого Китая летом, в жару, и задержке доставки — они успевают разрядиться и даже засульфатироваться. Эта проблема обострилась около 10 лет назад (массово тогда кажется впервые стали сталкиваться закупщики), когда стали добавлять кальций в состав пластин, уже мало кто помнит — зачем. Что-то там должно было улучшиться, но едва ли это кто запомнил, бо не проявилось. Такие с добавками аккумуляторы особенно склонны к сульфатации, после чего уже «тока не берут». А продать-то все равно нужно и восстановить продавцы, как правило, не умеют (не помню чтоб попросили продать им восстановлялку, а то б конечно продавал) А потому практическая рекомендация — поставьте разряженный на внешнюю зарядку (или вытащите из блока на проводах) и померяйте начальный зарядный ток, у разряженного что только начал заряжаться. Если он будет много менее, чем положено — это самое простое, что может указать на сульфатацию. Хоть мне кажется, что и Вашего эксперимента довольно для этой цели. Посилання на коментар Поділитися на інших сайтах More sharing options...
senal Опубліковано: 5 вересня 2020 Автор Поділитись Опубліковано: 5 вересня 2020 Спасибо за ответ. Я заменил на абсолютно новый. В работе на них 25.2 Вольта. И при подключении нагрузки (лампочки) напряжение на них не падает. Но аппарат почему-то выключается сразу. Посилання на коментар Поділитися на інших сайтах More sharing options...
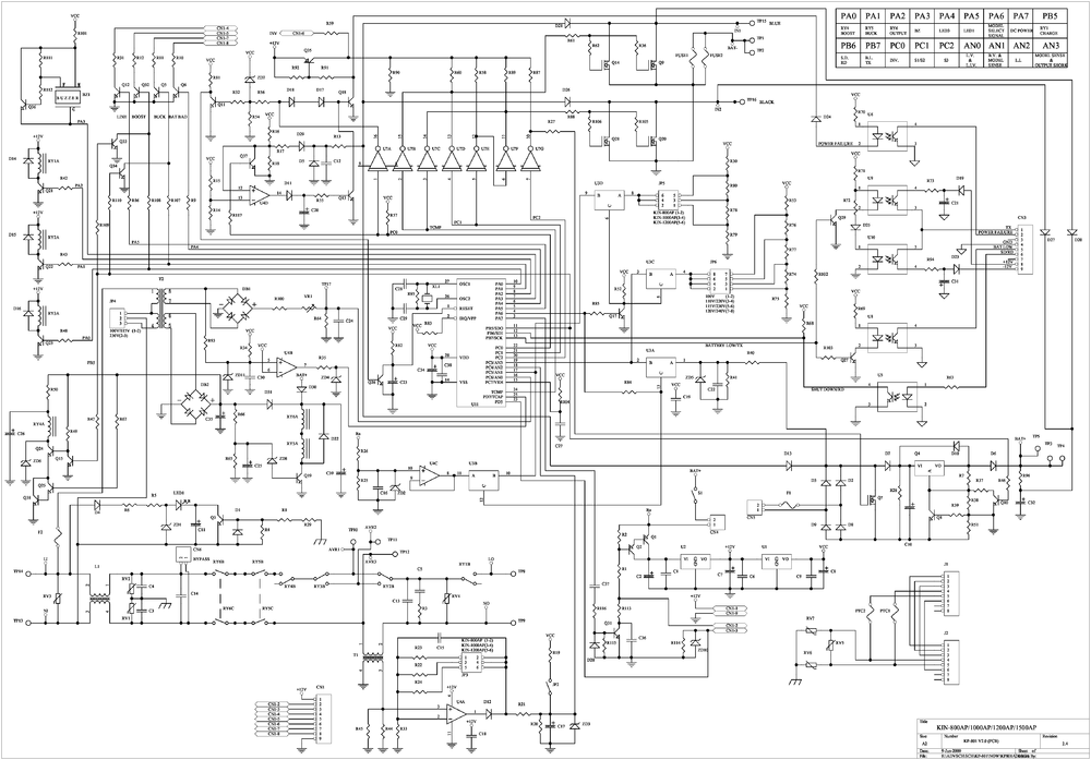
senal Опубліковано: 7 вересня 2020 Автор Поділитись Опубліковано: 7 вересня 2020 Анализ схемы по печатной плате привел к следующему. Есть на плате датчик тока (токовый трансформатор, а с него сигнал идет прямо на одну из ножек процессора. На нем наклейка: B801-V2.0. Отсюда напрашивается вывод. Или во вторичной обмотке трансформатора тока появился короткозамкнутый виток, что приводит к скачку напряжения во вторичной обмотке при прохождении тока по первичной. Или сам процессор неправильно работает и выключает ИБП. Какие будут мнения? Посилання на коментар Поділитися на інших сайтах More sharing options...
maniac26 Опубліковано: 9 вересня 2020 Поділитись Опубліковано: 9 вересня 2020 Анализ схемы по печатной плате привел к следующему. Ловите. BNT и KIN достаточно близкие 1 Посилання на коментар Поділитися на інших сайтах More sharing options...
Julian Опубліковано: 29 серпня 2023 Поділитись Опубліковано: 29 серпня 2023 А можете пожалуйста подсказать что за транзистор под номером q24. Посилання на коментар Поділитися на інших сайтах More sharing options...
Фрай Опубліковано: 10 квітня 2024 Поділитись Опубліковано: 10 квітня 2024 Дабы темы не плодить спрошу здесь: Есть у меня ИБП Powercom BNT-1200AP, хороший бесперебойник для компа, но стал сдавать с годами и я поменял батарейки на новые. Только он почему-то не держал напругу как ранее, вернее заметил это во время прошлых блэкаутов и убрал его. А потом решил достать с него батарейки и был удивлен напругой, по 13В на каждой. Аккумы стоят с зимы на полке и вольтаж не упал, выходит, что они не при делах? Что может быть за причина «недержания» нагрузки? Посилання на коментар Поділитися на інших сайтах More sharing options...
igorrius Опубліковано: 10 квітня 2024 Поділитись Опубліковано: 10 квітня 2024 44 минуты назад, Фрай сказал: А потом решил достать с него батарейки и был удивлен напругой, по 13В на каждой напряжение без нагрузки мало говорит о состоянии аккумулятора. попробуйте его пригрузить и проверьте, насколько просаживается напряжение под нагрузкой Посилання на коментар Поділитися на інших сайтах More sharing options...
Фрай Опубліковано: 10 квітня 2024 Поділитись Опубліковано: 10 квітня 2024 (змінено) Они новые, не с епицентра )), замена на работу ИБП не повлияла, значит причина в другом. Змінено 10 квітня 2024 користувачем Фрай Посилання на коментар Поділитися на інших сайтах More sharing options...
igorrius Опубліковано: 11 квітня 2024 Поділитись Опубліковано: 11 квітня 2024 В 10.04.2024 в 10:44, Фрай сказал: Они новые, не с епицентра )) какая дата производства ? Посилання на коментар Поділитися на інших сайтах More sharing options...
Фрай Опубліковано: 11 квітня 2024 Поділитись Опубліковано: 11 квітня 2024 (змінено) Шильдики тоже показать? Они есть. ) вопрос в том, что после замены батареек ибп не держал вообще. Такая хрень была у меня с АРС, при замене в нем необходимы какие-то калибровки, пришлось везти на Радищева. Маю підозру, що цей також хоче якогось такого «ахалай-махалай» від фахівця, або ж з роками щось перестало працювати у приладі. (заряджає нормально) Змінено 11 квітня 2024 користувачем Фрай Посилання на коментар Поділитися на інших сайтах More sharing options...
Chatter Опубліковано: 11 квітня 2024 Поділитись Опубліковано: 11 квітня 2024 В 10.04.2024 в 09:56, Фрай сказал: Что может быть за причина «недержания» нагрузки? для проверки, пусти красный провод мимо токовой катушки. Посилання на коментар Поділитися на інших сайтах More sharing options...
smotesko Опубліковано: 11 квітня 2024 Поділитись Опубліковано: 11 квітня 2024 1 годину тому, Фрай сказав: вопрос в том, что после замены батареек ибп не держал вообще Батарейки нові, та може хрінові? Треба внутрішній опір перевірити. 1 Посилання на коментар Поділитися на інших сайтах More sharing options...
igorrius Опубліковано: 12 квітня 2024 Поділитись Опубліковано: 12 квітня 2024 20 часов назад, smotesko сказал: Батарейки нові, та може хрінові? Треба внутрішній опір перевірити. и свинец, что больше года провалялся на полках магазина покупать- деньги на ветер выбрасывать. не все, что с виду новое , стоит закупать Посилання на коментар Поділитися на інших сайтах More sharing options...
Фрай Опубліковано: 12 квітня 2024 Поділитись Опубліковано: 12 квітня 2024 (змінено) 11.04.2024 в 13:14, Chatter сказав: для проверки, пусти красный провод мимо токовой катушки. Если можно то чайнику подробнее, что и как бо на фото их несколько. 5 годин тому, igorrius сказав: и свинец, что больше года провалялся на полках магазина покупать- деньги на ветер выбрасывать. не все, что с виду новое , стоит закупать никогда не покупаю хню подешевле, поэтому все аккумы у меня работают как минимум 5-7-10 лет, шо в приборах, шо в гаджетах, шо в машине. Не потому, шо денег много, не, просто не жлоблюсь и результат налицо. Змінено 12 квітня 2024 користувачем Фрай Посилання на коментар Поділитися на інших сайтах More sharing options...
Chatter Опубліковано: 12 квітня 2024 Поділитись Опубліковано: 12 квітня 2024 4 часа назад, Фрай сказал: что и как 1 Посилання на коментар Поділитися на інших сайтах More sharing options...
Рекомендовані повідомлення
Створіть акаунт або увійдіть у нього для коментування
Ви маєте бути користувачем, щоб залишити коментар
Створити акаунт
Зареєструйтеся для отримання акаунта. Це просто!
Зареєструвати акаунтУвійти
Вже зареєстровані? Увійдіть тут.
Увійти зараз