AndyAntonov Опубліковано: 19 листопада 2016 Поділитись Опубліковано: 19 листопада 2016 Другое дело если у соседей снизу жара, а на последнем этаже холодно, что при нынешней жизни маловероятно. И такое бывает. Если зажимают проток. Тогда на верхних этажах охлаждаются форточками нараспашку, на средних ходят в тёплой одежде, на нижних сбивают ломом сопли и греются электричеством. И всё это на одном стояке. При этом может быть даже счётчик на дом, но он оказывается до одного места. Посилання на коментар Поділитися на інших сайтах More sharing options...
naupv Опубліковано: 20 листопада 2016 Поділитись Опубліковано: 20 листопада 2016 А есть другие достойные производители аналогов? Не читайте много всякой фигни с разных форумов. Валтек арматура достойная, выше среднего уровня, что не скажешь о трубе. Посилання на коментар Поділитися на інших сайтах More sharing options...
Toleg Опубліковано: 28 листопада 2016 Поділитись Опубліковано: 28 листопада 2016 Гуру отопления, как вам оригинальное решеньеце? 1 Посилання на коментар Поділитися на інших сайтах More sharing options...
blacktigra Опубліковано: 28 листопада 2016 Поділитись Опубліковано: 28 листопада 2016 Скорее всего это для систем парового отопления. Посилання на коментар Поділитися на інших сайтах More sharing options...
Korni Опубліковано: 28 листопада 2016 Поділитись Опубліковано: 28 листопада 2016 Гуру отопления, как вам оригинальное решеньеце? Приятно, что читаете мой фейсбук :) Посилання на коментар Поділитися на інших сайтах More sharing options...
B.S.V. Опубліковано: 28 листопада 2016 Поділитись Опубліковано: 28 листопада 2016 Улыбнуло. Сегодня утром, загружаю, в свои слегка постаревшие Жигули, небольшой объем ТЕСЕ и Остендорфа. Рядом такой-же, как и я, бодро закидывает в Паджеро турецкий полипропилен. 1. Не тем занимаюсь ? 2. Не дорабатываем ? 3. Может на полипропилен переключиться ? 5 Посилання на коментар Поділитися на інших сайтах More sharing options...
Сергей 31 Опубліковано: 28 листопада 2016 Автор Поділитись Опубліковано: 28 листопада 2016 1. Не тем занимаюсь ? 2. Не дорабатываем ? 3. Может на полипропилен переключиться ? Продай перфораторы и купи бентли. 4 Посилання на коментар Поділитися на інших сайтах More sharing options...
blacktigra Опубліковано: 28 листопада 2016 Поділитись Опубліковано: 28 листопада 2016 Приятно, что читаете мой фейсбук :) Ну уж если быть справедливым, то: 1 Посилання на коментар Поділитися на інших сайтах More sharing options...
Korni Опубліковано: 28 листопада 2016 Поділитись Опубліковано: 28 листопада 2016 Ну уж если быть справедливым, то:.... Пикабу не смотрю 1 Посилання на коментар Поділитися на інших сайтах More sharing options...
blacktigra Опубліковано: 28 листопада 2016 Поділитись Опубліковано: 28 листопада 2016 Ржу с комментов: 1 Посилання на коментар Поділитися на інших сайтах More sharing options...
yoojin Опубліковано: 29 листопада 2016 Поділитись Опубліковано: 29 листопада 2016 Улыбнуло. Сегодня утром, загружаю, в свои слегка постаревшие Жигули, небольшой объем ТЕСЕ и Остендорфа. Рядом такой-же, как и я, бодро закидывает в Паджеро турецкий полипропилен. 1. Не тем занимаюсь ? 2. Не дорабатываем ? 3. Может на полипропилен переключиться ? Вчера звонили по поводу переделки объекта - заменить плохой полипропилен на хороший. Пришлось отказаться не вникая в подробности. Посилання на коментар Поділитися на інших сайтах More sharing options...
Toleg Опубліковано: 29 листопада 2016 Поділитись Опубліковано: 29 листопада 2016 Улыбнуло. Сегодня утром, загружаю, в свои слегка постаревшие Жигули, небольшой объем ТЕСЕ и Остендорфа. Рядом такой-же, как и я, бодро закидывает в Паджеро турецкий полипропилен. 1. Не тем занимаюсь ? 2. Не дорабатываем ? 3. Может на полипропилен переключиться ? А на чем ездит заказчик, которому вы будете ставить TECE и Ostendorf? Посилання на коментар Поділитися на інших сайтах More sharing options...
naupv Опубліковано: 29 листопада 2016 Поділитись Опубліковано: 29 листопада 2016 Не тем занимаюсь ? Есть такой тип людей. всю жизнь ходит в фуфайке, а фафаечка изнутри подшита соболем Посилання на коментар Поділитися на інших сайтах More sharing options...
yoojin Опубліковано: 29 листопада 2016 Поділитись Опубліковано: 29 листопада 2016 А на чем ездит заказчик, которому вы будете ставить TECE и Ostendorf? В Чернигове, например, на уставшем Ланосе. Посилання на коментар Поділитися на інших сайтах More sharing options...
B.S.V. Опубліковано: 29 листопада 2016 Поділитись Опубліковано: 29 листопада 2016 Из жизни. За бутылочкой вина, две женщины рассматривают фото. "Красиво..."- затянула одна."Но кто, в нынешнее время, в нашей стране может позволить себе кайт Ведь нужно иметь время и деньги" "Айтишники и сантехники"-ответила вторая. "Наливай". Так давайте и мы поднимем тост:"Чтобы количество, имеющих возможность полноценно, достойно отдохнуть, в удобное им время, только увеличивалось" 10 Посилання на коментар Поділитися на інших сайтах More sharing options...
vbb Опубліковано: 30 листопада 2016 Поділитись Опубліковано: 30 листопада 2016 Таки да Посилання на коментар Поділитися на інших сайтах More sharing options...
vbb Опубліковано: 30 листопада 2016 Поділитись Опубліковано: 30 листопада 2016 Сантехникам посвящается: 1 Посилання на коментар Поділитися на інших сайтах More sharing options...
bgt Опубліковано: 1 грудня 2016 Поділитись Опубліковано: 1 грудня 2016 А на чем ездит заказчик, которому вы будете ставить TECE и Ostendorf? Шкода октавиа А5. Мы не так богаты, что б в стяжку прятать ППР. Есть деньги на кап ремонт каждый год... вперед Посилання на коментар Поділитися на інших сайтах More sharing options...
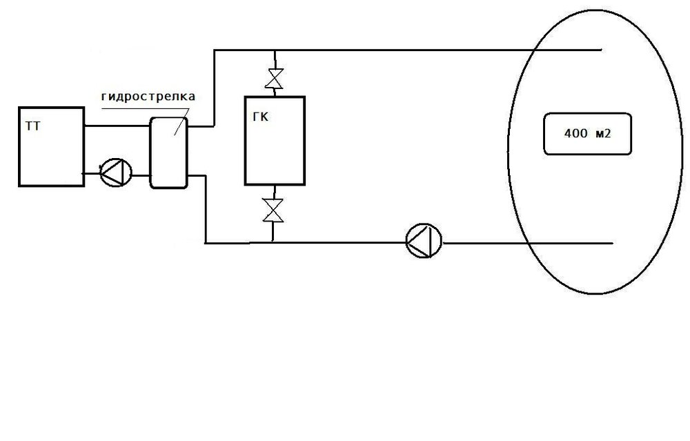
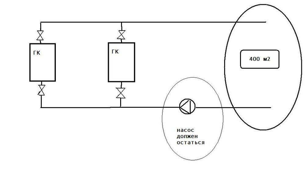
SON Опубліковано: 1 грудня 2016 Поділитись Опубліковано: 1 грудня 2016 Други, нужна помощь, как сделать правильней. Имеется отдельностоящая котельная с двумя напольными газ. котлами. Муз. школа. Один нужно выкинуть и вместо него поставить ТТ 40-50 кВт. Собсно как лучше организовать подмес ТТ. Правый ГК и насос должны оставаться на месте. Мелочевку, ГБ и охлаждение не рисовал. Автоматизация не интересует, потому как есть три или четыре кочегара. Посилання на коментар Поділитися на інших сайтах More sharing options...
Сергей 31 Опубліковано: 1 грудня 2016 Автор Поділитись Опубліковано: 1 грудня 2016 Собсно как лучше организовать подмес ТТ. Насосом на байпасе. 1 Посилання на коментар Поділитися на інших сайтах More sharing options...
SON Опубліковано: 1 грудня 2016 Поділитись Опубліковано: 1 грудня 2016 Насосом на байпасе. Байпас ДУ 32 достаточно будет? Насос в планах 25/4. Посилання на коментар Поділитися на інших сайтах More sharing options...
Сергей 31 Опубліковано: 1 грудня 2016 Автор Поділитись Опубліковано: 1 грудня 2016 Байпас ДУ 32 достаточно будет? Насос в планах 25/4. 50 кВт. это 2150 л/час. При работе насоса через котел сопративление равно нулю. Смотрим график насоса ниже. Далее, 35 медь будет по классике, но участок короткий менее 2х метров, можно и 28 мм. но может чуть шуметь, при 28 мм. скорость 1,3 м/сек. 1 Посилання на коментар Поділитися на інших сайтах More sharing options...
SON Опубліковано: 17 грудня 2016 Поділитись Опубліковано: 17 грудня 2016 Коллеги, покритикуйте/поправьте, как лучше. Вопрос в основном по электр. котлу. Т.е. работа либо на систему, либо на ТА+система (ночной тариф). Посилання на коментар Поділитися на інших сайтах More sharing options...
red baron Опубліковано: 17 грудня 2016 Поділитись Опубліковано: 17 грудня 2016 Коллеги, покритикуйте/поправьте, как лучше. Вопрос в основном по электр. котлу. Т.е. работа либо на систему, либо на ТА+система (ночной тариф). [ATTACH]541812[/ATTACH] на ТА и на форсаже с N2O !!! Посилання на коментар Поділитися на інших сайтах More sharing options...
Korni Опубліковано: 17 грудня 2016 Поділитись Опубліковано: 17 грудня 2016 Коллеги, покритикуйте/поправьте, как лучше. Вопрос в основном по электр. котлу. Т.е. работа либо на систему, либо на ТА+система (ночной тариф). Не то вставил сначала: [spoiler=схема] 1 Посилання на коментар Поділитися на інших сайтах More sharing options...
Рекомендовані повідомлення
Створіть акаунт або увійдіть у нього для коментування
Ви маєте бути користувачем, щоб залишити коментар
Створити акаунт
Зареєструйтеся для отримання акаунта. Це просто!
Зареєструвати акаунтУвійти
Вже зареєстровані? Увійдіть тут.
Увійти зараз