san2301 Опубліковано: 9 січня 2011 Поділитись Опубліковано: 9 січня 2011 Доброго времени суток, уважаемые форумчане. Перечитал массу постов по теме электических схем домов и хочу с Вами посоветоваться. Строится двух этажный дом. В дом входит 3ф, мощность - 19кВт. В связи с отсутствием в доме 3-х фазных потребителей, хочу с помощью реле выбора фаз запитать дом по однофазной схеме, от фазы с лучшими показателями по напряжению. Так же предусматривается установка симисторного стабилизатора мощностью 15 - 20 кВт, а так же предусмотрен резерв в виде однофазного генератора DaiShin SEB7000Ha мощностью 5 кВт (ручной запуск). Нарисовал схему разводки эл. питания. Изучая форум засомневался в некоторых вопросах: 1. Будет ли так работать генератор - сетевой ноль и фаза от генератора, или рвать сетевой ноль при включении генератора? 2. Генератор заземлять к отдельному контуру заземления, или можно занулить? 3. Не будут ли выбивать УЗО при включении генератора? Любая критика приветствуется и рассматривается. Заранее благодарен. Посилання на коментар Поділитися на інших сайтах More sharing options...
Dalet Опубліковано: 9 січня 2011 Поділитись Опубліковано: 9 січня 2011 А такой вопрос. Какое качество линии у Вас? На сколько падает напряжение на фазе при включении к примеру 10кВт? Это очень важно если вдруг на много, то Ваша схема работать не будет. Да и вообще переключатель фаз штука класная, делаю такие, но на наших сетях нужно осторожно, более 10кВт лучше не делать, хотя все зависит от сети. Посилання на коментар Поділитися на інших сайтах More sharing options...
Dalet Опубліковано: 9 січня 2011 Поділитись Опубліковано: 9 січня 2011 В дом входит 3ф, мощность - 19кВт. Стоп, что занчит 19кВт, это как? Если это сумарно по трем фазам то получается, не чето не по нормам получается. Какой вводной автомат? 32А или 100А или вообще никакой автомат к 19кВт не вяжется. Посилання на коментар Поділитися на інших сайтах More sharing options...
sanykrimea Опубліковано: 9 січня 2011 Поділитись Опубліковано: 9 січня 2011 ... Какой вводной автомат? 32А или 100А или вообще никакой автомат к 19кВт не вяжется. 27А по фазе. Посилання на коментар Поділитися на інших сайтах More sharing options...
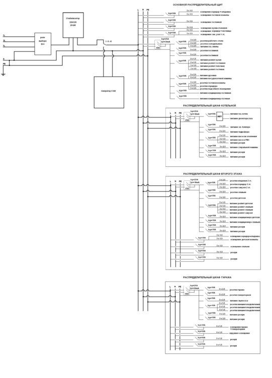
san2301 Опубліковано: 9 січня 2011 Автор Поділитись Опубліковано: 9 січня 2011 Стоп, что занчит 19кВт, это как? Если это сумарно по трем фазам то получается, не чето не по нормам получается. Какой вводной автомат? 32А или 100А или вообще никакой автомат к 19кВт не вяжется. В технических условиях на подключение написано: "Величина максимальной расчётной нагрузки 19кВт" в щиток вводится 3 фазы, вводной автомат 40А. Посилання на коментар Поділитися на інших сайтах More sharing options...
san2301 Опубліковано: 9 січня 2011 Автор Поділитись Опубліковано: 9 січня 2011 А такой вопрос. Какое качество линии у Вас? На сколько падает напряжение на фазе при включении к примеру 10кВт? Это очень важно если вдруг на много, то Ваша схема работать не будет. Да и вообще переключатель фаз штука класная, делаю такие, но на наших сетях нужно осторожно, более 10кВт лучше не делать, хотя все зависит от сети. так как пока дом строится, то состояние сети не проверял, пока рассуждаю с теоретической точка зрения. Применение реле выбора фаз обословлено желанием несколько автоматизировать и увеличить надёжность электроснабжения дома при проподании одной или двух фаз. А какие есть проблемы с применением таких реле? Посилання на коментар Поділитися на інших сайтах More sharing options...
Dalet Опубліковано: 9 січня 2011 Поділитись Опубліковано: 9 січня 2011 27А по фазе. Ага, а чё это за автомат такой. И где интересно в наше трудное время такие мощностя дают. Посилання на коментар Поділитися на інших сайтах More sharing options...
san2301 Опубліковано: 9 січня 2011 Автор Поділитись Опубліковано: 9 січня 2011 Ага, а чё это за автомат такой. И где интересно в наше трудное время такие мощностя дают. Пригород Одессы. Я попросил - мне дали, естественно просьба была аргументирована ;) Посилання на коментар Поділитися на інших сайтах More sharing options...
sanykrimea Опубліковано: 9 січня 2011 Поділитись Опубліковано: 9 січня 2011 Ага, а чё это за автомат такой. И где интересно в наше трудное время такие мощностя дают. 27А - это 19 кВт по трём фазам, не номинал АВ. Посилання на коментар Поділитися на інших сайтах More sharing options...
Dalet Опубліковано: 9 січня 2011 Поділитись Опубліковано: 9 січня 2011 27А по фазе. В технических условиях на подключение написано: "Величина максимальной расчётной нагрузки 19кВт" в щиток вводится 3 фазы, вводной автомат 40А. О теперь можно и порассуждать. 40А х 220В =9кВт по этому Вы никак не сможете воспользоваться 20кВт стабилизатором потому что будет в максимуме почти 100А на входе. Не заморачивайтесь с переключателем фаз для всего дома, на наших сетях возможна ситуация при которой он будет прыгать с фазы на фазу да еще и стабилизатор будет задержку в сек-6 давать, короче светомузыка. Если всеже там возможно отключение какой из фаз то выделите групу и поставте на нее. Чтобы ставить ПЭФ на весь дом нужно быть уверенным что при полной мощности напряжение в сети не опустится ниже порога срабатывания ПЭФ, а это около 170В. Стабилизаторы ставьте 3, по штуке на фазу. Но не более 9кВт, больше не нужно, нет смысла. Переключатель на генератор возьмите трехфазный, или выделите конкретно нагрузку под генератор, зачем от него запитывать кондиционеры. Генератор заземлите на общий контур. На генератор еще можно поставить защиту автоматическую от перегрузки , а лучше уже с автоматикой (от 500дол) Узо после генератора выбивать не будет. И еще, в схеме насосы отопления подключены мимо ИПБ, почему? Их бы тоже на ИПБ нужно, иначе как котлу работать. Посилання на коментар Поділитися на інших сайтах More sharing options...
Dalet Опубліковано: 9 січня 2011 Поділитись Опубліковано: 9 січня 2011 27А - это 19 кВт по трём фазам, не номинал АВ. Пригород Одессы. Я попросил - мне дали, естественно просьба была аргументирована ;) Видно хорошо просили. Автомат 40А - 27кВт, а по ТУ -19кВт. Посилання на коментар Поділитися на інших сайтах More sharing options...
sanykrimea Опубліковано: 9 січня 2011 Поділитись Опубліковано: 9 січня 2011 Перед УЗО поставьте АВ 25А или выше. Лучше диффавтоматы использовать. Маловато вроде бы УЗО для дома. Ток утечки всей электропроводки с учётом подключённых потребителей для УЗО 30 мА не должен превышать 10 мА. Расчётный ток утечки - 0.3 мА на 1 А нагрузки + 10 мкА на метр фазного проводника. Если более 10 мА - делите на группы. Посилання на коментар Поділитися на інших сайтах More sharing options...
boss2008 Опубліковано: 10 січня 2011 Поділитись Опубліковано: 10 січня 2011 В связи с отсутствием в доме 3-х фазных потребителей, хочу с помощью реле выбора фаз запитать дом по однофазной схеме, от фазы с лучшими показателями по напряжению. Зачем сознательно делать перекос фаз? Равномерно распределите нагрузки по фазам и фсе. Как вариант можно на входе поставить On-Line UPS 3-фазы/1-фаза, но тут стоит вопрос о цене. Посилання на коментар Поділитися на інших сайтах More sharing options...
engeneer Опубліковано: 10 січня 2011 Поділитись Опубліковано: 10 січня 2011 В дом входит 3ф, мощность - 19кВт. Так же предусматривается установка симисторного стабилизатора мощностью 15 - 20 кВт, а так же предусмотрен резерв в виде однофазного генератора DaiShin SEB7000Ha мощностью 5 кВт У меня ввод аналогичный - 3 фазы, 40А. Пошел по такому пути: все мощные некритичные нагрузки (бойлер, теплые полы, духовка, посудомойка, стиралка, кондиционеры и пр.) - разбросал по фазам. Критичные нагрузки (свет, котел, компьютер и пр) - пустил через выбор фазы (пока ручной) с возможность подключения генератора. Котел с УПС-ом на сутки работы (Алектрон + 125 А-час), компьютер с обычным бесперебойником на 10 мин. Не знаю как у Вас, у нас фазы примерно одинаковые, но, бывает, по одной работает сварка - это видно по входному вольтметру. Только в этой ситуации переключаюсь на другую фазу, чтобы не моргал свет. Автомат в этой ситуации будет прыгать с фазы на фазу, что нехорошо. По схеме. УЗО 25/0,01 - экзотика, себе везде ставил 25/0,03. Они и дешевле, и доступнее, и меньше будет ложных срабатываний. На розетки рабочей поверхности кухни автомат 16 А - маловато, лучше 25. УЗО 25/0,03 на кухню точно мало - просуммируйте нагрузки! Котел очень не советую садить на один УЗО со стиралкой, тем более с током отсечки 10 мА. Если произойдет ложная сработка, когда Вы в отъезде - хлопот не оберетесь, ИБП надолго не хватит - от силы, на сутки. Себе на котел обязательно поставлю GSM-модуль, уже есть горький опыт размершейся системы. По поводу стабилизаторов, имеет смысл ставить, если сеть сильно "гуляет" (ниже 180, выше 250). Если этого нет, достаточно "ЗУБР"-ов. Току 40А соответствует 9 кВт, больше нет смысла - все равно не пропустит автомат. Посилання на коментар Поділитися на інших сайтах More sharing options...
ink_stroi Опубліковано: 10 січня 2011 Поділитись Опубліковано: 10 січня 2011 На розетки рабочей поверхности кухни автомат 16 А - маловато, лучше 25.Если не хватает АВ 16А, то лучше разделить на несколько АВ 16А. Посилання на коментар Поділитися на інших сайтах More sharing options...
engeneer Опубліковано: 10 січня 2011 Поділитись Опубліковано: 10 січня 2011 Если не хватает АВ 16А, то лучше разделить на несколько АВ 16А. +1. Полностью согласен, лишь бы токи на ветках в сумме не превысили номинал. В приведенной схеме на кухне два автомата по 16А. Теоретически, 3,5 кВт хватит на электрочайник-тостер-кухонный комбайн-холодильник. А вот насчет второго автомата 16А на духовку и посудомойку берут сомнения - встроенные духовки, обычно, 2,2 - 3,3 кВт, посудомойка не меньше 1 кВт. При одновременной работе 16А может быть мало. Тем более, заложенный кабель 2,5 мм позволяет поставить 25А. ИМХО, постоянно грузить автомат "под завязку" нехорошо - рано или поздно начнет выбивать. Посилання на коментар Поділитися на інших сайтах More sharing options...
Nikalya Опубліковано: 10 січня 2011 Поділитись Опубліковано: 10 січня 2011 ИМХО, постоянно грузить автомат "под завязку" нехорошо - рано или поздно начнет выбивать. так поставить на кабель 2,5мм кв автомат в 20А. и кабелю хорошо - есть запас (даже если сечение подзанижено), и автомат выбивать не будет от 3,5-4 кВт мощности Посилання на коментар Поділитися на інших сайтах More sharing options...
engeneer Опубліковано: 10 січня 2011 Поділитись Опубліковано: 10 січня 2011 так поставить на кабель 2,5мм кв автомат в 20А. и кабелю хорошо - есть запас (даже если сечение подзанижено), и автомат выбивать не будет от 3,5-4 кВт мощности В этом есть резон, так будет спокойнее. Но если возможны кратковременные пиковые совпадения нагрузок (одновременное включение гриля электродуховки и ТЕНа посудомойки), а кабель надежный и проходит под штукатуркой - с хорошей теплоотдачей - лучше поставить 25А или, по крайней мере, 20 "С". 1 Посилання на коментар Поділитися на інших сайтах More sharing options...
sanykrimea Опубліковано: 10 січня 2011 Поділитись Опубліковано: 10 січня 2011 Но если возможны кратковременные пиковые совпадения нагрузок ... по крайней мере, 20 "С". В данном случае тип мгновенного расцепления никакого значения не имеет. " С "- это характеристика электромагнитного расцепителя который срабатывает при токах от 2.55 In. Тепловой расцепитель у В, С, Д - одинаков. 1 Посилання на коментар Поділитися на інших сайтах More sharing options...
san2301 Опубліковано: 10 січня 2011 Автор Поділитись Опубліковано: 10 січня 2011 Вообщем, изначально я так и думал, что бы раскидать нагрузку по трём фазам и собрав на одной фазе критичных потребителей её зарезервировать генератором. Но в процессе проработки схемы видимо увлёкся упрощением и автоматикой... Буду перерисовывать схему и обязательно выложу. Постараюсь учесть все замечания. Кстати сегодня вечером поехал на дом и замерял напряжение по фазам 219 - 195 - 205, не знаю насколько оно стабильно но для 7-ми часов вечера неплохо. Посилання на коментар Поділитися на інших сайтах More sharing options...
Dalet Опубліковано: 10 січня 2011 Поділитись Опубліковано: 10 січня 2011 Вообщем, изначально я так и думал, что бы раскидать нагрузку по трём фазам и собрав на одной фазе критичных потребителей её зарезервировать генератором. Но в процессе проработки схемы видимо увлёкся упрощением и автоматикой... Буду перерисовывать схему и обязательно выложу. Постараюсь учесть все замечания. Кстати сегодня вечером поехал на дом и замерял напряжение по фазам 219 - 195 - 205, не знаю насколько оно стабильно но для 7-ми часов вечера неплохо. Пройдитесь по новому, прорисуйте, выделите нагрузку, если все же есть желание поработать с переключателем фаз. На генератор тоже выделите необходимое, и заодно на всякий случай заложите провода под автоматику, пускай будут, сегодня не хотите ставить АВР, а завтра вздумается, так часто бывает. По напряжения, там где есть 195, может быть и 180, померяйте в морозы. Посилання на коментар Поділитися на інших сайтах More sharing options...
san2301 Опубліковано: 11 січня 2011 Автор Поділитись Опубліковано: 11 січня 2011 По напряжения, там где есть 195, может быть и 180, померяйте в морозы. Сейчас работаю над новой схемой, думаю для начала поставить реле защитного отключения, типа "Зубр" с последующей возможностью установки стабилизаторов (если это понадобится), надо с соседями пообщаться по поводу качества эл. сетей. Посилання на коментар Поділитися на інших сайтах More sharing options...
Nikalya Опубліковано: 11 січня 2011 Поділитись Опубліковано: 11 січня 2011 не забудьте новую схему выложить на всеобщее обговорение) Посилання на коментар Поділитися на інших сайтах More sharing options...
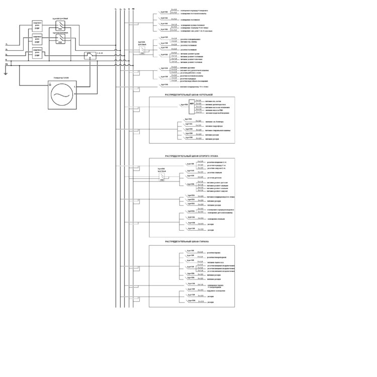
san2301 Опубліковано: 13 січня 2011 Автор Поділитись Опубліковано: 13 січня 2011 Вот закончил переделывать схему. На вводе в дом на каждую фазу поставил реле защитного отключения. Впринципе если с электриччеством будет всё плохо, то вместо ЗУБРов можно поставить стабилизаторы по 10 кВт. В остальном жду критику и советы. Посилання на коментар Поділитися на інших сайтах More sharing options...
nach Опубліковано: 13 січня 2011 Поділитись Опубліковано: 13 січня 2011 А в чем собсно рисуете план? Посилання на коментар Поділитися на інших сайтах More sharing options...
Рекомендовані повідомлення
Створіть акаунт або увійдіть у нього для коментування
Ви маєте бути користувачем, щоб залишити коментар
Створити акаунт
Зареєструйтеся для отримання акаунта. Це просто!
Зареєструвати акаунтУвійти
Вже зареєстровані? Увійдіть тут.
Увійти зараз