Elado Опубліковано: 21 лютого 2011 Поділитись Опубліковано: 21 лютого 2011 Вентиляция - 30% потерь. Без вентиляции можно жить? Нельзя. Ибо дышать надо Насколько вы хотите комфорта в этом плане - тут то и будет ответ на вопрос. Скажу по своим ощущениям - грамотная система ПВВ дает несравнимо больше комфорта, чем самая навороченная система отопления с естественной вентиляцией. Вот если вопрос стоит в том что ХОЧУ так же, то тут то и надо будет взвешивать все за и против. С одной стороны будет просто ПВУ+система отопления, с другой - ПВУ с рекуперацией и охлаждением/догревом+система отопления. Разница в теплопотерях будет в РАЗЫ. Если изначально стаить себе цель - только естественная вентиляция - то обсуждать нечего, но дышать свежим воздухом вы 1000% захотите. Но захотите и не тратить на нее лишние кВт отопления - но вот так не будет. Грамотная система вентиляции не позволяет просто экономить газ. Она позволяет НАСЛАДИТЬСЯ комфортом проживания, экономно расходуя ресурсы. Т.е. разницы между потерями при ЕВ и энергетическими затратами в ПВУ с рекуперацией может и не быть, а может ПВУ сожрет немного больше. Разница в том, ЧТО вы получаете от таких систем. И разница ОГРОМНАЯ. Я кстати никого не агитирую, я ж не продаван Я говорю о том, что вы будете думать ч/з пару лет, здесь есть даже такая тема "Что бы я сделал не так..." Посилання на коментар Поділитися на інших сайтах More sharing options...
Korni Опубліковано: 21 лютого 2011 Поділитись Опубліковано: 21 лютого 2011 ....Смогут ли те, кто ратует за рекуперацию, дать ответ на 4 вопроса с 4 цифрами...... Смогут, но только не нарушая первое начало термодинамики. Которое, в просторечии, гласит: Шары не бывает Посилання на коментар Поділитися на інших сайтах More sharing options...
domnet Опубліковано: 21 лютого 2011 Автор Поділитись Опубліковано: 21 лютого 2011 ...Т.е. разницы между потерями при ЕВ и энергетическими затратами в ПВУ с рекуперацией может и не быть, а может ПВУ сожрет немного больше. Разница в том, ЧТО вы получаете от таких систем... Вот и я о том же. Чтобы никого не обманывать, нужно перестать писАть о том, что рекуперация даст финансовую экономию по сравнению с естественой вентиляцией (ЕВ). Можно просто сказать, что мне, мол, по душе иметь приточно-вытяжную вентиляцию с рекуперацией тепла. Самочувствие от этого улучшается. И т.д. и т.п. Но это очень субъективно. В смысле самочувствия, и тепловых ощущений. Даже дискутировать нет смысла. В нашем доме будет система естественной вентиляции (ЕВ), с оттоком через вентканалы, а притоком там, где воздух сам себе дорогу найдёт. Что совершенно не мешает Elado сделать у себя в доме ПВВ с рекуперацией тепла. Посилання на коментар Поділитися на інших сайтах More sharing options...
domnet Опубліковано: 21 лютого 2011 Автор Поділитись Опубліковано: 21 лютого 2011 Господа писАтели! Всё-таки хотелось бы услышать ответ на вопрос об организации ввода воды для ХВС от колодца и скважины. www.stroimdom.com.ua/forum/showpost.php?p=887126&postcount=1643 Посилання на коментар Поділитися на інших сайтах More sharing options...
Elado Опубліковано: 21 лютого 2011 Поділитись Опубліковано: 21 лютого 2011 Вот и я о том же. Чтобы никого не обманывать, нужно перестать писАть о том, что рекуперация даст финансовую экономию по сравнению с естественой вентиляцией (ЕВ). конечно даст! Если учитывать то, что и при одном и при втором случае подается равный обьем воздуха, к примеру минимально необходимый по СНиПу. Я думаю не надо быть математиком, чтобы элементарно не увидеть экономию. Если рассматривать вариант, при котором в одном случае дается воздух, а в другом всеми силами он урезается - то тогда сравнение будет весьма некорретным. Просто некоторые товарищи, построив себе термосы, наивно полагают, что приточный воздух "сам себе найдет дорогу". В таком случае, логично было бы предположить, что он также легко найдет себе "выход". Выводы уж сами делайте. Посилання на коментар Поділитися на інших сайтах More sharing options...
Petrovith Опубліковано: 21 лютого 2011 Поділитись Опубліковано: 21 лютого 2011 Просто некоторые товарищи, построив себе термосы, наивно полагают, что приточный воздух "сам себе найдет дорогу". В таком случае, логично было бы предположить, что он также легко найдет себе "выход". Выводы уж сами делайте. А в чем разница, именно в этом вопросе, между термодомом ( по вашему - термосом. я надеюсь в смысле темосопротивления стен а не газопроницаемости стен. Так как пенопласт довольно газопроницаем) и обычным каменным домом? Посилання на коментар Поділитися на інших сайтах More sharing options...
Elado Опубліковано: 21 лютого 2011 Поділитись Опубліковано: 21 лютого 2011 А в чем разница, именно в этом вопросе, между термодомом ( по вашему - термосом. я надеюсь в смысле темосопротивления стен а не газопроницаемости стен. Так как пенопласт довольно газопроницаем) и обычным каменным домом? Разница не раз обсуждалась, в т.ч. и здесь. Для начала надо уяснить, что газопроницаемости нет, а есть паропроницаемость, это как раз о "дышащих стенах. У пенопласта она низкая. Но тема не об этом. Или вы думаете вентилировать дом ч/з пенопластовые стены?! Посилання на коментар Поділитися на інших сайтах More sharing options...
Petrovith Опубліковано: 21 лютого 2011 Поділитись Опубліковано: 21 лютого 2011 Нет конечно. Вентиляция нужна что в термодоме, что в каменном, что в любом другом, в котором и пластиковые окна и двери достаточно гермитичные и много чего что не позволяет гулять воздуху как в домах сов построек. Но вот в чем разница какой дом. Термо и ли любой другой? Почему в термо доме воздух не найдет себе дорогу, а в не тормо найдет. ( или я не так понял ваше высказывание?) Просто некоторые товарищи, построив себе термосы, наивно полагают, что приточный воздух "сам себе найдет дорогу". В таком случае, логично было бы предположить, что он также легко найдет себе "выход". Выводы уж сами делайте. Посилання на коментар Поділитися на інших сайтах More sharing options...
domnet Опубліковано: 21 лютого 2011 Автор Поділитись Опубліковано: 21 лютого 2011 конечно даст! Если учитывать то, что и при одном и при втором случае подается равный обьем воздуха, к примеру минимально необходимый по СНиПу. Я думаю не надо быть математиком, чтобы элементарно не увидеть экономию. Если рассматривать вариант, при котором в одном случае дается воздух, а в другом всеми силами он урезается - то тогда сравнение будет весьма некорретным. Просто некоторые товарищи, построив себе термосы, наивно полагают, что приточный воздух "сам себе найдет дорогу". В таком случае, логично было бы предположить, что он также легко найдет себе "выход". Выводы уж сами делайте. Давайте не будем лукавить, ссылаясь на СНиПы времён Советского Союза. Какие были нормы по площади для одного человека? По каким нормам "выделяли" и "давали" жильё? И сколько квадратных метров площади, и кубических метров объёма, приходится на одного человека в современном частном доме, в частности, применительно к этой теме? Ясен пень, что советские нормативы по воздухообмену разрабатывались с расчётом на удаление продуктов жизнедеятельности большого количества людей в маленьких помещениях. К примеру, у нас в доме несколько комнат вообще будут закрыты, поскольку предназначены для гостей. Что там, в этих комнатах, обменивать? И зачем? Или подвал в семьдесят квадратов, посещаемый раз в неделю. Что там обменивать? Или первый этаж в 100 квадратов, в которых присутствуют 2 человека. Общий объём первого этажа 300 кубометров. Неужто нужно каждый час все 300 кубов воздуха обменивать на свежий? Нафига? Два человека за час 300 кубов "загрязнят"? В общем, не нужно некорректных ссылок. Поскольку при использовании норм СНиПа на ежечасный полный воздухообмен дома, нужно "по советским нормам" этот дом людьми заселить. ИМХО Посилання на коментар Поділитися на інших сайтах More sharing options...
Elado Опубліковано: 21 лютого 2011 Поділитись Опубліковано: 21 лютого 2011 В общем, не нужно некорректных ссылок. Поскольку при использовании норм СНиПа на ежечасный полный воздухообмен дома, нужно "по советским нормам" этот дом людьми заселить. ИМХО по этим некорректным правилам работают все. В остальном - демагогия и незнание предмета. Если вы хотите какоето решение в своем доме, то зачем все нормы и правила хаять? Т.е. я хочу невесомость в своем доме, а на закон всемирного тяготения мне наплевать. Давайте уже отделим ваше видение от общепринятых стандартов, пусть даже будут и СНиПы или EN или DIN. Вы же сами себе придумали свои стандарты, как проживания, так и отопления и вентиляции и даже тип котла! Вот и исполняйте их в точности с замыслами. Посилання на коментар Поділитися на інших сайтах More sharing options...
domnet Опубліковано: 21 лютого 2011 Автор Поділитись Опубліковано: 21 лютого 2011 по этим некорректным правилам работают все. В остальном - демагогия и незнание предмета. Если вы хотите какоето решение в своем доме, то зачем все нормы и правила хаять? Т.е. я хочу невесомость в своем доме, а на закон всемирного тяготения мне наплевать. Давайте уже отделим ваше видение от общепринятых стандартов, пусть даже будут и СНиПы или EN или DIN. Вы же сами себе придумали свои стандарты, как проживания, так и отопления и вентиляции и даже тип котла! Вот и исполняйте их в точности с замыслами. Хорошо. У меня есть рабочий проект дома с конструктивом. Там указана естественная вентиляция, размеры и расположение вентканалов. Об устройствах для притока воздуха ничего не сказано. Дальше. В Киеве сейчас строятся новые дома, как правило, с естественной вентиляцией. Окна в новых домах металлопластиковые. Наружное утепление (минвата, пенопласт) со штукатуркой. В общем, всё, как у нас в доме. К примеру, 2-х комнатная квартира, с 2-мя санузлами. Всего на 100 квадратных метров 3 вентканала (кухня, и 2 санузла). Специальных устройств для притока воздуха не заметил. Как в этих случаях СНиПы выполняются? Какое устройство обеспечивает приток воздуха в квартиры-"термосы"? И как СНиП допускает такие утечки тепла, через 3 вентканала в 2-х комнатной квартире? Посилання на коментар Поділитися на інших сайтах More sharing options...
domnet Опубліковано: 21 лютого 2011 Автор Поділитись Опубліковано: 21 лютого 2011 В соседнем разделе нашел тему о клапанах. www.stroimdom.com.ua/forum/showthread.php?t=34870 Почитаем. Может, в подвале один клапан и поставим, для нужд атмосферного котла. Посилання на коментар Поділитися на інших сайтах More sharing options...
Elado Опубліковано: 22 лютого 2011 Поділитись Опубліковано: 22 лютого 2011 Хорошо. У меня есть рабочий проект дома с конструктивом. Там указана естественная вентиляция, размеры и расположение вентканалов. Об устройствах для притока воздуха ничего не сказано. Дальше. В Киеве сейчас строятся новые дома, как правило, с естественной вентиляцией. Окна в новых домах металлопластиковые. Наружное утепление (минвата, пенопласт) со штукатуркой. В общем, всё, как у нас в доме. К примеру, 2-х комнатная квартира, с 2-мя санузлами. Всего на 100 квадратных метров 3 вентканала (кухня, и 2 санузла). Специальных устройств для притока воздуха не заметил. Как в этих случаях СНиПы выполняются? Какое устройство обеспечивает приток воздуха в квартиры-"термосы"? И как СНиП допускает такие утечки тепла, через 3 вентканала в 2-х комнатной квартире? По поводу многоэтажек ничего сказать не могу. Но предположить могу. Плюют там на все нормы, потому как денег "молодой команде" роздано столько, что все думаю как бы какнибудь достроить и себе в карман положить. Современное массовое жилье - это в большинстве случаев халтура. Бич современных домов - это стремительно развивающаяся плесень, ввиду того что ограничен приток, а вытяжка уже не справляется. Борятся с этим только одним способом - открыванием форточек. Наиболее продвинуттые устанавливают ПВВ. Совсем другое дело элитные дома, к примеру возле Мариинского...там как раз все нормально. Почитайте свой проект внимательно. Если там не указан тип притока, или вообще о нем не упоминается, значит архитектор не думал о таких "мелочах". Клапана в окна, типа Аэреко - спорное решение, но это хоть чтото. В котельной надо не клапан, а отверстие с решеткой, о размере почитайте инструкции к котлу. Чтото около 10см2 на 1 кВт мощности. Кстати, подвал надо вентилировать обязательно, ибо там как правило влажность выше + радон. Я бы на вашем месте не рубил с плеча, а изучил вопрос и взял бы на заметку. Ну далеко не все в доме получается так, как вы хотите. Причем понимаешь уже потом, после отделки. Если нет - ну так и нет, вам же жить. СНиП не допускает утечки тепла. Он предполагает , что их скомпенсируют. Посилання на коментар Поділитися на інших сайтах More sharing options...
domnet Опубліковано: 22 лютого 2011 Автор Поділитись Опубліковано: 22 лютого 2011 По поводу многоэтажек ничего сказать не могу. Но предположить могу. Плюют там на все нормы, потому как денег "молодой команде" роздано столько, что все думаю как бы какнибудь достроить и себе в карман положить. Современное массовое жилье - это в большинстве случаев халтура. Бич современных домов - это стремительно развивающаяся плесень, ввиду того что ограничен приток, а вытяжка уже не справляется. Борятся с этим только одним способом - открыванием форточек. Не всё так плохо. Всё-таки дома в центре Киева строят по проектам, и отдел ОВК чего-то думает. Я сегодня перепроверил. В вышеописанной квартире на всех окнах (в верхней части рамы), установлены воздушные клапаны. До сдачи квартиры покупателю отверстия клапанов были заклеены плёнкой. А внутреннюю часть устройства выдавали жильцам. Жильцы потОм установили их. Естественно, кто захотел. То есть, в квартире 3 окна (в 2-х комнатах, и кухне), и, соответственно, 3 воздушных клапана на окнах. Ну, и уже упоминавшиеся, 3 вентканала. Так что Киевпроект рулит. ЗЫ Термоголовки, есессно, на всех радиаторах согласно проекту. Разводка твухтрубная, с тройниками, от общего стояка отопления в нише на этаже. Кто желает, там же устанавливают индивидуальный (поквартирный) учёт тепла. На площадке из 4-х квартир за 3 года пожелала установить индивидуальный учёт только владелица одной квартиры. Посилання на коментар Поділитися на інших сайтах More sharing options...
domnet Опубліковано: 22 лютого 2011 Автор Поділитись Опубліковано: 22 лютого 2011 Клапана в окна, типа Аэреко - спорное решение, но это хоть чтото. В котельной надо не клапан, а отверстие с решеткой, о размере почитайте инструкции к котлу. Чтото около 10см2 на 1 кВт мощности. Кстати, подвал надо вентилировать обязательно, ибо там как правило влажность выше + радон. Я читал ДБН. Там отверстие не обязательно на улицу. При заборе воздуха для котла из помещения, достаточно решетки соответствующих размеров в нижней части двери из котельной в подвал. Сейчас, по памяти, получалось, что решетка должны быть на ширину двери высотой около 10 см. ПотОм посмотрю точнее. Я думаю установить клапан на окне в подвале, но не в топочной. Ведь сами пишете, что вентилировать нужно весь подвал. А если клапан будет в топочной, то приточный воздух прямиком пойдёт в камеру сгорания котла, и в вентканал топочной. В остальную часть подвала свежий воздух не попадёт. ИМХО Посилання на коментар Поділитися на інших сайтах More sharing options...
domnet Опубліковано: 22 лютого 2011 Автор Поділитись Опубліковано: 22 лютого 2011 Почитайте свой проект внимательно. Если там не указан тип притока, или вообще о нем не упоминается, значит архитектор не думал о таких "мелочах". Свой проект я читал 100 раз. Толку, правда, в приточной части вентиляции, от этого не добавилось. О вентиляции вот весь текст в пояснительной записке: Вентиляція Проектні рішення з питань вентиляції в приміщеннях будинку розроблено на підставі діючих нормативних документів та Сніп 2.04.05-91. В приміщеннях будинку використовується припливно-витяжна система вентиляції з природним спонуканням. Кроме этого, есть чертежи с развёрткой вентканалов, их сечениями и уровнями. Ну, и на поэтажных планах, есессно. Фсё. Посилання на коментар Поділитися на інших сайтах More sharing options...
domnet Опубліковано: 22 лютого 2011 Автор Поділитись Опубліковано: 22 лютого 2011 Делать забор воздуха из помещения - проще, дешевле, надежнее. Не знаю почему, но мне тоже так кажется. Посилання на коментар Поділитися на інших сайтах More sharing options...
domnet Опубліковано: 22 лютого 2011 Автор Поділитись Опубліковано: 22 лютого 2011 СНиП не допускает утечки тепла. Он предполагает , что их скомпенсируют.Вот данные расчёта теплопотерь от Теплотехника. Общие теплопотери здания 20140 Вт Теплопотери на нагрев инфильтрующегося наружного воздуха 9888 Вт Теплопотери вследствие проникания 12980 Вт Почему мы при подборе котла и радиаторов учитываем только общие теплопотери (через ограждающие конструкции), но не учитываем необходимость догрева инфильтрующегося воздуха? Ведь они равны почти половине от общих теплопотерь? Общие данные.pdf Посилання на коментар Поділитися на інших сайтах More sharing options...
Сергей_84 Опубліковано: 22 лютого 2011 Поділитись Опубліковано: 22 лютого 2011 Вот данные расчёта теплопотерь от Теплотехника. Общие теплопотери здания 20140 Вт Теплопотери на нагрев инфильтрующегося наружного воздуха 9888 Вт Теплопотери вследствие проникания 12980 Вт Почему мы при подборе котла и радиаторов учитываем только общие теплопотери (через ограждающие конструкции), но не учитываем необходимость догрева инфильтрующегося воздуха? Ведь они равны почти половине от общих теплопотерь? как это не учитываем....у вас общие теплопотери с учетом нагрева вентиляции составляют 20 квт....хотя я в последнее воремя потери на вентиляцию делю на 2.......потому как в -15-20 можно и меньше проветривать...а то доргое удовольствие....и не счильно комфортно когда тянет по полу +не знаю как там в часных домах, но в квартире в основном проветривается только кухня, а комнаты только утром на 5-10 минут....плохо себя не чувствую.дышать есть чем... я признаю вентиляцию только в админзданиях, где в каждом кабинете может сидеть куча людей и дышать, вот здесь нужно проветривать....а в квартире....а тем более доме , где объемы воздуха побольше... Посилання на коментар Поділитися на інших сайтах More sharing options...
Elado Опубліковано: 22 лютого 2011 Поділитись Опубліковано: 22 лютого 2011 Вот данные расчёта теплопотерь от Теплотехника. Почему мы при подборе котла и радиаторов учитываем только общие теплопотери (через ограждающие конструкции) но не учитываем необходимость догрева инфильтрующегося воздуха? Ведь они равны почти половине от общих теплопотерь? Все учтено, все верно. Однократный воздухообмен. На самом деле реальный воздухообмен будет сильно меняться. Допустим включили вытяжку на кухне, вот вам сразу и 400-600м3/ч, санузлы соответственно. Если бы была ПВУ, этот показатель четко можно было бы учесть. Например в Германии, европейском лидере по энергоэффективности, потери от вентиляции ставят на ПЕРВОЕ место. Поэтому и важна рекуперация и др. вещи по энергосбережению, например регулировка производительности (когда нет дома), контроль качества воздуха в вытяжке, по содержанию СО2. Все эти меры здорово сокращают теплопотери, и плюс мы всегда знаем, какой воздухообмен, нет потери в комфорте. В случае с ЕВ - она прекрасно работает зимой (при наличии притока) и практически не работает летом (отсутствует разность давлений). Плюс неконтролируемость притока или потеря комфорта, при его отсутствии. Давно подмечено , что при залповом проветривании каждый час (наиболее правильное действие при ЕВ) теряешь больше тепла, чем в течении часа с ПВУ. ПВУ - это дорого, никто не спорит. Термин окупаемость к ней не применим, я так считаю. Это - значительное повышение комфорта, при этом можно вписаться в существующие теплопотери, если применять эффективные (увы, дорогие) решения - рекуперация, контроль выхлопа, рег.производительности. Посилання на коментар Поділитися на інших сайтах More sharing options...
domnet Опубліковано: 22 лютого 2011 Автор Поділитись Опубліковано: 22 лютого 2011 как это не учитываем....у вас общие теплопотери с учетом нагрева вентиляции составляют 20 квт....хотя я в последнее воремя потери на вентиляцию делю на 2.......потому как в -15-20 можно и меньше проветривать...а то доргое удовольствие....и не счильно комфортно когда тянет по полу +не знаю как там в часных домах, но в квартире в основном проветривается только кухня, а комнаты только утром на 5-10 минут....плохо себя не чувствую.дышать есть чем... я признаю вентиляцию только в админзданиях, где в каждом кабинете может сидеть куча людей и дышать, вот здесь нужно проветривать....а в квартире....а тем более доме , где объемы воздуха побольше... Согласен. На последних 2-х страницах я тоже приводил аналогичные аргументы. Посилання на коментар Поділитися на інших сайтах More sharing options...
domnet Опубліковано: 22 лютого 2011 Автор Поділитись Опубліковано: 22 лютого 2011 Все учтено, все верно. Однократный воздухообмен. На самом деле реальный воздухообмен будет сильно меняться. Допустим включили вытяжку на кухне, вот вам сразу и 400-600м3/ч, санузлы соответственно. Если бы была ПВУ, этот показатель четко можно было бы учесть. Например в Германии, европейском лидере по энергоэффективности, потери от вентиляции ставят на ПЕРВОЕ место. Поэтому и важна рекуперация и др. вещи по энергосбережению, например регулировка производительности (когда нет дома), контроль качества воздуха в вытяжке, по содержанию СО2. Все эти меры здорово сокращают теплопотери, и плюс мы всегда знаем, какой воздухообмен, нет потери в комфорте. В случае с ЕВ - она прекрасно работает зимой (при наличии притока) и практически не работает летом (отсутствует разность давлений). Плюс неконтролируемость притока или потеря комфорта, при его отсутствии. Давно подмечено , что при залповом проветривании каждый час (наиболее правильное действие при ЕВ) теряешь больше тепла, чем в течении часа с ПВУ. ПВУ - это дорого, никто не спорит. Термин окупаемость к ней не применим, я так считаю. Это - значительное повышение комфорта, при этом можно вписаться в существующие теплопотери, если применять эффективные (увы, дорогие) решения - рекуперация, контроль выхлопа, рег.производительности. Не отрицаю применение ПВВ кем-то. Просто в нашем доме её применять не будем. У каждого свои тараканы в голове. Мы, например, практически не пользуемся кондиционерами. Принципиально. Поскольку не нравится. Вентилятор нравится больше. В машине использую кондиционер, поскольку деваться от жары в машине некуда, когда на улице жарко. А дома в жару люблю дуновение вентилятора. Прихоть такая. Так что вопрос ППВ для нас тоже не актуален. А вот о проветривании, в том числе и для нужд атмосферного котла, вопрос не закрыт. Посилання на коментар Поділитися на інших сайтах More sharing options...
domnet Опубліковано: 22 лютого 2011 Автор Поділитись Опубліковано: 22 лютого 2011 (змінено) Чтобы совсем закрыть вопрос с теплопотерями, подскажите, пожалуйста. Вот мы имеем вышеуказанные данные: 1. Общие теплопотери здания 20140 Вт 2. Теплопотери на нагрев инфильтрующегося наружного воздуха 9888 Вт 3. Теплопотери вследствие проникания 12980 Вт Я почему подумал, что теплопотери на нагрев инфильтрующегося воздуха не входят в общие теплопотери? Потому, что сумма 9888 Вт + 12980 Вт = 22868 Вт То есть больше, чем общие теплопотери. Я же думал, что общие теплопотери являются суммой каких-то частных теплопотерь. Что такое теплопотери вследствие проникания? Проникания чего, и куда? ЗЫ Погуглил, прочитал здоровенную книгу по отоплению, и возникли подозрения. Там речь идёт о поступлениях тепла в помещения, вследствие проникновения в помещения через окна солнечной радиации. Так всё-таки теплопотери вследствие проникновения? Или поступление тепла вследствие проникновения? Змінено 22 лютого 2011 користувачем domnet Посилання на коментар Поділитися на інших сайтах More sharing options...
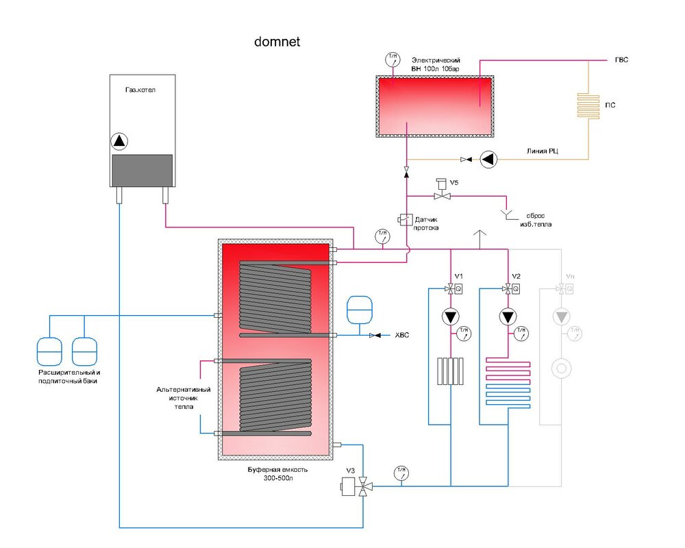
Elado Опубліковано: 23 лютого 2011 Поділитись Опубліковано: 23 лютого 2011 Пока есть время, смотрел свои старые схемные решения. Одно из них я думаю, можно применить и в данном случае. Прошу сильно не пинать, в этой схеме не все , как хотелось бы. Это потому, что пришлось решение корректировать под то, что уже было у зака. В применении к данному случаю, какие плюсы несет это схемное решение. 1. Контура развязаны ч/з буфер (в оригинале использовался бойлер Дражице 300л с 2мя теплообменниками), т.е. можно ставить горячо любимые термоголовки, применять погодозависимое и т.д. - сильно они мешать друг другу не будут. 2. Если в будущем появиться альтернативный источник тепла (толи солн.коллектор, толи ТН, толи твердотопливник, да мало ли) - его можно подключить на нижний ТО, его выработка будет учитываться основным источником. 3. От электрокотла можно избавиться, врезав ТЭНы непосредственно в бойлер и снабдив их ступенчатой регулировкой. 4. Контура можно наращивать до бесконечности, лишь бы мощщи хватало... В качестве буфера можно выбрать как недорогой косвенник, так и специализированный накопительный буфер типа Кордивари, Рефлекс ну или чтото от Будеруса domnet`у - ничего не навязываю, это так, пообсуждать... Посилання на коментар Поділитися на інших сайтах More sharing options...
domnet Опубліковано: 23 лютого 2011 Автор Поділитись Опубліковано: 23 лютого 2011 Пока есть время... Пролейте, пожалуйста, свет на этот вопрос. Теплопотери вследствие проникновения? Или поступление тепла вследствие проникновения? Посилання на коментар Поділитися на інших сайтах More sharing options...
Рекомендовані повідомлення
Створіть акаунт або увійдіть у нього для коментування
Ви маєте бути користувачем, щоб залишити коментар
Створити акаунт
Зареєструйтеся для отримання акаунта. Це просто!
Зареєструвати акаунтУвійти
Вже зареєстровані? Увійдіть тут.
Увійти зараз