avtovas Опубліковано: 22 червня 2011 Поділитись Опубліковано: 22 червня 2011 Так потрібно підключити сім фонарів по периметру газону так щоб в одному положенню включалося три фонарі від датчика руху а вдругому положенні вкючалися всі сім маю схемку коли вони всі влючаються від датчика. Посилання на коментар Поділитися на інших сайтах More sharing options...
avtovas Опубліковано: 22 червня 2011 Автор Поділитись Опубліковано: 22 червня 2011 ось схемка на всі світильники потрібно щоб 2 3 і 4 фонарь включався від датчика руха або запропонуйте альтернативу Посилання на коментар Поділитися на інших сайтах More sharing options...
engeneer Опубліковано: 22 червня 2011 Поділитись Опубліковано: 22 червня 2011 Конкретизируйте. Первое и второе положение ЧЕГО? Одноклавишный, двухклавишный, два одноклавишных, галетный переключатель - чем планируете переключать? Не понял что должно происходить во втором положении - включаться все семь от датчика движения или включаться принудительно независимо от датчика? Простейший вариант - датчик включает реле на две группы НО контактов, одна группа на три (включены всегда), другая - на четыре фонаря (коммутируется). Один выключатель запитывает реле, второй подключает группу из четырех фонарей. 1 Посилання на коментар Поділитися на інших сайтах More sharing options...
avtovas Опубліковано: 23 червня 2011 Автор Поділитись Опубліковано: 23 червня 2011 так перше положення переключателямає включити датчик який засвітить три фонарі а друге положення переключателя має включити всі фонарі без датчика я так розумію що все впирається у переключатель підскажіть який потрібно і схемку. І підскажіть який датчик потрібно він має стояти на стовпі фонаря від землі десь на 40 см Посилання на коментар Поділитися на інших сайтах More sharing options...
Дощ Опубліковано: 23 червня 2011 Поділитись Опубліковано: 23 червня 2011 А чого 40 см від землі? Ви собаку хочете навчити світло вмикати? Посилання на коментар Поділитися на інших сайтах More sharing options...
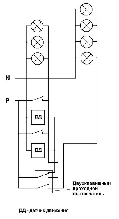
zzr400 Опубліковано: 23 червня 2011 Поділитись Опубліковано: 23 червня 2011 так перше положення переключателямає включити датчик який засвітить три фонарі а друге положення переключателя має включити всі фонарі без датчика я так розумію що все впирається у переключатель підскажіть який потрібно і схемку. Нужен сдвоенный переключатель. Схема, кажется, такая: 1 Посилання на коментар Поділитися на інших сайтах More sharing options...
engeneer Опубліковано: 23 червня 2011 Поділитись Опубліковано: 23 червня 2011 так перше положення переключателямає включити датчик який засвітить три фонарі а друге положення переключателя має включити всі фонарі без датчика я так розумію що все впирається у переключатель підскажіть який потрібно і схемку. І підскажіть який датчик потрібно він має стояти на стовпі фонаря від землі десь на 40 см Набросал схему управления обычным двухклавишным выключателем. Верхняя клавиша включает контактор, который засвечивает обе группы. Нижняя клавиша включает датчик движения, от которого работает только первая группа. Датчик можно взять любой наружной установки, типа такого как на (ссылка устарела). 1 Посилання на коментар Поділитися на інших сайтах More sharing options...
avtovas Опубліковано: 24 червня 2011 Автор Поділитись Опубліковано: 24 червня 2011 датчик мені дали у нас магазині ікраз такий який ви написали ДЕЛЮКС за 60 грн а в інструкції пише що він ставиться на висоті 2м і кут обзору180 а дальність 11м. Схемка ясна буду брати збирати спочатку у мініатюрі пізніше буду робити загальну. Також цікавить чи можна добавити до датчика руху ще один датчик руху але на інший фонар так щоб я вже точно був впевнений що фонарі будуть загорятися а не ходити по доріжці і махати ногами щоб включився. Дякую всім за поміч бо в магазині сказали що таке неможливо зробити а це все так просто виходить через двойний переключатель Посилання на коментар Поділитися на інших сайтах More sharing options...
engeneer Опубліковано: 24 червня 2011 Поділитись Опубліковано: 24 червня 2011 Також цікавить чи можна добавити до датчика руху ще один датчик руху але на інший фонар так щоб я вже точно був впевнений що фонарі будуть загорятися а не ходити по доріжці і махати ногами щоб включився. Можно, включаете в параллель. На выходе датчика - простое реле. Какой раньше сработает - тот и включит. 1 Посилання на коментар Поділитися на інших сайтах More sharing options...
Curtis Опубліковано: 24 червня 2011 Поділитись Опубліковано: 24 червня 2011 Покажите ваши фонарики! Я себе тоже подбираю светильники во двор и не могу определится, все страшные( Посилання на коментар Поділитися на інших сайтах More sharing options...
engeneer Опубліковано: 24 червня 2011 Поділитись Опубліковано: 24 червня 2011 Покажите ваши фонарики! Я себе тоже подбираю светильники во двор и не могу определится, все страшные( Просто ничего приличного в магазинах нет. Один Китай. Посмотрите: Elcamet (ссылка устарела) (ссылка устарела) Moretti luce Massive и Elcamet доступно со склада, Kolarz и Moretti везется 4-8 недель. Посилання на коментар Поділитися на інших сайтах More sharing options...
avtovas Опубліковано: 24 червня 2011 Автор Поділитись Опубліковано: 24 червня 2011 я буду брати фонарі прости білі круглі діаметр 200мм вони в нас по 70грн а решта буду робити із ковки вже договорився із ковальом з дизайном ще неоприділився будем робити підставляяти якісь листочки ще щось коротше можна буде зробити що уява позволить ціна десь вийде 200грн за штуку так як більш менш нормальний фонар коштує від 350 грн Посилання на коментар Поділитися на інших сайтах More sharing options...
engeneer Опубліковано: 24 червня 2011 Поділитись Опубліковано: 24 червня 2011 я буду брати фонарі прости білі круглі діаметр 200мм вони в нас по 70грн а решта буду робити із ковки вже договорився із ковальом з дизайном ще неоприділився будем робити підставляяти якісь листочки ще щось коротше можна буде зробити що уява позволить ціна бесь вийде 200грн за штуку так як більш менш нормальний фонар коштує від 350 грн У меня знакомые делают кованные листочки и цветы для продажи в Эпицентрах. Сейчас проектируем с ними фонари на светодиодах. Опаловый шар 200 с арматурой ("Электрум") покупал себе за 50 грн. Посилання на коментар Поділитися на інших сайтах More sharing options...
avtovas Опубліковано: 24 червня 2011 Автор Поділитись Опубліковано: 24 червня 2011 Нужен сдвоенный переключатель. Схема, кажется, такая: мене ваша схема зацікавила але тут виникає питання у виключателю шукаю по нету і неможу знайти запропонуйте якусь модель і я так розумію що то є прохідний виклоючатель а у інструкції датчика пише щоб не використовувати датчику льнії із прохідним виключателем Посилання на коментар Поділитися на інших сайтах More sharing options...
avtovas Опубліковано: 24 червня 2011 Автор Поділитись Опубліковано: 24 червня 2011 У меня знакомые делают кованные листочки и цветы для продажи в Эпицентрах. Сейчас проектируем с ними фонари на светодиодах. Опаловый шар 200 с арматурой ("Электрум") покупал себе за 50 грн. та класно виглядає але світлодіодні мені недадуть стільки світла а шари де брав мені потрібно буде ще 10 штук без ножок Посилання на коментар Поділитися на інших сайтах More sharing options...
avtovas Опубліковано: 24 червня 2011 Автор Поділитись Опубліковано: 24 червня 2011 Набросал схему управления обычным двухклавишным выключателем. Верхняя клавиша включает контактор, который засвечивает обе группы. Нижняя клавиша включает датчик движения, от которого работает только первая группа. Датчик можно взять любой наружной установки, типа такого как на (ссылка устарела). я немаю де заховати контактор в землю закопувати щось нехочеться щось інакше підскажіть Посилання на коментар Поділитися на інших сайтах More sharing options...
engeneer Опубліковано: 24 червня 2011 Поділитись Опубліковано: 24 червня 2011 та класно виглядає але світлодіодні мені недадуть стільки світла а шари де брав мені потрібно буде ще 10 штук без ножок На "Электруме" и брал - я с ними работаю не первый год. Надо будет - организую, пишите в личку. Лампы накаливания в шары лучше не ставить, в самый раз - энергосберегающие на 7-9 Вт. Светодиоды могут дать нормальный свет, но их надо ставить 2-3 in по 1 Вт, а это довольно дорого (120-150 грн). Плюс - что могут работать от 12 В. 1 Посилання на коментар Поділитися на інших сайтах More sharing options...
avtovas Опубліковано: 24 червня 2011 Автор Поділитись Опубліковано: 24 червня 2011 На "Электруме" и брал - я с ними работаю не первый год. Надо будет - организую, пишите в личку. Лампы накаливания в шары лучше не ставить, в самый раз - энергосберегающие на 7-9 Вт. Светодиоды могут дать нормальный свет, но их надо ставить 2-3 in по 1 Вт, а это довольно дорого (120-150 грн). Плюс - что могут работать от 12 В. енергозберігаючи так і думав ставити по сроку служби вони (якщо взяти нормальні) вони будуть світити так само як і діодні але коштують у три рази дишевше з діодами стикаюсь кожний день бо продаю їх у авто магазині не є вони такі і довговічні хоч і різні перепродував і із монтажем волакіти куча буде а так лампу закрутив і буде свєт Посилання на коментар Поділитися на інших сайтах More sharing options...
engeneer Опубліковано: 25 червня 2011 Поділитись Опубліковано: 25 червня 2011 енергозберігаючи так і думав ставити по сроку служби вони (якщо взяти нормальні) вони будуть світити так само як і діодні але коштують у три рази дишевше з діодами стикаюсь кожний день бо продаю їх у авто магазині не є вони такі і довговічні хоч і різні перепродував і із монтажем волакіти куча буде а так лампу закрутив і буде свєт Согласен, лампы будет проще и дешевле. Тем более, продает тот же Электрум. Контактор в землю, конечно, не дело - надо разместить в доме и тянуть две линии к фонарям. Набросайте схемку как сейчас сделано и размещено - вместе подумаем 1 Посилання на коментар Поділитися на інших сайтах More sharing options...
avtovas Опубліковано: 25 червня 2011 Автор Поділитись Опубліковано: 25 червня 2011 схема виложена зверху так і мають бути розміщені фонарі датчик і переключатель збоку через обмостку хата із фасадом і бесідка переключатель хочу поставити на бесідку зовні. Порекомендуйте датчик руху але я хочу поставити на фонар буде низько ставитись на 40см а всі датчики від 2м ставлять врізний на 1м а менше невидів на хату тягнути немаю бажання Посилання на коментар Поділитися на інших сайтах More sharing options...
zzr400 Опубліковано: 25 червня 2011 Поділитись Опубліковано: 25 червня 2011 мене ваша схема зацікавила але тут виникає питання у виключателю шукаю по нету і неможу знайти запропонуйте якусь модель і я так розумію що то є прохідний виклоючатель Почитал и я нета. Выключатель правильно называется "перекрестный". Модель посоветовать не могу - такой же начинающий, как и Вы а у інструкції датчика пише щоб не використовувати датчику льнії із прохідним виключателем А вот по этому вопросу хотелось бы услышать обоснования, чем коммутация проходным/перекрестным выключателем вредна датчику? Или датчику изначально вредна любая коммутация? Посилання на коментар Поділитися на інших сайтах More sharing options...
engeneer Опубліковано: 26 червня 2011 Поділитись Опубліковано: 26 червня 2011 Почитал и я нета. Выключатель правильно называется "перекрестный". Модель посоветовать не могу Этот выключатель называется "двухклавишный проходной", он же коридорный, он же лестничный. Есть у любого производителя. Схема с ним реально получается самая простая. Что датчики нельзя подключать по проходной схеме, это из серии что нельзя собачку сушить в СВЧ - защита от дурака, чтобы не включили что-то наоборот. В этой схеме датчики не будет включены как проходные выключатели - они либо включены либо нет. Посилання на коментар Поділитися на інших сайтах More sharing options...
avtovas Опубліковано: 26 червня 2011 Автор Поділитись Опубліковано: 26 червня 2011 у мене датчик ДЕЛЮКС YCA1021 і в інструкції пише де попередження дослівно коментую - не рекомендується застосовувати датчик в електричному контурі з іншим керуючим устаткуванням (наприклад зі сходовим вимикачем,затемнюючим устатткуваннямта ін.) І ось у мене запитання чи неспалю я той датчик чи можливо його термін служби буде менший. І щераз питання на рахунок висоти хтось ставив датчик руху до 0.5м яка тоді дальність реагування буде Посилання на коментар Поділитися на інших сайтах More sharing options...
avtovas Опубліковано: 26 червня 2011 Автор Поділитись Опубліковано: 26 червня 2011 Этот выключатель называется "двухклавишный проходной", он же коридорный, он же лестничный. Есть у любого производителя. Схема с ним реально получается самая простая. Что датчики нельзя подключать по проходной схеме, это из серии что нельзя собачку сушить в СВЧ - защита от дурака, чтобы не включили что-то наоборот. В этой схеме датчики не будет включены как проходные выключатели - они либо включены либо нет. я щось нерозумію в цій схемі всі сім фонарів будуть світитись чи ні бо бачу що дві лінії окремо а потрібно щоб одним переключателем включались датчики а другим переключателем включались всі сім лампочок але впринципі треба піти у магазин купити таки перелючатель там мабуть є інструкція і попробувати Посилання на коментар Поділитися на інших сайтах More sharing options...
engeneer Опубліковано: 26 червня 2011 Поділитись Опубліковано: 26 червня 2011 у мене датчик ДЕЛЮКС YCA1021 і в інструкції пише де попередження дослівно коментую - не рекомендується застосовувати датчик в електричному контурі з іншим керуючим устаткуванням (наприклад зі сходовим вимикачем,затемнюючим устатткуваннямта ін.) І щераз питання на рахунок висоти хтось ставив датчик руху до 0.5м яка тоді дальність реагування буде В нашей схеме он не будет работать с другим оборудованием - он либо включен либо нет. По высоте - не скажу, надо пробовать. Каждый датчик имеет свою характеристику, китайский особенно ;) По схеме включения: левая клавиша в положении "выключено" - работает датчик движения на три фонаря (или два датчика как на схеме). Левая клавиша в положении "включено" - датчики отключены, три фонаря включены. Правая клавиша в положении "включено" - четыре фонаря включены. Включить все семь одной клавишей можно если применить двухполюсный одноклавишный выключатель - у него один вход и два независимых выхода, типа двухклавишного, но клавиша одна. Тогда на датчик нужен отдельный выключатель, либо вообще без выключателя - пусть будет включен все время, если датчик нормальный - с сумеречным реле - днем работать не будет. При включении от выключателя датчик можно не отключать. 1 Посилання на коментар Поділитися на інших сайтах More sharing options...
Рекомендовані повідомлення
Створіть акаунт або увійдіть у нього для коментування
Ви маєте бути користувачем, щоб залишити коментар
Створити акаунт
Зареєструйтеся для отримання акаунта. Це просто!
Зареєструвати акаунтУвійти
Вже зареєстровані? Увійдіть тут.
Увійти зараз