quazi Опубліковано: 4 вересня 2011 Автор Поділитись Опубліковано: 4 вересня 2011 1. Нет таких готовых решений. Человек сам того не понимая создает себе проблемы. Как-то очень категорично. Словно про инопланетян. Ну, вобщем, (ссылка устарела) такие готовые. И вопрос тут совсем не в цене. Все на рынке имеет свою цену. 2. Самопальный Т.А. это лотерея. В этом я согласен. - А насчет "не прислушивается к доводам", так это скорее не ко мне. Когда проектировщик "засел" на типовой модели, и говорит, что другое будет дорого, а-приори работать не будет, и вообще - бред, то из проектировщика он превращается в ремесленника. А продукт назовется LADA 210х - ну чем не машина, и она в полной мере есть отражение совка - Вот я говорю: и работать будет, и решение есть, и исполнитель найдется такой, что подойдет к вопросу критически, но не деструктивно, а креативно. И пусть желающие меня аргументированно опровергнут, а не желающие - промолчат. А те, кто понимают уже высказали свое мнение. - Я до сих пор ни одного аргументированного довода, почему это работать не будет, не услышал. А фразы на тему "сложно/лишнее/шоб було/окупаемость/Kvs" с одинаковым успехом могут произносить здесь и новички: для этого экспертом быть не надо, а произвести впечатление знающего можно вполне. Кстати, кроме Слободария никто ничего дельного не сказал - Кстати, Сергей, говорите: "нажелал на много тыщ", а сами-то этими тыщами туда-сюда бросаетесь. Вот мне и стало интересно: от какой такой работы монтажники такое удовольствие получают, что им на 1000 у.е. больше заработать ну совсем не интересно... Или 1000 у.е. уже и не деньги? - А в целом, спасибо всем за внимание, толку из этой ветки, видать, все равно не будет, коль даже уважаемые гуру поставили на ней крест Посилання на коментар Поділитися на інших сайтах More sharing options...
Сергей 31 Опубліковано: 4 вересня 2011 Поділитись Опубліковано: 4 вересня 2011 И пусть желающие меня аргументированно опровергнут, а не желающие - промолчат. :pardon( Для того, что бы аргументировать по такому вопросу нужно проделать определенную работу. Которая займет не один час. Ну и конечно лень этим заниматься. На форуме легко получить ответ на конкретный вопрос. Вот мне и стало интересно: от какой такой работы монтажники такое удовольствие получают, что им на 1000 у.е. больше заработать ну совсем не интересно... От такой работы, как Ваша и получают такое удовольствие. Одни работаю потому, что просто очень нужны деньги. Другие могут себе позволить выбрать работу, которая им не только выгодна, но еще и интересна. Посилання на коментар Поділитися на інших сайтах More sharing options...
Сергей_84 Опубліковано: 4 вересня 2011 Поділитись Опубліковано: 4 вересня 2011 - Вот я говорю: и работать будет, и решение есть, и исполнитель найдется такой, что подойдет к вопросу критически, но не деструктивно, а креативно. Об этом и речь.....никто не будет тратить пол-дня чтобы потом дать совет на форуме...тем более как правило все схемы на основе Ттшников -это КОПИРАЙТ и никто из монтажников не будет их выкладывать во всеувидение , еще и разжевывать - Я до сих пор ни одного аргументированного довода, почему это работать не будет, не услышал. Работать будет если сначала над его работой поработать мозгами..заставить работать можно любую схему, но времени пойдет масса... - А в целом, спасибо всем за внимание, толку из этой ветки, видать, все равно не будет, коль даже уважаемые гуру поставили на ней крест Не будет толку по причине указанной мною высше в первом ответе.... Пс Раз вы любите автомобильную тематику...почему наши двигатели-гавно, а БМВ -отличные...может потому что люди там за серьезные деньги сидят и проэктируют , разрабатывают, а у нас за пару гривен создали че-то и хотят чтобы оно классно работало...Вот так и вы хотите ответ по сложной схеме получить вот так просто на форуме, возможно еще и с красивыми схемаим..Здесь даются советы общего характера, на которые отвечающий потратит от силы 5-10 минут....подскажет где правильно ,где нет и даст направление для дальнейших трудов...но разрабатывать сложных схем никто не будет.. Сейчас передо мной на столе лежит листок бумаги, на котором я продумываю логику работы котельной на основе ТТ котла с ТА, газового и электрокотла, работающего по 3 тарифной системе на ТА... И это моя работа,за которую я получу в перспективе денег, за которую я не просто атк трачу время. Как вы думаете я сейчас брошу работу и начну тратить время на продумывание вашей схемы??? Вы бы сами так поступали? Если вы хотите реализации вашей задумки вам нужно нанять кого-то из монтажников и уже с ним разработать схему и реализовать ее в жизнь...Но помните: зачастую сантехники берут серьезные деньги не за сам процесс обвязки котельной (за работу ручками), который может длиться малое количество времени, а за работу по проэктировании и продумывании алгоритма работы по вашим желаниям..... Посилання на коментар Поділитися на інших сайтах More sharing options...
Сергей_84 Опубліковано: 4 вересня 2011 Поділитись Опубліковано: 4 вересня 2011 От такой работы, как Ваша и получают такое удовольствие. Одни работаю потому, что просто очень нужны деньги. Другие могут себе позволить выбрать работу, которая им не только выгодна, но еще и интересна. Раньше я тоже не понимал как это-перебирать...но теперь ко мне приходит понимание... Посилання на коментар Поділитися на інших сайтах More sharing options...
Сергей 31 Опубліковано: 4 вересня 2011 Поділитись Опубліковано: 4 вересня 2011 ...но теперь ко мне приходит понимание... Искренне рад за тебя, растешь. Очередная профессиональная ступенька пройдена. Их не так много осталось, штук 5. А помнишь, когда ты только пришел на форум, то никак не мог согласиться с высказыванием: " работа может стать хобби". Посилання на коментар Поділитися на інших сайтах More sharing options...
quazi Опубліковано: 4 вересня 2011 Автор Поділитись Опубліковано: 4 вересня 2011 Здесь даются советы общего характера, на которые отвечающий потратит от силы 5-10 минут....подскажет где правильно ,где нет и даст направление для дальнейших трудов...но разрабатывать сложных схем никто не будет.. Вот вы потратили на пост больше 10 минут, а пользы от него - ноль. Где же "подскажет где правильно, где нет"? И где "направление для дальнейших трудов"? Вобщем, как сказал умудренный опытом человек: картина маслом. А именно то, что приходят сюда два класса людей: те кто ищут не халявы, а совета, и те, кто хочет пиариться. А про копирайт - тут вы меня развеселили. Сергей 31 сказал: все уже придумано. Не вами ли? И не владеете ли, часом, патентами на схемы установки ТТ и ТА? Да и разрабатывать мне схему не надо. И причин на это две: любой проектировщик знает, что суть в деталях, без которых все не станет на свои места. А схема обвязки, да без указания размеров, характеристик насосов, кранов, расхода и мощности установки - это не более, чем набросок. И если мне проектировщик говорит: "я, типа, крут - все знаю, но сейчас не скажу как, пока денег не дашь", то у меня сразу возникнет вопрос в его реальной компетенции Удачи вам в работе. И, пожалуйста, не флудите в ветке: вдруг кто захочет почитать, а тут все бестолку. 1 Посилання на коментар Поділитися на інших сайтах More sharing options...
Сергей_84 Опубліковано: 5 вересня 2011 Поділитись Опубліковано: 5 вересня 2011 те кто ищут не халявы, а совета. вы ищете халявы...советы вам уже были даны не одним человеком...дальнейшие разработки и выкладывание схем вам-халява...без схем более глубокие советы давать бессмысленно-все равно вы не поймете, да и не полными они будут ,А про копирайт - тут вы меня развеселили. Сергей 31 сказал: все уже придумано. Не вами ли? И не владеете ли, часом, патентами на схемы установки ТТ и ТА? . Придумана база...а развивать ее -это другое дело... а 2 ТА -это далеко не база , а спецзаказ... Если вам смешно....не задавайте здесь вопросов, продумывайте схемы самостоятельно и внедряйте....если не можете, нанимайте человека, который это сделает професионально за деньги.... Удачи вам в работе.. Спасибо... Посилання на коментар Поділитися на інших сайтах More sharing options...
Сергей_84 Опубліковано: 5 вересня 2011 Поділитись Опубліковано: 5 вересня 2011 Кстати вы просили дать напрвление....Даю: НСО нафиг убрать он там лишний Приоритет обеспечивается трехходовиком, который у вас между ТА, и термостатом , который располагается в ТА2 В остальном схему можно применять и дорабатывать электроавтоматикой...но повторюсь-не дешево это...вы так долго будете разрабатывать схему, а когда посчитаете стоимость долго будете оптимизировать и удешевлять... Вот такие советы вы можете на форуме получать запросто.... ПС Если вы доработаетет вашу схему и она заработает, смело можете ее продавать, как готовый к применению эксклюзив....тоесть тот КОПИРАЙТ над которым вы смеялись.....70% моих коллег такую схему не создадут... 1 Посилання на коментар Поділитися на інших сайтах More sharing options...
murava Опубліковано: 6 вересня 2011 Поділитись Опубліковано: 6 вересня 2011 .... любой проектировщик знает, что суть в деталях, без которых все не станет на свои места. .... Дык вот то-то и оно .... тысячи их. А вы тут уже и подраться успели, и копирайт обсудить, забывая, что все уже придумано до нас... Посилання на коментар Поділитися на інших сайтах More sharing options...
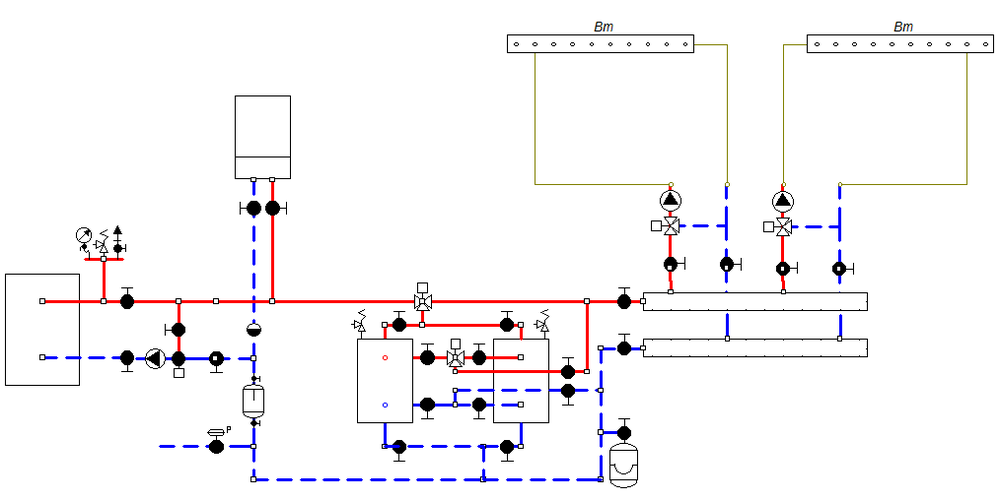
quazi Опубліковано: 2 січня 2012 Автор Поділитись Опубліковано: 2 січня 2012 Если вы доработаете вашу схему и она заработает, смело можете ее продавать, как готовый к применению эксклюзив....тоесть тот КОПИРАЙТ над которым вы смеялись.....70% моих коллег такую схему не создадут... Что-бы кто ни говорил о высшем разуме "проффесионального" монтажника, и скептическом отношении к любителям, выкладываю схему, спроектированную любителем, и реализованную _монтажниками_ (теми, кто умеют трубы паять). Сие творение с успехом и без лишней мороки в течение 2х месяцев справляется с системой отопления, состоящей из ТТ, ЭК в 3-ем электротарифе, 2х ТА с различным приоритетом, 2х смесителей ТП на 220м2. К слову, из автоматики - только реле времени ЭК. Распространяется бесплатно, в соответствии с GPLv3, в помощь тем 70% коллег, и любителям, не боящимся брать проект в свои руки. Удачи всем P.S.: Люблю ЭТУ тему: "картина маслом" 3 Посилання на коментар Поділитися на інших сайтах More sharing options...
левша Опубліковано: 2 січня 2012 Поділитись Опубліковано: 2 січня 2012 Сказали А, скажите Б.;) А если вопрос поставить иначе? Вы нажелали не на одну тыс. евро. Если принять Ваш вариант, доработать и воплотить в жизнь. Думаю, что с учетом экономичности такой системы и даже при ночном тарифе. Срок окупаемости уйдет в бесконечность. Посилання на коментар Поділитися на інших сайтах More sharing options...
Korni Опубліковано: 2 січня 2012 Поділитись Опубліковано: 2 січня 2012 .....Сие творение с успехом и без лишней мороки ..... Распространяется бесплатно, в соответствии с GPLv3..... Скажите, а схема полная? Там изображено всё установленное оборудование? Посилання на коментар Поділитися на інших сайтах More sharing options...
Interso Опубліковано: 2 січня 2012 Поділитись Опубліковано: 2 січня 2012 Что-бы кто ни говорил о высшем разуме "проффесионального" монтажника, и скептическом отношении к любителям, выкладываю схему, спроектированную любителем, и реализованную _монтажниками_ (теми, кто умеют трубы паять). Сие творение с успехом и без лишней мороки в течение 2х месяцев справляется с системой отопления, состоящей из ТТ, ЭК в 3-ем электротарифе, 2х ТА с различным приоритетом, 2х смесителей ТП на 220м2. К слову, из автоматики - только реле времени ЭК. Распространяется бесплатно, в соответствии с GPLv3, в помощь тем 70% коллег, и любителям, не боящимся брать проект в свои руки. [ATTACH]154638[/ATTACH] Удачи всем P.S.: Люблю ЭТУ тему: "картина маслом" Нехочу обидеть вас за уже собранную схему но трёхходовики между ТА1 и ТА2 они просто лишние и полезной функции выполнять небудут. Вообще непонятно зачем их поставили,какая логика? Даже если у вас будет ТА1 для ГВС и нагреватся в будущем от солнечных коллекторов то всеравно непонятно предназначение этих трёхходовиков между ТА. П.С как по мне ваше схемное решение более подвержено к аварийной ситуации по перегреву ТТ котла из за присутствия на линии подачи трёхходвого клапана.Да и неплохо было бы что бы ваша схема была полной с описнием логики работы а то както догадки мучают. Посилання на коментар Поділитися на інших сайтах More sharing options...
quazi Опубліковано: 2 січня 2012 Автор Поділитись Опубліковано: 2 січня 2012 Сказали А, скажите Б.;) Бюджет: - Viadrus - 1150 евро - Узел циркуляции-подмеса Esbe LTC171 - 300 евро - Protherm CKAT 24K - 530 евро - 2 простых ТА по 1м3 - 1300 евро - утеплитель 100мм на 2 ТА сделал из армированной минваты, обернул мембраной - 100 евро - материалы на обвязку (краны, трубы) - 1500 евро - работа - 1500 евро 1 Посилання на коментар Поділитися на інших сайтах More sharing options...
quazi Опубліковано: 2 січня 2012 Автор Поділитись Опубліковано: 2 січня 2012 Скажите, а схема полная? Там изображено всё установленное оборудование? Схема полная, если чего не хватает, буду рад услышать Посилання на коментар Поділитися на інших сайтах More sharing options...
Interso Опубліковано: 2 січня 2012 Поділитись Опубліковано: 2 січня 2012 Схема полная, если чего не хватает, буду рад услышать Как полная если по предыдущим постам у вас должен быть солнечный коллектор, если будет то куда он должен подключатся,дальше как у вас будет нагреватся бойлер ГВС. Но если это у вас и в самом деле полная схема то тогда точно непонятно зачем столько понаставили трёхходовиков,от них толку никакого только хуже. Посилання на коментар Поділитися на інших сайтах More sharing options...
quazi Опубліковано: 2 січня 2012 Автор Поділитись Опубліковано: 2 січня 2012 Нехочу обидеть вас за уже собранную схему но трёхходовики между ТА1 и ТА2 они просто лишние и полезной функции выполнять небудут. А почему сразу обидеть? Неужели ваше предположение - единственно верное, а все остальное просто "не могет буть, потому как не могет буть никогда"? Дискуссия, априори, есть дорога с двусторонним движением. Все остальное - это по этой теме. А вообще, тут и не так нежно комментировали - и ничего, желание сделать не пропало. Вообще непонятно зачем их поставили,какая логика? 3х ходовой в котловой линии - ESBE VRG 231 обеспечивает 3 режима работы: - крайнее правое положение - подача из котловой линии только в ТА (обычный режим работы) - среднее положение - подача из котловой линии в ТА и в распределитель ТП - крайнее левое положение - циркуляция ТА - распределитель ТП 3х ходовой в отопительной линии, на самом деле - это 4х ходовой VRB 141, отличие только в том, что в ТА-ГВС есть отбор из центра бака. 3х ходовой изображен для простоты чтения схемы. Используется для выбора ТА1 или ТА2 в зависимости от необходимости обеспечить приоритет на ГВС. Даже если у вас будет ТА1 для ГВС и нагреватся в будущем от солнечных коллекторов то всеравно непонятно предназначение этих трёхходовиков между ТА. Предложите схему естественного приоритета ТА1 на ГВС и я избавлюсь от 4х ходового. П.С как по мне ваше схемное решение более подвержено к аварийной ситуации по перегреву ТТ котла из за присутствия на линии подачи трёхходвого клапана. Вот здесь, я очень попрошу, поподробнее. 3х ходовой автоматикой не снабжен и переключается вручную, так как режим 2 нужен на случай прогрева холодной системы, не дожидаясь прогрева ТА, и режим 3 нужен в случае, если бы подогрев ТА обеспечивался солнечными коллекторами или внутренними тенами (которые не устанавливались). Да и неплохо было бы что бы ваша схема была полной с описнием логики работы а то както догадки мучают. С описанием логики у нас всех тут одни догадки, но я попытаюсь догадки прояснить. ТТХ: 1. теплогенераторами СО являются ТТ Viadrus U22 D8 и ЭК Protherm CKAT 24K 2. система проектировалась из расчета IV климатической зоны (-23'C) с планируемой однократной протопкой ТТ при полной загрузке с сохранением тепла в 2м3 ТА (85-60). 3. расчетные теплопотери дома 9.5 КВт при -23'C. 4. отопление ТП, 2 этажа, на площади 220м2. расчетная температура подачи - 40'C, обратки - 32'C. 5. Запас хода ТА в таком режиме при -23'C - около 16 часов. 6. ЭК работает в 3-ем электротарифе в ночном режиме догревает ТА до 60'C. Логика следующая: - теплая вода подается котловыми насосами в ТА по котловой линии - 3х ходовой кран в котловой линии установлен так, чтобы обеспечить подачу котловой воды в ТА и отсечь ее от отопительной линии - теплая вода из ТА забирается через отопительную линию насосами смесителей на коллекторе-распределителе и подается на гребенки ТП 1го и 2го этажа - 4х ходовой кран в отопительной линии в норме установлен в отбор воды из ТА2 и переключается на ТА1 только в случае снижения t' воды в TA2 ниже 40'C P.S. Комментарии _по-сути_ приветствуются, как и советы "было бы лучше, если бы", но только please с разборчивым описанием того, почему лучше и как это лучше работает в контексте указанных ТТХ Посилання на коментар Поділитися на інших сайтах More sharing options...
quazi Опубліковано: 2 січня 2012 Автор Поділитись Опубліковано: 2 січня 2012 Как полная если по предыдущим постам у вас должен быть солнечный коллектор, если будет то куда он должен подключатся,дальше как у вас будет нагреватся бойлер ГВС. Бойлера ГВС нет, есть ТА1 с теплообменником ГВС, а также с теплообменником СК. То, что не смонтировано, не показано, но суть системы от этого не изменится. Но если это у вас и в самом деле полная схема то тогда точно непонятно зачем столько понаставили трёхходовиков,от них толку никакого только хуже. Хуже обычно тем, кто не делает или не думает. В моей же схеме у каждого 3х ходовика своя четкая роль, причем не зависящая от ничем не подкрепленного мнения сторонних наблюдателей Посилання на коментар Поділитися на інших сайтах More sharing options...
quazi Опубліковано: 2 січня 2012 Автор Поділитись Опубліковано: 2 січня 2012 На баках ТА ошибочно указаны предохранительные вентили вместо воздуховыпускных клапанов. Сорри за накладочку Исправленному верить ;) 1 Посилання на коментар Поділитися на інших сайтах More sharing options...
Interso Опубліковано: 2 січня 2012 Поділитись Опубліковано: 2 січня 2012 Бойлера ГВС нет, есть ТА1 с теплообменником ГВС, а также с теплообменником СК. То, что не смонтировано, не показано, но суть системы от этого не изменится. Вот вот в схеме и надо было рисовать что у вас там есть два теплообменника, и таким образом вы заводите в недопонимание. Посилання на коментар Поділитися на інших сайтах More sharing options...
Сергей_84 Опубліковано: 2 січня 2012 Поділитись Опубліковано: 2 січня 2012 Бюджет: - Viadrus - 1150 евро - Узел циркуляции-подмеса Esbe LTC171 - 300 евро - Protherm CKAT 24K - 530 евро - 2 простых ТА по 1м3 - 1300 евро - утеплитель 100мм на 2 ТА сделал из армированной минваты, обернул мембраной - 100 евро - материалы на обвязку (краны, трубы) - 1500 евро - работа - 1500 евро страшно дешевая система стоимостью в 6,5 евро... собственно об этом Вам и говорилось...Вам дешево, а кому-то дорого, притом очень... ПС При поломке насоса ТТ котла(вдруг) у Вас все это немного бахнет....абсолютно не увидел систем защиты...советую задуматься... ППС 1500 евро за работу-это нормальная цена (может даже немного завышена, но это тема другого разговора, такой себе холивар) , а если учесть, что монтажник еще и не думал, а все спроэктировали ему вы сами... а Вам сразу сказали, что ваши задумки недешевы, а вы спорили с пеной у рта и доказывали, что это все можно дешево спроэктировать и воплотить....И что теперь Вашим сообщением вы пытаететсь доказать?????? я так и не понял, звыняйтэ Посилання на коментар Поділитися на інших сайтах More sharing options...
quazi Опубліковано: 2 січня 2012 Автор Поділитись Опубліковано: 2 січня 2012 страшно дешевая система стоимостью в 6,5 евро... - Сергей, при всем почтении к гуру теплотехники, я позволю себе заметить, что никто из ваших колег, включая вас, не предлагает бюджет ниже десяточки. Это - раз. - И это не говоря о том, что те же гуру теплотехники не считают интересным для себя заработать на тыщу енотов больше. Это - два. - Плюс к тому, вопрос стоимости мною не поднимался изначально. Я, конечно, понимаю всеобщую заботу о чужом кармане, но в, конце-концов, бюджет - это забота конкретного заказчика. Это - три. - Может быть, вы и не заметили систем защиты ТТ котла, но если бы вы ознакомились со схемой внимательно, то заметили бы признаки группы безопасности Watts KSG30, а также то, что ESBE LTC171 имеет клапан естественной циркуляции в случае отключения насоса. Это - четыре. Ну и, уже сбившись со счета (меня на физмате учили думать, а считают пусть машины), я позволю себе заметить, что совсем не я здесь изо дня в день доказываю с пеной у рта и изрядной долей самокрасования то, что без гуру теплотехники "все погибло" и что все гуру здесь сидят чисто из гуманных побуждений. Хотя, отдавая должное, хочу сказать спасибо Сергею 31, который кратко заметил, что ТА - та же гидрострелка. Ну и наконец, пост со схемой вовсе не для удовлетворения собственного/вашего/чужого эго, а для того чтобы тема была содержательной и выделялась на фоне замечаний типа "да я за такие деньги...", "никогда оно не заработает...", "наймите себе крутого монтажника (даже не проектировщика) и он вам...". Если кому покажется полезным - буду рад, а на другое мне на... Вобщем, вы как и раньше пришли сюда не с комментариями, а оправданиями собственного "высшего разума". Респект вам, и уважуха, мсье! Посилання на коментар Поділитися на інших сайтах More sharing options...
Сергей_84 Опубліковано: 2 січня 2012 Поділитись Опубліковано: 2 січня 2012 - Сергей, при всем почтении к гуру теплотехники, я позволю себе заметить, что никто из ваших колег, включая вас, не предлагает бюджет ниже десяточки.! я не заметил, что вообще кто-то говорил о конкретном бюджете(бегло глянул ветку, может проглядел)...а я Вам вобще ничего не предлагал... И еще...врядли кто-то скажет вот так рекламно о цифре в 6-7 тыс, потому что потом же с него и будут требовать эту цифру, а не качественную систему,но уже другие заказчики,...(добавляя: а вот в той ветке вы говорили, что можно улождиться в...."...)...не так это происходит на практике?..а ведь схемы у всех разные и задачи тоже Плюс к тому, вопрос стоимости мною не поднимался изначально. Я, конечно, понимаю всеобщую заботу о чужом кармане, но в, конце-концов, бюджет - это забота конкретного заказчика. Это - три.! Это вы так считаетте, но так не считают 50 % заказчков, которые хотят чтобы им предложили схему исходя из их бюджета...а специфика сантехники в том, что как правило исполнитель продает услугу в комплексе, а не я делаю работу, а вы покупаетте материал... а также то, что ESBE LTC171 имеет клапан естественной циркуляции в случае отключения насоса. Это - четыре. ! на схеме у вас не указано что у вас стоит "ладдомат"...и еще: вы проверяли его работу?...почти уверен, что через трехходовик ваша система не заработает на естественной циркуляции... что без гуру теплотехники "все погибло" .! В системах с ТТ часто так и бывает, о чем Сергей31 постоянно говорит и переделывает за год десятки угробленных систем и что все гуру здесь сидят чисто из гуманных побуждений.! я здесь зарабатываю деньги, подымаю свой профессиональный уровень, делюсь опытом с коллекгами и принимаю их опыт и не скрываю этого, а у остальных или такие же мотивы или свои личные Вобщем, вы как и раньше пришли сюда не с комментариями, а оправданиями собственного "высшего разума". Респект вам, и уважуха, мсье! причем здесь высший разум?? я просто прокомментировал вашу схему, указал на ее явный недостаток и на то, что не так ужь все дешево, как вы заметили....и заметьте я не обсирал, не говорил, что ваша реализованная схема-фигня, что гуру сделают круче и работоспособней. Вовсе нет....потому как доказывать что-то уже поздно да и незачем, сейчас можно только дать пару полезных небольших советов чтобы несколько улучшить систему или повысить ее безопасность Посилання на коментар Поділитися на інших сайтах More sharing options...
Сергей_84 Опубліковано: 2 січня 2012 Поділитись Опубліковано: 2 січня 2012 а вообщем: в доме тепло?, вам нравится ваше творение?, вы довольные стоимостью и результатом?...Значит отлично, удачной работы Вашей системе на долгие годы... Посилання на коментар Поділитися на інших сайтах More sharing options...
Сергей_84 Опубліковано: 2 січня 2012 Поділитись Опубліковано: 2 січня 2012 а для того чтобы тема была содержательной и выделялась на фоне замечаний типа "да я за такие деньги...", "никогда оно не заработает...", ! Давайте будем чесными, такого здесь никто не говорил...не перекручивайте фразы..... А на счет Вашей схемки, она частично неплоха и я бы частично использовал ваши идеи на своих объектах..но в целом реализовал бы конкретно вашу идею по другому (это я о том, что вариантов реализации есть множество) Посилання на коментар Поділитися на інших сайтах More sharing options...
Рекомендовані повідомлення
Створіть акаунт або увійдіть у нього для коментування
Ви маєте бути користувачем, щоб залишити коментар
Створити акаунт
Зареєструйтеся для отримання акаунта. Це просто!
Зареєструвати акаунтУвійти
Вже зареєстровані? Увійдіть тут.
Увійти зараз