Сугор Опубліковано: 31 жовтня 2011 Автор Поділитись Опубліковано: 31 жовтня 2011 А где в действующих нормах указано такое решение? Может не в щите, а в розетке пусть РЕ висит? Да уже не раз цитировал: делить можно практически в любом месте, чем ближе к источнику питания тем лучше, в розетке делить просто неполучится Посилання на коментар Поділитися на інших сайтах More sharing options...
Шарманщик Опубліковано: 31 жовтня 2011 Поділитись Опубліковано: 31 жовтня 2011 Доказывать какую невероятность? обрыва нуля? Зачем у нас презумция невиновности:D. Я доказывать Вас ничего не требую, просто назовите причины по которым это может произойти. И поробуйте привести реальные примеры, у Вас в доме это произошло, и ли в доме Ваших друзей или знакомых? ..... Да вот Вам пример и не с кем-то посторонним: Осокорки, дачка моя, любимая, 2002 год, осень, холодно, а газа ещё не было, все на розетки присели и на ТП, "отгорел ноль", т.е в точке соединения отводов транса 0,4 кВ исчез "надежный механический контакт обмоток трансформатора"(с) - цитата официального ответа РЭС на мой адрес В результате, на нулевой шине - 220-380-420- кто их мерил? Так вот лампочки сначала светить стали очень ярко, почти как магниевая вспышка, а потом полопались, а холодильник на меня в атаку "пошёл", двигался почти прямо, раскачиваясь из-сторон в сторону - зрелище сюрреалистичное и жуткое - Хичкок отдыхает..... так я вместо того, что б обесточить всё - решил, с перепугу, его (ящик дурной) оттолкнуть - впендюрило меня очень качественно, даже рука онемела - зато сразу "репа включилась" - запоздало вырубил вводной - в даме погорело всё, что было включено или находилось в режиме ожидания, включая сигнализацию - та заверещала, сгорая, а вот ни ДА, ни УЗО не сработали - это правда - с того дня всем и всегда ставлю четырехполюсные вводные автоматы. Ах, да - причины.... А они тривиальны - перегрузка - 130В у меня на линии не экзотика, а ежедневное событие, отсутствие квалифицированной обслуги и всеобщий пофигизм. Посилання на коментар Поділитися на інших сайтах More sharing options...
Сугор Опубліковано: 31 жовтня 2011 Автор Поділитись Опубліковано: 31 жовтня 2011 Хорош флудить - учите матчасть. Ток в нулевом может быть выше тока в фазном. Примеров отгорания нуля - сотни 4 в этой теме. sanykrimea, флудом занимаетесь как раз Вы, не дурите людям голову. Вы очень хорошо научиились вставлять цитаты из норм, но внимательно читать и понимать суть пока что нет. У Вас отсутствуют элементарные понятия: Вы не знаете как устороен этажный щит, чем он подключается, у Вас серьезные пробелы в знаниях. Насколько я понял из Ваших постов максимум чем Вы можете заниматься так это перекладкой проводки в квартирах (так называемый электромонтаж). Все монтажники сейчас на стройках, а Вы сидите в сети и морочите людям голову... Если я не прав то признайтесь чем конкретно Вы занимаетесь? В отличие от Вас я не требую публичного признания своей некомпитентности, напишите мне в личку, что я Вас конкретно достал, что мои высказывания понижают Ваш авторитет... Посилання на коментар Поділитися на інших сайтах More sharing options...
ink_stroi Опубліковано: 31 жовтня 2011 Поділитись Опубліковано: 31 жовтня 2011 Да уже не раз цитировал: делить можно практически в любом месте, чем ближе к источнику питания тем лучше, в розетке делить просто неполучитсяВ нормах нет такого. По действующим нормам в здании должна быть 5 проводка, следовательно делить уже не чего. Посилання на коментар Поділитися на інших сайтах More sharing options...
Сугор Опубліковано: 31 жовтня 2011 Автор Поділитись Опубліковано: 31 жовтня 2011 Да вот Вам пример и не с кем-то посторонним: Осокорки, дачка моя, любимая, 2002 год, осень, холодно, а газа ещё не было, все на розетки присели и на ТП, "отгорел ноль", т.е в точке соединения отводов транса 0,4 кВ исчез "надежный механический контакт обмоток трансформатора"(с) - цитата официального ответа РЭС на мой адрес В результате, на нулевой шине - 220-380-420- кто их мерил? Так вот лампочки сначала светить стали очень ярко, почти как магниевая вспышка, а потом полопались, а холодильник на меня в атаку "пошёл", двигался почти прямо, раскачиваясь из-сторон в сторону - зрелище сюрреалистичное и жуткое - Хичкок отдыхает..... так я вместо того, что б обесточить всё - решил, с перепугу, его (ящик дурной) оттолкнуть - впендюрило меня очень качественно, даже рука онемела - зато сразу "репа включилась" - запоздало вырубил вводной - в даме погорело всё, что было включено или находилось в режиме ожидания, включая сигнализацию - та заверещала, сгорая, а вот ни ДА, ни УЗО не сработали - это правда - с того дня всем и всегда ставлю четырехполюсные вводные автоматы. Ах, да - причины.... А они тривиальны - перегрузка - 130В у меня на линии не экзотика, а ежедневное событие, отсутствие квалифицированной обслуги и всеобщий пофигизм. Шарманщик, пример хороший, но не потеме. Если дача, то она подключена ответвлением от ВЛ. Такие аварии случаются доволно таки часто, но мы расматриваем случай подключения многоквартироно дома от КЛ а не от ВЛ. По поводу отгорания нуля в ВЛ в нормативной литературе написано много, описаны причины и описаны способы предотвращения таких аварий или минимизации последствий. Один из способов минимизации - устройство повторного заземления ВЛ при вводе в здание (дачу) Посилання на коментар Поділитися на інших сайтах More sharing options...
Сугор Опубліковано: 31 жовтня 2011 Автор Поділитись Опубліковано: 31 жовтня 2011 В нормах нет такого. По действующим нормам в здании должна быть 5 проводка, следовательно делить уже не чего. давайте уточним что мы расматриваем. У Вас в доме в стояке сколько жил? 4 или 5? с Ваших слов получается что если 4, то Вы не имеете право пользоваться электричеством, потомучто распределительная сеть Вашего дома выполнена не по нормам Посилання на коментар Поділитися на інших сайтах More sharing options...
ink_stroi Опубліковано: 31 жовтня 2011 Поділитись Опубліковано: 31 жовтня 2011 с Ваших слов получается что если 4, то Вы не имеете право пользоваться электричеством, потому что распределительная сеть Вашего дома выполнена не по нормамПолучается, что подключение должно быть выполнено в соответствии с распределительной сети здания. А куда вы ДСУП подключить собираетесь? Посилання на коментар Поділитися на інших сайтах More sharing options...
Шарманщик Опубліковано: 31 жовтня 2011 Поділитись Опубліковано: 31 жовтня 2011 sanykrimea, флудом занимаетесь как раз Вы, не дурите людям голову. Вы очень хорошо научиились вставлять цитаты из норм, но внимательно читать и понимать суть пока что нет. У Вас отсутствуют элементарные понятия: Вы не знаете как устороен этажный щит, чем он подключается, у Вас серьезные пробелы в знаниях. Насколько я понял из Ваших постов максимум чем Вы можете заниматься так это перекладкой проводки в квартирах (так называемый электромонтаж). Все монтажники сейчас на стройках, а Вы сидите в сети и морочите людям голову... Если я не прав то признайтесь чем конкретно Вы занимаетесь? В отличие от Вас я не требую публичного признания своей некомпитентности, напишите мне в личку, что я Вас конкретно достал, что мои высказывания понижают Ваш авторитет... Молодой человек, сдержите свой пыл, приберегите для основной работы, мне модераторы запретили задавать вопросы в стиле Паниковского-Балаганова:"А ты кто такой?", боясь потерять для форума новых людей - ну да и так обойдёмся, великий и могучий даёт такую возможность... Так вот по теме - я потратил полтора часа и перечитал весь Ваш бред - это позволило сделать следующий вывод - поправите меня, ежели я ошибся: 1. Вы тока-тока или очень недавно получили диплом. 2.Влились в некий коллектив, где по прошествию недолгого времени и по стечению обстоятельств, получили должность руководителя группы или особы, приближенной к... 3. Данное обстоятельство приподняло Вас в собственных глазах и зазор между планетой Земля и подошвами Ваших штиблет вырос на 10см. 4.НО!!!!! Ваш новый статус не добавил Вам знаний, а приёмы, что Вы используете при ведении некачественного диалога - спором Ваши опусы назвать ну никак нельзя- очень характерны для категории "из грязи- в князи" 5. Вы уж пожалуйста, снизойдите до нашего уровня и всё, что хотите доказать - подкрепляйте цитатами из нормативной документации, потому как Вы уже дважды в лужу сели, зачем самого себя, любимого выставлять на смех - какой же Вы после этого руководитель-то??? 6.У нас крайне негативно относятся к совдеповскому варианту ведения спора - т.е. переносу акцента с предмета спора на личность оппонента - Вы уж и это учтите тоже.. 7. - последнее - сегодня понедельник, значит ответов-отповедей наполучаете не только от Сани Крымского - так вот читайте их и считайте их - сумма "за" и "против" даст возможность оценить интерес, а разность - уровень ваших познаний... Ежели я в чём-то ошибся - поправьте, плиз, буду признателен. Посилання на коментар Поділитися на інших сайтах More sharing options...
Шарманщик Опубліковано: 31 жовтня 2011 Поділитись Опубліковано: 31 жовтня 2011 Шарманщик, пример хороший, но не потеме. Если дача, то она подключена ответвлением от ВЛ. Такие аварии случаются доволно таки часто, но мы расматриваем случай подключения многоквартироно дома от КЛ а не от ВЛ. По поводу отгорания нуля в ВЛ в нормативной литературе написано много, описаны причины и описаны способы предотвращения таких аварий или минимизации последствий. Один из способов минимизации - устройство повторного заземления ВЛ при вводе в здание (дачу) Да при чем тут ВЛ??? Она-то как раз осталась целой - Вы что, не читаете чужие сообщения, что ли? Ежели проблема на ТП - дык какая разница - ВЛ или КЛ???? Насчёт заземления...уважаемый, а что ТП не заземлены? Тогда почему на шине N появилась фаза??? И примеров тому в литературе - масса??? Посилання на коментар Поділитися на інших сайтах More sharing options...
sanykrimea Опубліковано: 31 жовтня 2011 Поділитись Опубліковано: 31 жовтня 2011 sanykrimea, флудом занимаетесь как раз Вы, не дурите людям голову. Вы очень хорошо научиились вставлять цитаты из норм, но внимательно читать и понимать суть пока что нет. У Вас отсутствуют элементарные понятия: Вы не знаете как устороен этажный щит, чем он подключается, у Вас серьезные пробелы в знаниях. Насколько я понял из Ваших постов максимум чем Вы можете заниматься так это перекладкой проводки в квартирах (так называемый электромонтаж). Все монтажники сейчас на стройках, а Вы сидите в сети и морочите людям голову... Если я не прав то признайтесь чем конкретно Вы занимаетесь? В отличие от Вас я не требую публичного признания своей некомпитентности, напишите мне в личку, что я Вас конкретно достал, что мои высказывания понижают Ваш авторитет... Вы обыкновенный чертёжник- теоретик, не понимающий основ и норм. Ваш флуд никак не задевает мой авторитет - не льстите себе. Суть в том, что Ваш словесный мусор потенциально может ввести в заблуждение человека не особо разбирающегося в электротехнике, потому и надо чистить раздел от некомпетентных и безответственных "советчиков". Ваш пробелы в подготовке видны в каждом посте - максимум на что Вы способны это пустопорожний трёп. :D 2.Влились в некий коллектив, где по прошествию недолгого времени и по стечению обстоятельств, получили должность руководителя группы или особы, приближенной к... Здесь ошибка, думаю. Он рядовой юный чертёжник после института - его творчество сотрудники трижды перепроверяют (по его же словам) За свои слова он не отвечает, доводы даже не читает - самоуверенный трепач, не более... Подрывающий авторитет раздела "Электрика" Посилання на коментар Поділитися на інших сайтах More sharing options...
Сугор Опубліковано: 31 жовтня 2011 Автор Поділитись Опубліковано: 31 жовтня 2011 Получается, что подключение должно быть выполнено в соответствии с распределительной сети здания. А куда вы ДСУП подключить собираетесь? получается, что если в доме не выполнена реконструкция распределительной сети, то никто из жильцов не вправе заниматься реконструкцией проводки внутри квартиры. хотя жилцы этим вообще не имеют права заниматься:D. А на счет ДСУП это уже вопрос не ко мне, если я не прав в предыдущих высказываний, то его вообще некуда подключать если в доме стояк выполнен четырмя жилами. Это вопрос скорее к sanykrimea, я думаю он лучше объянит куда подключать если в ЭЩ нет шины РЕ Посилання на коментар Поділитися на інших сайтах More sharing options...
Шарманщик Опубліковано: 31 жовтня 2011 Поділитись Опубліковано: 31 жовтня 2011 .....А куда вы ДСУП подключить собираетесь? Ага...куда-куда........ещё один...ДСУП ему какою-то подавай... А вот вспомнил - а Вы ссылку почему не даёте на нормативы??? Посилання на коментар Поділитися на інших сайтах More sharing options...
Шарманщик Опубліковано: 31 жовтня 2011 Поділитись Опубліковано: 31 жовтня 2011 ..... на счет ДСУП это уже вопрос не ко мне, если я не прав в предыдущих высказываний, то его вообще некуда подключать если в доме стояк выполнен четырмя жилами. Это вопрос скорее к sanykrimea, я думаю он лучше объянит куда подключать если в ЭЩ нет шины РЕ Ржу-нимагу!!!! :lol: Ну вот и третий раз парень в лужу сел!!!!!!!!!!! Посилання на коментар Поділитися на інших сайтах More sharing options...
Сугор Опубліковано: 31 жовтня 2011 Автор Поділитись Опубліковано: 31 жовтня 2011 Да при чем тут ВЛ??? Она-то как раз осталась целой - Вы что, не читаете чужие сообщения, что ли? Ежели проблема на ТП - дык какая разница - ВЛ или КЛ???? Насчёт заземления...уважаемый, а что ТП не заземлены? Тогда почему на шине N появилась фаза??? И примеров тому в литературе - масса??? Уважаемый Шарманщик, что Вы скачете с одной темы на другую. В вашем случае если бы на вводе в дом и по всей длине ВЛ было бы выполнено повторное заземление но никаких проблем у Васне было бы... Если уВас есть возможность ознакомится с пособием по изучению и применению гл.1.7 ПУЭ то возможно у Вас былобы меньше вопросов. А вообще мы расматривали ситуацию с обрывом нуля в могоэтажке. Посилання на коментар Поділитися на інших сайтах More sharing options...
Шарманщик Опубліковано: 31 жовтня 2011 Поділитись Опубліковано: 31 жовтня 2011 Уважаемый Шарманщик, что Вы скачете с одной темы на другую. В вашем случае если бы на вводе в дом и по всей длине ВЛ было бы выполнено повторное заземление но никаких проблем у Васне было бы... Если уВас есть возможность ознакомится с пособием по изучению и применению гл.1.7 ПУЭ то возможно у Вас былобы меньше вопросов. А вообще мы расматривали ситуацию с обрывом нуля в могоэтажке. Не менее уважаемый, в посту за нумером "113" Вы просили конкретный пример - перечитайте собственный пост, ежели чужие не читаете - это первое. Я задал конкретный вопрос - чем отгорание нуля на ТП при ВЛ и КЛ отличаются, Вы почему-то на отгорание(обрыв) в многоэтажке перешли - может Вы не понимаете сути САМОГО вопроса ???? Ну так это в учебниках, в наставлениях и методичках искать надо.... Чо ж это Вы - с мизером-то против тузов прёте? Для блефа нужно умение, для спора - знания....вот ведь как... Ладушки - время истекло...посмотрю, чо наши зубры от Вас оставят к вечеру Посилання на коментар Поділитися на інших сайтах More sharing options...
Nick_Azovsvet Опубліковано: 31 жовтня 2011 Поділитись Опубліковано: 31 жовтня 2011 Ну, для начала, стояки прокладываются одножильными кабелями (проводами). Откуда у Вас данные что жилы разного сечения? Ток в нулевом проводнике никогда не будет больше фазного. Что означает термин "задирается напряжение"? Приведите наконец пример где произошла такая авария... расказ об УЗО - вообще растроил... что такое "отстроено относительно земли" ? УЗО реагирует на разность токов в фазном и нулевом проводнике (дифферинциальный ток) я не теоретик а практик и пользуюсь исключительно своей терминологией, тем не менее это не значит что я нарушаю строительные нормы и вообще нормы здравого смысла. "отстроенно относительно земли"- имеется ввиду при появлении тока утечки УЗО сработает если схема верная. "Задирается напряжение" - обрыв нуля в щитовой этого достаточно в трехфазной цепи чтобы в квартирах появилось около 300-350вольт Посилання на коментар Поділитися на інших сайтах More sharing options...
Сугор Опубліковано: 31 жовтня 2011 Автор Поділитись Опубліковано: 31 жовтня 2011 Уважаемые Шарманщик (старший вольтамперметр) и sanykrimea (электромантаж), я думаю неочень красиво обсуждать чужую квалификацию при этом ничего не сказав о себе. Если Вам стыдно признатся чем вы занимаетесь, то в принципе это Ваши проблемы. Я думаю, что Вы простобоитесь потерять авторитет так тяжело заработаный на форуме признавшись что работаете простыми "шабашниками". Что сейчас Вы сидите без работы, Вас куча времини, поэтому вы балаболите на различных форумах и не разбираясь в сути тупо вставляете цитаты из норм и раздаете глупые советы Посилання на коментар Поділитися на інших сайтах More sharing options...
sanykrimea Опубліковано: 31 жовтня 2011 Поділитись Опубліковано: 31 жовтня 2011 Для блефа нужно умение, для спора - знания....вот ведь как... Это его в отделе заклевали - вот он здесь анонимно отрывается и оттачивает мастерство отпираться :D Офисный планктон такой себе.. я думаю неочень красиво обсуждать чужую квалификацию при этом ничего не сказав о себе. Я ж говорю - юный неопытный, людей оценивает не по знаниям и опыту, а по званиям (тем более ничего не зная о званиях оппонентов). В чиновники мабуть рвётся - там тоже ума не надо, главное послушание. 1 Посилання на коментар Поділитися на інших сайтах More sharing options...
Сугор Опубліковано: 31 жовтня 2011 Автор Поділитись Опубліковано: 31 жовтня 2011 Это его в отделе заклевали - вот он здесь анонимно отрывается и оттачивает мастерство отпираться :D Офисный планктон такой себе.. Да ладно, что Вы все обо мне, да обо мне? Назавитесь, скажите чем Вы занимаетесь? какая у Вас должность? или всетаки стыдно признаться. А спорить мне очень часто приходится не сколегами, а с экспертами при защите проектов и достаточно часто получается отстаивать принятые решения, в противном случае (если не получается) принимается мнение эксперта и учитывается в следующих проектах. А это согласитесь немного покруче чем спорить с анонимным "халтурщиком" Я ж говорю - юный неопытный, людей оценивает не по знаниям и опыту, а по званиям (тем более ничего не зная о званиях оппонентов). В чиновники мабуть рвётся - там тоже ума не надо, главное послушание. Ну так назовитесь. Звания ведь тоже за какие-то заслуги дают. Или Вам и здесь нечем похвастать. Я так понимаю, у Вас просто жизнь не удалось, достичь сег-либо Вы не смогли, вот и срывраете злость на людях которые смиогли чего-то достичь Посилання на коментар Поділитися на інших сайтах More sharing options...
sanykrimea Опубліковано: 31 жовтня 2011 Поділитись Опубліковано: 31 жовтня 2011 Да ладно, что Вы все обо мне, да обо мне? Назавитесь, скажите чем Вы занимаетесь? какая у Вас должность? или всетаки стыдно признаться. А спорить мне очень часто приходится не сколегами, а с экспертами при защите проектов и достаточно часто получается отстаивать принятые решения, в противном случае (если не получается) принимается мнение эксперта и учитывается в следующих проектах. А это согласитесь немного покруче чем спорить с анонимным "халтурщиком" Бла-бла - Ваш уровень подготовки виден в каждом посте в любой теме с Вашим участием. Очевидная ложь - никаких существенных решений Вы принимать не можете, уровень не тот, может рамочки какие или соответствие обозначений ДСТУ. Или проекты на сторожку с лампочкой, выключателем и розеткой (из типовика). 1 Посилання на коментар Поділитися на інших сайтах More sharing options...
Сугор Опубліковано: 31 жовтня 2011 Автор Поділитись Опубліковано: 31 жовтня 2011 Бла-бла - Ваш уровень подготовки виден в каждом посте в любой теме с Вашим участием. Очевидная ложь - никаких существенных решений Вы принимать не можете, уровень не тот, может рамочки какие или соответствие обозначений ДСТУ. Ну так представтесь и тогда все станет на свои места, или слабо? Ну скажите наконец, к примеру: я электромонтажник 6 разряда, имею 5группу допуска, закончил ПТУ (Техникум, институт), 20лет работаю в стоительстве, и вот тогда я буду Вас уважать. Посилання на коментар Поділитися на інших сайтах More sharing options...
sanykrimea Опубліковано: 31 жовтня 2011 Поділитись Опубліковано: 31 жовтня 2011 Ну так представтесь и тогда все станет на свои места, или слабо? Ну скажите наконец, к примеру: я электромонтажник 6 разряда, имею 5группу допуска, закончил ПТУ (Техникум, институт), 20лет работаю в стоительстве, и вот тогда я буду Вас уважать. Повторяю для тугосоображающих. Всё что посчитал нужным на данный момент - указал в профиле. Почему не указал все свои регалии - связано с моей работой и Вас ни в коей мере не должно касаться. А Ваше уважение меня не интересует - не тот круг общения. Посилання на коментар Поділитися на інших сайтах More sharing options...
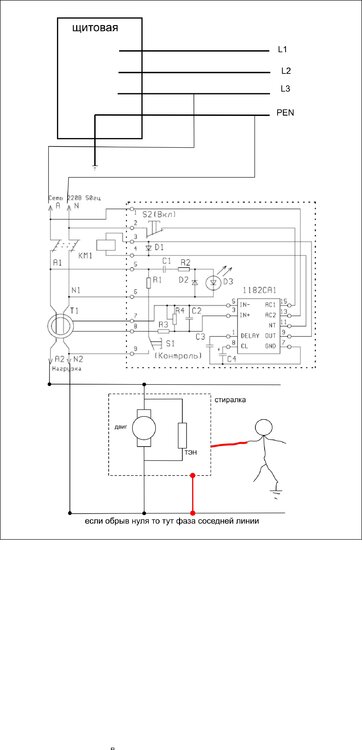
Nick_Azovsvet Опубліковано: 31 жовтня 2011 Поділитись Опубліковано: 31 жовтня 2011 Никакой несимметрии в цепи УЗО не будет. Не сработает оно. Давайте рассмотрим на этой картинке. Почему не будет? Корпус помимо того что сам на земле стоит так до него еще и рука дотронется, которая тоже на земле. Но в фазе(которая постоянно) висит еще куча нагрузки начиная от двигателей хололильников лампочек и т.п. оно и создаст сопротивление в итоге в "нулевом"(который стал фазой) ток через тело сразу пойдет в землю в обход УЗО. Теперь осталось это проверить на практике. Да кстати я уже говорил что был свидетелем когда нулевой проводдик при соприкосновении с заземляющим в квартире тожы вызывал срабатывание узо при этом потребители были все отключены - квартира голые стены , даже лампочек нет. Посилання на коментар Поділитися на інших сайтах More sharing options...
sanykrimea Опубліковано: 31 жовтня 2011 Поділитись Опубліковано: 31 жовтня 2011 Давайте рассмотрим на этой картинке. Картинка неправильная - зануление на корпус приходит со щитка, минуя УЗО. Посилання на коментар Поділитися на інших сайтах More sharing options...
Сугор Опубліковано: 31 жовтня 2011 Автор Поділитись Опубліковано: 31 жовтня 2011 Повторяю для тугосоображающих. Всё что посчитал нужным на данный момент - указал в профиле. Почему не указал все свои регалии - связано с моей работой и Вас ни в коей мере не должно касаться. А Ваше уважение меня не интересует - не тот круг общения. Да Вам просто нечего сказать, я ведь не тремую от Вас указать точный адресс своего места работы? Могу сказать только одно, судя по тому сколько Вы времени проводите в сети - непосредственно монтажом Вы не занимаетась. А круг действительно не тот. В отличие от Вас мне есть чем похвастаться: по моим проектам построены здания по всей Украине. А чем можете "похвастаться" Вы? Посилання на коментар Поділитися на інших сайтах More sharing options...
Рекомендовані повідомлення
Створіть акаунт або увійдіть у нього для коментування
Ви маєте бути користувачем, щоб залишити коментар
Створити акаунт
Зареєструйтеся для отримання акаунта. Це просто!
Зареєструвати акаунтУвійти
Вже зареєстровані? Увійдіть тут.
Увійти зараз