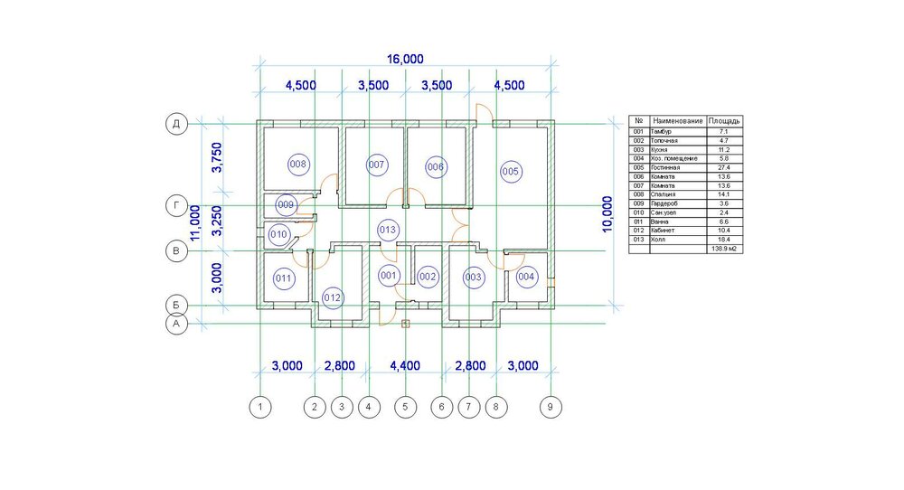
Leon Опубліковано: 3 грудня 2012 Поділитись Опубліковано: 3 грудня 2012 Намалював собі такий будиночок. Час вже віддавати архітектору. Хотілось би почути критику по розмірам і розміщенню кімнат. Вхід в будинок - південний схід. Або переконайте, що двоповерховий буде дешевше Посилання на коментар Поділитися на інших сайтах More sharing options...
Татьяна5 Опубліковано: 3 грудня 2012 Поділитись Опубліковано: 3 грудня 2012 Або переконайте, що двоповерховий буде дешевше это уже Ваш личный выбор, но одноэтажный дороже, но и значительно удобнее для жизни проект не нравится категорически, планировка старой хаты с нарезанными комнатушкам то, что Вы назвали холлом, по сути - длинный темный коридор с кучей дверей 7 Посилання на коментар Поділитися на інших сайтах More sharing options...
Музей Опубліковано: 3 грудня 2012 Поділитись Опубліковано: 3 грудня 2012 это уже Ваш личный выбор, но одноэтажный дороже, но и значительно удобнее для жизни проект не нравится категорически, планировка старой хаты с нарезанными комнатушкам +100 Без схемы расположения дома и пр. строений на участке не стоит ничего планировать. Современный дом без вида из окон - просто неполноценен. В процессе планирования помещений расставляйте мебель. Вы на многое посмотрите иначе. 2 Посилання на коментар Поділитися на інших сайтах More sharing options...
Leon Опубліковано: 3 грудня 2012 Автор Поділитись Опубліковано: 3 грудня 2012 проект не нравится категорически, планировка старой хаты с нарезанными комнатушкам то, что Вы назвали холлом, по сути - длинный темный коридор с кучей дверей Ну, по суті хол - і є коридор. Широкі двері в гостинну завжди відкриті - єдине джерело природного освітлення. Я ж свої думки навіщо на форумі засвітив? Для того, щоб почути поради. Сім*я з двох дорослих і двох дітей. Менше кімнат зробити не виходить.. Підкажіть, як їх розмістити так, щоб не було коридору. "Фе" - це добре, це означає, що потрібно щось міняти. От тільки питання в тому, ЯК і ЩО міняти. Коли я почну розмову з архітектором, я ж повинен буду пояснити який будинок я хочу. Я так думаю.. Посилання на коментар Поділитися на інших сайтах More sharing options...
Татьяна5 Опубліковано: 3 грудня 2012 Поділитись Опубліковано: 3 грудня 2012 Підкажіть, як їх розмістити так, щоб не було коридору. элементарно например, взять за идею подобное или такое без гаража 1 Посилання на коментар Поділитися на інших сайтах More sharing options...
Музей Опубліковано: 3 грудня 2012 Поділитись Опубліковано: 3 грудня 2012 Каково функциональное назначение помещений с названиями "комната" 2 шт. и "кабинет"? Добавлено через 2 минуты Размеры гардеробной позволяют только войти и выйти, а разместить там шкафы, полки, коробки невозможно. Зайдите на сайт Муратора. У них очень интересные планировки. Посилання на коментар Поділитися на інших сайтах More sharing options...
Leon Опубліковано: 3 грудня 2012 Автор Поділитись Опубліковано: 3 грудня 2012 элементарно так, але -1 кімната, а якщо її добавити, то буде приблизно та ж картина що в мене Каково функциональное назначение помещений с названиями "комната" 2 шт. и "кабинет"? Дві дитячі кімнати і гостьова(кабінет) Посилання на коментар Поділитися на інших сайтах More sharing options...
Татьяна5 Опубліковано: 3 грудня 2012 Поділитись Опубліковано: 3 грудня 2012 так, але -1 кімната, а якщо її добавити, то буде приблизно та ж картина що в мене нет, картинка совершенно другая, а Вы хотите в небольшую площадь вместить кучу комнатушек и помещеньец, страшненько получается гостевую сделайте в виде антресоли под скатом крыши, все равно туда раз в сто лет заходить будете 2 Посилання на коментар Поділитися на інших сайтах More sharing options...
Leon Опубліковано: 3 грудня 2012 Автор Поділитись Опубліковано: 3 грудня 2012 Вы хотите в небольшую площадь вместить кучу комнатушек и помещеньец Ну, це ж нормальне бажання і так будинок 11х16.. гостевую сделайте в виде антресоли под скатом крыши, все равно туда раз в сто лет заходить будете Таня, поясніть, що ви мали на увазі? На другий поверх її закинути? Посилання на коментар Поділитися на інших сайтах More sharing options...
Татьяна5 Опубліковано: 3 грудня 2012 Поділитись Опубліковано: 3 грудня 2012 Ну, це ж нормальне бажання і так будинок 11х16.. не настолько это много для дома, что бы запихивать туда столько отдельных помещений, увы Таня, поясніть, що ви мали на увазі? На другий поверх її закинути? под скат крыши, чуток угол крыши приподнять, ту зону утеплить по стропилам и сделать комнатку, что-то типа такого идеологически где-то так 1 Посилання на коментар Поділитися на інших сайтах More sharing options...
Leon Опубліковано: 3 грудня 2012 Автор Поділитись Опубліковано: 3 грудня 2012 идеологически где-то так Дякую, зрозумів! Бачив це фото в одній з Ваших тем, якщо не помиляюсь. З коридором мені зрозуміло. Буду думати. а чому "комнатушки? невже розміри кімнат настільки малі? (за гардеробну зараз не говоримо) Посилання на коментар Поділитися на інших сайтах More sharing options...
Leon Опубліковано: 3 грудня 2012 Автор Поділитись Опубліковано: 3 грудня 2012 А хто мені підкаже, які вимоги до "топочної"? Як далеко вона має бути до виходу? Може вона знаходитись в дальньому куті будинку, чи має бути якнайближче до входу в будинок? Як розраховується об*єм/метраж? Посилання на коментар Поділитися на інших сайтах More sharing options...
Leon Опубліковано: 4 грудня 2012 Автор Поділитись Опубліковано: 4 грудня 2012 Нічого не розумію.. Одноповерхові не в тренді? Все настільки жахливо, що навіть коментувати ніхто не хоче? Крім темного коридору ніяких зауважень? Щоб обговорити план будинку треба показати фото ділянки? Чи всіх притрусило сніжком вчора? Посилання на коментар Поділитися на інших сайтах More sharing options...
Музей Опубліковано: 4 грудня 2012 Поділитись Опубліковано: 4 грудня 2012 Чи всіх притрусило сніжком вчора? У Вас вітальня повернута на північ? Тераси не буде? Будівництво планується як бюджетне? В цілому, концепція цього будинку є застарілою. Посилання на коментар Поділитися на інших сайтах More sharing options...
Leon Опубліковано: 4 грудня 2012 Автор Поділитись Опубліковано: 4 грудня 2012 У Вас вітальня повернута на північ? Тераси не буде? Будівництво планується як бюджетне? В цілому, концепція цього будинку є застарілою. Вітальня широкою стіною на північний схід. Тераса буде - двері з вітальні я намалював, саму терасу - ні. Бюджетне.(а що це означає?) Що означає застаріла? Я ніяк не можу зрозуміти в якому напрямку мені рухатись в розробці плану. Муратор передивився вчора - всі будинки на 4 спальні + вітальня - з коридором, або прохідні кімнати.. Посилання на коментар Поділитися на інших сайтах More sharing options...
Музей Опубліковано: 4 грудня 2012 Поділитись Опубліковано: 4 грудня 2012 Бюджетне.(а що це означає?) Бюджетно означає дуже економно. Наприклад. Для декого з забудовників важливо розташувати абсолютно компактно санвузли, щоб не витрачатися на розводку труб по будинку. Будинок, зовні прикрасять єркери, а внутрішнє планування стане значно цікавішим. Але еркер це додаткові витрати. Насправді, зовсім не великі, але витрати. Більшість уникає еркерів. На мій погляд, у сучасному будинку повинні бути великі вікна. Головним чином у вітальні. Тому і запитую про розташування будинку на ділянці та про оточення. Неможливо (на мій погляд) планувати будинок без одночасного планування тераси, тому що вона повязана з кухнею і з самою ділянкою. Один з архітекторів на цьому форумі, сказав що будинок повинен СПІЛКУВАТИСЯ з ділянкою. Посилання на коментар Поділитися на інших сайтах More sharing options...
OuldMan Опубліковано: 4 грудня 2012 Поділитись Опубліковано: 4 грудня 2012 Нічого не розумію.. Одноповерхові не в тренді? Все настільки жахливо, що навіть коментувати ніхто не хоче? Крім темного коридору ніяких зауважень? Щоб обговорити план будинку треба показати фото ділянки? Чи всіх притрусило сніжком вчора? Леоне, зробить проект в найпростішому планувальнику дома, який дозволяє побачити дім в 3Д. Обов'язково розпихайте по кімнатам, згідно з їх призначенням, меблі. Ви самі все побачите й зробите інакше. 1 Посилання на коментар Поділитися на інших сайтах More sharing options...
Музей Опубліковано: 4 грудня 2012 Поділитись Опубліковано: 4 грудня 2012 Вітальня широкою стіною на північний схід. У вітальні буде темно. Там є лише терасні двері. А якщо терасу напнути , то буде зовсім темно. Посилання на коментар Поділитися на інших сайтах More sharing options...
Leon Опубліковано: 4 грудня 2012 Автор Поділитись Опубліковано: 4 грудня 2012 Леоне, зробить проект в найпростішому планувальнику дома, який дозволяє побачити дім в 3Д. Обов'язково розпихайте по кімнатам, згідно з їх призначенням, меблі. Ви самі все побачите й зробите інакше. Та зробив я.. В Архікаді все малював. Навіть зовнішню візуалізацію зробив. В мене питання було саме до розміщення кімнат і їхніх розмірів. І вікна в вітальні є, і дах вальмовий я намалював.. Я не знаю. я мабуть не вмію називати правильно теми, чи задавати питання, тому що коли шукав землю, то створив тему, пропозиції і поради почали з*являтись після того, як написав, що земля куплена - до того, тільки мої АПИ.. Ділянка 40+ соток, 55х80 метрів. На північному заході відразу на межі ділянки, починається пагорб з кутом нахилу градусів 30-35, висотою метрів 50 і на пагорбі сосновий ліс з соснами висотою 10+ метрів. з фасадного боку ділянки проходить сільська дорога, відразу за дорогою вільхи і клени - це берег річки, до якої метрів 15-20 від межі і відповідно буде метрів 70 від будинку. Просто показувати візуалізацію, а тепер вже й новий план, бажання ніякого. Сподіваюсь, що архітектор вибере з моїх ескізів кращий і порадить, що можна змінити, щоб було комфортніше жити. Так хотілось отримати пораду, а в результаті погавкав. Добре що не нагрубив нікому :D Посилання на коментар Поділитися на інших сайтах More sharing options...
Музей Опубліковано: 4 грудня 2012 Поділитись Опубліковано: 4 грудня 2012 proekty.muratordom.com.ua/proekt_obdumannyi-variant-i,556,0,0.htm 2 Посилання на коментар Поділитися на інших сайтах More sharing options...
vadimv Опубліковано: 4 грудня 2012 Поділитись Опубліковано: 4 грудня 2012 Намалював собі такий будиночок.А что это у вас за "Хоз. помещение (004)"? Посилання на коментар Поділитися на інших сайтах More sharing options...
Leon Опубліковано: 4 грудня 2012 Автор Поділитись Опубліковано: 4 грудня 2012 А что это у вас за "Хоз. помещение (004)"? Приємно, що Вас більше нічого не збентежило в плануванні 004 - приміщення поряд з кухнею, куди будуть складатись всі кухонні прибамбаси, які рідко використовуються. Що там буде ще знаходитись - не знаю, але впевнений, що пустувати не буде ;) Посилання на коментар Поділитися на інших сайтах More sharing options...
Архітектор К Опубліковано: 5 грудня 2012 Поділитись Опубліковано: 5 грудня 2012 В будинку немає логічного зонального розпланування на приватну зону, зону денного перебування, вхідну групу приміщень. Погана орієнтація приміщень за сторонами світу. Будинок треба розплановувати разом з ділянкою. Беріть ескізи планування, розпишіть побажання і йдіть до архітектора, він розпланує все як треба, щоб і вам сподобалось і функціонально було краще. 1 Посилання на коментар Поділитися на інших сайтах More sharing options...
Ter Опубліковано: 5 грудня 2012 Поділитись Опубліковано: 5 грудня 2012 Маю аналогічне завдання, що й топікстартер. Проектів одноповерхових будинків з 4-ма кімнатами у Інтернеті хоч греблю гати, а от з 5-кімнатними, до того ж компактними, просто швах. Сам сижу сушу голову, варіантів багато, у середньому виходять 14х11, 15х11. Також при виборі "зональність проти компактності" (ІМХО) чимось прийдеться жертвувати. Посилання на коментар Поділитися на інших сайтах More sharing options...
Leon Опубліковано: 5 грудня 2012 Автор Поділитись Опубліковано: 5 грудня 2012 Також при виборі "зональність проти компактності" (ІМХО) чимось прийдеться жертвувати. Так і є.. Ну ніяк не вийде зробити всі спальні і вітальню вікнами на південь. Терасу радять робити з північної сторони, щоб літом було комфортно(зимою ж не будеш сидіти на терасі), а як робити терасу з північної, а вітальню з південної? Розміри спалень - не знаю, навіщо робити їх по 20 квадратів, якщо не збираєшся там танцювати. Ліжко, стіл і шафа - достатній набір для спальні. Літом час буде проводитись у дворі, а зимою краще в вітальні зібратись. Гостьова кімната має бути, і це не повинна бути собача будка під стріхою. Ter, я тут намалював собі ще один варіант, як на мене - зручний. І навіть зони можна виділити Можу скинути на мило. І продовжимо обговорення приватно Щоправда в мене ділянка велика, тому будинок 15х12. Якщо у Вас розміри не дозволяють таке втулити, тоді - ой.. Посилання на коментар Поділитися на інших сайтах More sharing options...
Рекомендовані повідомлення
Створіть акаунт або увійдіть у нього для коментування
Ви маєте бути користувачем, щоб залишити коментар
Створити акаунт
Зареєструйтеся для отримання акаунта. Це просто!
Зареєструвати акаунтУвійти
Вже зареєстровані? Увійдіть тут.
Увійти зараз